2000 TRAIL BLAZER 250 SPECIFICATIONS BRAKES Type - Front Type - Rear Type - Auxiliary Type - Parking Hydraulic Disc Hydraulic Disc Hydraulic Hydraulic Lock CAPACITIES Fuel Tank (gallon) Oil, Gearcase (ounces) Oil, Injector (quarts) Oil, Engine, OW/40 (quarts) Rack, Front (pounds) Rack, Rear (pounds) Tongue Weight Tow Hitch Tow Weight 4 11 2 N/A Accessory 30 Accessory 60 30 Accessory 850 DRIVE TRAIN Type Concentric DRIVE CLUTCH Drive System Type Center Distance (inches) Clutch Offset (inches) Clutch Weight (grams) Spring Color PVT 10 1/2 G (48) Blue/Green DRIVEN CLUTCH Helix Angle Spring Position 40° 2-2 DIMENSIONAL FEATURES Approx. Turning Radius Box, Tool (cubic inches) Ground Clearance (inches) Height (inches) Length (inches) Seat Height (inches) Weight (dry) Wheel Base (inches) Width (inches) 60″ 77 6 46 74.5 33 440 49.75 46.5 GEARCASE Trans. Number and Type Shift Type Gear Reduction - Low Gear Reduction - Reverse Gear Reduction - High Final Drive (ratio) Chain Type PRD Side Lever N/A 3.05/1 2.68/1 11/38 78P 520 O-Ring TIRES & WHEELS Tire Manufacturer Tire Size - Front Tire Size - Rear Tire Size - Center Tire Pressure - Front Tire Pressure - Rear Tire Pressure - Center Titan 23x7-10 22x11-10 N/A 4 3 N/A ENGINE Engine Model Number Engine Type Lubrication Type Bore & Stroke (mm) Displacement (cc’s) Compression Ratio Cooling Alternator Output Elec. Start w/Recoil Back Up Carburetors (no. of/size) Main Jet Pilot Jet Needle Jet Cut Away Air Screw Jet Needle Ignition Ignition (Type & Deg. BTDC) Spark Plug Gap (inches) Spark Plug (Type) Exhaust EC25PFE13 2 Cycle, Single Cyl. Oil Injection 72x60 244 6.1:1 Effective Air 150W Standard 1 VM30SS 130 40 0-4 (169) 2.0 1.0 Turn 5DP7-3 CDI 25 @ 3000 .028 NGKBR8ES USFS Appr. Pending GRAPHICS Bumper Caps/Polyprop. Cargo Box or Bed Fender, Front/HDPE Fender, Rear/HDPE Footwell Frame/Steel Front Cover Handlebar Cover/TPE Headlight Pod/HDPE Rack, Front Rack, Rear Rims Seat Vinyl Side Panel/HDPE Spring, Front Spring, Rear N/A N/A Bright White Bright White Black Black Yellow Black N/A N/A N/A Bright White Yellow N/A Fire Red Fire Red ELECTRICAL Headlight (watts) Taillight (watts) Brake Light (watts) Other (Grill Mntd. Lights) Indicator Bulb Battery 1 Single Beam, 12 V 55 W 12 V/8.26 W 12 V/26.9 W N/A 12 V/1 W 12 V 14 AH SUSPENSION Front Type - Front Travel (inches) Rear Type - Rear Travel (inches) Shock Adjustment MacPherson Strut 6.7 Progressive Rate Swing Arm 8.2 2″ Gas Charged Monotube CAM Polaris Industries Inc. reserves the right to make changes in design and specifications and/or to make additions or improvements to its products without notice.
2000 TRAIL BLAZER 250 ATV PUBLICATION NUMBERS MODEL MODEL NO. OWNER’S MANUAL OWNER’S MANUAL SUPPLEMENT PARTS MANUAL PARTS MICROFICHE ASSEMBLY INSTRUCTIONS Trail Blazer 250 A00BA25CA 9915299 9915467 9915482 9916182 9915503
ATVs are the ideal machine for maintenance and repair at home due to their reliable design, simple construction, and ease of repair. Whether you are a professional mechanic or a DIY enthusiast, having a quality parts manual specific to your ATV is essential for routine maintenance and repairs. This manual contains 45 pages in English format, enabling you to print only what you need.
Contents include the following topics with exploded diagrams and part number lists:
SPECIFICATIONS
FRONT CAB
REAR CAB and SEAT
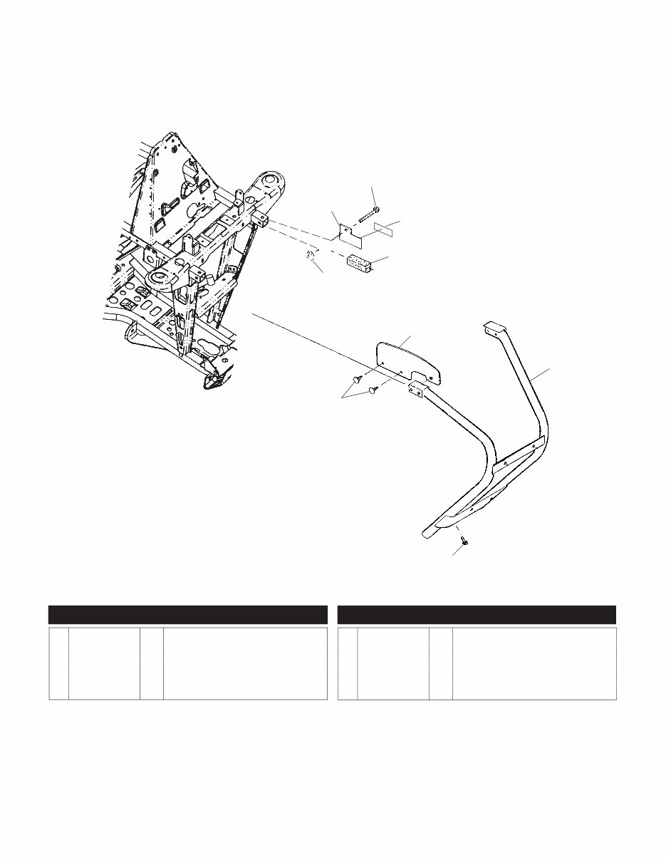
REAR RACK MOUNTING
DECALS
FRONT RACK and BUMPER MOUNTING
ENGINE MOUNTING
COOLING SYSTEM
EXHAUST SYSTEM
FUEL TANK
OIL TANK
AIR BOX
FRONT DRIVE
FRONT TIGHTENER
FRONT STRUT
CV JOINT BTB
FRONT WHEEL
FRONT BRAKE
CONTROLS -- THROTTLE ASM./CABLE
CONTROLS - MASTER CYLINDER/BRAKE LINE
STEERING POST
HANDLEBAR and HEADLIGHT POD
A--ARM/STRUT MOUNTING
CENTER TIGHTENER
SWING ARM/SHOCK MOUNTING
DRIVE CLUTCH
DRIVEN CLUTCH
CLUTCH COVER
GEARCASE/BRAKE and CHAIN COVER MOUNTING
REAR BRAKE
REAR WHEEL DRIVE
ELECTRICAL/TAILLIGHT
GEARCASE
GEAR SELECTOR
PISTON and CRANKSHAFT
CRANKCASE and CYLINDER
RECOIL STARTER
CARBURETOR
OIL PUMP
MAGNETO
STARTING MOTOR
TOOL KIT
PART NUMBER INDEX
Whether you are a professional mechanic or a DIY enthusiast, having a quality parts manual specific to your ATV is essential for routine maintenance and repairs. This manual will help you identify the parts of your ATV and assist you during routine maintenance and repair, providing you with many years of reliable use.