2006 Polaris Phoenix 200 Factory Service & Work Shop Manual
Upon purchasing this manual, you will receive a .PDF file containing an email contact. After contacting us, you will receive a reply with a link to access the manual for your 2006 Polaris Phoenix 200.
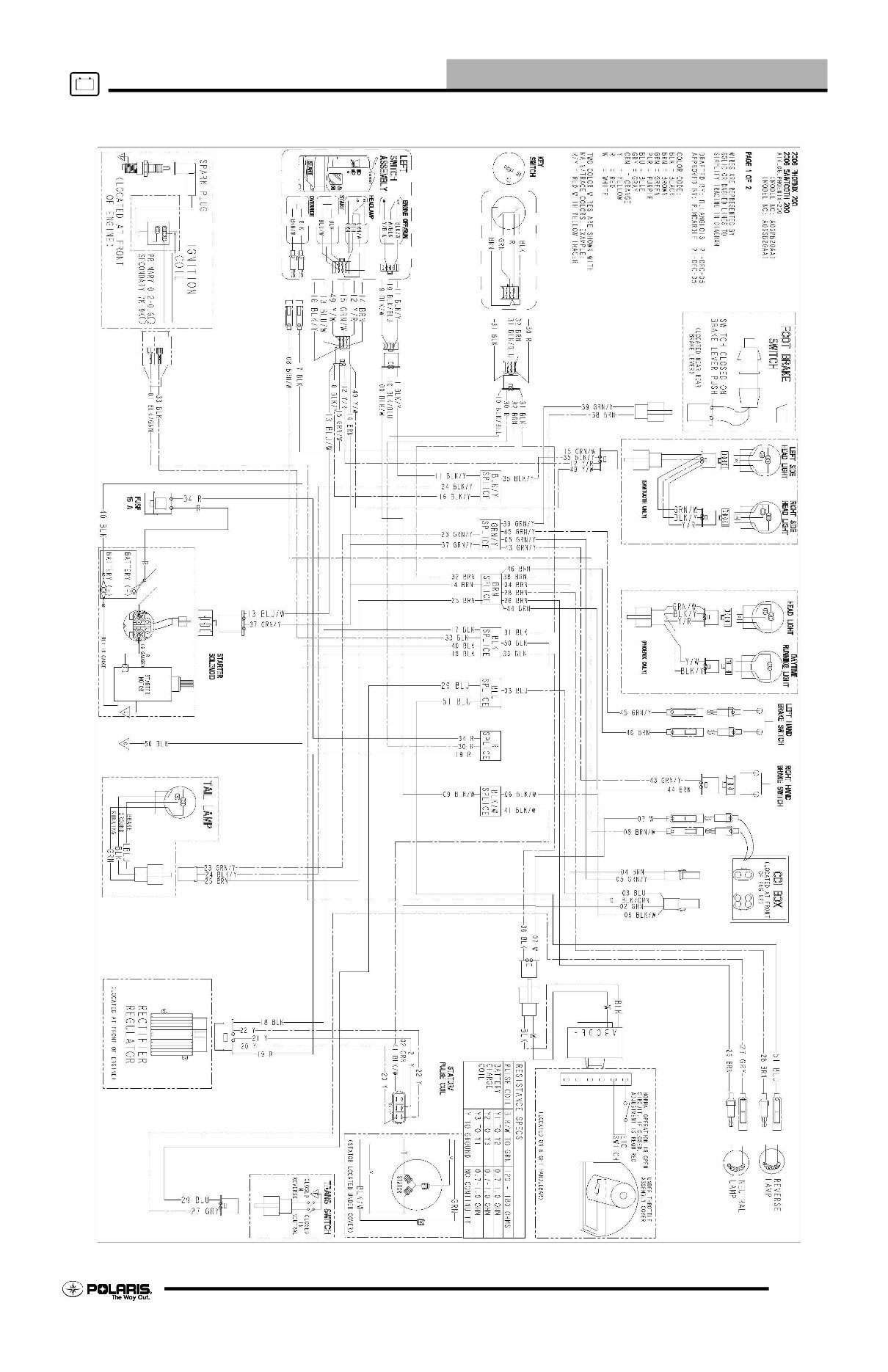
This comprehensive manual covers every aspect of your machine, providing detailed guidance for tasks ranging from simple maintenance, such as an oil change, to more complex procedures like a transmission swap. With hundreds of pages, it includes numerous illustrations to assist you and easy-to-understand text throughout.
The manual features a search function, allowing you to easily navigate its contents and print the necessary pages. It serves as a Factory Service Repair Manual, offering a step-by-step guide to maintaining and repairing your vehicle, imparting the expertise of factory-trained technicians.
By utilizing the knowledge presented in this service repair manual, both professional mechanics and DIY enthusiasts can confidently make informed decisions regarding the maintenance and repair of their machine.
Our commitment extends beyond providing a high-quality service manual; we also ensure excellent customer service, guaranteeing your satisfaction.

