calcActive())">
2015 Arctic Cat ATVs OEM Wiring Diagrams Manual
What's Included?
Fast Download Speeds
Online & Offline Access
Access PDF Contents & Bookmarks
Full Search Facility
Print one or all pages of your manual
Viewed 11 Times Today
Secure transaction
What's Included?
Fast Download Speeds
Online & Offline Access
Access PDF Contents & Bookmarks
Full Search Facility
Print one or all pages of your manual
$24.99
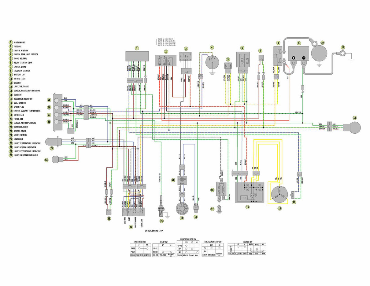
Arctic Cat ATV Complete Wiring Diagrams
Covers: 2015
Wiring diagrams for the 2015 range of Arctic Cat ATV. Covers the following models:
- DVX 90
- 90 Utility
- 150
- 300 Utility
- DVX 300
- 400
- 450
- XC 450
- 500/TRV 500
- TRV 550 XT/TRV 700 XT/TRV 550 LTD/TRV 700 LTD/700 TBX/700 Mud Pro LTD
- 700 Diesel
- 1000 XT/1000 Mud Pro Limited/TRV 1000 Limited/TRV 1000 XT
- XR 500
- XR 550/XR 700
- XR 550 XT/XR 700 XT
- XR 550 LTD/XR 700 LTD
- Prowler HDX 500
- Prowler HDX 700 XT
- Prowler XT 550/Prowler XT 700
- Prowler XT 1000
- Wildcat/X/X LTD/4X/4X LTD
- Wildcat Sport/XT - Wildcat Trail/XT
- Wildcat Sport LTD - Wildcat Trail LTD
Numbered table of contents easy to use so that you can find the information you need fast.









