,---- - - - IMPORTANT SAmY NOTlCE - - -- - -----, (" :;' ,I: II :!." l"dic~le. a ./Fom! po"ibility of ,e"~'~ p<!rsollai ill j orv O! los< of li le if IIJStfiK/IOfl, Oil! /JOI loliov h!r.l NOTE : GIV<" ht!lp lu ! , ,, I o,,,,,,,,oll , D~13jl..d d ~,cr ipt i am of 'tandard wor bho p procedure,. <a / ely p,inciple< 8nn '~rv ' C~ ope ration, ~r " not incl ud ed 11 i~ impO rTant 10 nOTe ThaI th i, manua l conta ins SOm£! , varn lrl9S Jnd c.J Ui,on5 aga inst some wecific ~e''' . ce methodl wh, <;h could C<lt."" P ER SO NAL INJURY to 'erv ice De's.on nel o. could damage a vehicle or ,ende, it u nMl e. Plea .. wldentand that tho," warmf1!J' could no t cooe, a ll conce i vable way. In wh i ch _vice, w he ther Dr not r ecomm er'\ded by HondJ migh t be don e Or of the possibly hanroo u\ COfU"qllence, ()f e.c h conce ivab le way. nOr coulu Honda in~ e~l;gal e all ~uch way •. Anyone u~i'19 ~er~ , ce proccUu re, or too l~. w he tht!'r Or hOl n:commehded by Hor><b, must ",fl5 fv hmlself thoroughl y lha t ne.l h!r perw",, 1 l.iO!ety nOr veh ic le safe ty wi ll be jeo pard izM by l he servi ce m ethDd, or !ODls ,elected, . r
~ HONDA ~ ATe 250R HOW TO US E THIS MANUAL Sections 1 and 2 apply to the whole ATe while sect ions 3 through 15 describe parts of the ATe, grouped according to location. Find the section you want on this page, then turn to the table of contents on page 1 of th at section. Most sect ions start with an assembly or system illustration. general instructions, spe cificat ions. torque values, general instructions. tools and troubleshooting for the section. The subsequent pages give detailed procedures. If you don 't know the source of a problem, see section 1 6, TROUBLESHOOTI NG. Refer to section 17 for 1982 service information and section 18 for 1983 service information. w Z " Z w "' CONTENTS GENERAL INFORMATION MA I NTENANCE FUEl SYSTEM AC GENERATOR CLUTCH/CLUTCH ARM SHI FT LINKAGE/BALANCER GEAR BRAKE MECHANISM (FRONT DISC ~ REAR WHEEl/BRAKE/ DR I VE I u SUSPENS ION REAR FENDER/ EXHAUST PI PE ELECTRICAL SYSTEM TROUBLESHOOT I NG '82 ADDENDUM '83~ ' 84 ADDENDUM
MODEL IDENTIfiCATION The frame seri al nomnp., is stamped on the steering head left side. The carburetor identification number is on the car· bur e to r body ri ght 'id e. , ~ HONDA ~ ATe 250R The engine seria l number is stamped 00 the crankcase lo wer r igh t side. Date al lssue: July 1981 ¢ American Hond~ Mot or Co., I r>e.. 198 1 _ ... 11 ",~'" R ....... d
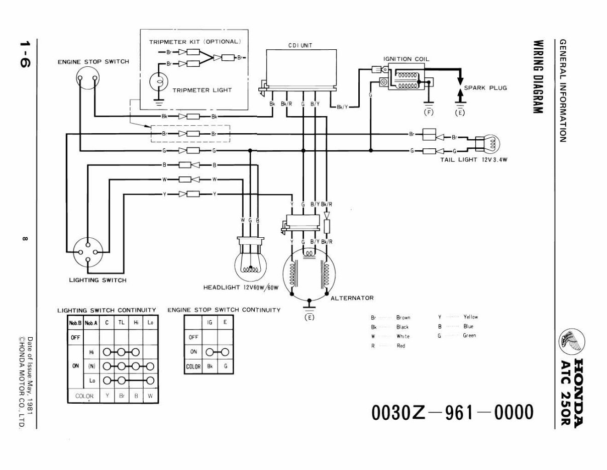
I I I ~ -' HONDA 1 ""'. ATe 2S0R • GENERAL INFORMATION GENERAL S AFETY GENERA L SAFETY SERV ICE RU L ES SPEC IFI CAT IONS TORQUE VALUES SPEC I AL TOO LS/COMMON TOO LS WI RING DI AGRAM CAB L E & HARNESS ROUT ING 1- 1 1- 1 1-2 1- 4 1- 5 1- 6 1- 7 If tile eng;ne must be running 10 do ~ome wo rk. make sure the area is weI/-ventil at ed. Never run the engine in a cloud (Uea. The exhaust contains poisonous carbon monoxide gas. Garoline is extremely jkJmmal>le and is exp/osj"e under ce rrain conditions. Do 110/ Jmoke or allow flames or sparh in you r wQrk (,lrra . SERVICE RULES I. Use ge",,;ne HONDA Or HONDA -re commended parts and lubricants or the ir equival ent. ParIs that don't meet HO NDA's design specifications may damage the vehicle. 2. Use the special tools designed for this prod uct 10 avoid damage and incorrect assemb ly, 3. Use only metric tools when servicing this veh icl e. Metric bo lts. nut s. and scre w. are not inte rcnangeab le wi th English ISAEf f .,t ene .. . 4. Insta ll new gasketl. O·rings. colter pins. and loc k plate, when reassembling. 5. When ti ghten ing bolt s or nut s. begin with the larger-<:iiamete r or inner bolt first . Then tighten to the sPecified torque diagonall¥ in 2·3 steps. unless a particula r sequence is specif i ed. 6. Clean parts in no n· flammabl e Or h ig h flash point solvent upon disassembly. 7. Lub rica te any ,I iding surfaces before reassembly. 8. Alter reassembly. chee k all par ts for proper installation and ope ration. Date of Issue May. 1981 C HONDA MO TOR CO .. L TO 3 1 - 1
GENERAL INFORMAT ION SPECIFICATIONS r -- - I Dimensions Overall length Overall width Overall he ig ht Wheelbase Seat hei 9ht Fopt peg height Ground clearance I Drv we i ght Weight distribution Front Rea r r- . _- Frame Tvpe Front suspension and travel ReM suspension and travel Front tire size type Front ti re pressure Rea' tire size type Rear tire press ure Front brake Rear brake , Fuel capacity Fuel reserve capacity. Caster angle Trail length Front fork oil -- --- Eng ine TVpe Cvl ind er arrangement Bore x stro ke Displacement Compression ratio I Transmission oil capaci ty Lubrication sytem I I Fuel required I Air filtration 1 -2 4 r::fiJ'I HONDA ~ ATe 250R , )95 mm PO.7 inl 1,075 mm (42 ,3 in ) 1,040 mm (40.9 in ) 1,197mm (47.1 in) 710mm (28.0 in) 295mm (11.6 in) 115mm ( 4.5 in) 137 kg (302Ib) 53 kg (117I b) ''"' (185Ib) Double cradle Tele'Sco pie fork. 170mm (6.7 in) Swingarm. Pro-link, 110mm (4.3 in) 22 x 11.0--8 ATV tire 15 kPa (0.15 kg /cm l , 2,2 psil 22 x 11.0- 8 ATV tire 15kPa (0.15kg / cm 1 , 2.2 psi) Single disc Internal expanding shoe 8.4 lit (2.2 US gal . 1.9 Imp gal) 1.9 lit (0,50 US gal. 0.42 Imp ga ll 69" 45 mm (1.8 in) 174 cc 15.88 US OlS. 4 .90 Imp oul Air cooled 2 stro ke engine Single cylinder 3° inclined from vertical 70 x 64.4 mm 12.756 x 2.353 inl 248 em' (15.07 cu. in) 6.6 : , 1.1 lit (1,2 USqt. 1.0 Imp qt) Gasolin-e /o il mi xtur e Gasol ine 20: oil 1 (pre·mixed ) IR.O,N. 92-1001 Oiled polyurethane form Da te of Issue' May. 1981 C HONOA MO TOR CO , LTD, I I
~ HONDA ~ ATC 250R GENERAL INFORMATI ON Carburetor I Venturi dia Setting mark Float level Air SCrew opening Idle speed Jet t'\eedle Throttle leve r fr ee play Pilton valve 27 mm (1.06 in) PE23A 18.Smm P.3 in) ' ·3/8 1,300 ± 150 rpm 3rd STAGE 5 - 10 mm (3/16- 3/8 in) r Drive train Clutch WeI mult i· plate type 5-Speed, col"tStant mesh 3.250 Electrical Transminion Primary reduction ratio Gear ratio Final reduct ion ratio Gear shift pattern Ignition syuem " '" " V Igni'ion timing "F" mark Full retard Starting system Alternator Spark plug USA model Canada model L900 1.$91 1.240 LOOO 0.839 3.385 (44 T /13 T) lef t fOOl operated relum system 1·N·2·3·" ·5 CD' 17' BTDe/2,Ooo rpm 14° BTDC/ 9,OOO rpm Primary kicksta ' le, 12V 0.073 kW n.600 rpm BSES (NGK) N- 3 (C HAMPION) BRBES (NGK ) QN -J (CHAMPION) Spark plug gap 0.7-0.8 mm 10.028-0.031 In l Headlight 12V 6OW!60W Taill ight 12V 3.4W L-_____ _ L-~ __________ ~ Date of Issue:May. 1981 CHONDA MO:rOR CO .. LTD. 5 1 -3
GENERAL INFORMA TI ON TORUUE VALUES ENGINE @ HONDA ~ ATC 250R ITEM T,HAEAO TORGUe VALUES I DIA.mm Nm kg -m ft -Ib Cv linder head 8 24 - 29 2.4 - 2.9 17 - 21 Cvlinder W 38 - 48 3.8 - 4.8 27 - 35 AC generalor rotor 12 65 - 75 6.5 - 7 .5 47 - 54 Clu tch center lock nut 20 40 - 50 4.0 - 5 .0 29 - 36 Cluten sprir>g bolt 6 8 - 12 0.8 - 1.2 6~9 Drive/balancer gear W 40 - 50 4 .0 - 5.0 29 - 36 Dr ive sp rocket 6 8 - 12 0.8 - 1.2 6~9 Crankcase/crankcase cover 6 8 _ 12 0.8 - 1.2 6 ~ 9 Carburetor inta ke pipe 6 8 - 12 0.8 - 1.2 6 ~ 9 > FRAME THREAD TORQUE VALUES 1 ITEM DIA.mm Nm kg-m ft ·lb Handleba r upper holder 8 18 25 L8 2 .5 " 18 Steer ing ,tern nut - 70 - 100 7.0 - 10.0 51 - 72 Pinch bolts 8 18 - 25 1.8 - 2.5 13 - 18 Front/rear rim nut 8 18 - 25 1.8 - 2.5 13 - 18 Front/rear wheel nut 8 18 - 25 1.8 - 2.5 13 - 18 Front ax le nut " 70 - 110 7.0 - 11 .0 51 - 80 Brake disc 8 18 _ 25 1.8 - 2.5 13 - 18 Brake caliper pin bolt 8 15 - 20 1.5 - 2.0 11 - 14 Brake caliper flange bo lt 8 18 - 25 1.8 - 2.5 13 - 18 I Brake calipe r he ~ bolt 8 20 _ 25 2.0 - 2.5 14 - 18 8rake hose - 30 - 40 3.0 - 4.0 22 - 29 Eng ine hanger bo lt 10 38 - 48 3.8 - 4.8 27 - 35 Swingarm pivot bolt " 70 _ 110 7.0 - 11.0 ,,~ 80 Rear axle nul (inned 32 3S - 45 3.5 - 4.5 25- 33 (outer) 32 120 - 140 12.0 - 14.0 87 - 10 1 Rea r hub nut " 80 - 1 ()() 8.0 - 10.0 58 - 72 Final driven sprocket 8 18 - 25 1.8 - 2.5 " " Rear brake arm bo lt 6 8 _ 12 0.8 - 1.2 6 ~ 9 Rear shock absorber (upper and lower) 8 38 - 48 3.8 - 4 .8 27 - 35 ~ . ~ . .. Torque s peCI/l call ons "sted above ar e for the most Important IIghtenmg POInts. II a torque speclhcatlon " nOt Iosted. follow the standards give n below. STANDARD TORGUE VA LUES I I ; I Item 5 mm bolt and nut 6 mm bolt and nut 8 mm bolt and nut 10 mm bolt arod nut 12 mm bolt a"li nut Torq ue Value N·m (kg·m ) If t-lb) 4.5 -6.0 1O.45-{).6) (3-4) 8- 12 (0.8-1.2) (6- 9) 18- 25 (1.8- 2.5) (13- 18) 30-40 (3.0-4 .0) (22- 29) 50 - 60 (5.0--6.0) (36-431 ~=c ""."m~ Torque Va lue N· m Ikg · m) ~ 5 mm screw 3.5 5.0 10.35--0.5) (3 4) I 6mmsc rew 7- 11 (0.7-1.1) (5- 81 6mml langeboltandnut 10- 14 11 .0-1.4 ) 17- 10) 8 mm flange bo lt and nut 20-30 (2 .0-3 .01 114 - 221 10 mm flange bOlt and but 30-40 (3.0- 4 .01 _ 122- 29.) _1 1 ~4 6 Date 01 Issue May. 1981 C HONDA MOTOR CO . l TO
~ HONDA ® ATe 2S0R TOOLS SPECIAL TOOLNAME -- I Crankcase disassembler " Ti re d i ~a%embling 1001 • Lock nut soc k et 17 x 27mm Snap ri ng pliers (iolema l) • Lock nut w,ench 41 mm "Hollow set wrench 6mm · Prim.ry gear holder 'St eering stem drover Stee ring stem dr iver " Need le bearing re move, imt aller (swingarm) I Ball race driver COMMON r- TOOL NAME Float level gauge 'P in spanner 'Lock nut socket 30 x 32mm ' Extensi on 'Un ive ... 1 holder 'F lywheel puller I Al1 0 chment 32 x 35mm Pilo t 25 mm Attac hment 52 x 55mm Pilot 22mm 'Att achment 37 x 40mm Pi lot 17mm Pilot 15mm 'Attachment 42 x 47mm Pil ot 20mm Attachment 62 x 68mm Pilot 35mm Fork seal driver body 'Fork ,ea l attachment I C I "Dri ve r handle Pin .panner Pin .pann er NUMBER 07935 - 9610000 07722--0010000 07907--4150000 07914- 323:1001 07916- 9180000 07917 - 3230000 07924 - KASOOOO 07946-4300100 07946-3710600 07946 -KASOOOO 07953 - 3330000 NUMBER 07401--0010000 07702-0010000 07716-0020400 07716--0020500 07725--0030000 07733-0010000 07746--0010100 07746-0040600 07746--0010400 07746--004 1000 07746--0010200 07746--0040400 07746--0040300 07746-0010300 07746 - 0040500 07746--0010500 07746--0040800 07747--0010100 07747--0010400 07749 - 0010000 89201 - KA4- 8100 89202- KA4 - 8100 ALTERNATE Right/l eft crankcase separation Bead braker Master cylinder snap ring Rear axle nut From for k (lowerl Crankshaft holder Steerong stem drover Attachment (Available in U.S.A,) ALTERNATE Adjustable pin ,pann er (Available in U.S.A.) Flywheel puller Atta c hment Attachment Fork ,ea l driver Driver handle , Equillalent tools a re available in the U.S.A. for these tools identi fied by as terisk ( • I. Date of I ssue :May. 1981 C HONDA MOTOR CO .. LTD . 7 GENERAL INFORMATI ON NUMBER REF. PAGE 9 , M987X-350- XXXXX 10 - 12 ,-, 11 - 9 12 - 9 10 - 19 ,-, 10 - 30 07946 - 37106110 GN HT· 54 10 - 30 M967 _038_ XXXXX 13 - 12 10 - 28 NUMBE R REF . PAGE 3 9 M9361-412 - 099788 10 - 27 10 - 27 10 - 27 ' -2 07933-0010000 , - 2 9 - 2 07946-3640000 10 - 16 07946 - 3290000 10 - 16 13 - 13 12 - 6 13 - 13 10 - 23 07947 - 1100001 10 - 23 07749- 6110000 10 - 16 2 - 16 2 - 16 1 -5
... • 'Q ~ 0" Z o 0 - >. ~~ ,. o· ., n- 0 0 •• r , o , 01 \.('i IT ,,- IGN I TION COI L , , @ PLUG :J J, -i' l B V L BIo,'~ I , , '--- - ------ L-_____ o~ o r------ ' --c:kl-- , r---------- ,--c:kl--' r------ , ~ , LI GHTING S WITCH --, , i , ( I) HEADLIGHT 12V60wjl;OW L G T G S WI TCH CONTINUIT V ENGINE STOP SWITCH CONT INUITY , " '" .. , ... , " • " '" , '" "" • '" '" i' i In COLOR • 0 " a w< , • , w ~ G SlY 8l1 ~ ~ O ~/R ;1 - l\ ALTER NATOR CD " • • • ' ~ " ~ G -c::::J<::J-- G ~ TAIL LIGHT 12V34 W .,. , Y~ I ,. BI ". , •• ~'" I, 0 -- •• 0030Z- 961-0000 '" C> m = Z ~ m '" "" l> = r ~ Z "" ~ = 0 ~ '" '" < l> -< 0 Z
This is the official service repair manual for the Honda ATC 250R models produced between 1981 and 1984. It covers a complete tear down and rebuild, including pictures and part diagrams, torque specs, maintenance, troubleshooting, and more.
Whether you are a professional mechanic or a DIY enthusiast, this manual contains everything you need to repair, maintain, rebuild, refurbish, or restore your motorcycle. It covers all diagnostic and repair procedures with detailed illustrations, diagrams, wiring schematics, and specifications, along with step-by-step instructions. All pages are printable, allowing you to take the necessary information with you into the garage or workshop.
The manual provides comprehensive information for repair and service, specifically tailored for both do-it-yourselfers and experienced mechanics. It offers cost-effective guidance to keep your vehicle in proper working condition, with step-by-step instructions based on the complete disassembly of the machine. The detailed photos and illustrations help guide you through each service and repair procedure.
Table of Contents:
General Information
Maintenance
Fuel System
Engine Removal / Installation
Cylinder Head / Cylinder / Piston
AC Generator
Clutch / Clutch Arm
Shift Linkage / Balancer Gear
Kick Starter / Transmission / Crankshaft
Front Wheel / Suspension / Steering
Brake Mechanism (Front Disc Brake)
Rear Wheel / Brake / Drive Mechanism
Suspension
Rear Fender / Exhaust Pipe
Electrical System
Troubleshooting
Model Specification: HONDA ATC 250R
Model Year: 1981-1984
Language: English
File Format: PDF
Total Pages: 267
Requirements: Adobe Reader
Zoom In/Out: Yes
Instant Delivery: Yes
Specifications: Fully Printable & Bookmarked
Compatible: All Versions of Windows & Mac
This quality manual is 100% complete and intact, with no missing or corrupt pages/sections. It is bookmarked and searchable, making it easy to find the information you need. Detailed illustrations, exploded diagrams, drawings, and photos guide you through every service repair procedure.
The manual can be viewed on any computer, zoomed, and printed. It comes in PDF format, compatible with all PC-based Windows operating systems and Mac. It can be saved to your hard drive and burned to CD-ROM.
Instant delivery means there will be no shipping costs or waiting for a paper or CD manual to arrive in the mail. You will receive this manual today via instant download on completion of payment via our secure payment processor.
We accept all major credit/debit cards and PayPal. You can do the repairs yourself and save money.