Toyota 02-6FG25 Forklift Factory Service & Work Shop Manual
Upon purchasing this manual, you will receive a .PDF file containing an email contact. After contacting us, you will receive a reply with a link to access the manual for your Toyota 02-6FG25 Forklift.
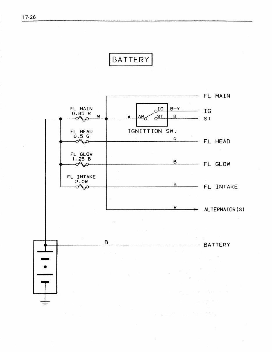
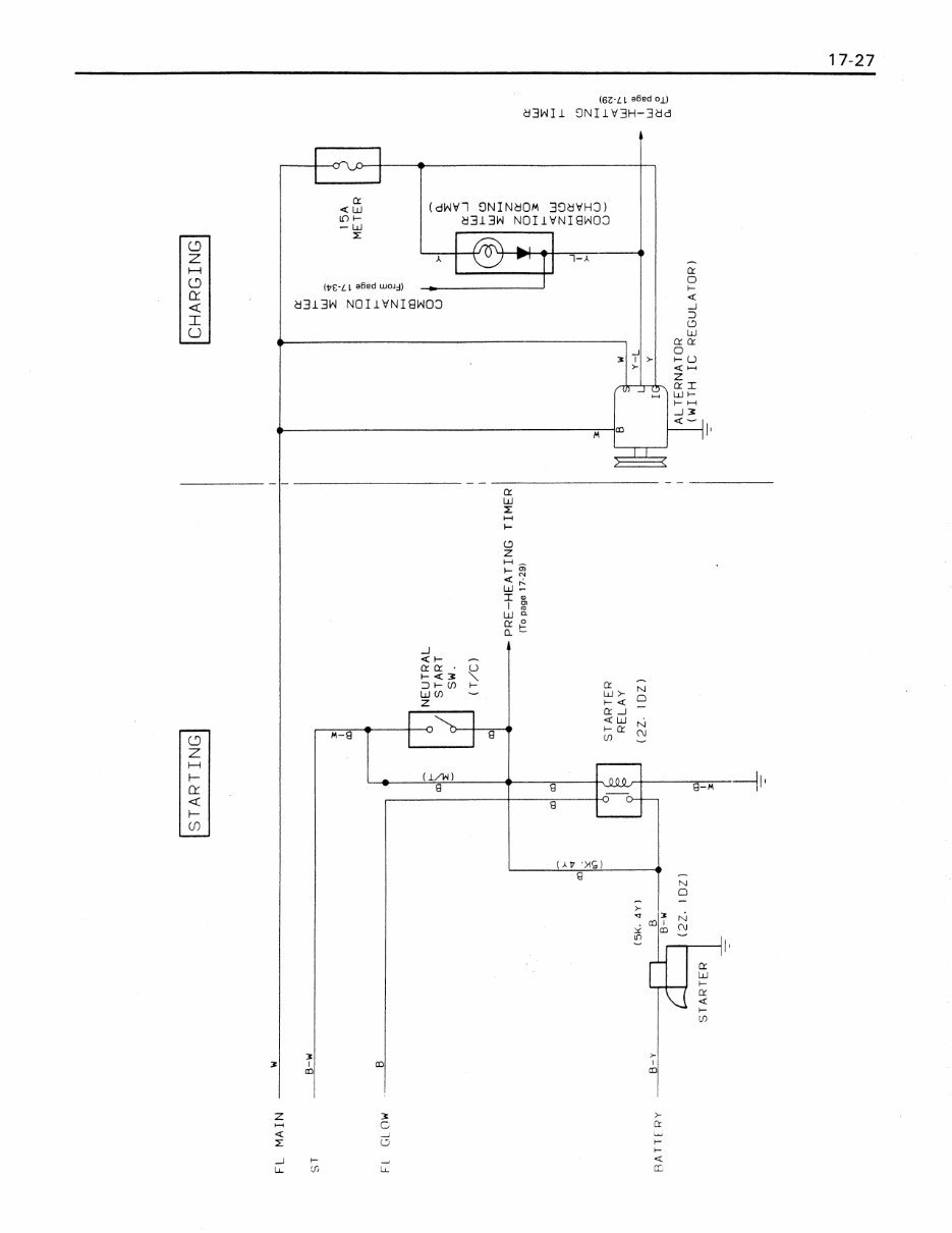
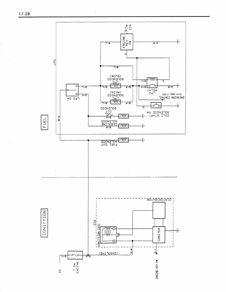
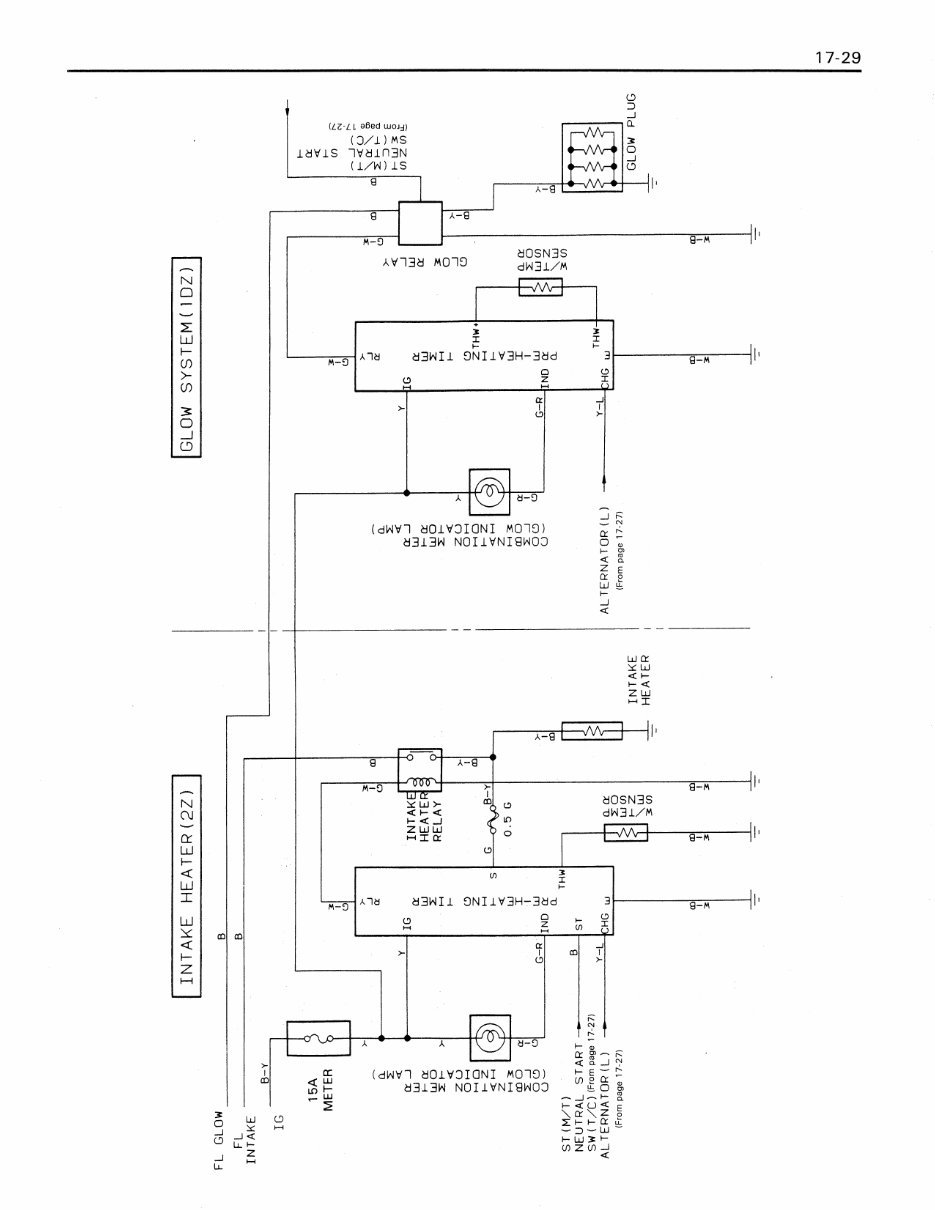
This comprehensive manual covers every aspect of your machine, providing detailed guidance on every nut and bolt. With hundreds of pages, it equips you to address various issues, from routine maintenance like oil changes to more complex tasks such as transmission swaps. The manual includes numerous illustrations to assist you and features easy-to-understand text throughout.
Utilize the search function to navigate the manual efficiently and print the necessary pages as needed. This Factory Service Repair Manual offers a step-by-step approach to maintaining and repairing your forklift, imparting the expertise that factory-trained technicians possess. By leveraging the knowledge within this manual, any owner can confidently make informed decisions regarding the maintenance and repair of their machine.
Rest assured, in addition to providing a high-quality service manual, we are committed to delivering excellent customer service, ensuring your satisfaction.




