GENIE S100 S105 S120 S125 BOOM Lift Workshop Service Manual
Get the Genie S100 S105 S120 S125 Boom Lift Workshop Service Repair Manual for comprehensive repair and service information. This manual is compatible with all Windows and Mac versions and requires Adobe Acrobat Reader for viewing. The file size is 17 MB.
Applicable models:
- Genie Boom Lift S-100 from serial number 101-136
- Genie Boom Lift S-105 from serial number 101-136
- Genie Boom Lift S-120 from serial number 101-403
- Genie Boom Lift S-125 from serial number 101-403
Engine covered:
- 4.23L 4-cylinder, Perkins 1004-42 engine
- 3.9L 4-cylinder, Cummins B3.9 engine
- 4.08L 4-cylinder, Deutz F4L 913 engine
Contents:
- Safety rules
- Specifications
- Theory of operation
- Scheduled maintenance
- Troubleshooting flow charts
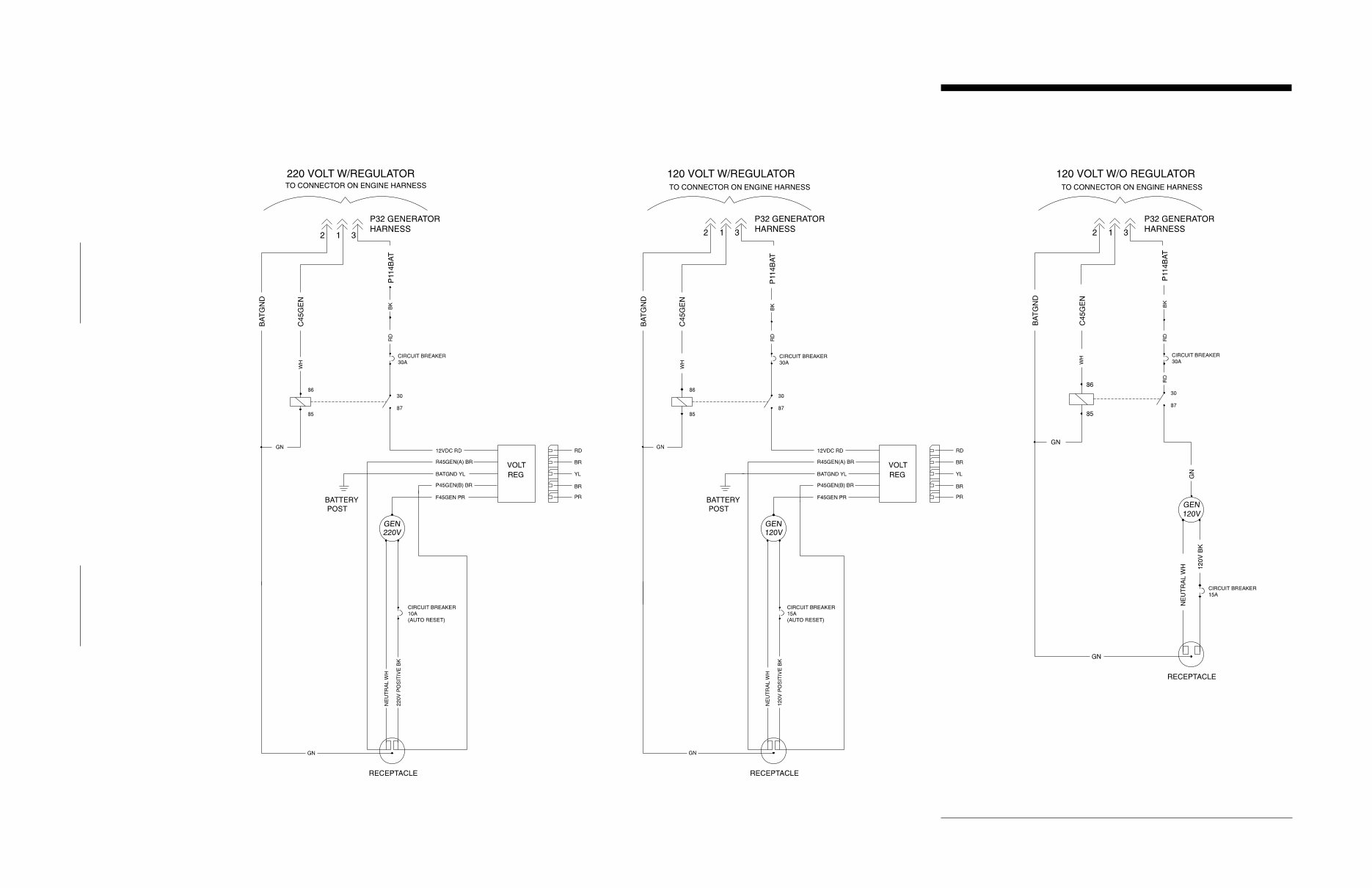
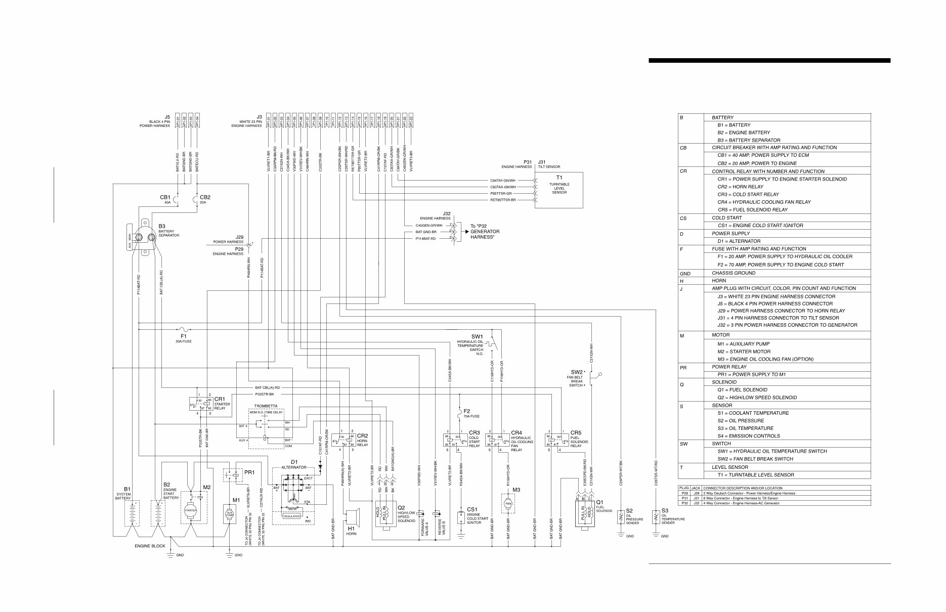
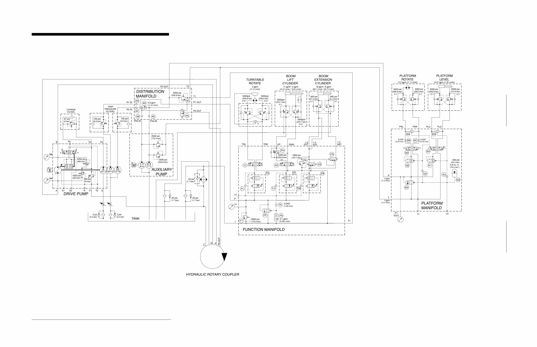
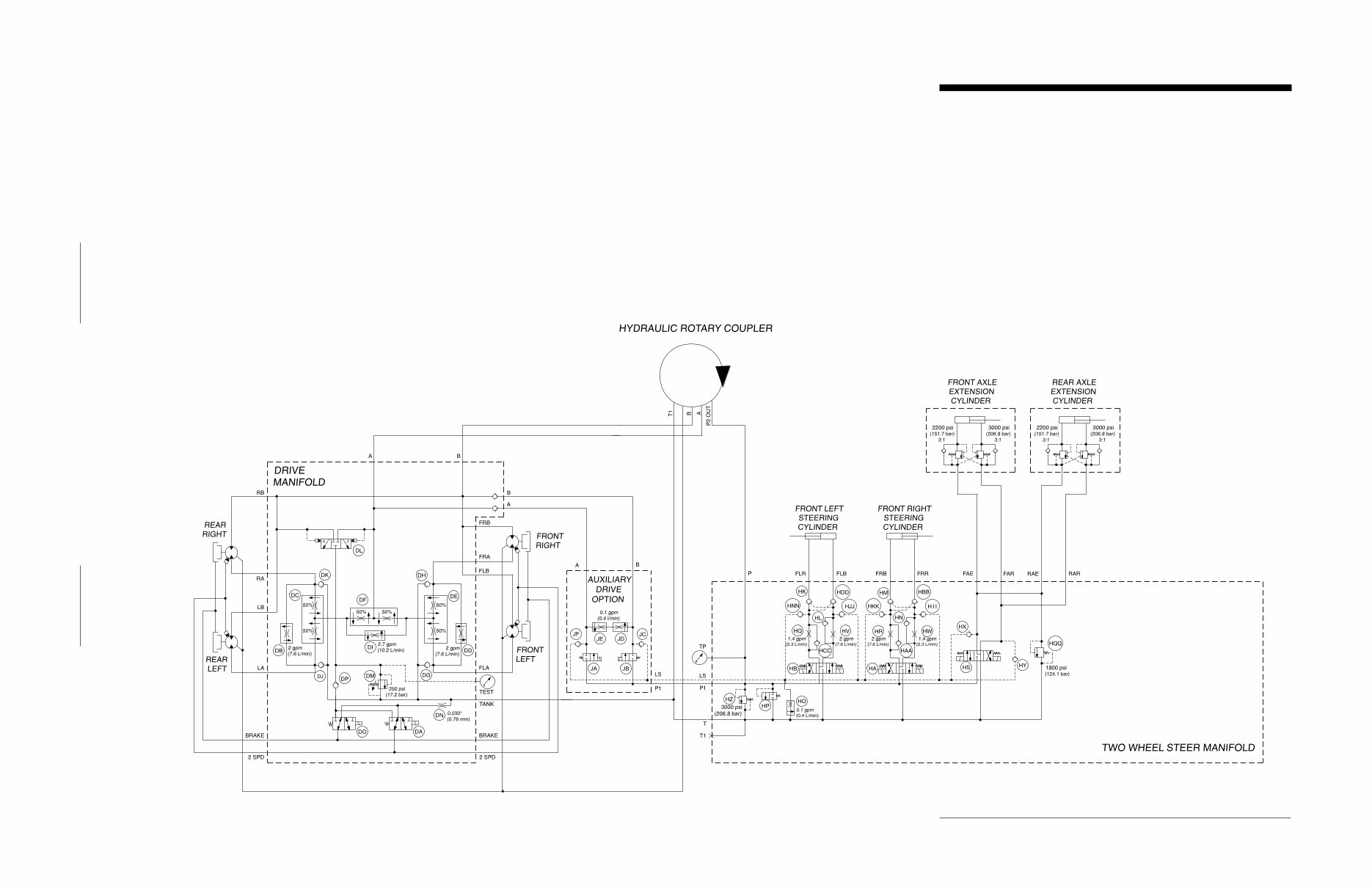
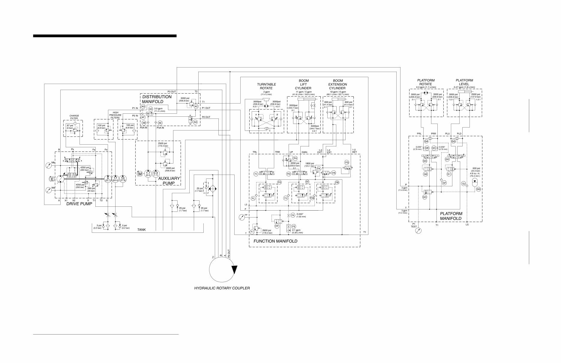
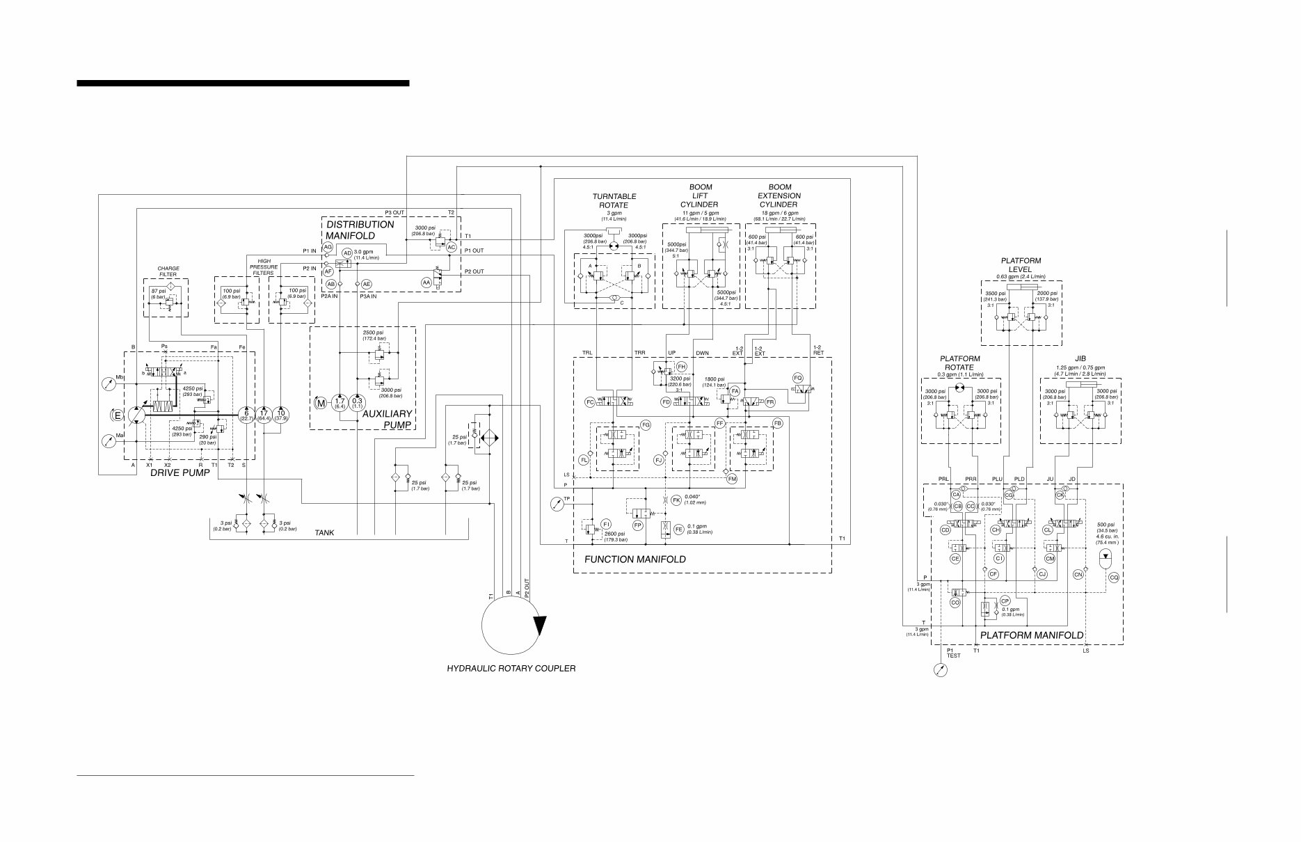
- Schematics
- Software (in .OVA file format)
- Repair procedures
- Display module
- Platform controls
- Platform components
- Jib boom components
- Boom components
- Turntable covers
- Engine system
- Ground controls
- Limit switches
- Hydraulic pumps
- Manifolds
- Fuel and hydraulic tanks
- Turntable rotation components
- Axle components
- Diagnostic codes
- Electrical system legend
- Wire circuit legend
- Electrical schematics
This electronic manual features detailed illustrations, step-by-step written instructions, diagrams, and pictures. It is designed for both do-it-yourself enthusiasts and experienced mechanics, serving as the primary source for vehicle repair and service information. Utilize this repair manual to maintain your vehicle at an affordable cost, thanks to its comprehensive detail and guidance through each service, repair, and maintenance procedure.









