Thank you for purchasing a Honda generator. This manual covers operation and maintenance of the EM1600X, 1800X and 2200X generators. All information in this publication is based on the latest product information available at the time of approval for printing. Honda Motor Co., Ltd reserves the right to make changes at any time without notice and without incurring any obligation. No part of this publication may be reproduced without written permission. This manual should be considered a permanent part of the generator and should remain with the generator when it is sold. Pay special attention to statements preceded by the following words: m Indicates a strong possibility of severe personal injury or loss of life if instructions are not followed. CAUTION: Indicates a possibility of personal injury or equipment damage if instructions are not followed. NOTE: Gives helpful information. If a problem should arise, or if you have any questions about the generator, consult an authorized Honda dealer. B Honda generators are designed to give safe and dependable service if operated according to instructions. Read and understand the Owner’s Manual before operating the generator. Failure to do so could result in personal injury or equipment damage. 1
CONTENTS CONTENTS 1. 2. 3. 4. 5. 6. i: 9. GENERATOR SAFETY .................... L .............. 3 COMPONENT IDENTIFICATION ............................ 4 PRE-OPERATION CHECK ................................. 6 STARTING THE ENGINE .................................. 8 l High altitude operatioty .................................. 10 GENERATOR USE ....................................... 11 STOPPING THE ENGINE .................................. 14 MAINTENANCE ......................................... 15 TRANSPORTING/STORAGE ............................... 24 TROUBLESHOOTING .................................... 25 10. WIRING DIAGRAM ...................................... 27 ll.SPEClFlCATlONS ........................................ 29 12. WARRANTY SERVICE .................................... 30 2
1. GENERATOR SAFETY To ensure safe operation - l Place the generator at least 1 m (3 ft) away from buildings or other equip- ment during operation. l Operate the generator on a level surface. If the generator is tilted, fuel spillage may result. l Exhaust gas contains poisonous carbon monoxide. Never run the generator in an enclosed area. Be sure to provide adequate ventilation. l Know how to stop the generator quickly and understand operation of all the controls. Never permit anyone to operate the generator without proper instructions. l Keep children and pets away from the generator when it is in operation. l Keep away from rotating parts while the generator is running. l The generator is a potential source of electrical shocks when misused; do not operate with wet hands. l Do not operate the generator in rain or snow and do not let it get wet. When charging a battery - l Battery electrolyte contains sulphuric acid. Protect your eyes, skin and clothing. In case of contact, flush thoroughly with water and get prompt medical attention, especially if your eyes are affected. l Batteries generate hydrogen gas which can be highly explosive. Do not smoke or allow flames or sparks near a battery, especially during charging. 3
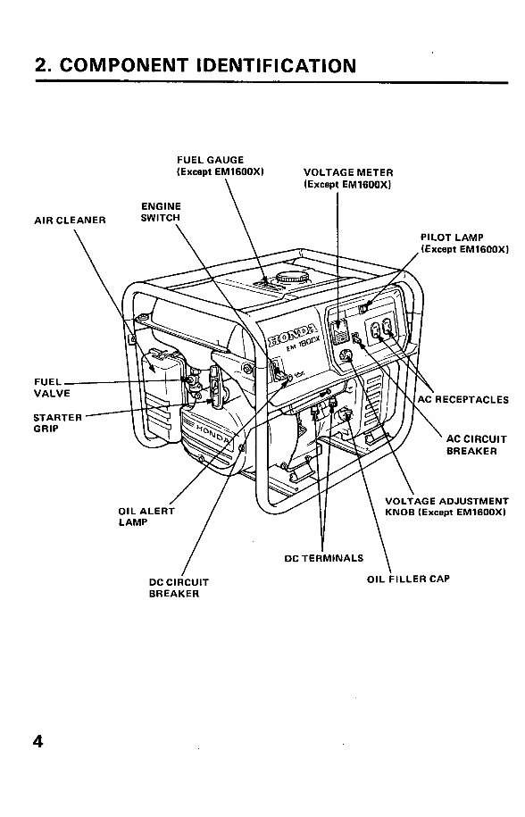
2. COMPONENT IDENTIFICATION FUEL GAUGE (Except EM1600XI VOLTAGE METER (Except EM1600X) ENGINE AIR CLEANER SWITCH \ \ \- PILOT LAMP (Except EM1600X) GRIP BREAKER AGE ADJUSTMENT OIL ALERT / \ KNOB (Except EM1600XI LAMP / v \ DC TERMINALS DC CIA/CUIT OIL ~LLER CAP BREAKER
FUEL TANK CAP \ FUEL TANK -SPARK PLUG I EXHAUST OUTLET MUFFLER 5
3. PRE-OPERATION CHECK CAUTION: Be sure to check the generator on a level surface with the engine stopped. 1. Check the engine oil level. CAUTION: Engine oil is a major,factor affecting engine performance and service life. Non-detergent or vegetable oils are not recommended. Use Honda 4-stroke oil, or an equivalent high detergent, premium quality motor oil certified to meet or exceed US. automobile manufacturers’ requirements for Service Classification SE or SF. (Motor oils classified SE or SF will show this designation on the container.) SAE low-40 is recommended for general, all-temperature use. Other viscosities shown in the chart may be used when the average temperature in your area is within the indicated range. Remove the oil filler cap, and wipe the dipstick with a clean rag. Check the oil level by inserting the dipstick in the filler hole without screwing it in. If the oil level is below the end of the dipstick, add oil to the upper level mark on the dipstick. NOTE: The Oil Alert System will automatically stop the engine before the oil level falls below the safe limit. However, to avoid the inconvenience of an unexpected shutdown, it is still advisable to visually inspect the oil level regularly. 6 UPPER LEVEL \ LOWER LEVEL
2. Check the fuel level Check the fuel gauge (EM1800X and EM2200X only), and refill the tank if the fuel level is low. Use low lead or unleaded automotive gasoline with a pump octane rating of 86 or higher. Never use an oil/gasoline mixture or dirty gasoline. Avoid getting dirt, dust or water in the fuel tank. Clean the fuel filler screen regularly. CAUTION: .Gasoline substitutes are not recommended; they may be harmful to fuel system components. Gasoline is extremely flammable and explosive under certain conditions. Refuel in a well ventilated area with the engine stopped. Do not smoke or allow flames or sparks in the area where the generator is refueled or where gasoline is stored. Do not overfill the tank and make sure the fuel tank cap is securely closed after refueling. Be careful not to spill fuel when refueling. Fuel vapor or spilled fuel may ignite. If any fuel is spilled, make sure the area is dry before starting the engine. FUEL GAUGE (EMlEOOX and EM2200X only) \ FUEL TANK CAP FUEL FILLER SCREEN 7
4. STARTING THE ENGINE (1) Disconnect any load from the DC terminals and make sure that the AC circuit breaker is in the OFF position. AC CIRCUIT BREAKER DC TERMINALS (2) Turn on the fuel valve. (3) Turn on the engine switch. ON 8
The HONDA- EM2200X Generator Manual is a comprehensive guide designed to assist in the repair and maintenance of the EM2200X generator model. This manual is invaluable for both professional mechanics and DIY enthusiasts alike.
The manual is available in PDF format, making it compatible with all versions of Windows, Mac, and Linux operating systems. It is also printable, allowing for easy reference during repairs. The manual can be accessed instantly at high speed, providing quick access to the necessary information.
To view the manual, Adobe Reader is required. The manual is user-friendly and extremely easy to navigate, ensuring a seamless experience for users seeking technical guidance for the EM2200X generator.