LYCOMING O-320, IO-320, LIO-320 Series Aircraft Engine Parts Catalog Manual PC-103 *
What's Included?
Lifetime Access
Fast Download Speeds
Online & Offline Access
Access PDF Contents & Bookmarks
Full Search Facility
Print one or all pages of your manual
PARTS CATALOG PC-203-I TEXTRON LYCOMING O-320 A and E Series LOW COMPRESSION Wide Cylinder Flange Model AIRCRAFT ENGINES July 1984 Reciprocating Engine Division/ Subsidiary of Textron Inc. 652 Oliver Street WIlliamsport, PA 17701 U.S.A
Lycoming 0-320-Aand E SERIES PARTSCATALOG LOW COMPRESSION: Wide CylinderFlange Crankcase ModelEngines INTRODUCTION This illustrated parts catalog contains a complete parts listing for the Textron Lycoming 0-320 A and E series low compression wide cylinder flange model aircraft engines. Major assembly and sub-assembly parts of the engines are listed in the Group Assembly sections in the general sequence of engine build up. A Service Kits section and Oversize and Undersize Parts List are included to aid in ordering parts as necessary during overhaul. The Numerical Index is provided for convenience in finding parts when only the part number is known. Parts coverage of Vendor Accessories used on Textron Lycoming engines may be found in the appropriate Vendor's Parts Catalog. A list of these publications appear in the latest edition of Service Letter No. L114. NOTE The illustrations, pictures and drawingsshown in this publication are typicalof the subjectmatterthey portray. This catalog, when used in conjunction with the appropriate overhaul manual, shall be used for parts identification only. Under no circumstances shall this catalog used as an assembly or installation document. Any reference in this document to a suppliers/parts manufacturers' product , by name, trademark, part number or other description is solely for the purposes of identification and does not indicate or infer that Textron Lycoming accepts responsibility for quality control and/or airworthiness of parts which do not pass through the Textron Lycoming quality control system. SERVICE BULLETINS, INSTRUCTIONS AND LETTERS Although the information contained in this parts catalog is up-to-date at time of publication, users are urged to keep abreast of later information through all Textron Lycoming distributors or from the factory by subscription. Consult the latest edition of Service Letter No. L114 for subscription information. HOW TO ORDER PARTS In ordering parts for your engine, observe the following instructions which will expedite shipment of correct parts required without delay. a. Always specify the model and serial number of your engine. b. Always specify Part Number, Nomenclature and quantity required. i
Lycoming 0-320-Aand E SERIES PARTSCATALOG LOWCOMPRESSION: WideCylinder Flange Crankcase Model Engines TABLE OF CONTENTS PAGE SECTION Introduction.............. ................... .......... i Table of C ontents ...... .......... . . ............. . ........................ ii Oversize and Undersize Parts . ............. ................................................... 1. CRANKCASE, CRANKSHAFT AND CAMSHAFT GROUP Crankcase Assembly ......... ..... ................................... 1-1 Oil Level Gage Assemblies ......... .... ............................ 1-3 Crankcase Related Parts ................ ........... .... .. 1-5 Crankshaft and Related Parts .......... .... ......... ..... ......... 1-7 Camshaft and Related Parts ....................... 1-9 Propeller Governor Drive Assembly ............................... 1-11 Crankshaft Idler Gears ......... ... .. ...... ................................. 1-13 Crankcase Attaching Parts . ............ ................................... .......... 1-15 2. ACCESSORY HOUSING AND RELATED PARTS Accessory Housing Assembly ...... . ........... ................................ ........ 2-1 Oil Pump Assy. and Accessory Housing Attaching Parts ............. .. 2-3 Propeller Governor Oil Line ........... ......... ... ...................................... 2-5 Propeller Governor Drives and Covers ....... ..... .. ..... .... ... ...... 2-7 Fuel Pump Assembly and Attaching Parts ................... .............................. 2-9 Vacuum Pump Drive and Dual Drive Assemblies 2-11 Accessory Drive Covers ............. .. .. .................... 2-13 Oil Filter Assembly and Oil Cooler Bypass Valve ..... ......... ............ 2-14 3. CYLINDER, PISTON AND VALVE TRAIN Connecting Rods, Pistons and Ring Assemblies ....................... Cylinder Assembly .... ................. ....... ............... Valve Assembly ...................... Cylinder Related Parts ............................... Cylinder Head Drain Tubes and Intercylinder Cooling Baffles .......... ........... . . . . . . . . . . . . .......... 3-1 .......... 3-3 .......... 3-5 ......... 3-7 .......... 3-9 4. IGNITION SYSTEM Magnetos and Magneto Drives .......................... Ignition Harness and Lead Assembly ................... ...... 4-1 .......... 4-3 5. ELECTRICAL COMPONENTS Alternator Assembly .... .......... ................. Generator Mounting and Attaching Parts ............ Alternator Mounting and Attaching Parts ............... Starter Motor and Attaching Parts ..................... .. .. . . . . . . . . . . . .. . . . . . . . . . . . . . ........... 5-1 . 5-2 .5-4 ....... 5-6 6. OIL SUMP AND INDUCTION SYSTEM Oil Sump Assembly and Oil Suction Screen .................. ... ...... .................... 6-1 Intake Pipe Assembly ........................................... ....................... 6-3 Carburetor Assembly . ................................... .................... 6-5 Priming System .............. ........ ..................... . .............. 6-7 7. SERVICE KIT SECTION ........... ........... ........................................... 7-1 8. NUMERICAL INDEX . ..................... ............................ 8-1 ii
Lycoming 0-320-A and E SERIESPARTSCATALOG LOW COMPRESSION: Wide CylinderFlange Crankcase Model Engines Oversize and Undersize Parts Listing PART NO. 60028 66145 66610 66796 69373 69796 72057 72058 72063S 72064S 72065S 72066S 72067S 73857 74230 74241 74989 LW-10647 LW-13792 LW-13884 LW-16047 LW-16711 STD-1065 DESCRIPTION P02 P05 .002 .005 GUIDE DOWEL BUSHING INSERT BEARING DOWEL SEAT SEAT BUSHING BUSHING BUSHING BUSHING BUSHING RING GUIDE RING RING DOWEL SEAL BEARING BEARING BEARING DOWEL P05 P10 005 .010 X X X X X X OVERSIZE P15 .015 P20 .020 X X P30 .030 X UNDERSIZE P50 M03 M06 M10 .050 .003 .006 .010 X X X X X X X X X X X X X X X X X X X X X X X X X X X X X X X X X X X X X X X X SEELATEST SEE LATEST X X EDITION OF EDITION OF I X I X X SERVICE INSTRUCTION NO SERVICE INSTRUCTION NO. X X X X 1377 FOR APPLICATION 1377FOR APPLICATION Studs available in P03. P07. P12 NOTE When ordering oversize andundersize parts,be sure to specify the required oversize andundersize dimension along with the proper partnumber. Forexample, to order bearing LW-13884 in .003 undersize, orderpart number LW-13884-M3. Oversize code letteris "P" whileundersize code letteris "M". These letters are then followed by the number designating the sizein thousandths of an inch. iii
Lycoming 0-320-Aand E SERIES PARTS CATALOG LOW COMPRESSION: Wide CylinderFlange Crankcase ModelEngines CRANKCASE, CRANKSHAFT AND CAMSHAFT GROUP CRANKCASE ASSEMBLY FIG. REF. 1 PART NUMBER DESCRIPTION 0 QUANTITY PER ASSEMBLY A AA AA E E E E E E E E E E E L 2 2 2 3 1 1 2 2 2 2 2 2 2 3 3 L B C D B A F A B C D F G H D H 1 LW-18369* LW-18372** LW-18379** LW-13813* LW-13817* 2 75154 3 50-15 4 38-13 5 38D-17 6 LW-13793 7 31C-12 8 31C-13 9 38-22 10 STD-557 11 STD-514 12 72158 13 69796 14 LW-10647 15 1102 16 STD-1623 17 65007 18 STD-1339 19 1102 20 31C-14· CRANKCASE ASSEMBLY CRANKCASE ASSEMBLY CRANKCASE ASSEMBLY CRANKCASE ASSEMBLY CRANKCASE ASSEMBLY STUD,1/2-13 x 10-1/32 long STUD,1/2-20 x 1-7/8 long STUD, 3/8-16 x 1-5/8 long STUD, 3/8-16 x 2-1/8 long, drilled STUD, 5/16-18 x 15/16 long STUD, 5/16-18 x 1-1/2 long STUD, 5/16-18 x 1-5/8 long STUD, 3/8-16 x 2-3/4 long DOWEL, 1/2 dia. x 19/32 long DOWEL, 5/16 dia. x 1/2 long BUSHING, Governor drive idler shaft DOWEL, Crankshaft bearing DOWEL, Crankshaft bearing PLUG, 1/8-27 NPT, Allen INSERT, 1/4-20 x 3/8 long RETAINER, Shroud tube seal PLUG, 1/16-27 NPT, Allen PLUG, 1/8-27 NPT, Allen STUD, 5/16-18 x 1-3/4 long 1 1 1 1 1 1 111 1 1 1 1 1 1 1 1 2 8 16 1 1 2 1 1 1 2 2 22822 1 2 4 222 1 2 4 2 555554555545555 2 8 1 1 4 4 * Straightconicalmounting provision. ** No. 1 dynafocal mounting provision. * Governor drive at front of crankcase and dynafocal mounts. · Used for installation of "AN" Governor. 1-1
Lycoming 0-320-A andE SERIES PARTS CATALOG LOWCOMPRESSION: WideCylinder Flange Crankcase Model Engines CRANKCASE, CRANKSHAFT AND CAMSHAFT GROUP OILLEVEL GAGE ASSEMBLIES FIG. REF. PART 2 NUMBER 1 75735 75767 75736 LW-15970 2 78626 3 75767 4 75761 5 72220 6 LW-12789 7 75767 8 77527 9 72220 10 72059 11 74068* 74065* 72312* 12 LW-14759 LW-14780 LW-14758 LW-14757 LW-14768 LW-14735 LW-14793 DESCRIPTION TUBE, Oillevel gage, short TUBE, Oillevel gage, intermediate TUBE, Oillevel gage, long TUBE, Oillevel gage, short TUBE ASSY., Oillevel gage, 15-1/8 long TUBE, Oillevel gage EXTENSION, Oilfilter GASKET, Oillevel gage TUBE ASSY., Oillevel gage, 12-13/16 long TUBE, Oillevel gage EXTENSION, Oilfilter GASKET, Oillevel gage GASKET, Oillevel gage RING, Oillevel gage, seal RING, Oil level gage, seal RING, Oilseal,1.00 I.D. x 1/8 section GAGE ASSY., Oillevel GAGE ASSY., Oillevel GAGE ASSY., Oillevel GAGE ASSY., Oil level GAGE ASSY., Oil level GAGE ASSY., Oil level GAGE ASSY., Oillevel OUANTITY PER ASSEMBLY A AAAAEEEEEEEEEEE L 2 2 2 3 1 1 2 2 2 2 2 2 2 3 3 L BC D BAF A B C D F G H D H 111 1 1 1 1 1 1 11 1 111111111 11 1 1 1 1 1 1 1 1 1 1 1 1 1 1 1 1 1 1 1 1 1 1 1 1 1 1 111111 1 1 1 1 1 1 1 1 1 1 1 1 1 1 1 1 1 1 1 1 1 1 1 1 1 1 1 1 1 1 1 1 1 1 1 1 1 1 1 * Used withLW-14759, LW-14758, LW-14757 & LW-14793 gage assemblies. ** Used withLW-14780 & LW-14768 gage assemblies. * Used withLW-14735 gage assembly. 1-3
11 TEXTRON Lycoming 0-320-A and E SERIES PARTSCATALOG LOW COMPRESSION: Wide Cylinder Flange Crankcase ModelEngines 1 2 .9 1,3,7 Figure 2. OIL LEVELGAGE ASSEMBLIES 1-4
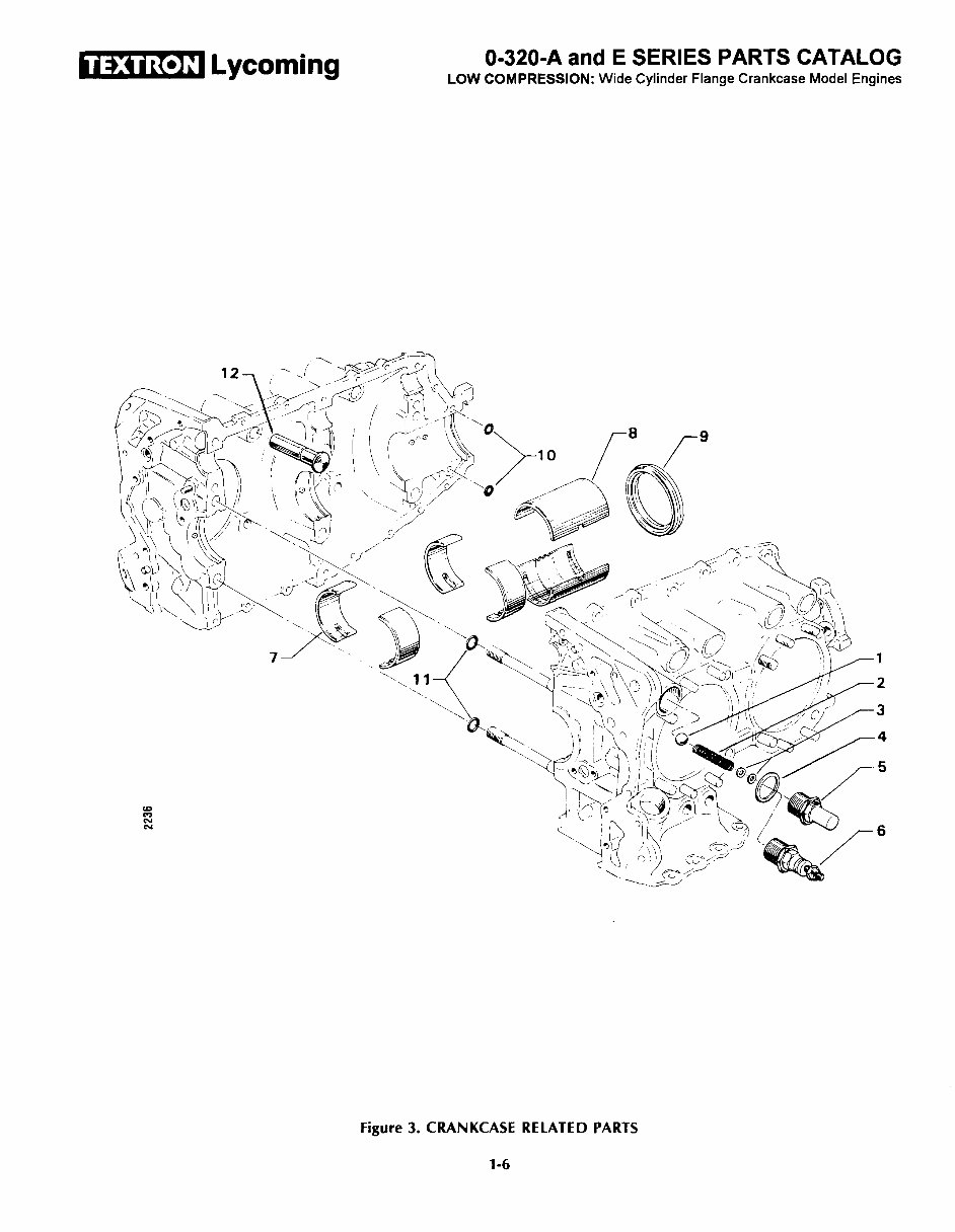
1 Lycoming 0-320-Aand E SERIESPARTSCATALOG LOW COMPRESSION: WideCylinder Flange Crankcase Model Engines CRANKCASE, CRANKSHAFT AND CAMSHAFT GROUP CRANKCASE RELATED PARTS FIG. REF. PART 3 NUMBER 1 1028-B 2 61084 3 STD-425* 4 STD-1045 5 76529 6 77808 7 LW-16047* LW-16711** 8 LW-13884 9 LW-13792 10 72075 11 72091 12 72877 DESCRIPTION BALL, 11/16 diameter SPRING, Oil pressure relief valve WASHER, No. 10plain (Max. 9) GASKET, 1-1/4 I.D. x 1-1/2 0.D. x 3/32 annular PLUG, Oilrelief valve VALVE ASSY., Oilpressure relief, adjustable BEARING, Crankshaft BEARING, Crankshaft BEARING, Crankshaft, front SEAL, Oil,crankshaft SEAL, Oil,3/32 sect.15/32 I.D. RING, Oilseal, 23/64 I.D. x 7/64 dia. BODY, Hydraulic tappet 0 N QUANTITY PER ASSEMBLY A A A A A E E E E E E E E E E E L 2 2 2 3 1 1 2 2 2 2 2 2 2 3 3 L BC D B A F A B C D F G H D H 1 1 AR 1 1 1 4 4 44 44844 4 22 2 2 2 2 44 4 4 4 8 8 8 8 8 22 2 1 2 2 8 * Used as analternate to LW-11020 and LW-11021 crankshaft bearings. ** Thin wall,high crush. * Used only withitem no.5 plug. 1-5
Lycoming 0-320-Aand E SERIES PARTSCATALOG LOW COMPRESSION: Wide Cylinder Flange Crankcase ModelEngines 7- -1 -2 -3 5 6 Figure 3. CRANKCASE RELATED PARTS 1-6
This manual, titled Lycoming O-320, IO-320, LIO-320 Series Aircraft Engine Illustrated Parts Catalog Manual PC-103, is an essential resource for anyone involved in aircraft maintenance and repair. It is designed to be user-friendly and accessible to both professional mechanics and DIY enthusiasts.
The manual is bookmarked, allowing for quick navigation to specific sections by simply clicking on the bookmarked page.
It is also searchable, enabling users to easily find the information they need by typing in relevant keywords.
The manual is divided into the following sections:
Introduction
Supersedure Section
Crankcase, Crankshaft And Camshaft Group
Accessory Housings and Drives
Cylinder, Piston and Valve Train
Ignition System
Electrical System
Fuel Induction System
Cooling Baffles, Exhaust, Oil Gage & Propeller Governor Oil Line
Service Replacement Set Section
Vendor Accessories
Numerical Index
This manual, with 186 pages and written in English, provides instant access to crucial information for aircraft engine repair and maintenance. It offers the convenience of on-demand printing, eliminating the need to rely on external printing services. By choosing to access the manual digitally, users also contribute to environmental conservation by reducing paper usage.
For those seeking a comprehensive collection of airplane and engine manuals, we offer thousands of manuals available upon request. Please feel free to reach out to us for any specific manual needs.
Recently Viewed
5,521,897Happy Clients
2,594,462eManuals
1,120,453Trusted Sellers
15Years in Business
Price:
Actual Price:
LYCOMING O-320, IO-320, LIO-320 Series Aircraft Engine Parts Catalog Manual PC-103 *