SERVICE MANUAL HORIZONTAL CRANKSHAFT COMMAND CH11-16
Contents Section 1. Safety and General Information ............................................................................ Section 2. Tools & Aids ............................................................................................................ Section 3. Troubleshooting ..................................................................................................... Section 4. Air Cleaner and Air Intake System ........................................................................ Section 5. Fuel System and Governor .................................................................................... Section 6. Lubrication System ................................................................................................ Section 7. Retractable Starter ................................................................................................. Section 8. Electrical System and Components ..................................................................... Section 9. Disassembly ........................................................................................................... Section 10. Inspection and Reconditioning ........................................................................... Section 11. Reassembly ........................................................................................................... 1 2 3 4 5 6 7 8 9 10 11
1.1 1 Safety Precautions To ensure safe operation please read the following statements and understand their meaning. Also refer to your equipment manufacturer's manual for other important safety information. This manual contains safety precautions which are explained below. Please read carefully. WARNING Warning is used to indicate the presence of a hazard that can cause severe personal injury, death, or substantial property damage if the warning is ignored. CAUTION Caution is used to indicate the presence of a hazard that will or can cause minor personal injury or property damage if the caution is ignored. NOTE Note is used to notify people of installation, operation, or maintenance information that is important but not hazard-related. For Your Safety! These precautions should be followed at all times. Failure to follow these precautions could result in injury to yourself and others. Rotating Parts! Keep hands, feet, hair, and clothing away from all moving parts to prevent injury. Never operate the engine with covers, shrouds, or guards removed. Hot Parts! Engine components can get extremely hot from operation. To prevent severe burns, do not touch these areas while the engine is running - or immediately after it is turned off. Never operate the engine with heat shields or guards removed. Accidental Starts! Disabling engine. Accidental starting can cause severe injury or death. Before working on the engine or equipment, disable the engine as follows: 1) Disconnect the spark plug lead(s). 2) Disconnect negative (-) battery cable from battery. Accidental Starts can cause severe injury or death. Disconnect and ground spark plug lead before servicing. WARNING Rotating Parts can cause severe injury. Stay away while engine is in operation. WARNING Hot Parts can cause severe burns. Do not touch engine while operating or just after stopping. WARNING Section 1 Safety and General Information
1.2 Section 1 Safety and General Information Lethal Exhaust Gases! Engine exhaust gases contain poisonous carbon monoxide. Carbon monoxide is odorless, colorless, and can cause death if inhaled. Avoid inhaling exhaust fumes, and never run the engine in a closed building or confined area. Explosive Gas! Batteries produce explosive hydrogen gas while being charged. To prevent a fire or explosion, charge batteries only in well ventilated areas. Keep sparks, open flames, and other sources of ignition away from the battery at all times. Keep batteries out of the reach of children. Remove all jewelry when servicing batteries. Before disconnecting the negative (-) ground cable, make sure all switches are OFF. If ON, a spark will occur at the ground cable terminal which could cause an explosion if hydrogen gas or gasoline vapors are present. Spring Under Tension! Retractable starters contain a powerful, recoil spring that is under tension. Always wear safety goggles when servicing retractable starters and carefully follow instructions in the Retractable Starter Section 7 for relieving spring tension. Explosive Fuel! Gasoline is extremely flammable and its vapors can explode if ignited. Store gasoline only in approved containers, in well ventilated, unoccupied buildings, away from sparks or flames. Do not fill the fuel tank while the engine is hot or running, since spilled fuel could ignite if it comes in contact with hot parts or sparks from ignition. Do not start the engine near spilled fuel. Never use gasoline as a cleaning agent. Flammable Solvents! Carburetor cleaners and solvents are extremely flammable. Keep sparks, flames, and other sources of ignition away from the area. Follow the cleaner manufacturer’s warnings and instructions on its proper and safe use. Never use gasoline as a cleaning agent. Explosive Fuel can cause fires and severe burns. Do not fill the fuel tank while the engine is hot or running. WARNING Carbon Monoxide can cause severe nausea, fainting or death. Avoid inhaling exhaust fumes, and never run the engine in a closed building or confined area. WARNING WARNING Explosive Gas can cause fires and severe acid burns. Charge battery only in a well ventilated area. Keep sources of ignition away. Cleaning Solvents can cause severe injury or death. Use only in well ventilated areas away from ignition sources. WARNING Electrical Shock can cause injury. Do not touch wires while engine is running. CAUTION Uncoiling Spring can cause severe injury. Wear safety goggles or face protection when servicing retractable starter. WARNING Electrical Shock! Never touch electrical wires or components while the engine is running. They can be sources of electrical shock.
1.3 Section 1 Safety and General Information 1 Engine Identification Numbers When ordering parts, or in any communication involving an engine, always give the Model, Specification, and Serial Numbers, including letter suffixes if any. The engine identification numbers appear on a decal, or decals, affixed to the engine shrouding. See Figure 1-1. An explanation of these numbers is shown in Figure 1-2. Figure 1-2. Explanation of Engine Identification Numbers. Figure 1-1. Engine Identification Decal Location. B. Spec. No. Engine Model Code Code Model 16 CH11 19 CH12.5 22 CH13 18 CH14 44 CH15 45 CH16 Variation of Basic Engine 1903 A. Model No. Command Engine Horizontal Crankshaft Horsepower 11 = 11 HP 12.5 = 12.5 HP 13 = 13 HP 14 = 14 HP 15 = 15 HP 16 = 16 HP Version Code S = Electric Start T = Retractable Start ST = Electric/Retractable Start GT = Generator Application/Retractable Start GS = Generator Application/Electric Start PT = Pump/Retractable Start RT = Gear Reduction/Retractable Start C H 12.5 ST Factory Code C. Serial No. Year Manufactured Code Code Y ear 20 1990 21 1991 22 1992 23 1993 24 1994 25 1995 26 1996 27 1997 28 1998 2005810334 MODEL NO. SPEC. NO. SERIAL NO. REFER TO OWNER'S MANUAL FOR SAFETY, MAINTENANCE SPECS AND ADJUSTMENTS. FOR SALES AND SERVICE IN US/CANADA CALL: 1-800-544-2444. www.kohlerengines.com KOHLER CO. KOHLER, WI USA CH12.5ST 1903 2005810334 A B C Identification Decal Code Y ear 29 1999 30 2000 31 2001 32 2002 33 2003 34 2004 35 2005 36 2006 37 2007
1.4 Section 1 Safety and General Information Oil Recommendations Using the proper type and weight of oil in the crankcase is extremely important. So is checking oil daily and changing oil regularly. Failure to use the correct oil, or using dirty oil, causes premature engine wear and failure. Oil Type Use high-quality detergent oil of API (American Petroleum Institute) service class SG, SH, SJ, or higher. Select the viscosity based on the air temperature at the time of operation as shown in the following table. NOTE: Using other than service class SG, SH, SJ, or higher oil or extending oil change intervals longer than recommended can cause engine damage. NOTE: Synthetic oils meeting the listed classifications may be used with oil changes performed at the recommended intervals. However to allow piston rings to properly seat, a new or rebuilt engine should be operated for at least 50 hours using standard petroleum based oil before switching to synthetic oil. A logo or symbol on oil containers identifies the API service class and SAE viscosity grade. See Figure 1-3. Fuel Recommendations WARNING: Explosive Fuel! Gasoline is extremely flammable and its vapors can explode if ignited. Store gasoline only in approved containers, in well ventilated, unoccupied buildings, away from sparks or flames. Do not fill the fuel tank while the engine is hot or running, since spilled fuel could ignite if it comes in contact with hot parts or sparks from ignition. Do not start the engine near spilled fuel. Never use gasoline as a cleaning agent. General Recommendations Purchase gasoline in small quantities and store in clean, approved containers. A container with a capacity of 2 gallons or less with a pouring spout is recommended. Such a container is easier to handle and helps eliminate spilling during refueling. Do not use gasoline left over from the previous season, to minimize gum deposits in your fuel system and to ensure easy starting. Do not add oil to the gasoline. Do not overfill the fuel tank. Leave room for the fuel to expand. Fuel Type For best results, use only clean, fresh, unleaded gasoline with a pump sticker octane rating of 87 or higher. In countries using the Research method, it should be 90 octane minimum. Unleaded gasoline is recommended, as it leaves less combustion chamber deposits. Leaded gasoline may be used in areas where unleaded is not available and exhaust emissions are not regulated. Be aware however, that the cylinder head will require more frequent service. Gasoline/Alcohol blends Gasohol (up to 10% ethyl alcohol, 90% unleaded gasoline by volume) is approved as a fuel for Kohler engines. Other gasoline/alcohol blends are not approved. Gasoline/Ether blends Methyl Tertiary Butyl Ether (MTBE) and unleaded gasoline blends (up to maximum of 15% MTBE by volume) are approved as a fuel for Kohler engines. Other gasoline/ether blends are not approved. Figure 1-3. Oil Container Logo. Refer to Section 6 Lubrication System for detailed oil check, oil change, and oil filter procedures. *Use of synthetic oil having 5W-20 or 5W-30 rating is acceptable, up to 4°C (40°F). **Synthetic oils will provide better starting in extreme cold below 23°C (-10°F). ** *
1.5 Section 1 Safety and General Information 1 Periodic Maintenance 1 Perform these maintenance procedures more frequently under extremely dusty, dirty conditions. 2 Only required for Denso starters. Not necessary on Delco starters. Have a Kohler Engine Service Dealer perform this service. Storage If the engine will be out of service for two months or more, use the following storage procedure: 1. Clean the exterior surfaces of the engine. 2. Change the oil and oil filter while the engine is still warm from operation. See Change Oil and Oil Filter in Section 6. 3. The fuel system must be completely emptied, or the gasoline must be treated with a stabilizer to prevent deterioration. If you choose to use a stabilizer, follow the manufacturers recommendations, and add the correct amount for the capacity of the fuel system. Fill the fuel tank with clean, fresh gasoline. Run the engine for 2-3 minutes to get stabilized fuel into the carburetor. To empty the system, run the engine until the tank and system are empty. 4. Remove the spark plug. Add one tablespoon of engine oil into the spark plug hole. Install the plug, but do not connect the plug lead. Crank the engine two or three revolutions. 5. Remove the spark plug. Cover the spark plug hole with your thumb, and turn the engine over until the piston is at the top of its stroke. (Pressure against thumb is greatest.) Reinstall the plug, but do not connect the plug lead. 6. Store the engine in a clean, dry place. Maintenance Schedule The following required maintenance procedures should be performed at the frequency stated in the table and should also be included as part of any seasonal tune-up. WARNING: Accidental Starts! Disabling engine. Accidental starting can cause severe injury or death. Before working on the engine or equipment, disable the engine as follows: 1) Disconnect the spark plug lead(s). 2) Disconnect negative (-) battery cable from battery. Frequency Maintenance Required Refer to: • Fill fuel tank. • Check oil level. • Check air cleaner for dirty 1 , loose, or damaged parts. • Check air intake and cooling areas, clean as necessary 1 . Daily or Before Starting Engine Section 5 Section 6 Section 4 Section 4 • Service precleaner element 1 . Every 25 Hours Section 4 • Replace air cleaner element 1 . • Change oil 1 . • Remove cooling shrouds and clean cooling areas 1 . Every 100 Hours Section 4 Section 6 Section 4 • Change oil filter. • Check spark plug condition and gap. • Replace fuel filter. Every 200 Hours Section 6 Section 8 Section 5 Annually or Every 500 Hours • Have bendix starter drive serviced 2 . • Have solenoid shift starter disassembled and cleaned 2 . Section 8 Section 8 Every 50 Hours • Check oil level in gear reduction unit. Section 6
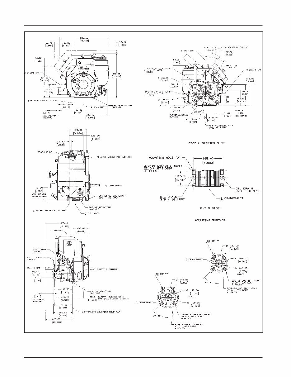
1.6 Section 1 Safety and General Information Figure 1-4. Typical Engine Dimensions. Dimensions in millimeters. Inch equivalents shown in ( ).
1.7 Section 1 Safety and General Information 1 General Specifications 1 Power (@ 3600 RPM, exceeds SAE J1940 HP standards) CH11 .......................................................................................................... 8.20 kW (11 HP) CH12.5 ....................................................................................................... 9.33 kW (12.5 HP) CH13 .......................................................................................................... 9.75 kW (13 HP) CH14 .......................................................................................................... 10.50 kW (14 HP) CH15 .......................................................................................................... 11.20 kW (15 HP) CH16 .......................................................................................................... 11.90 kW (16 HP) Peak Torque (@ RPM indicated) CH11 (@ 2400 RPM) ................................................................................. 26.7 N·m (19.7 ft. lb) CH12.5 (@ 2500 RPM) .............................................................................. 27.8 N·m (20.5 ft. lb) CH13 (@ 2400 RPM) ................................................................................. 28.8 N·m (21.2 ft. lb) CH14 (@ 2500 RPM) ................................................................................. 27.8 N·m (21.3 ft. lb) CH15 (@ 2400 RPM) ................................................................................. 34.3 N·m (25.3 ft. lb) CH16 (@ 2400 RPM) ................................................................................. 33.9 N·m (25.0 ft. lb) Bore CH11, CH12.5, CH13, CH14 .................................................................... 87 mm (3.43 in.) CH15, CH16 .............................................................................................. 90 mm (3.54 in.) Stroke ................................................................................................................ 67 mm (2.64 in.) Displacement CH11, CH12.5, CH13, CH14 .................................................................... 398 cc (24.3 cu. in.³) CH15, CH16 .............................................................................................. 426 cc (26.0 cu. in.³) Compression Ratio ......................................................................................... 8.5:1 Weight .............................................................................................................. 40 kg (88.3 lb.) Max. Oil Capacity (w/filter) .......................................................................... 1.9 L (2.0 qt.) Lubrication ...................................................................................................... full pressure w/full flow filter Air Cleaner Base Nut Torque .............................................................................................. 9.9 N·m (88 in. lb.) Angle of Operation - Maximum (at full oil level) Intermittent - All Directions ......................................................................... 35° Continuous - All Directions .......................................................................... 25° Balance Shaft End Play (Free) ................................................................................................ 0.0575/0.3625 mm (0.0023/0.0137 in.) Running Clearance ......................................................................................... 0.025/0.1520 mm (0.0009/0.0059 in.) Bore I.D. New ........................................................................................................... 20.000/20.025 mm (0.7874/0.7884 in.) Max. Wear Limit ...................................................................................... 20.038 mm (0.7889 in.) Balance Shaft Bearing Surface O.D. New ........................................................................................................... 19.962/19.975 mm (0.7859/0.7864 in.) Max. Wear Limit ...................................................................................... 19.959 mm (0.7858 in.) 1 Values are in Metric units. Values in parentheses are English equivalents. Lubricate threads with engine oil prior to assembly.
1.8 Section 1 Safety and General Information Camshaft End Play (Free) ................................................................................................ 0.0875/0.3925 mm (0.0034/0.0154 in.) End Play (with Shims) ................................................................................... 0.0762/0.1270 mm (0.0030/0.0050 in.) Running Clearance ......................................................................................... 0.025/0.1050 mm (0.00098/0.0041 in.) Bore I.D. New ........................................................................................................... 20.000/20.025 mm (0.7874/0.7884 in.) Max. Wear Limit ...................................................................................... 20.038 mm (0.7889 in.) Camshaft Bearing Surface O.D. New ........................................................................................................... 19.962/19.975 mm (0.7859/0.7864 in.) Max. Wear Limit ...................................................................................... 19.959 mm (0.7858 in.) Carburetor Fuel Bowl Nut Torque .................................................................................... 5.1-6.2 N·m (45-55 in. lb.) Charging Stator Mounting Screw Torque .................................................................... 6.2 N·m (55 in. lb.) Closure Plate Oil Filter Tightening ....................................................................................... 3/4-1 turn after gasket contacts. Oil Filter Adapter Fastener Torque .............................................................. 11.3 N·m (100 in. lb.) Oil Filter Drain Plug (1/8" NPT) Torque ....................................................... 7.3-9.0 N·m (65-80 in. lb.) Closure Plate Fastener Torque ...................................................................... 24.4 N·m (216 in. lb.) Oil Sentry Pressure Switch Torque .............................................................. 6.8 N·m (60 in. lb.) Oil Pump Cover Fastener Torque² ............................................................... 4.0,6.2 N·m (35,55 in. lb.) Connecting Rod Cap Fastener Torque 6 mm straight shank bolt ....................................................................... 11.3 N·m (100 in. lb.) 8 mm straight shank bolt ....................................................................... 22.6 N·m (200 in. lb.) 8 mm step-down type bolt .................................................................... 14.7 N·m (130 in. lb.) Connecting Rod-to-Crankpin Running Clearance at 21°C (70°F) New ........................................................................................................... 0.030/0.055 mm (0.0012/0.0022 in.) Max. Wear Limit ...................................................................................... 0.07 mm (0.0025 in.) Connecting Rod-to-Crankpin Side Clearance ............................................ 0.18/0.41 mm (0.007/0.016 in.) Connecting Rod-to-Piston Pin Running Clearance 21°C (70°F) ............... 0.015/0.028 mm (0.0006/0.0011 in.) Piston Pin End I.D. New ........................................................................................................... 19.015/19.023 mm (0.7486/0.7489 in.) Max. Wear Limit ...................................................................................... 19.036 mm (0.7495 in.) Crankcase Governor Cross Shaft Bore I.D. New ........................................................................................................... 6.025/6.050 mm (0.2372/0.2382 in.) Max. Wear Limit ...................................................................................... 6.063 mm (0.2387 in.) 2 For self-tapping (thread-forming) fasteners, the higher torque value is for installation into a new cored (non-threaded) hole. The lower torque value is for installation into a used or threaded hole.
This shop manual is a highly detailed factory service repair manual for the Kohler Command CH11, CH12.5, CH13, CH14, CH15, and CH16 HP engines. It provides step-by-step instructions and detailed illustrations, making it useful for both do-it-yourself enthusiasts and experienced mechanics. The manual covers safety and general information, special tools, troubleshooting, air cleaner system, fuel system and governor, electronic fuel injection (EFI) fuel system, lubrication system, cooling system, electrical system and components, disassembly, inspection and reconditioning, reassembly, and more.
The manual comes in PDF format, compatible with all versions of Windows and Mac, and all pages are printable. It is an inexpensive resource for keeping your vehicle in proper working condition.