Cummins Service Diesel Engine 410 & 610 Series Manual Workshop Service Repair Manual

What's Included?
Download Lifetime Access
Fast Download Speeds
Online & Offline Access
Access PDF Contents & Bookmarks
Full Search Facility
Print one or all pages of your manual
Viewed 11 Times Today Fire
Trust Guard Security Scanned
Secure transaction
What's Included?
Download Lifetime Access
Fast Download Speeds
Online & Offline Access
Access PDF Contents & Bookmarks
Full Search Facility
Print one or all pages of your manual
€45.99 €59.99

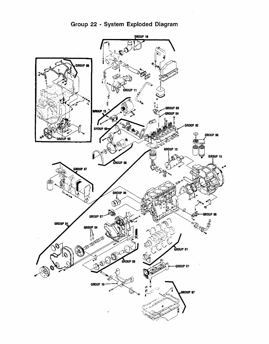
The Cummins Diesel Engine 410 & 610 Series Service Shop Repair Manual provides detailed servicing instructions for professional mechanics and DIY enthusiasts. It offers complete step-by-step information on repair, servicing, preventative maintenance, and troubleshooting procedures. This comprehensive service manual features photos, illustrations, and detailed instructions to guide you through the entire repair process, making it an indispensable source of maintenance and repair information for your Cummins Diesel Engine 410 & 610 Series.

  • Instant access with no waiting
  • Easy navigation for quick identification of service repair procedures
  • Detailed illustrations, exploded diagrams, drawings, and photos to guide you through every service repair procedure

This manual covers the 410 & 610 Series 1991 models and includes 452 pages of printable content in English. It covers a wide range of subjects including general information, care and safety, routine maintenance, systems description, fault finding, test procedures, fuel system, cooling system, lubrication system, electrical system, induction and exhaust system, and base engine.

Upon purchasing the service manual, you can instantly access and view it. The manual is fully printable, allowing you to print pages whenever needed.

Happy Clients 5,521,897 Happy Clients
eManuals 2,594,462 eManuals
Trusted Sellers 1,120,453 Trusted Sellers
Years in Business 15 Years in Business