HOW TO FIX YOUR NiCd BATTERY DigitalDeliveryWorld.com Page 3 of 60 Other Products.... How To Rebuild A Li-ion Battery Pack RVD OF VERSAPAK BATTERIES How To Get The Most Out Of Your Pack? Where To Buy The Cells? Get Replacement Cells For Free The Big Wrap Up How To Get The Bad Cells Out And Install New Cells? How To Know And RVD Bad Cells? How To Open The Pack For Service? What Is Inside? REBUILDING NiCd RECHARGEABLE BATTERY PACKS Step3. START RVD Step2. ARRANGE POWER SOURCE (From 25.2 Volts to 36 Volts) Step2. ARRANGE POWER SOURCE (From 13.2 Volts to 24 Volts) Step2. ARRANGE POWER SOURCE (From 1.2 Volts to 12 Volts) Step1. CHECK VOLTAGE AND POLARITY How To Initiate The RVD Process RVD Chart Restore Your Battery Through RVD Memory: Myth Or Fact? NiCd Maintenance Storage - Cycle Life - Safety - NiCd Handling Charging Guidelines - Discharging Charging Method Charging NiCd Principle and Performance Overview Introduction Index Copyright And Disclaimer Cover Index Legal Disclaimer Previous / Next
DigitalDeliveryWorld.com HOW TO FIX YOUR NiCd BATTERY HOW TO FIX YOUR NiCd BATTERY By H.Khan If you have not purchased this Guide from eBay ID: nicdfix or our affiliates list of affiliates can be found at http://www.digitaldeliveryworld.com/eBay/affilitates.html then you have purchased a stolen guide. Please send us an email at Info@digitaldeliveryworld.com to report it. You are in no way purchasing the resale rights to this product. We have found some people attempting to resell our Copyrighted Work on internet and on eBay. VeRO works very closely with us and we will prosecute anyone we find violating our copyright. We search daily looking for people stealing our product and it is our policy to prosecute any and everyone we find violating our Copyright. Warning If you are not completely sure what you are doing, don't apply what is described below. In any case we do not have any responsibility in any way to the consequences that this guide may have. Read it at your own risk. Please don't continue reading if you don't agree with the above. DigitalDeliveryWorld.com Page 4 of 60 Legal Disclaimer Previous / Next
DigitalDeliveryWorld.com HOW TO FIX YOUR NiCd BATTERY INTRODUCTION This book will give you the required information on your NiCd batteries to help you better understand the lifecycle of NiCd. It will also show you how to re-energize and revive these batteries through the “RVD” (Re-vitalization through Vaporization of Dendrites) process. We will also discuss the effect of RVD process on the NiCd. We strongly suggest that you read the whole book before subjecting your NiCd batteries to the RVD process. At the end of their usual life-cycle, NiCd batteries often die in such a way that they no longer take a charge and have zero voltage. This usually means they're shorted out by crystal dendrites growth. We will explain what these crystals and how they are formed. By eliminating the accumulated dendrites, the NiCd batteries can be given extended lease on life! We will show you how desirables results can be achieved through the RVD process. The RVD process works on a simple principle of using electric pulses to vaporize crystal dendrites from the cell plates, thus making the battery rechargeable again. One can use a car battery as a power source. Other choices might include a battery charger, a DC power supply, a welder, or almost anything with some DC voltage. Charged- up capacitors are also useful to provide the required surge for the RVD process as quick electrical pulses can be sent through them while still limiting the maximum surge. We live in the wireless age. Cordless drills, cellular and portable phones, Electric toothbrushes, cordless shavers, and many other home appliances rely on rechargeable batteries to keep them wireless. We all have faced the dilemma of what to do with a given appliance, big or small, when the batteries run out of juice. We want to be fiscally responsible and environment friendly, but what good is a device without power? Should we throw it out and just buy ourselves a new gadget? Most of us do just that as cost of replacing the battery, often times, is so ridiculously high that getting a new device is a no-brainer. Well, not anymore! Now you can give a new life to your NiCd batteries that don't hold charge by re-energizing them using our RVD process. 99% of NiCad batteries can be re-incarnated and given a new lease on life including: Black and Decker, Dewalt, Dremel, Ridgid, Ryobi, Makita, iRobot, , Porter Cable, Skil, Snap-On, Bosch, Craftsman etc . When a Firestorm or Versapak NiCad battery would no longer hold a charge or is close to being useless, just apply the RVD process. Your wallet and the environment would thank you! We hope you will find the information useful, and will take the safety precautions during all your RVD processes. Special precautions must be taken to avoid NiCd battery fire up or explosion that can cause serious injuries. DigitalDeliveryWorld.com Page 5 of 60 Previous / Next
DigitalDeliveryWorld.com HOW TO FIX YOUR NiCd BATTERY OVERVIEW Nickel Cadmium (NiCd) is one of the most established amongst the various commercially available rechargeable battery systems. The energy density of NiCd batteries are lower than the newer battery systems, such as Nickel Metal Hydride and Lithium-Ion. However, the robust NiCd batteries are very durable, reliable, easy-to-use and economical. They remain a popular choice for many electrical and electronic applications that emphasize lower cost while maintaining good performance. DigitalDeliveryWorld.com Page 6 of 60
DigitalDeliveryWorld.com HOW TO FIX YOUR NiCd BATTERY NiCd PRINCIPLE As with any other rechargeable battery systems, NiCd batteries operate on the principle that electrochemical reactions at each of the electrodes are reversible; this enables energy to be stored during charging and released during discharging. In the event of deep discharge, depreciation of battery performance may occur. To minimize the possibility of damage, the “antipolar material” (i.e. the active material used in the negative electrode) is added in the positive electrode to prevent the generation of hydrogen gas, which can increase the internal pressure and may destroy the seal or at least cause water loss with resealing valves. NiCd PERFORMANCE There are five major characteristics of NiCd battery that we should look at, which are charging, discharging, storage, cycle life and safety. DigitalDeliveryWorld.com Page 7 of 60
DigitalDeliveryWorld.com HOW TO FIX YOUR NiCd BATTERY CHARGING A battery should always remain cool during charging because high temperatures shorten battery life. Some temperature rise with nickel-based batteries cannot be avoided. The time during which the battery temperature remains elevated should be as short as possible. The temperature rise occurs in the second half of the charge cycle. The battery should cool to room temperature when on trickle charge. If the temperature remains above room temperature after a few hours in ready mode, the charger is performing incorrectly. In such as case, remove the battery when ready. Most rechargeable cells are equipped with a safety vent to release excess pressure if over-charged. The safety vent on a nickel-based cell opens between 10-13 Bar (150-200 psi). (The pressure of a car tire is about 2.3 Bar or 35 psi.) With a reseal able vent, no damage occurs after venting. Some electrolyte is lost and the seal may leak afterwards. A white powder accumulating at the vent opening indicates venting activities. DigitalDeliveryWorld.com Page 8 of 60
DigitalDeliveryWorld.com HOW TO FIX YOUR NiCd BATTERY CHARGING METHOD The main concern in charging a NiCd battery is the build-up of temperature and internal pressure due to high overcharge rates. The cell design applies the concept of oxygen recombination in lowering the battery's internal oxygen level during standard charging. However, if the cell is subjected to severe charging conditions (such as overcharging at a current rate over 1C), the rate of oxygen evolution from the positive electrode increases rapidly, exceeding the recombination reaction rate. As the oxygen recombination reaction is exothermic, this results in excessive oxygen pressure and increased temperature. The excessive pressure will then be released through the safety vent causing a reduction in the cell electrolyte; the excessive heat will eventually degrade the cell's internal contents. These two factors are considered to be the major limitations to the battery's service life. The overall charge efficiency of nickel-cadmium is about 90% if fast charged at 1C. On a 0.1C overnight charge, the efficiency drops to 70% and the charge time is 14 hours or longer. The C-rate is a unit by which charge and discharge currents are scaled. A charge current of 1000mAh, or 1C, will charge a 1000mAh battery in slightly more than one hour. A 1C discharge lasts one hour. DigitalDeliveryWorld.com Page 9 of 60
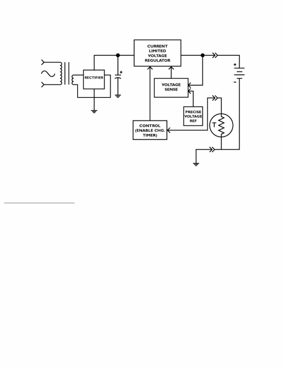
DigitalDeliveryWorld.com HOW TO FIX YOUR NiCd BATTERY Charge characteristics of a nickel-cadmium cell. In the initial 70% of charge, the charge acceptance of a healthy nickel-cadmium battery is close to 100%. The battery remains cool because all energy is absorbed. Currents of several times the C- rating can be applied without heat buildup. Ultra-fast chargers use this phenomenon to charge a battery to the 70% level within minutes. Past 70%, the battery gradually loses the ability to accept charge. The pressure and temperature increase. Figure below illustrates the relationship of cell voltage, pressure and temperature while nickel-cadmium is being charged. DigitalDeliveryWorld.com Page 10 of 60
These step-by-step instructions provide an easy method to rejuvenate any life-less rechargeable Ni-Cad battery. This manual is useful for both professional mechanics and DIY enthusiasts.
If your battery does not take or hold a charge, or if it takes a charge but goes dead fast, this manual is for you.
It is also helpful if the charger light indicates to replace the battery pack, if the battery has not been used for months or even years, or if the charger light falsely indicates the battery is fully charged.
It is important to note that this procedure will only work on Ni-CD battery types and will not work on Ni-MH or Li-Ion Battery Types.
Expect a 90% success rate, but it may not work on all batteries. No special tools or parts are required, and the procedure is similar to jumpstarting a car battery. It works on all brands and voltages of Ni-Cad rechargeable batteries, including AA, AAA, C, and D sized batteries.
The manual also includes a disclaimer and limitation of liability, stating that the use of the information is solely at one's own risk. It emphasizes that the encoded video demonstration and information contained in the manual are copy protected and may not be reproduced, resold, or given away for free.
Overall, this manual provides a comprehensive guide to reviving Ni-Cad batteries, making it a valuable resource for anyone dealing with rechargeable batteries in various devices.
Recently Viewed
5,521,897Happy Clients
2,594,462eManuals
1,120,453Trusted Sellers
15Years in Business
Price:
Actual Price:
Battery Doctor FiX Repair Rebuild ANY NICAD BATTERY