Parts marked with “ ” are important for maintaining the safety of the set. Be sure to replace these parts with
specified ones for maintaining the safety and performance of the set.
安全性・信頼性確保のため部品は、必ず正規のものをご使用下さい。
印の商品は、安全上重要な部品です。交換をする時は、安全および性能維持のため必ず指定の部品をご使
用下さい。
SHARP CORPORATION
This document has been published to be used
for after sales service only.
The contents are subject to change without notice.
CONTENTS
CIRCUIT DIAGRAM
CODE: 00ZMX3640//C1
DIGITAL FULL COLOR
MULTIFUNCTIONAL SYSTEM
デジタルフルカラー複合機
MX-2640N/FN
MX-3140N/FN
MODEL MX-3640N/FN
[1] BLOCK DIAGRAM
1. SYSTEM BLOCK DIAGRAM . . . . . . . . . . . . . . . . . . . 1-1
2. PCU PWB . . . . . . . . . . . . . . . . . . . . . . . . . . . . . . . . . 1-2
3. SCANNER CONTROL PWB . . . . . . . . . . . . . . . . . . . 1-3
4. OPERATION UNIT . . . . . . . . . . . . . . . . . . . . . . . . . . . 1-4
5. MFP CONTROL PWB . . . . . . . . . . . . . . . . . . . . . . . . 1-5
6. LSU-MOTHER PWB . . . . . . . . . . . . . . . . . . . . . . . . . 1-6
7. FAX SECTION . . . . . . . . . . . . . . . . . . . . . . . . . . . . . . 1-7
8. SERIAL COMMUNICATION . . . . . . . . . . . . . . . . . . 1-10
[2] CIRCUIT DIAGRAM AND PARTS LAYOUT
1. MFP CONTROL PWB . . . . . . . . . . . . . . . . . . . . . . . . 2-1
2. PCU PWB . . . . . . . . . . . . . . . . . . . . . . . . . . . . . . . . 2-89
3. SCANNER CONTROL PWB . . . . . . . . . . . . . . . . . 2-133
4. LSU-MOTHER PWB . . . . . . . . . . . . . . . . . . . . . . . 2-169
5. OPERATION PWB . . . . . . . . . . . . . . . . . . . . . . . . . 2-199
6. RSPF DRIVER PWB . . . . . . . . . . . . . . . . . . . . . . . 2-201
7. DRIVER PWB . . . . . . . . . . . . . . . . . . . . . . . . . . . . 2-205
8. HL PWB . . . . . . . . . . . . . . . . . . . . . . . . . . . . . . . . . 2-211
9. FAX (MAIN PWB) . . . . . . . . . . . . . . . . . . . . . . . . . . 2-213
10. FAX (TEL/LIU PWB) . . . . . . . . . . . . . . . . . . . . . . . 2-229
[3] POWER LINE DIAGRAM
1. AC POWER LINE DIAGRAM . . . . . . . . . . . . . . . . . . . 3-1
2. DC POWER LINE DIAGRAM . . . . . . . . . . . . . . . . . . . 3-4
[4] SIGNAL LIST
1. SIGNAL LIST . . . . . . . . . . . . . . . . . . . . . . . . . . . . . . . 4-1
[5] CONNECTOR LIST
1. MFP CONTROL PWB . . . . . . . . . . . . . . . . . . . . . . . . 5-1
2. PCU PWB . . . . . . . . . . . . . . . . . . . . . . . . . . . . . . . . . 5-2
3. SCANNER CONTROL PWB . . . . . . . . . . . . . . . . . . . 5-6
4. LSU-MOTHER PWB . . . . . . . . . . . . . . . . . . . . . . . . . 5-7
5. OPERATION PWB . . . . . . . . . . . . . . . . . . . . . . . . . . . 5-8
6. R-DOOR PWB . . . . . . . . . . . . . . . . . . . . . . . . . . . . . . 5-8
7. RSPF DRIVER PWB . . . . . . . . . . . . . . . . . . . . . . . . . 5-9
8. DRIVER PWB . . . . . . . . . . . . . . . . . . . . . . . . . . . . . . 5-9
9. HL PWB . . . . . . . . . . . . . . . . . . . . . . . . . . . . . . . . . . 5-10
10. AC PWB . . . . . . . . . . . . . . . . . . . . . . . . . . . . . . . . . . 5-10
11. WH PWB (Except Japan) . . . . . . . . . . . . . . . . . . . . . 5-10
12. High voltage PWB . . . . . . . . . . . . . . . . . . . . . . . . . . 5-11
13. FAX MAIN PWB . . . . . . . . . . . . . . . . . . . . . . . . . . . . 5-11
14. TEL LIU PWB . . . . . . . . . . . . . . . . . . . . . . . . . . . . . . 5-12
[ 1 ] ブロック図
1. システムブロック図 . . . . . . . . . . . . . . . . . . . . . . . . . 1-1
2. PCU PWB . . . . . . . . . . . . . . . . . . . . . . . . . . . . . . . . . 1-2
3. スキャナコントロール PWB . . . . . . . . . . . . . . . . . . . 1-3
4. オペレーションユニット . . . . . . . . . . . . . . . . . . . . . . 1-4
5. MFP コントロール PWB . . . . . . . . . . . . . . . . . . . . . . 1-5
6. LSU マザー PWB . . . . . . . . . . . . . . . . . . . . . . . . . . . . 1-6
7. FAX セクション . . . . . . . . . . . . . . . . . . . . . . . . . . . . . 1-7
8. シリアル通信 . . . . . . . . . . . . . . . . . . . . . . . . . . . . . . 1-10
[2] 回路図と部品配置図
1. MFP コントロール PWB . . . . . . . . . . . . . . . . . . . . . . 2-1
2. PCU PWB . . . . . . . . . . . . . . . . . . . . . . . . . . . . . . . . 2-89
3. スキャナコントロール PWB . . . . . . . . . . . . . . . . . 2-133
4. LSU マザー PWB . . . . . . . . . . . . . . . . . . . . . . . . . . 2-169
5. オペレーション PWB . . . . . . . . . . . . . . . . . . . . . . 2-199
6. RSPF ドライバー PWB . . . . . . . . . . . . . . . . . . . . . 2-201
7. ドライバー PWB . . . . . . . . . . . . . . . . . . . . . . . . . . 2-205
8. HL PWB . . . . . . . . . . . . . . . . . . . . . . . . . . . . . . . . . 2-211
9. FAX (MAIN PWB) . . . . . . . . . . . . . . . . . . . . . . . . . 2-213
10. FAX (TEL/LIU PWB) . . . . . . . . . . . . . . . . . . . . . . . 2-229
[3] 電源ライン図
1. AC 電源ライン図 . . . . . . . . . . . . . . . . . . . . . . . . . . . . 3-1
2. DC 電源ライン図 . . . . . . . . . . . . . . . . . . . . . . . . . . . . 3-4
[4] 信号リスト
1. 信号リスト . . . . . . . . . . . . . . . . . . . . . . . . . . . . . . . . . 4-1
[5] コネクターリスト
1. MFP コントロール PWB . . . . . . . . . . . . . . . . . . . . . . 5-1
2. PCU PWB . . . . . . . . . . . . . . . . . . . . . . . . . . . . . . . . . 5-2
3. スキャナコントロール PWB . . . . . . . . . . . . . . . . . . . 5-6
4. LSU マザー PWB . . . . . . . . . . . . . . . . . . . . . . . . . . . . 5-7
5. オペレーション PWB . . . . . . . . . . . . . . . . . . . . . . . . 5-8
6. 右ドア PWB . . . . . . . . . . . . . . . . . . . . . . . . . . . . . . . . 5-8
7. RSPF ドライバー PWB . . . . . . . . . . . . . . . . . . . . . . . 5-9
8. ドライバー PWB . . . . . . . . . . . . . . . . . . . . . . . . . . . . 5-9
9. HL PWB . . . . . . . . . . . . . . . . . . . . . . . . . . . . . . . . . . 5-10
10. AC PWB . . . . . . . . . . . . . . . . . . . . . . . . . . . . . . . . . 5-10
11. WH PWB (Except Japan) . . . . . . . . . . . . . . . . . . . . 5-10
12. 高圧 PWB . . . . . . . . . . . . . . . . . . . . . . . . . . . . . . . . 5-11
13. FAX MAIN PWB . . . . . . . . . . . . . . . . . . . . . . . . . . . 5-11
14. TEL LIU PWB . . . . . . . . . . . . . . . . . . . . . . . . . . . . . 5-12
MX-3640N BLOCK DIAGRAM 1 – 1
[1] BLOCK DIAGRAM/ ブロック図
1. SYSTEM BLOCK DIAGRAM / システ ムブロッ ク図
MX-3640N BLOCK DIAGRAM 1 – 2
2. PCU PWB
MX-3640N BLOCK DIAGRAM 1 – 3
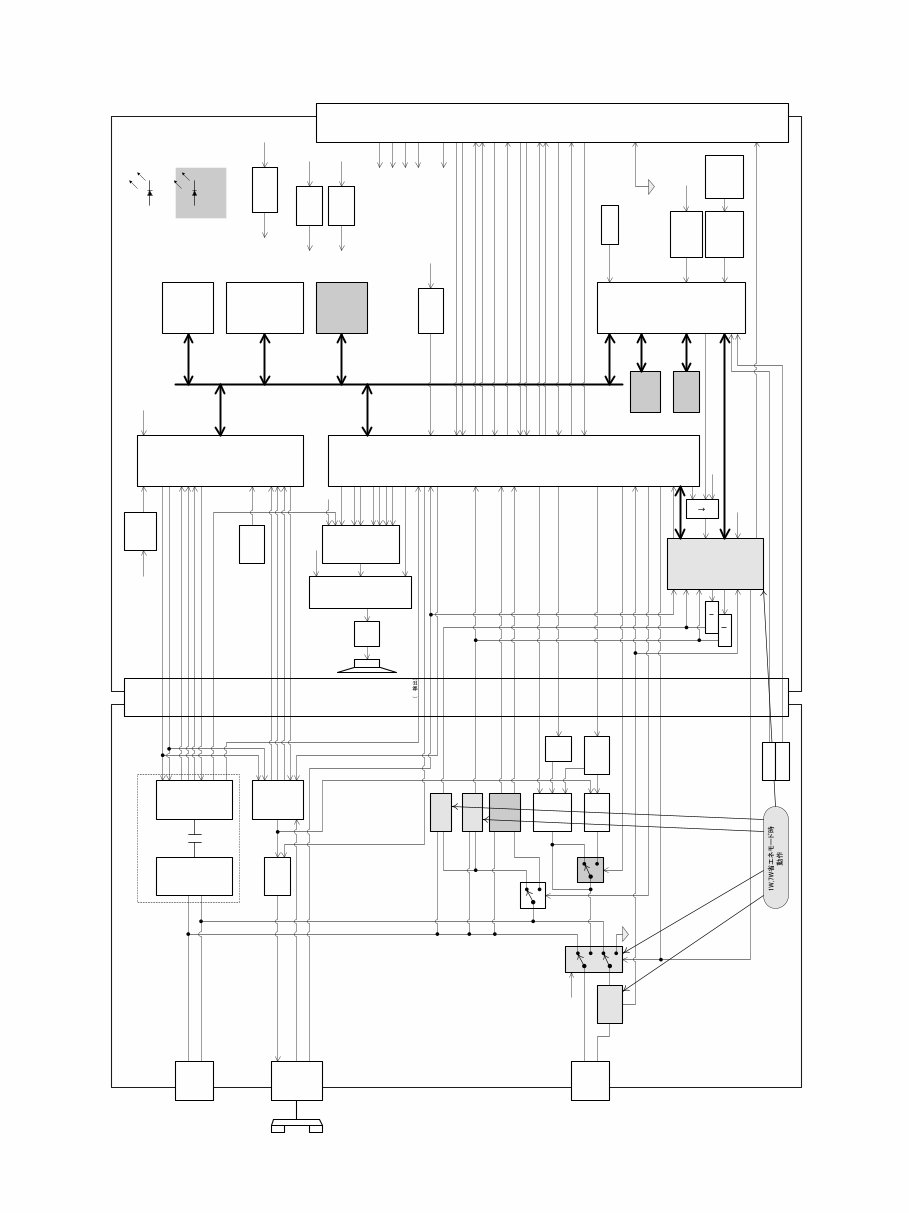
3. SCANNER CONTROL PWB / スキャ ナコ ント ロール PWB
CPUCLK
SCNcnt
AFE_CS 16
16
RGB
32bit bus LSU-mother
Serial 2 systems
CS3
R S P F U N
CTRL_A10V
CTRL_A5V
CTRL_A3.3V CS4
CPUCLK
CS0orCS6
CS2 CS0
RSPF Power
CS5
SEL_A/B/C
analog
PNL_SEL0
CCFT_CPU PNL_SEL0
/CCFT
nLCD_DISP
( ON/OFF )
RGB
3.3V 5V
LCD Power
/KEYIN
5VPWM
5VO
NINFO_LED
NPWRSW
POW_LED
WU_LED
NWU_KEY
5VO
/BZR 24V
12V
3.3V
5V
SC_ACK
PCU_REQ
CCD-
3 . 3 V
Rx FPD Link
35bit
SCN
ASIC
line buf
(8Mx16bit)
LVDS IC
Tx
28bit
CPU
H8S/2373
E2PROM
CPLD
SRAM
F-ROM
(DIMM)
3line color CCD
Tr
Tr Tr
Tr
Tr
Tr
Tr
AFE/TG
MOTOR
DRIVER
3.3
10
line buf
(8Mx16bit)
12 5
12 10
5 3.3
19.661MHz
MOTOR
DRIVER
Mirror
.Motor
HC151
28bit
1.5
3.3
1.2
IPD/IDOCC
MHPsensor
ORS LED
LED
1.8
F-ROM
(ONboard)
5VN
24V
24V
CLK
DRIVER
3.3
OCSW
5 V N
24V
5VN
SPED
5 V P W M
5VN
Power
supply
5VN
24V
5 V P W M
5 V O
12V
Auditor(TBD)
5VN
5VN
24V
5 V P W M
5 V O
5 V O
5VN
24V
LSU-mother
LSU-mother
3.3V
12V
GE2 : 7inch
AR2 : 10.1icn
CPLD
LED 24V LED
DRIVER
DCDC
3.3V
HOME Key
HOME LED
MTP IC
LED
Driver
Sensors other than SPED, SOCD
151 Other ICs
LVDS PWB
Touch panel
Backlight
Buzzer
WU_LED (Reset key LED)
POW_LED (Main power LED)
WU_KEY (Reset key)
Document size
light reception
USB CV PWB
INFO_LED (FAX reception LED)
Keyboard
PWRSW (Soft SW)
LCD kind detection
Sensors
RGB
To LSU-mother
LED drive
circuit
uart, etc.
(Main unit side)
MX-3640N BLOCK DIAGRAM 1 – 4
4. OPERATION UNIT/ オペレーショ ンユニッ ト
MX-3640N BLOCK DIAGRAM 1 – 5
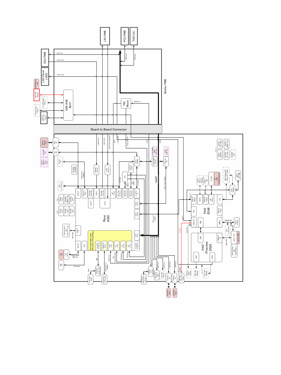
5. MFP CONTROL PWB / MFP コ ント ロール PWB
MX-3640N BLOCK DIAGRAM 1 – 6
6. LSU-MOTHER PWB / LSU マザー PWB
MX-3640N BLOCK DIAGRAM 1 – 7
7. FAX SECTION/ FAX セクショ ン
A. Except Japan
(1) MX-FX11
TEL/LIU
Connector
FAX IMAGE
MEMORY
(Not mount)
FLA S H ROM
16Mbit
LIU EX PWB FAX MAIN PWB
MJ1
(LINE)
MJ2
(TEL)
OFF fock
detection
S rel a y
S i 3 019 S i 3 056
S ilicon DAA
S i 3 056 CHIP S ET
CI
Detection
Pol a rity
inversion
Detection
(Not mount)
S pe a ker
FAX A S IC
MB87F49 3 0
MODEM
MMD5020
PIC
microcomputer
PIC16F690
CPU
S H7706
MFP IF
Connector
With secure
locking
device
BM 3 0B-
S HLD S
JTAG
Connector
14pin
(Not mount)
Log
Connector
(Not mount)
Oper a tion in 1W/7W
energy-s a ve mode
Cryst a l
Reson a tor
24.576MHz
Cryst a l
Reson a tor
14.7456MHz
S pe a ker
Connector
S 02B-
PA S K
S TATU S LED_0
S TATU S LED_1
(Not mount)
volt a ge
level
Volt a ge
Regul a tor
NJU7772F
18
Power
Amplifier
LM4819
Volume
Ch a nge
BU4066
NJM 3 414
volt a ge
level
Filter
+24V
Detection
+24V
+12V
CI Fi ter
CI Fi ter
Filter
volt a ge
level
RH S -
+5V2
ECON
MRON
EXH S -
S ON2
S ON1
AFE_CLK
AFE_RE S -
A S PCLK
ABITCLK
ARXD
ATX D
B S PCLK
BBITCLK
BRXD
BTXD
S PK( a n a log)
RGDT-
(CI detection)
HDMUTE-
S I 3 _RE S -
TELID
CI2-
CI-
H S 1-
H S 2-
CION
150VON
M S GMUTE
CID-
+5V2
+12
+24
+5VA
+5VA
BZ
EN_ S PKON-
EN_BZON-
VOLA
VOLB
VOLC
VOLD
S PMUTE-
3 . 3 V 1.8V MDM 3 . 3 V
RE S ET- 3 . 3 V
+5V +5VA
MDM 3 . 3 V + 3 . 3 V
+24V MON_24V-
+24V
+5V
+ 3 . 3 V
+5V2
RE S _FAX-
FAX_RXD(D)+
FAX_RXD(D)-
FAX_TXD(D)+
FAX_TXD(D)-
FAX_CT S (D)-
FAX_RT S (D)-
FAX_RXD(C S )+
FAX_RXD(C S )-
FAX_TXD(C S )+
FAX_TXD(C S )-
FAX_CT S (C S )-
FAX_RT S (C S )-
FLVPP
Version ID
CNCT_FAX-
3 . 3 V 1.9V
PICPGM_EN
WUP_FAX-
TELID2
16bit
16bit
16bit
16bit
16bit
16bit
JTAG
UART
UART
Downlo a d
S pred
S pectrum
CY25811 S XCT
PROGRAM
FLA S H ROM
16Mb
VHIM29LV16
B-1Q
WORK
MEMORY
S DRAM
64Mbit
A 3
64 S 40ETP-
G6
RE S ET IC
BD45285G
Volt a ge
Regul a tor
R117 3S 001B
MX-3640N BLOCK DIAGRAM 1 – 8
B. Japan
(1) F model internal FAX
TEL/LIU
Connector
LIU JPN PWB FAX MAIN PWB
MJ1
(LINE)
MJ2
(TEL)
OFF fock
detection
S rel a y
S i 3 019 S i 3 056
S ilicon DAA
S i 3 056 CHIP S ET
VOICE
CODEC
S i 3 000
H a ndset
AMP
NJM21 3 5M
MR rel a y
CI
Detection
Pol a rity
inversion
Detection
(Not mount)
EC rel a y
(Not mount)
p a r a -ringer
voice
mess a ge
Output
S pe a ker
FAX A S IC
MB87F49 3 0
MODEM
MMD5020
PIC
microcomputer
PIC16F690
CPU
S H7706
MFP IF
Connector
With secure
locking
device
BM 3 0B-
S HLD S
JTAG
Connector
14pin
(Not mount)
S pred
S pectrum
CY25811 S XCT
Cryst a l
Reson a tor
24.576MHz
Volt a ge
Regul a tor
R117 3S 001B
Cryst a l
Reson a tor
14.7456MHz
RE S ET IC
BD45285G
H a ndset
Connector
MD- S 6 3 50-90
S pe a ker
Connector
S 02B-
PA S K
S TATU S LED_0
S TATU S LED_1
(Not mount)
volt a ge
level
DCDC
-150V
Mess a ge
Output
En a ble
Volt a ge
Regul a tor
NJU7772F
18
Power
Amplifier
LM4819
Volume
Ch a nge
BU4066
NJM 3 414
CI
Detection
volt a ge
level
Filter
+24V
Detection
+24V
+12V
CI Fi ter
CI Fi ter
Filter
volt a ge
level
S pe a ker
Microphone
OFF fock detection
RH S -
+5V2
ECON
MRON
EXH S -
S ON2
S ON1
AFE_CLK
AFE_RE S -
A S PCLK
ABITCLK
ARXD
ATXD
B S PCLK
BBITCLK
BRXD
BTXD
S PK( a n a log)
RGDT- CI
HDMUTE-
S I 3 _RE S -
TELID
CI2-
CI-
H S 1-
H S 2-
CION
150VON
M S GMUTE
M S G(An a log)
CID-
+5V2
+12
+24
+5VA
+5VA
BZ
EN_ S PKON-
EN_BZON-
VOLA
VOLB
VOLC
VOLD
S PMUTE-
3 . 3 V 1.8V MDM 3 . 3 V
RE S ET- 3 . 3 V
+5V +5VA
MDM 3 . 3 V + 3 . 3 V
+24V MON_24V-
+24V
+5V
+ 3 . 3 V
+5V2
RE S _FAX-
FAX_RXD(D)+
FAX_RXD(D)-
FAX_TXD(D)+
FAX_TXD(D)-
FAX_CT S (D)-
FAX_RT S (D)-
FAX_RXD(C S )+
FAX_RXD(C S )-
FAX_TXD(C S )+
FAX_TXD(C S )-
FAX_CT S (C S )-
FAX_RT S (C S )-
FLVPP
Version ID
CNCT_FAX-
3 . 3 V 1.9V
PICPGM_EN
WUP_FAX-
TELID2
16bit
16bit
16bit
16bit
16bit
16bit
JTAG
UART
UART
Downlo a d
Log
Connector
(Not mount)
WORK
MEMORY
S DRAM
64Mbit
A 3 V
64 S 40ETP-
G6
PROGRAM
FLA S H ROM
16Mb
VHIM29LV16B-
1Q
FAX IMAGE
MEMORY
(Not mount)
FLA S H ROM
16Mbit
MX-3640N BLOCK DIAGRAM 1 – 9
(2) MX-FL10
TEL/LIU
Connector
FAX IMAGE
MEMORY
(Not mount)
FLA S H ROM
16Mbit
LIU JPN PWB
WORK
MEMORY
S DRAM
64Mbit
A 3
64 S 40ETP-
G6
PROGRAM
FLA S H ROM
16Mb
VHIM29LV16
B-1Q
FAX MAIN PWB
MJ1
(LINE)
S i 3 019 S i 3 056
S ilicon DAA
S i 3 056 CHIP S ET
MR rel a y
CI
Detection
Pol a rity
inversion
Detection
(Not mount)
S pe a ker
FAX A S IC
MB87F49 3 0
MODEM
MMD5020
PIC
microcomputer
PIC16F690
MFP IF
Connector
With secure
locking
device
BM 3 0B-
S HLD S
1W,7W
S pred
S pectrum
CY25811 S XCT
Cryst a l
Reson a tor
24.576MHz
Volt a ge
Regul a tor
R117 3S 001B
Cryst a l
Reson a tor
14.7456MHz
RE S ET IC
BD45285G
S pe a ker
Connector
S 02B-
PA S K
S TATU S LED_0
S TATU S LED_1
(Not mount)
volt a ge
level
Volt a ge
Regul a tor
NJU7772F
18
Power
Amplifier
LM4819
Volume
Ch a nge
BU4066
NJM 3 414
CI
Detection
volt a ge
level
Filter
+24V
Detection
+24V
+12V
CI Fi ter
CI Fi ter
Filter
volt a ge
level
MRON
AFE_CLK
AFE_RE S -
A S PCLK
ABITCLK
ARXD
AT XD
S PK( a n a log)
RGDT-(CI )
TELID
CI2-
CI-
H S 1-
H S 2-
CID-
+5V2
+12
+24
+5VA
+5VA
BZ
EN_ S PKON-
EN_BZON-
VOLA
VOLB
VOLC
VOLD
S PMUTE-
3 . 3 V 1.8V MDM 3 . 3 V
RE S ET- 3 . 3 V
+5V +5VA
MDM 3 . 3 V + 3 . 3 V
+24V MON_24V-
+24V
+5V
+ 3 . 3 V
+5V2
RE S _FAX-
FAX_RXD(D)+
FAX_RXD(D)-
FAX_TXD(D)+
FAX_TXD(D)-
FAX_CT S (D)-
FAX_RT S (D)-
FAX_RXD(C S )+
FAX_RXD(C S )-
FAX_TXD(C S )+
FAX_TXD(C S )-
FAX_CT S (C S )-
FAX_RT S (C S )-
FLVPP
Version ID
CNCT_FAX-
3 . 3 V 1.9V
PICPG
WUP_FAX-
TELID2
16bit
16bit
16bit
16bit
16bit
16bit
JTAG
UART
UART
Downlo a d
CPU
S H7706
JTAG
Connector
14pin
(Not mount)
Log
Connector
(Not mount)
M_EN
You're Reading a Preview
What's Included?
Lifetime Access
Access Contents & Bookmarks
Print one or all pages of your manual