calcActive())">
Mackie SRS-1500 active subwoofer , Service Manual
What's Included?
Fast Download Speeds
Offline Viewing
Access Contents & Bookmarks
Full Search Facility
Print one or all pages of your manual
Viewed 69 Times Today
Secure transaction
What's Included?
Fast Download Speeds
Offline Viewing
Access Contents & Bookmarks
Full Search Facility
Print one or all pages of your manual
$36.99
$48.99
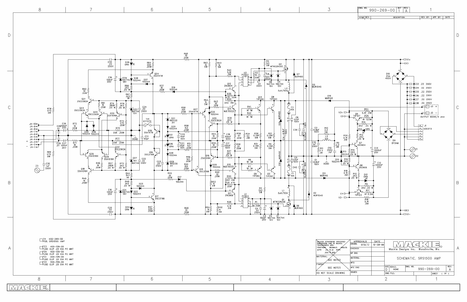
The Mackie SRS-1500 active subwoofer Service Manual is a comprehensive resource suitable for Windows XP, Vista, 7, 8, and Mac. It covers Chassis & Electrical, including wiring diagrams, and is the most complete service manual available. It features numerous illustrations and schematics, technical diagnostic procedures, and disassembly & installation procedures. This manual is written by the manufacturer and is used by dealership technicians. You can easily print the specific pages needed for repairs or the entire manual.
- Introduction
- Overview
- Specifications
- Safety test
- Parts
- Service Bulletin
- Fold-out Sections
- Schematics and PCB layouts
- Amplifier board
- Input board
- AC Input board
- Assembly drawings




