
calcActive())">
BANG and OLUFSEN BEOLAB Home OWNER Service Repair Manual
Have a question?Ask Us
What's Included?

Fast Download Speeds
Online & Offline Access
Access PDF Contents & Bookmarks
Full Search Facility
Print one or all pages of your manual


BatU&0uberl
BEOLAE150, TWE L721" L722, L723,1724,1725
II{DHOLD
Diagrammer ...: ... . 4-48
Halvlederoversigt . .. 4-50
Elektrisk styHiste .. 4-52
Mekanisk styHiste .. 4-54
Justeringer
... 4-57
Tekniske specifikationer .. .. ...... 4-57
Servicetips ... 4-58
Isolationstest ..... .. 4-61
4-48
CONIENTS
Circuit diagrams
Semi-conductorsi ....
List of electrical parts .
List of mechanical parts .
Adjustnents
Technical specifications ....
Service tips .. ....... 4-58
Insulation test .. .... 4-61
4-48
4-50
4-52
4-54
4-57
4-57
DIAGMIT{FORTU$ING
Pi diagrammet er der angivet typenumre pi transi-
storerog IC'er i de tilfelde hvor typenummeret er
entydrgt for komponenters placering i kredslobet
-
f,eks. TR20/BC 5578
Hvis positionsnummeret er efterfulgt af en stjerne
skal reservedelsnummeret benyttes, da denne
komponent er specielt udvalgt
-
f.eks. TR1021
Koordinatsptem
De stsrsteprintplader er forsynet med et koordinat-
system. Komponenterne pl disseprintplader er pA
diagrammet forslmet med en koordinatbetegnelse,
somforteller i hvilket felt pi printpladen de er
placeret (mindreskrifftypeendpositionsnummeret
-
f.eks. B3).
kdningsfoftindels€r
Ledningsforbindelser pi diagrammet er samlet i
"bundter*. De enkelte ledninger er forsynet med
koder,
der fortaller hvortil de gtr.
INTERN FORBINDELSE
PA EN DTAGMMSIDE
E)(PIITNATION OF DIAGRAM
Type numbers of transistors and IC's have been
indicated on the diagram in those caseswhere the
type number is unambiguous for the position of the
component in a circuitry
-
e.g. TR20/BC 5578.
If the position number is followed by an asterisk the
spare part number must be used becausethis
component has been expecially"selected
-
e.g.
TR102*.
System of Co-ordinates
The largest PC-boards have been provided with a co-
ordinate system. The components on these PC-boards
are provided with a grid reference on the diagram
indicating in what gnd they are positioned on the PG
board (smaller typing than position numbers
-
e.g.
B3).
Wiring C.onnections
The wiring connections on the diagram are
assembledin "bundles". The individual wires are
coded to indicate to where they are leading.
INTERNALCONNECTION
ON ONE DIAGMM PAGE
Internal connectionson a diagram page are
indicated by a number. The bend of the wire indicates
in which direction the other end of the wire mav be
found.
l l r l
1 2 2 0 n 1 n
\ \ / /
Interne forbindelser pi en diagramside angives med
et tal. Knakket pl ledningen viser i hvilken retning
den andenende af ledningenfindes.

4-48
Forsyningsspeqdingetr Supply Voltage
En pil og spandingen viser, hvor forsyningsspendiq- An arrow and the voltage show where the supply
gerne gfr ind i et prinl voltages are fed to a PCB.
Eksempel: (7 CON.) feks. ved siden af forsynings- Example: (7 CON.) next to the supply voltage
spendingen angiver det antal stedet, spandingen gtr indicates the number of places where to find the
ind pi denne diagramside. voltages in this diagram.
Symbol for sikkerhedskomponenter for Safety Components
Ved udskiftrting af komponenter med dette symbol When replacing componentswith this symbol compo-
skal der anvendskomponenter med samme reserve- nents with identical part numbers are to be used.
delsnummer. Den nye komponent skal monteres pi The new component must be fitted in the same way
sammemtde som den udskiftede. as the one replaced
uArJBBrnqCBrsBn MEAST'RING coNDITIoNS
Alle DC spandinger er milt i forhold til stel, All DC voltages have been measured in relation to
med voltrneter med en indgangsmodstand pA ground with voltneter with an input resistance of
10 Mohm. 10 Mohms.
Spendingerne er milt uden signaltilforing. The voltages have been measured without any supply
of signal.
\
4-48
d-

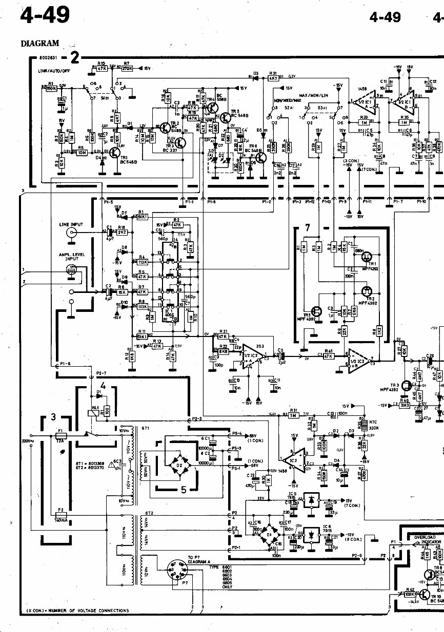
4-49
DIAGMM !]
4-49
-4
r t002&il r
Lm(/AUII!/OFF
3
o6
oE
)t SlBr
cZtsl
n nzn-f
fr4
I
l-
I
/i\--
I
Pl- 7 Pr-1
-
(3coN.)
i-
-l6V
l5V t'
T 1.'*-.*
-ll-
r/r A-
*r
l I
Pr-r'
A
-lsv
6v
I
I
P|.t3
I
'tsv
(7CON.)
-t5v
(6 CON.)
?2-6
E-
a-
-
-
PF3 PFN
]7
l'''
P2-7
-
4
t-
JI
I
-'.-
I
;v'
I
['
t0
-{
tsv
I
r,tAx/MtN/uN
IuLl€D/t{rx
I l--
P3
szAr 3P S3Al
{' *
,{.u--
l5v
l-llJ
t 9
6Tl . E013359
612r 8013370
LINE II{PUT
(r
t
A}IPL. LEVEL
INPUT
l-
I f -[lv J BC 51t
iT
,_

4-49
Baru&OuHt
[--E: s--l z sr
I ooo o t2s2
|
66t 6
|
zsr
Ilfr 5S/1723
EtPbnqtlon oalho ts ryn$ob ed h thG st:
E dmlbn dc synldcs dr tudbb utilirts dqm l'qppoEil:
w9rffi/|ta
ErpbElion of lht le iynbols @d h thc et:
Expbmiin d6 sy[$olrs du tusibl. utili3bs dc foppqFil:
Rtpbcc with $m type l5Omitliqrpe.s
250 Elts 3low eihg fts.
RcmCcr pqr h tusilt de mm typ. rets.d!
et de !5otrilloD€E 250wlb.
lR7
8C 5584
fr2l
fln
fln
.ITA
1t?5
oity
ffi$'|H
;H'
l*"
l"

Bang&0uHt
SEITfi COITDUCTORS
Transistors
4-50
1TR3 %8320396 24 MPF 4392 1TR23 8320646
t$4
BF 858
24 2N 4392
24 2N 5639 1TR24 8320643 2SC 2238A
1TR6 832%il 17 BF 423 1TR25- 8320645 2SC3281
1TR27
1TR7 832015220 BC212B|BK
17 BC212BL 1TR28 8320646
tt4
BF 858
.
20 BC 2518
18 BC 3078 1TR29 2SA 968A
20 BC 5578
27 2SA 844 1TR30- 2SA 1302
1TR32
1TR8- 8320641 sc 2240 GR
lTRlO 8320108 20 BC 1728
2TR2 20 BC 1838/BK
lTR1l 8320108 20 BC1728 17 BC 1838L
M BC 1838/BK 20 BC 2388
17 BC 18381 20 BC 5488
20 BC 2388
20 BC 5488 2TR3 8320595 20 BC 337-40
1TR12 8320152 20 BC212B/BK 2TR4 832U52m BC ?|AB/BK
1TR15 17 BC212BL 17 BC212BL
20 BC 2518 20 BC 2518
18 BC 3078 18 BC 3078
m Bc557B 20 BC 5578
27 2SA 844 27 2SA 844
1TR16 832045417 BF 423 2TR5 8320108 20 BC 1728
2TR6 M BC 183B/BK
1TR17 8320108 20 BC1728. 2TR8- 17 BC 1838L
20 BC 183B/BK 2TR1O m Bc238B
17 BC 183BL 20 BC 5488
m Bc238B
20 BC 5488
7TR1-
'a8320396
24 MPF4392
1TR18 832015220 BC2lzBtBK 24 2N 4392
17 rc212B,L
20 BC 2518
18 BC 3078
m Bc 5578
8320642
8320644
2TR1
27 2SA 844
7TR3
24 2N 5639

4-51
IC,s
Diodes
Bang&0uHl
t834O202 loil CD
/t066
BCN 8340240 12l! 1n 320T-15
102 HEF 4066 BP 123 MC 7915 CT
102 MC 14066 BCP 123 UA7915 UC
102 MSM4066RS
1tc2 8340763 138 1f353-TL072 8340048 10i3 MC 1458CP1
103 MC 1458N
1lc3 8340048 10ll MC 1458CP1 1(xl MC 1458P
lGt MC 1458 N 103 SFC2458 DC
103 MC 1458 P
lGt SFC2458 DC
8340054 19 MPS A13
1tcs 8340004 105 UA 7815 19 TPS A13
105 UA7815 UC
105 LM 340T-15
8300466 8125 C1500 8300058 217 SFD184
209 1N4148
1D2- 8300058 217 SFD184 2D7 215 1N4148
1D12 ztg 1N 4148
215 lN 4148
4D1 8300058 217 SFD'r84
1Dl5 8300409 214 BAV20-25 zr9 1N 4148
215 lN 4148
1Dl6 8300541 z 3v3
1D17- 8300058217 SFD184 5D2 8300497 KBU6D
1D20 209 1N 4148
215 1N4148
1D21 8300407 209 B7J79B12
209 BZ€3B 12
209 7PD 12V
*
f
betyder at statisk elekhicitet kan odelegge komponenten.
indicates that static electricity may destroy the componenl
bedeutet,da8 statische Elekfrizitiit die Komponente zersttiren kann.
signigr que 6lectricit6 statique peut detruire le composanl
Speciel udvalgt eller bearbejdet eksemplar.
Specially selected or adapted sample.
Speziell ausgewfiltes und bearbeitets Exemplar.
2tc1
5tc1
1Dl
A
A
A
.A

Bang&Oubsl
LIST OF ELECTRICALPARTS
Standardresistors:
Resistors 5o/o L/2 W
4-52
Resistors 5o/o 1/4 W
Amplifier, 8OO2915, PCB 1
Raistats not mentioned are standardraistots
5020363 51.1 ko 1% 1/4w
5020126 U3 ko l% 1/4W
5020126 113 ko l% 1/4w
5020363 51.1 ko 1% 1/4W
5220036 330 ko l0% 1/2W
5020200 2.1kaWo L/4W
5020200 2.1kaLoh l/4w
5370351 220 o20qfro.LW
5020127 l0 ka 5%lW
R79
R9s
R1
R4
R8
R11
R35
R56
R57
R59
R73
5020633
5370341
R99 5100203
Rl00 5100203
R101 5100203
R102 5100203
R103 5100203
Rl04 5100203
150o 5% 0.35W
100o 20%0.1w
0.47a l0oh2W
0.470l0E62W
0.47o l0c{o2W
0.47o l0o/o?W
0.47a tDVo 2W
0.47 aL0Eb2W
c1
c2
c3
u
c5
c6
c7
cl0
cl1
cl3
c14
cl5
c16
ct7
cl8
cl9
c20
czr
c22
c25
4200477 4.7 yF 2Q% 25Y
4200477 4.7 vF 20%25Y
4100232 100 pF 5% 63V
4000136 22 pF5% 63V
4200423 22yF20%50Y
4010064 560 pF 10%63V
4010064 560 pF 100/o 63V
4010041 10 nF
-20+80%
40V
4010041 10 nF-20+80% 40V
4130179 100nF 200/o 63V
4200431 10 pF20% 16V
4130179 100nF20% 63V
4130179 100nF20% 63V
4130179 10OnF2006 63V
4200311 220 pF
-10+100%
40V
4200509 33 pF 20%25V
4200311 220 uF
-20+100%
40V
4200509 33 rrF 2006 25V
4200704 470 uF2W625Y
4200431 10 pF20% 16V
c26
c27
c29
c30
c31
c32
c33
c34
c35
c36
c37
c38
c39
c40
c45
c46
a7
c48
c49
c50
4100234 220 pF 5% 63V
4200476 0.47uF 20%50V
4200665 470 uF20% 6.3V
4010027 1 nF 10%63V
4200652 100 pF20% 100V
4010061 2.2 nF 10%63V
4010061 2.2nF 10% 63V
4010061 2.2 nF 10%63V
4003059 22 pF 5% 500V
4000020 4.7 pF 0.25pF 63V
4010063 4.7 nF 10% 63V
4010024 470 pF 1096 63V
4200478 100 pF20% 10V
4010063 4.7 nF 1096 63V
4130195
..22 nF 59b250Y
4130155 1 uF 10% 100V
4130308 220 nF 10% 63V
4012002 10 nF
-20+50%
400V
4130155 1 pF 10% 100V
4130308 220 nF 10% 63V
H}
P5
PI
n
7220143 Plug 14 pol
7220203 Plug 10/9 pol
7220313 Plw 3 pol.
7220L96 Ptug 4/3 pol.
x1 x10 x100 x1K x10K x100x xlM x10M
1.0
t.2
1.5
5011406
5010727
5011000
5011001
5011002
5011013
5011014
5011015
5011028
5011030
5011031
5011044
5011045
5011046
5010313
5011058
5011059
5011069
5010421
5011071
5011083
1.8
2.2
2.7
5010857
501r335
50L0787
5010708
5010803
5011016
5010815
5011018
5011033
5011034
5010055
5011047
5011048
5011049
5011061
5011062
50Lt072
5011074
5011075
3.3
3.9
4.7
5010255
5010765
5011007
5010782
5011009
5011019
5011021
501t022
5011037
5010700
5010035
5011051
5010036
5011063
5011065
5010381
5010392
5011078
5.6
6.8
8.2
5010874
5011010
5011011
5011012
5011023
5011024
5011026
5011041
5011042
5011043
5010810
5010038
5011066
5011067
5011068
5011079
5011080
5011081
x1 xlo x100 xlK x10K x100K x1M x10M
1.0
t2
1.5
50105925010506
5010595
5010468
5010065
5010128
5010057
5010040
5010153
5010247
5010059
5010046
5010053
5010049
5010047
5010063
5010054
5010665
5010093
5010638
1.8
2.2
2.7
5010682
5010925
5010822
5010448
5010403
5010362
5010092
5010000
5010066
5010064
5010298
5010135
5010079
5010141
5010072
5010120
5010083
5010791
5010245
5010431
3.3
3.9
4.7 5010888
5010253
50L0622
5010411
5010044
5010070
5010058
5010076
5010069
5010048
5010075
5010060
5010045
5010117
5010073
5010077
5010848
5010714
5.6
6.8
8.2
5010706
5010904
5010880
5010151
5010039
5010056
5010067
5010144
5010068
5010041
5010052
5010154
5010061
5010062
5010091
5010071
5010074
5010505
5010658
L1 6850114 Coil 0.5 rrH

4-52
Control, 8OO28it|1, PCB 2 c1 420093s 1 pF
-10+50%
6BV c9 4oroozl 1 nF 10% 63v
C2 4130310 1 pF l0% 50V CrO 4200333 1 pF-10+50% 63Y
C3 4070027 1 nF l09(l63V Cl1 4010041 10 nF-20t80% 40V
C4 4200016 22
FF-10+50%
25V Clz 4010041 I0 nF-20+80% 40V
C5 4000057 47 pF5% 63V C13 4010041 10 nF-20+80% 40V
CO 4000057 47 pF 596 63V Cr6 4010061 2.2 nF 10%63V
C7 4L30223 47 nP l0% 63V Clz 4010061 2.2 nF 10%63V
C8 4130223 47 nF 10%63V
51 7400350 Switch
52 7400350 Switch
53 7400350 Switch
Fuses, 627LO4O, FCB 3
tJpe 6601/02
Fl 6600009 Fuse 2A250v
Fuses, 6270343, FCB 3 tJpe 6605
F2 6600070 Fuse 40MA 250v
7200052 Fuse holder
4-52
Fuses, 6270342, PCB 3
ttrpe 6603/04
Relay,80o12784, PCB 4
Signal level,80O2916, PCB 7
Fl 6600019 Fuse 5A 250V
FZ 6600069 Fuse 150MA 250V
7200052 Fuse holder
RLI 7600069 Relay
3917109 Dampingmaterial
Cl 4l303ll 680 nF 10o'b 63V
CZ 4130309 330 nF l0% 63V
C3 4130310 1 uF 10% 50V
Pl 7220544 Plug 5 pol.

4-53
MEKANISK STYIGISTE
LIST OF UBCIUMCNT, PARTS
4-53 4-
?'o
I
toor-4
,t-N#
,o.r____i_t
*r--u
soos
cd
+A
-t
9029
9030
9031
9032
9033
903t,
7
s
9003
9001
9037
9038
9039
9006
9007
9015.
9008
9009
9017
You're Reading a Preview
What's Included?

Fast Download Speeds
Online & Offline Access
Access PDF Contents & Bookmarks
Full Search Facility
Print one or all pages of your manual
$31.99
Viewed 24 Times Today

Loading...
Secure transaction
What's Included?

Fast Download Speeds
Online & Offline Access
Access PDF Contents & Bookmarks
Full Search Facility
Print one or all pages of your manual
$31.99
These service repair and owner's manuals are available in Adobe Acrobat format. They are useful for both professional mechanics and DIY enthusiasts. The manuals cover a range of Beolab models including:
- Beolab-150
- Beolab-1
- Beolab-2000
- Beolab-2500
- Beolab-2
- Beolab-3000
- Beolab-3500-Mk2
- Beolab-3500
- Beolab-3
- Beolab-4000-Mk2
- Beolab-4000--1
- Beolab-4500
- Beolab-4--1
- Beolab-5000
- Beolab-5
- Beolab-5-R-A05
- Beolab-6000
- Beolab-7.1
- Beolab-7-4--dutch
- Beolab-8000
- Beolab-9
- Beolab-Penta-1
- Beolab-Penta-2
- Beolab-Penta-3
- Beolab-penta-6601~6605
- Beomic Beovox
We're currently collecting product reviews for this item. In the meantime, here are some reviews from our past customers sharing their overall shopping experience.
4.5
Out of 5.0

Overall Rating
89%
of customers that buyfrom this merchant give
them a 4 or 5-Star rating.
Verified Buyer
October 8, 2025 by Shane B. (Northern Ireland, GB)
“Great”
Verified Buyer
October 8, 2025 by Michael N. (US)
“Was able to find the manual I needed”
Verified Buyer
October 8, 2025 by SIGI V. (CALIFORNIA, US)
“Customer service has been excellent!”
Verified Buyer
October 8, 2025 by Kjell-Einar Bjørklund (US)
“quick and easy transaction )”
Verified Buyer
October 8, 2025 by Joseph H. (Worker Region, US)
“Fast and professional.”
Verified Buyer
October 8, 2025 by Mathew M. (Worker Region, US)
“Was working on my S10 and needed some kind of diagram of the front suspension. This manual had all I need and then some. Easy to navigate on the computer and saved me a trip to the shop.”
Verified Buyer
October 8, 2025 by Kellen J. (Worker Region, US)
“I needed torque specs for my fishing boat engine. Manual walked me through the job step by step. Clear instructions, just like the dealer manual. Definitely worth the price.”
Verified Buyer
October 8, 2025 by Vladimír Choma (Sk)
“quickly, easily, available”
Verified Buyer
October 8, 2025 by johnny B. (US)
“so far so good”
Verified Buyer
October 8, 2025 by Joe F. (Worker Region, US)
“Easy to use.”