Ref Part Number Qty Description 821C CASE WHEEL LOADER (S/N JEE0155001 & AFTER) 02-02 MOUNTING, ENGINE 418674A1 1 SUPPORT, Incl. 1,2 1 J943374 1 SUPPORT, 2 L124020 1 SHOCK ABSORBER, 3 854-12090 1 BOLT, Hex Flg, M12 x 90, 10.9, M12 x 90; 10.9 4 854-12100 3 BOLT, Hex Flg, M12 x 100, 10.9, M12 x 100; 10.9 5 426-1296 1 BOLT, Hex, 3/4"-10 x 6", G8, 3/4 x 6 6 496-81000 1 WASHER, 25/32" x 1 3/8" x .134", HDN, 25/32 x 1-3/8 x 1/8 7 131-1400 1 NUT, LOCK, Jam, 3/4"-16, 3/4
821C CASE WHEEL LOADER (S/N JEE0155001 & AFTER) 02-03 FAN - MOUNTING
Ref Part Number Qty Description 821C CASE WHEEL LOADER (S/N JEE0155001 & AFTER) 02-03 FAN - MOUNTING 427010A1 1 FAN, Incl. 1, 2 1 427011A1 1 FAN, 2 427012A1 1 HUB, 3 425-1310 1 NUT, SLOTTED, 5/8"-18, G5, 5/8 - 18UNF 4 733-3232 1 PIN, SPLIT (COTTER), M3.2 x 32, 3.2 X 32mm 5 REF 1 INSTRUCTION, MOTOR ASSY; Fan Drive; Component Parts Not Available at Time of Printing; See Figure 08-10
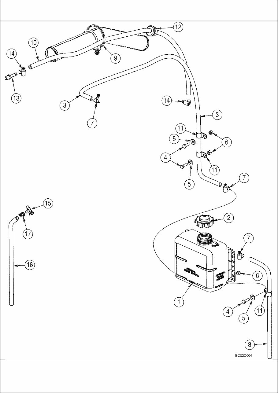
821C CASE WHEEL LOADER (S/N JEE0155001 & AFTER) 02-04 COOLANT RECOVERY SYSTEM
Ref Part Number Qty Description 821C CASE WHEEL LOADER (S/N JEE0155001 & AFTER) 02-04 COOLANT RECOVERY SYSTEM 1 A184395 1 RESERVOIR, 2 1547924C1 1 CAP, 3 31-2939 1 HOSE, 1270 mm (50 in); Radiator To Reservoir 5 896-15008 4 WASHER, M8 x 21.5 x 2.5, HT, 9 x 21 x 2,5 mm 6 832-10408 2 NUT, M8 x 1.25, Cl 8, M8 7 214-1406 3 CLAMP, HOSE, #06, .44/.78 Type F Worm, 7/16 - 25/32; Overflow Hose To Reservoir 8 226616A1 1 HOSE (METRES), 1066.8 mm (42 in); Recovery Overflow 9 L18337 1 STRAP, CABLE, 9.95"-12.1" lg, 15 in 10 31-2308 1 HOSE, LARGE, 1219 mm (48 in); Engine Vent 11 515-23159 3 CLAMP, 5/8", Insul, 3/8" Bolt, 5/8 ID 12 198825C1 1 GROMMET, 5/8 ID 13 217-151 1 ELBOW, 3/8" Hose X 1/4" NPTF Beaded, 3/8 stem x 1/4 PT 14 214-1406 2 CLAMP, HOSE, #06, .44/.78 Type F Worm, 7/16 - 25/32 15 301803R1 1 VALVE, SHUT-OFF, 16 32-332 1 HOSE, 666 mm (26-1/4 in); Cut From A42610 17 1954736C1 1 CLAMP, No. 24 4 627-8025 4 BOLT, Hex, M8 x 25, 10.9, M8 x 25; 10.9
821C CASE WHEEL LOADER (S/N JEE0155001 & AFTER) 02-05 AIR CLEANER - AIR INTAKE PARTS
The CASE 821C Wheel Loader Parts Catalog Manual is a comprehensive resource for professional mechanics and DIY enthusiasts. It features detailed parts explosions and exploded views, encompassing all part numbers for every aspect of the machine, including a thorough breakdown of engine parts. This manual is essential for tractor parts lookup, providing valuable insights into the assembly of components. The parts list exploded views are invaluable for servicing, rebuilding, teardowns, overhauls, repairs, and adjustments. With easy-to-read exploded views, identifying part numbers, placing accurate orders, and executing correct repairs becomes effortless. The manual contains original parts information necessary for accurately looking up part numbers for the entire machine, including engine parts.
File Format: PDF
Pages: 592
Size: 9Mb
Manual Language: English
If you have any questions or require further information, feel free to reach out. You may find the manual you've been searching for. Have a great day!