CASE 1830 Skid Steer Loader Parts Catalog Manual
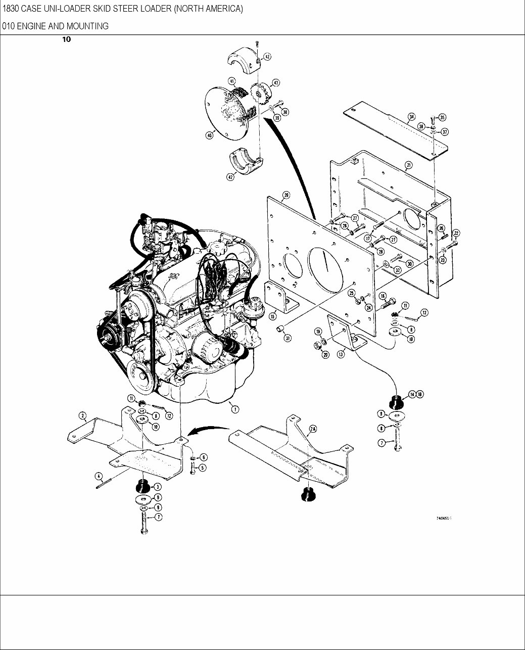
This parts catalog is an essential resource for anyone working on a CASE 1830 skid steer loader. It provides detailed parts explosions and breakdowns of all part numbers, including engine parts. Whether you're a professional mechanic or a DIY enthusiast, this manual is invaluable for servicing, rebuilding, teardowns, overhauls, repairs, and adjustments.
The easy-to-read exploded views make part number identification and ordering accurate, ensuring correct repairs. With 203 pages of comprehensive information and a file size of 13Mb, this English-language manual contains all the original parts information necessary for the entire machine, including engine parts.
For those seeking to understand how everything fits together, this manual is the key to successful tractor parts lookup. Whether you're a professional mechanic or a DIY enthusiast, this manual is invaluable for servicing, rebuilding, teardowns, overhauls, repairs, and adjustments.
If you have any questions or need further assistance, feel free to reach out. We may have the manual you've been searching for. Have a great day!









