calcActive())">
Yanmar VIO20-2 Crawler-backhoe Parts Catalogue
What's Included?
Fast Download Speeds
Online & Offline Access
Access PDF Contents & Bookmarks
Full Search Facility
Print one or all pages of your manual

PREFACE
1. This Parts Catalog carries Yanmar crawler back-hoe Vi020-2.
2. Parts catalog history
..
nu- UN- -nHU-4BEEnrιgb-俨O-俨O-俨Onu-吁''-吁''-吁,,
lt-n·J-n·J-n·J
2u-MKH-MKH-MKH ιL-nu-nu-nu
a-nu-nu-nU G-VI-vI-vI
-nu-nu-nu
s-nu-nu-nu ιL-nu-nu-nU
VEE 到u-
nr-
Pub I i shed
oct.. 2000
Sep. , 2001
Oct.. 2003
nH-nH o-0
··l··l -ιL-ιL
:-EO-BO
K-e-e 盯-d-d
l·|-| 创-o-o
R-e-e
-eOEeo -HU-HU -eOEeo zuzu
n-EO-EG nu-白』-白』
-EEEeOEeo ιL--EE--l
EE-uv-MV Ju-白』-白』白』-VE-VEιL-ιL-EO
Cu-cu-nH 4l-1·-n,ι
3. Model name
SECTION Column Model name M/# Manufactured
(A) V i 020-2 C (JP)
1 (Veh i c I e) (B) V i 020-2 P (JP) 20501 ,..., 2000/7 ,...,
(D) Vi 020-2 P (EX)
II (Eng i ne) (A) 3TNE74-ENBV N04801 ,..., 2000/5 ,...,
(Note) C:Cabin spec. P:Canopy spec. JP:Japan EX:export except U. S. A. & Austral ia
4. Your understanding is asking that this parts catalog is not a technical data manual setting
forth as servlclng procedures , This parts catalog is using simpl ified i I lustration.
Be sure to use Yanmar Genuine Parts in your maintenance servlclng of Yanmar products.
Be careful not to use the simple parts avai lable in the market , otherwise their use in
repalrlng causes such as an early breakage , for instance.
YOOK3762Z3-0309 VI020-2CJP.EX)

How to read this Parts Ca阳109.
1.Parts mentioned in Parts Catalog may not necessarily be standard equipping parts
2.Parts change may be made without prior notice.
3.Form of this Parts Catalog.
④
(D) =4JH -DTZA
(E) =4JH -DTZY
(的=
29. FUEL INJECTIα~PUMP (WÆ汇盯Sη
?飞
⑥ PARTSNo.
K
TY-一一一一
(G)ω) (E) (F) n叫"-n叫Jwn叫JWn叫"-n叫Jwn叫JW
FUEL 1 NJEGT 1 例 PUMP
FUEL 1 NJEGT 1 例 PUMP
SGREW M 6X16
SGREW M 6X16
(G=E00156) (D=E∞156)
GAMSHFT
BEAR 1 NG. ROLLER
RETAINER
1-1 A吁民,uau
( Ref. No,
The Ref. No , in the list may not be in accordance with the Ref. No , on illustration
(Ex.) illustration No , Li st heed No ,
1 (B efore chanqe1---. 1 ~ 1 I (After change)
When interchangeable symbol N, and k, illustrations for the new parts are so n'Tetirr1es omiUed.
( Lev. (Level)
Indication and Meaning of Level
Level Hereunder is given the relation among the number of number (1 ,2 , 3) the level and the nominal
parent-child relationship.
1 ----- Parent parts (Assembly parts)
2 ----- Child parts included in " 1 " (Semi-Assembly parts , component parts of Assembly parts.)
3 ----- Child parts inciuded in " 2 ", Grand-child parts in terms of" 1 "
(Component parts of Semi-Assembly parts.)
Note) A parts of non-sale parts are illustrated but not listed.
( Change Mark
Change Mark " 1 " is given to the part for which a design change was made at this time.
The design change was not shown in the last published Parts Catalog
( nterchangeability Mark
In the case where a part change took pla饵, one of the following interchangeability marks is indicated for that pa此
Symbol Inlerchangeabilily Conlenls nole
N Old New New Parl is inlerchanÇJeable for Old Parl bul nol inlerchanÇJeable conversely
Q Old New New Parl is nol inlerchangeable for Old Parl bul inlerchangeable conversely
R Old New New Parl is inlerchanÇJeable for Old Parl and vice versa
S Old New New Parl is nol inlerchanÇJeable for Old Parl and vice versa
叭/ Parl newly added
Z Parl disconlinued
F Nol inlerchangeable single parl bul inlerchangeable by sel of lhe relaled parls
K Chanqed only in quanlitv used
( Effective Machine No,
When a part is changed , E吓8ctive Machine No , of a Model forwhich the pa此 is applicable is indication
|n each column of (A)-(F).
Producl Symbol Producl No , Producl Symbol
C I Clulch No , Compressor No , M
D I Drive No , T
EI Engine No , Nole 1)※
Note 1) Date may follow the symbol in some cases.(Ex.) ※ 1996.01
Note 2) As far as engine models shown by" XXX " are concerned , the modification of the parts could not be
Predicted or the engine 门lodels themselves could not be identified.
Note 3) íA=E/#0018日 means that the desiqn chanqe on the par1 has been effective for the model at the ,
column (A) (in the case , for 4JH-DT) on and from E/#(Engine Serial Number) 00185
@Remarks Mark
Figu陀s or alphabets (Symbols) a陀 entered in the remark ∞lumn
The ∞mments (remarks) on the pe叫ne时 parts a陀 indicated in the lower part of the list by the same symbols a
those stated above
Producl No ,
旦旦出立且~
Traclor No ,
Dale

SPECIFICATIONS
Name YANMAR CRAWLER BACKHOE
Model Vio20-2
Specification
IRON CRAWLER RUBBER CRAWLER
CANOPY CABIN CANOPY CABIN
Model 3TNE74-ENBV
Engine
Bore x Stroke 74x 78
Transport length 付1 付1 3865
Dimensions Transport width 付1 付1 1380
Transport height 付1 付1 2340 2460 2340 2460
Std. bucket capacity
付,3
0.066
Std. bucket width(Outside) 付1 付1 490
Max. digging depth 付1 付1 2300 (W/BLADE2480)
Max. cutting height 付1 付1 4080 3850 4080 3850
Max. dump height 付1 付1 2800 2590 2800 2590
Max. reach at ground level 付1 付1 4140
Min. swing radius(Swing) 付1 付1 1600 (1360) 1760 (1500) 1600 (1360) 1760 (1500)
Boom swing angle degree Left47 . Ri ght75
Max. digging force(Std. bucket) kN (kgf) 18. 6 (1800)
Travel speed(High/Low) km/h 4.4/2.2
Swing speed m i n-
1
(rpm) 9. 5
Average ground pressure(Std. shoe) kPa (kgf / cm
2
) 24.7 (0.25) 26.2 (0.27) 24.7 (0.25) 26.2 (0.27)
Track shoe width(Std.) 付1 付1 250
W i dth x he i ght 付1 付1 1380 x 285
Blade
Ra i se (Up/Down) 付1 付1 370/340
Machine mass kg 1960 2100 1960 2100
Battery 65B24L/12V , 40Ah(5Hr)
YOOK3762Z3-0309 VI020-2CJP.EX)

本楼釜装色
VEHICLE PAINTED COLOR
色区分 表示
釜装色
Color Desc
Painted Color
Code rlptlon
88
级级
于"/~一新手、 -(--:J扩 1) 一"/
YANMAR New Deep Green
97
~~~~~~~~~~~~~~~~~~~
于"/~-t::"-:::]、y 夕扩 1) 一"/
YANMAR Peacock Green
96
于"/~ 三/卡 7 又夕、 1)
"/
YANMAR Citrus Green
72
擦擦3
于"/~-'7-"一夕才 1)--::)"夕、 v一
YANMAR Dark 01 ive Gray
15
111111111111111111
工卜于二L 7J\..- 木'J 4 ←
Natural White
73
111111111111111111
于"/~-'J-.b.夕、 v一
YANMAR Warm Gray
12
心N
于 "/~--::)"7γ 夕
YANMAR Black
|气?只新夕、 M 仆 ~/fl) 二/
86
YANMAR New Grayish Green
83
翩翩
于"/~一夕、 V4 、:;:,;二L 夕、 1) 一"/
YANMAR Grayish Green
YOOK3762Z3-0309 VI020-2CJP.EX)
~:d!}~言己号
Munsel No
O. 6B2. 2/4. 2
3. 85BG5. 31/9. 15
4. 84GY8.42/6. 99
5. 39Y2. 92/0. 78
1. 38GY7. 15/0. 48
7Y5. 3/0. 8
4. 90PBO. 08/0. 41
2. 62BG4. 76/2. 87
2. 14G 4.87/1.52
ROPS 年々/巨仕栋
ROPS CANOPY SPEC
年气?巨/仕栋
CAB IN SPEC.
釜料部品番号 (Pa i nt Part No.)
16L ffi (16L Can) 4L ffi (4L Can) J..7 0 ~- (SPRAY)
981101-09588 977620-40880 977620-30881
981101-09597 977620-40970 977620-30971
981101-09599 977620-40990 977620-30991
977620-40720 TOR-90460003
977620-30301
TOR-90450003
TOR-91220001 TOR-90220003
981101-09616 977620-40860 977620-30861
981101-09615 977620-40830 977620-30N41

YOOK3762
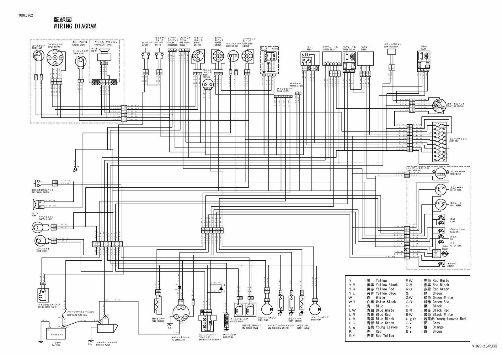
配银国
WIRING DIAGRAM
,--一--一--一-----一~-\'古二ü~-r--~-~:;(;ç丢了J古 rl
)1.-一问 ν -:f ,?i~\一毛-;. CABIN SPEC. CABIN(仰TI 圳此
WIPER MOTOR
ROOM LAMP 苦?才
年"t:'二J告'./-:1: RADIO
CABI N LAMP 4汀川多HNmLν它E伍勺dTm旺兮R一、J伍-ZT田园一、Jmm夕2cc
7 才子F-tpγ町H-γ4下门」力又ω圳-
J-- -TW- 7目tl」它川出-
勺-{/\- I::-~如 勺少苦二/7
叉-i' γ 子叉-i' γ 子 '
叉-i' γ子
W 1 PER HEATER
木一二J叉-i' γ 子 WORK LAMP
SWITCH SWITCH
HORN SW 1 TCH SW 1 TCH
, I MI 、 I'ILI 、
..u叫 11 11 HI 队"圃'
E 、( 81./ I 、 181./ I
~勺才 γ:.--'\'...............
叉-i' γ 子
WASH
SWITCH
于口一L.-:;;之多-
GLOW RES 1 STOR
7- J.,.舌-i'卡
BOOM LI GHT
夕-i' γ 夕 kγ 子川)1.- 7
QUICK HITCH VALVE
) A O E ( 1)-
-Mo- -币门-k伍且
-u- -F· 口wdF7剧,口川又也
燃料它二J吵一
FUEL CENSOR
又多 子,二J夕白毛多
STARTER MOTOR 。主ωωOA
力、J 卡才 7川)1.- 7
CUTOFF VALVE
走行 2 逗切首川)1.- 7
TWO SPEEO VALVE
工二/:; :: .. ,;又卡 γ7 于口 7苦于
γ l.- / -i' 1" GLOW PLUG
ENG 1 NE-STOP SOLENOIO
AC 引工*L.--~如
AC GENERATOR 」
VE· 子川一
L
BRLBWRBGgY
YYYYWWLLLLLLRR
B. E
F07 , -1'刑二/7
FUEL PUMP
勺才 γ:.--\"' 刑二/7
WASH PUMP
水温叉-i' γ子
TEMP. SW 1 TCH
才-( )L-:tL.- 'y:.- -\", 叉-i' γ子 水温它二J兮
。 IL PRESSURE SWITCH TEMP. SENSOR
黄 Yellow
黄黑 Yellow Black
黄赤 Yellow Red
黄青 Yellow Blue
自 White
自黑 White Black
青 Blue
青白 Blue White
青赤 Blue Red
青黑 Blue Black
青粮 Blue Green
若菜 Young Leaves
赤 Red
赤黄 Red Yellow
RW
RB
RG
G
GW
GR
B
BR
BW
LgR
G r
o r
B r
赤自 Red White
赤黑 Red Black
赤粮 Red Green
粮 Green
粮自 Green White
粮赤 Green Red
黑 Black
黑赤 Black Red
黑白 Black White
若菜赤 Young Leaves Red
庆 Gray
橙 Orange
茶 Brown
VI020-2CJP、 EX)

YOOK3762
n\U Tl 、3DH
JYAn nuυ·【MlEZ口要川主阳、、,.,,
4···· ,,E、、
.VA 「E
nU MN 飞IJ「E1ωfi、nb「EW瓜、nk
v'VHU 目盯俗凹
J 飞、y 于 1) Fi g. 19
BATTERY
t:-~ Fig.24
HEATER
!R:/;本γ 卡 Fig. 51 , 52
BONNET
乡f 夕卡 Fig.53
DUCT
作勤油~:/夕 Fig.83
HYD. OIL TANK
量名板 Fig. 1~5
LABEL
安全铭板 Fig.6~ 1O
SAFETY LABEL
付属品 Fig.11
ACCESSORY
改装斗、y 卡 Fig. 109~115
KIT PARTS FOR REMODEL
Fig.12
SUCTION PIPE & EXHAUST PIPE
工:/:/:/~勺〉卡 Fig.15
ENGINE MOUNT
予:/工-~ & ~勺:/卡 Fig.16
RADIATOR & MOUNT
燃料~:/夕 Fig.17
FUEL TANK
燃料川 4 -:J F i g. 18
FUEL LINE
7- .b. Fig. 100~102
ARM
/\与7 、y 卡 7- .b. & 1) :/夕
Fig.103
BUCKET ARM & LINK
/\与7 、y 卡t:::/ Fig. 107
BUCKET PIN
少 γ ← ν1) :/
BUCKET CYLINDER
tγ 于三" 1) :/乡t Fig. 70
HITCH CYLINDER
夕 4γ 夕 tγ 子 Fi g. 104
QUICK HITCH
年气./巨予 :/-:J Fig.23
CANOPY LAMP
年气.t::':/ Fig.54~58
CABIN
年气./巨 Fig. 59 , 60
CANOPY a斗σb「「lνqutJl」1书」旺gd「F」ttnHHE-dn川u「「nur「
TI--dHn
IVAHynu tJnHHuaHU 它且多mhJ证、JE7削7川後md
左
LEFT
口号Tγ 卡&口一予 Fig.25
SPROCKET & ROLLER
74 t-:'予 &7:/ 气'又卡 Fig.26
IDLER & ADJUST
夕口一予 Fig.27
CRAWLER
操辙装置 Fig. 28~36
CONTROL EQUIPMENT
1) 毛:::]://\}\..-'7' Fig.80 , 81
REMOTE CONTROL VALVE
:::]:/卡口-}\..-自己管 F i g. 93~96
CONTROL PIPING
IC
:::]:/卡口-}\..-/\}\..-'7'台 Fig.37
CONTROL VALVE PLATE
旋回"71/-.b. Fig. 38
TURNING FRAME
走行"71/-.b.&旋田'父 7
1
) :/夕、 Fig.39
TRACK FRAME & TURNING BEARING
力/\- Fig. 40~44
COVER
又于 γ -:J Fig. 45 , 46
STEP
HYD.OIL PUMP & JOINT
旋回毛-~ Fig.72
TURNING MOTOR
又 4 Ä}\..-:/ 3 4 :/卡 Fig.73
SWIVEL JOINT
:::]:/卡口-}\..-/\}\..-'7' Fig. 74~79
CONTROL VALVE
口-~ 1)/\}\..- '7' Fig.82
ROTARY VALVE
逮隔夕、 1) _:/:/夕、 Fig.97
GREASING
V I 020-2 (JP , EX)

YOOK3762
俗目次 (2 ) ……·油压国保
PICTURESQUE INDEX(2) . . . HYDRAULIC SECTION
油压配管 F i g. 84~92
HYD. OIL PIPING
:::]:/卡口-)\..-自己管 F i g. 93~96
CONTROL PIPING
Y- .b.:/ 1) :/乡t Fig. 65
ARM CYLINDER
油压 if-:/-:I&轴融手 Fig. 61 , 62
HYD. OIL PUMP & JOINT
作勤油~:/夕 Fig.83
HYD. OIL TANK
又 4:/ 夕、三,, 1) :/乡t Fig. 68
SWING CYLINDER
7、-.b.:/ 1) :/多 Fig. 63 , 64
BOOM CYLINDER 後md
左
LEFT
:::]:/卡口 -)\..-/\)\,,-"7' Fig. 74~79
CONTROL VALVE
VI020-2(JP , EX)

YOOK3762
俗目次 (3 ) …填目别
PICTURESQUE INDEX(3) . . . FIGURE
4 童名板(年忧心:;) (JP)
F i g. I LABEL (CAB I N) (JP)
且同国一
气←川咽,
口1\j il
可二飞 D
且险E
EIHa
且~卜 ~I ~
曰卫自
口、王]
E 世
tfLè Q 口且
n 童名板 (ROPS轩 Jn (JP)
F i g. ù LABLE (ROPS CANOPY) (JP)
rf1 D~
11 11" q........{1 "C~
卫 监革王
己
C二3 口口旦旦丁月川R且川自/口-f
白 r C!íω
立古
已 !J 』 EJ
「 铭板(轩Jt
O
) (EX)
FigυLABEL (CANOPY) (EX)
i飞♀主 E
l..Lf-l'1\j db 仨:币汇1
日 O~ 它已U
口口,---; 飞、
L---"'口
叫且也
此 TJT
口口口口口口口
口口二口口口
口口口二口口口
」阳电可 E
êl~ 且 EE
G~ 己 F
口口口口口口口
口口口口口
口口口〔古
口~f--, I t:::ol D
国自昌 h
Y Lê El 11
8 安全铭板 (ROPS 柯Jn (JP)
口门口口口口口
口口口口口
口二口口 F
D ~HI 也→「凹
凸 ~8 咀
1 8 旦a
1/10 Hn、jnun「
Tltd
)|( n「Hn
EJu rkMu lJnU ZTtl 川JHHU护」nuLHJf飞川JF←」
dEtL 巾'nD
rkAH 板L铭刊全目安u
nud σb「「
[J斗回
坦白
已 !J t
口口 DD\口己
口口口丁川口
二川口口己月口
!J~闪电主引
?自己吼:
也盯 ElJt
P
ijiEJ
Flg125FRZTTZP|PE
VI020-2(JP , EX)

YOOK3762
俗目次 (3 ) …填目别
PICTURESQUE INDEX(3) . . . FIGURE
7 夕它 J t..-
F i g. 1 3 ÁCéELERATOR
'J"/多 γ 子于、它 J t..- (才7。汩:;)
Flg14oNE TOUCH DECEL(OPT|ONAL
Fig.15 前副司川
Fig.16 币;再节日川
Flg17Eii 气品f
Fig.19 试吕EJ
Flg2OEZZJ;tUJ|R|NG)
2/10
Flg215ZZJF击iT(EQU|PMENT)
年气./巨予 "/-:J
F i g. 23 ëANOPY LÁMP
\
VI020-2(JP , EX)

YOOK3762
俗目次 (3 ) …填目别
PICTURESQUE INDEX(3) . . . FIGURE
又7 口号7 、y 卡&口一予
F i g. 25 SP RoCKET& 'ROLUR
74 t-:'"5 &7::/ 气'又卡
Fig. 26 ÎOL'ER-{ ÅDJUsT
Flg273AEF
Fig.29 操常喜- & ^~/~") (左)
CONTROL EQUIPMENT(LOCK
LEVER & STANO) (LEFT)
、\
F 辙装置
Flg3O R (走行 ~/\" - & IJ/' J台)
CONTROL EQUIPMENT(TRAVEL
LEVER & LINK STANO)
、
3/10 、jtL
HWAA
nu earTlF←」。MNn「八F」心MmnULHJnμtum川
VJtltl ,
qHUWW
TAnun- ,l、Ftrt置L装阳辙町操∞
nJ nJ σb「「
VI020-2(JP , EX)
You're Reading a Preview
What's Included?
Fast Download Speeds
Online & Offline Access
Access PDF Contents & Bookmarks
Full Search Facility
Print one or all pages of your manual
$31.99
Viewed 44 Times Today
Loading...
Secure transaction
What's Included?
Fast Download Speeds
Online & Offline Access
Access PDF Contents & Bookmarks
Full Search Facility
Print one or all pages of your manual
$31.99
This parts catalog provides comprehensive coverage of the parts for the Yanmar VIO20-2 crawler-backhoe model. It includes the following sections:
- I(Vehicle) VIO20-2 20501 -
- II(Engine) 3TNE74-ENBV N04801 -
This manual is of high quality, with printable pages and is instantly accessible without any shipping costs or the need to wait for a CD-ROM. The file format is in English and compatible with all versions of Windows & Mac, requiring Adobe Reader for access.