TB045 Book No.PK2-102Z5 S/N 1455001-1456876
Index
Ref. Index Page 0
TB045
Book No. PK2-102Z5
Serial No. 1455001-1456876
1
6
8
3
4
10
5
2
Index
Item Part number Description Q'ty Chan. Serial No. Serv. Remarks
1 UNDERCARRIAGE
2 TURNTABLE & CONTROL LEVER
3 ENGINE & ELECTRICAL SYSTEM
4 HYDRAULIC PIPNG & TANK
5 COVER & CAB
6 HOE ATTACHMENT
7 DECAL & TOOL
8 HYDRAULIC DEVICE
10 ENGINE(3TN100L-TBZ)
2008.1.24
Reference:Index Page:0
TB045 Book No.PK2-102Z5 S/N 1455001-1456876
LOWER FRAME
23 21
22
22
14 19 16
16
17
17
26
13
15
6
6
6
8
8
8
18
24
24
24
4
4
1
9
10
3
25
7
5
12
12 11
11
20
2
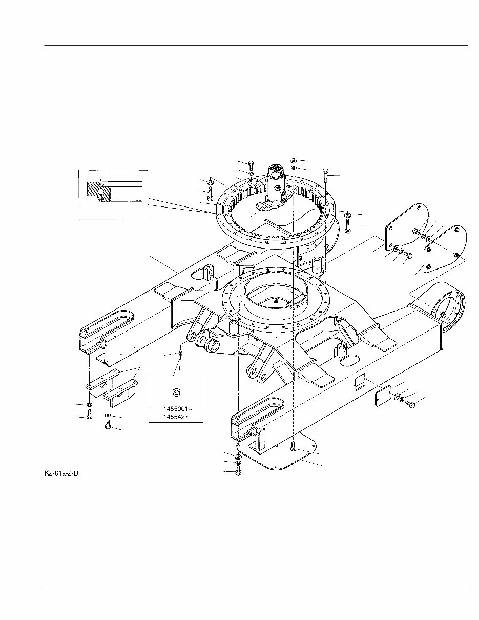
Ref K2-01a-2-D Page 1-3
LOWER FRAME
Item Part number Description Q'ty Chan. Serial No. Serv. Remarks
1 X 0461003100 FRAME 1 1455001~1456564
X 0391003100 FRAME 1 1456565~
2 0461000800 COVER 1
3 0461000900 COVER 2
4 0211035700 COVER 2
5 1100040816 BOLT 4
6 1100041020 BOLT 12
7 1140020008 WASHER, spring 4
8 1140020010 WASHER, spring 12
9 1508800010 CAP 1 1455001~1455427
1508710010 PLUG 1 1455428~
10 0461000700 GUIDE 4
11 1101041230 BOLT 12
12 1140020012 WASHER, spring 12
13 1913003500 BEARING, slew 1
14 1913003508 SEAL 1
15 1913003509 SEAL 1
16 1101051680 BOLT 40 1455001~1455625
1101051680 BOLT 39 1455626~
17 1141540016 WASHER 20
18 1904006300 JOINT, swivel 1
19 0442100100 STOPPER 1
20 1101051245 BOLT 4
21 1101051240 BOLT 2
22 1140010012 WASHER, spring 6
23 1130550012 NUT 4
24 1141110010 WASHER 12
25 1141110008 WASHER 4
26 0392000100 BOLT 1
K201a3L
Reference:K2-01a-2-D Page:1-3
TB045 Book No.PK2-102Z5 S/N 1455001-1456876
CRAWLER BELT
2 7
3
6
11
9
4
5
8
12
10
13
Ref K2-02a-0-D Page 1-4
CRAWLER BELT
Item Part number Description Q'ty Chan. Serial No. Serv. Remarks
1 1914051300 BELT ASSY, crawler 2 steel, 380wide
2 1914039001 LINK (R.H.) 37
3 1914039002 LINK (L.H.) 37
4 1914039003 LINK, master (R.H.) 1
5 1914039004 LINK, master (L.H.) 1
6 1914039012 BUSHING 38
7 1914039006 PIN, track 37
8 1914039007 PIN, master 1
9 1914039008 PIN 1
10 1914039009 BOLT 152
11 1914033010 NUT 152
12 1914051311 PLATE, shoe 38
13 1914065000 BELT ASSY, crawler 2 1455001~1456564 rubber
1914065200 BELT ASSY, crawler 2 1456565~ rubber, short pitch
K202a2L
Reference:K2-02a-0-D Page:1-4
TB045 Book No.PK2-102Z5 S/N 1455001-1456876
CRAWLER BELT; WIDE
2
6
6
3
8 11
9
4
5
12
10
7
Ref K2-61a-0-D Page 1-5
CRAWLER BELT; WIDE
Item Part number Description Q'ty Chan. Serial No. Serv. Remarks
1 1914051400 BELT ASSY, crawler 2 steel, 460wide
2 1914039001 LINK (R.H.) 37
3 1914039002 LINK (L.H.) 37
4 1914039003 LINK, master (R.H.) 1
5 1914039004 LINK, master (L.H.) 1
6 1914039012 BUSHING 38
7 1914039006 PIN, track 37
8 1914039007 PIN, master 1
9 1914039008 PIN 1
10 1914039009 BOLT 152
11 1914033010 NUT 152
12 1914051411 PLATE, shoe 38
K261a1L
Reference:K2-61a-0-D Page:1-5
TB045 Book No.PK2-102Z5 S/N 1455001-1456876
CARRIER ROLLER
12
11
4
6
9
7
7
3
2
8
5
10
Ref Z6-03a-0-D Page 1-6
You're Reading a Preview
What's Included?
Lifetime Access
Access PDF Contents & Bookmarks
Print one or all pages of your manual