TB016 (P-TB016BBB) Book No. BD4Z105-1 S/N 11610001-
Index
Ref. 0 Page 0
TB016
Book No.BD4Z105-1
Serial No.11610001-
6
3
5
10
8
1
2
4
INDEX
Item Part number Description Q'ty Chan. Serial No. Serv. Remarks
1 UNDERCARRIAGE
2 TURNTABLE & CONTROL LEVER
3 ENGINE & ELECTRICAL SYSTEM
4 HYDRAULIC PIPNG & TANK
5 COVER & CAB
6 HOE ATTACHMENT
7 DECAL & TOOL
8 HYDRAULIC DEVICE
10 ENGINE(3TNV70-STB)
2007.4.5
99 KITS, ATTACHMENTS & QUICK REFERENCE
Reference:0 Page:0
TB016 Book No. BD4Z105 S/N 11610001-
LOWER FRAME
21
1-4
1-4
1-5
1-5
1-3
9
10
1-6
1-2
1-1
18
18
15
13
13
7
3
3
20
20
8
17
17
12
12
19
19
16
16
11
11
6
2
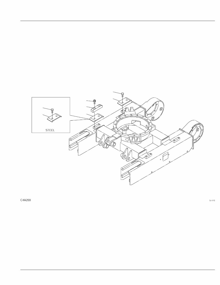
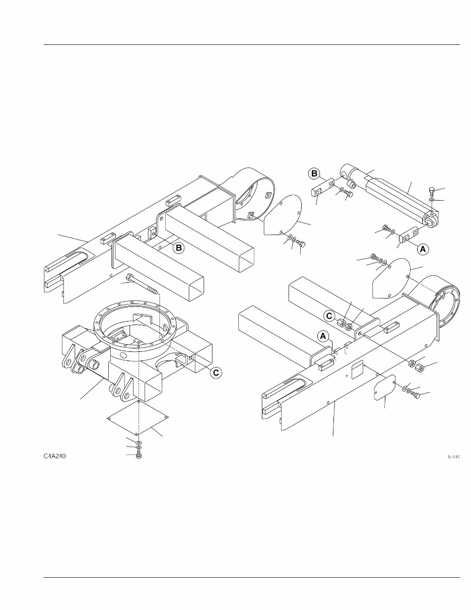
Ref C4A240 Page 1-1
LOWER FRAME
Item Part number Description Q'ty Chan. Serial No. Serv. Remarks
FRAME ASSY, lower X03310-34500-0
1 X ********** FRAME 1
1-1 X ********** BODY 1
1-2 X ********** FRAME (R.H.) 1
1-3 X ********** FRAME (L.H.) 1
1-4 1134821620 NUT 4
1-5 1130140016 NUT 4
1-6 0421013600 BOLT 2
2 0331033110 PLATE 1
3 0331021003 COVER 2
6 0331018600 COVER 2
7 0331010600 PIN 1
8 0331010700 PIN 1
9 0331034590 COVER 1
10 1100040616 BOLT 1
11 1100040816 BOLT 8
12 1100041020 BOLT 6
13 1101041440 BOLT 4
15 1140020006 WASHER, spring 1
16 1140020008 WASHER, spring 8
17 1140020010 WASHER, spring 6
18 1140020014 WASHER, spring 4
19 1141110008 WASHER 8
20 1141110010 WASHER 6
21 1900095400 CYLINDER, spanner 1
C4a240
Reference:C4A240 Page:1-1
TB016 Book No. BD4Z105 S/N 11610001-
SHOE SLIDE
3
3
1
1 1
4
2
Ref C4A200 Page 1-2
SHOE SLIDE
Item Part number Description Q'ty Chan. Serial No. Serv. Remarks
SHOE SLIDE ASSY (rubber) X03312-02000-0
SHOE SLIDE ASSY (steel) X03312-02100-0
1 0421013800 SLIDE, shoe 4
2 0331011200 GUIDE 2 rubber
3 1100041020 BOLT 4 rubber
1100041020 BOLT 8 steel
4 1110041030 SCREW, cap 4
C4a200
Reference:C4A200 Page:1-2
TB016 Book No. BD4Z105 S/N 11610001-
CRAWLER BELT
4
3
6
2
1
5
7
Ref C4A290 Page 1-3
CRAWLER BELT
Item Part number Description Q'ty Chan. Serial No. Serv. Remarks
0 1914302200 BELT ASSY, steel crawler 2 X19143-02200-0
1 1914302314 PLATE ASSY, master 1
2 1914302313 PLATE ASSY 34
3 1914050005 BUSHING 35
4 1914050006 PIN, track 34
5 1914050007 PIN, master 1
6 1914050008 PIN, coter 1
7 1914049500 BELT, rubber crawler 2
1914080500 BELT, rubber crawler 2 short pitch
C4a310
Reference:C4A290 Page:1-3
TB016 Book No. BD4Z105 S/N 11610001-
CRAWLER BELT (with rubber pads)
7
1
4
3
6
9
8
2
5
Ref C4A300 Page 1-4
You're Reading a Preview
What's Included?
Lifetime Access
Access PDF Contents & Bookmarks
Print one or all pages of your manual
Add to Cart
$31.99
$41.99