calcActive())">
KUBOTA KX41h kx41 Compact Excavator Parts Manual IPL
What's Included?
Fast Download Speeds
Online & Offline Access
Access PDF Contents & Bookmarks
Full Search Facility
Print one or all pages of your manual

Instructions for Parts Books
The heading at the top of the page will be the same for the picture of the parts at it is for the page with the part
numbers.
Definition of column headings on part number pages:
REF.No The number refering to the part on the picture page of the parts book.
Part No. The number assigned to this part at the time of printing the parts book.
Description Discription of part.
Q'ty Quanity of part used on that page.
S.No. Serial number range of the equipment that this part will fit.
>= Your serial number should be greater than or equal to the number shown.
<= Your serial number should be lesser than or equal to the serial number shown.
I/C Interchangeability of part shown.
The part shown will work for the older and later serial number.
# The part shown is not interchangable with the other serial number.
new for old
old for new
Remarks Notes about this particulart part. Sometimes this may say except [FR] or [CA]
Note about Country Codes:
The parts books we use in the United States of America may also contain information about a part that would be
different in another country. It is important that you are aware of the country codes in some instances.
Symbol Country
A United States of America
CA Canada
FR France
GR Greece
PO Portugal
AU Australia
If the remarks column says for example EXCEPT [FR] this part works in all countries except France.
That means it will work here in the USA.

|ALL PRODUCT INDEX
KX41H
Ref. KX41H Page 41033
BASIC ENGINE
AIR INTAKE SYSTEM
EXHAUST SYSTEM
FUEL SYSTEM
COOLING SYSTEM
ELECTRICAL SYSTEM
HYDRAULIC SYSTEM
FRONT ATTACHMENTS
TRUCK FRAME
SWIVEL FRAME
OPERATOR'S PLATFORM
ACCESSORIES

Ref. KX41H Page 41033
Item Part No. Description Book
BASIC ENGINE 01S001 CRANKCASE 100K0290
01S002 OIL PAN 100K0290
01S003 PISTON CRANKSHAFT 100K0290
01S004 MAIN BEARING CASE 100K0290
01S005 CAMSHAFT 100K0290
01S006 CYLINDER HEAD 100K0290
01S007 VALVE ROCKER ARM 100K0290
01S008 CYLINDER HEAD COVER 100K0290
01S009 GEAR CASE 100K0290
FUEL SYSTEM 01S013 NOZZLE HOLDER GLOW PLUG 100K0290
01S01401 NOZZLE HOLDER (COMPONENT PARTS) 100K0290
01S01402 NOZZLE HOLDER (COMPONENT PARTS) 100K0290
01S01501 SPEED CONTROL PLATE 100K0290
01S01502 SPEED CONTROL PLATE 100K0290
01S016 STOP SOLENOID 100K0290
01S017 GOVERNOR 100K0290
01S018 INJECTION PUMP CAMSHAFT (1) 100K0290
01S01901 INJECTION PUMP (COMPONENT PARTS) 100K0290
01S020 INJECTION PUMP CAMSHAFT (2) 100K0290
ELECTRICAL SYSTEM 01S028 FLYWHEEL STARTER 100K0290
01S02901 STARTER (COMPONENT PARTS) 100K0290
01S02902 STARTER (COMPONENT PARTS) 100K0290
01S03001 DYNAMO EXCEPT [KTA] 100K0290
01S031 DYNAMO (COMPONENT PARTS) 100K0290
BASIC ENGINE 01S010 ENGINE BRACKET 100K0290
AIR INTAKE SYSTEM 01S01101 AIR CLEANER INLET MANIFOLD EXCEPT [KTA] 100K0290
EXHAUST SYSTEM 01S012 MUFFLER EXHAUST MANIFOLD 100K0290
FUEL SYSTEM 01S021 ACCEL LEVER 100K0290
01S022 FUEL PIPING 100K0290
01S023 FUEL TANK 100K0290
COOLING SYSTEM 01S024 WATER FLANGE 100K0290
01S025 WATER PUMP 100K0290
01S026 RADIATOR 100K0290
01S027 WATER PIPE 100K0290
ELECTRICAL SYSTEM 01S032 BATTERY 100K0290
01S033 REGULATOR HORN 100K0290
01S034 SWITCH METER 100K0290
01S035 ELECTRICAL WIRING 100K0290
HYDRAULIC SYSTEM 01S036 PUMP HOUSING 100K0290
01S037 GEAR PUMP & COMPONENT PARTS 100K0290
01S038 DRIVE MOTOR & COMPONENT PARTS 100K0290
01S039 SWIVEL MOTOR & COMPONENT PARTS 100K0290
01S040 ROTARY JOINT 100K0290
01S041 OIL TANK 100K0290
01S04201 CONTROL VALVE (1) EXCEPT [KTA] 100K0290
01S043 CONTROL VALVE (1) (COMPONENT PARTS) 100K0290
01S04401 SPOOL SECTION (BUCKET) 100K0290
01S04402 SPOOL SECTION (BOOM) 100K0290
01S04403 SPOOL SECTION (TRAVEL RH) 100K0290
01S04404 SPOOL SECTION 100K0290
01S04405 SPOOL SECTION (ARM) 100K0290
01S04406 SPOOL SECTION (TRAVEL LH) 100K0290
01S04407 SPOOL SECTION (S/P) 100K0290
01S045 CONTROL VALVE (3) 100K0290
01S046 CONTROL VALVE (3) (COMPONENT PARTS) 100K0290
01S04701 SPOOL SECTION (SWIVEL) 100K0290
01S04702 SPOOL SECTION (SWING) 100K0290
01S04703 SPOOL SECTION (BLADE) 100K0290
01S048 CONTROL LEVER (FRAME) 100K0290

Ref. KX41H Page 41033
Item Part No. Description Book
HYDRAULIC SYSTEM 01S049 CONTROL LEVER (BOX LH) 100K0290
01S050 CONTROL LEVER (LEVER LH-1) 100K0290
01S051 CONTROL LEVER (LEVER LH-2) 100K0290
01S052 CONTROL LEVER (BOX RH) 100K0290
01S053 CONTROL LEVER (LEVER RH-1) 100K0290
01S054 CONTROL LEVER (LEVER RH-2) 100K0290
01S055 CONTROL LEVER (TRAVEL LH) 100K0290
01S056 CONTROL LEVER (TRAVEL RH) 100K0290
01S057 CONTROL LEVER (SAFETY LOCK LEVER) 100K0290
01S058 CONTROL PEDAL (SWIVEL/SWING CHANGE) 100K0290
01S059 CONTROL LEVER (BLADE) 100K0290
01S060 CONTROL LEVER (S/P) 100K0290
01S061 OIL PIPING (THIRD LINE) 100K0290
01S062 OIL PIPING (SUCTION DELIVERY) 100K0290
01S06301 OIL PIPING (HYDRAULIC PORT) 100K0290
01S06302 OIL PIPING (HYDRAULIC PORT) 100K0290
01S06401 OIL PIPING (RETURN C/V TANK) EXCEPT [KTA] 100K0290
01S06501 OIL PIPING (OIL COOLER) EXCEPT [KTA] 100K0290
01S066 OIL PIPING (TRAVEL LH) 100K0290
01S067 OIL PIPING (TRAVEL RH) 100K0290
01S06801 OIL PIPING (SWIVEL) EXCEPT [KTA] 100K0290
01S069 OIL PIPING (SWING) 100K0290
01S070 OIL PIPING (BOOM) 100K0290
01S071 OIL PIPING (ARM) 100K0290
01S072 OIL PIPING (BUCKET) 100K0290
01S073 OIL PIPING (BLADE) 100K0290
01S074 OIL PIPING (CUSHION) 100K0290
01S075 OIL PIPING (S/P) 100K0290
01S076 BOOM CYLINDER & COMPONENT PARTS 100K0290
01S077 ARM CYLINDER & COMPONENT PARTS 100K0290
01S078 BUCKET CYLINDER & COMPONENT PARTS 100K0290
01S079 BLADE CYLINDER & COMPONENT PARTS 100K0290
01S080 SWING CYLINDER & COMPONENT PARTS 100K0290
FRONT ATTACHMENTS 01S081 SWING BRACKET 100K0290
01S082 BOOM 100K0290
01S083 CYLINDER COVER (BOOM) 100K0290
01S084 ARM 100K0290
01S085 BUCKET LINK 100K0290
01S086 BUCKET 100K0290
01S087 BLADE 100K0290
TRUCK FRAME 01S088 TRUCK FRAME 100K0290
01S089 IDLER 100K0290
01S090 TRUCK ROLLER 100K0290
01S091 CRAWLER 100K0290
SWIVEL FRAME 01S092 SWIVEL FRAME 100K0290
01S093 SWIVEL BEARING 100K0290
01S094 FLOOR PLATE 100K0290
01S095 BONNET 100K0290
01S09602 SPONGE (1) [KTC KCL KTA] 100K0290
01S097 SPONGE (2) 100K0290
01S098 WEIGHT 100K0290
OPERATOR'S PLATFORM 01S09902 CANOPY (ROPS) [KTC KCL KTA] 100K0290
01S100 INSTRUMENT PANEL 100K0290
01S10103 SEAT [KTC KCL KTA] [COSTA-RICA ECUADOR
TURKISHREF]
100K0290
01S102 LIGHT 100K0290
01S10302 LABEL [KTC KCL KTA] 100K0290
ACCESSORIES 01S104 ACCESSORIES 100K0290

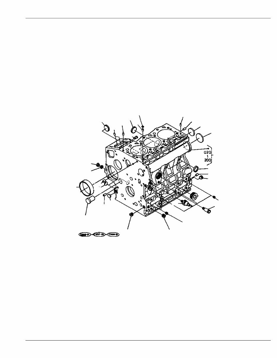
CRANKCASE
Reference: 01S001 Page: 1
010
020
020
030
040
050
060
060 060
070
080
080
090
100
110
110
120
120
130
130
140
150
160
170
180
190
200
210
220
230

CRANKCASE
Reference: 01S001 Page: 1
REF.No Part No. Description Q'ty S.No. I/C REMARKS Weight
(kgf)
Weight
(lb)
010 16265-01012 COMP.CRANKCASE 1 <=425160 0 0
010 16265-01015 COMP.CRANKCASE 1 >=425161 ← 31.5 69.3
010 16613-01010 COMP.CRANKCASE 1 >=559356 ← 31.47 69.234
020 15451-96270 CAP SEALING 4 0.012 0.0264
030 15221-03490 CAP SEALING 1 0.02 0.044
040 15261-96010 PLUG 3 0.002 0.0044
050 16683-96020 PLUG 1 0.47 1.034
060 16241-96010 PLUG 3 0.007 0.0154
070 15521-96020 PLUG 2 0.003 0.0066
080 06311-75018 PLUG 3 <=308554 0.004 0.0088
080 17391-96160 PLUG 3 >=308555 ← 0.003 0.0066
090 16271-96160 PLUG 1 0.025 0.055
100 05012-00508 PIN STRAIGHT 2 0.001 0.0022
110 05012-00814 PIN STRAIGHT 2 0.006 0.0132
120 05012-00610 PIN STRAIGHT 2 0.003 0.0066
130 15231-33960 PIN PIPE 2 0.001 0.0022
140 16241-33650 PIN PIPE 1 0.002 0.0044
150 16241-96260 PLUG 1 0 0
160 16261-56280 PIN START SPRING 1 0.004 0.0088
170 16282-96010 PLUG 1 0.09 0.198
180 16271-55350 BUSH GOVERNOR GEAR 1 0.06 0.132
190 15221-33610 PLUG 1 0.009 0.0198
200 15021-33660 GASKET 1 0.001 0.0022
210 15221-33700 O RING 1 0.001 0.0022
220 15321-73340 PIPE WATER RETURN 1 0.016 0.0352
230 15531-39010 SWITCH OIL 1 0.032 0.0704

OIL PAN
Reference: 01S002 Page: 2
010
020
030
040
050
060
070
080
090
100
110
120

OIL PAN
Reference: 01S002 Page: 2
REF.No Part No. Description Q'ty S.No. I/C REMARKS Weight
(kgf)
Weight
(lb)
010 16204-01610 OIL PAN 1 3.6 7.92
020 16261-01620 GASKET OIL PAN 1 <=534271 0 0
020 16261-01630 GASKET OIL PAN NA 1 >=534272 ← 0.001 0.0022
030 01023-50618 BOLT 22 0.006 0.0132
040 15221-33750 PLUG 1 0.032 0.0704
050 15109-33660 GASKET 1 0.001 0.0022
060 16261-32110 FILTER OIL 1 <=534271 0 0
060 16261-32113 FILTER OIL 1 >=534272 ← 0 0
070 01123-50816 BOLT 1 0 0
080 04814-00160 O RING 1 0.001 0.0022
090 16204-36410 GAUGE OIL 1 0 0
100 16282-36420 GUIDE OIL GAUGE 1 <=425160 0.11 0.242
100 16282-36500 ASSY GUIDE OIL GAUGE 1 >=425161 ≠ 0.11 0.242
110 01123-50814 BOLT 1 0 0
120 04814-00090 O RING 1 >=425161 0.001 0.0022

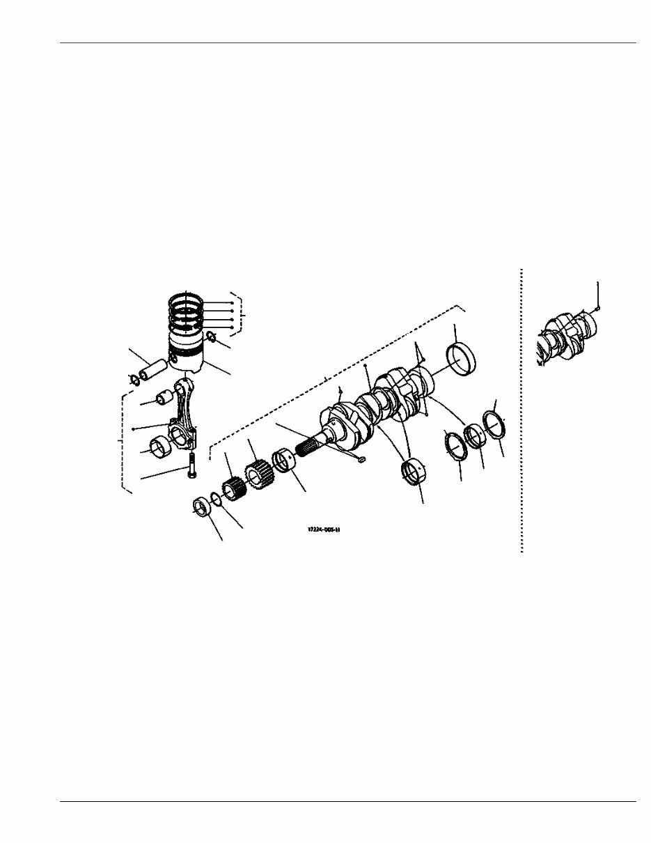
PISTON CRANKSHAFT
Reference: 01S003 Page: 3
010
020
030 040
040
050
060
070
080
090
100
110
110
120
130
140
150
160
170
180
190
200
210
210
220
220

PISTON CRANKSHAFT
Reference: 01S003 Page: 3
REF.No Part No. Description Q'ty S.No. I/C REMARKS Weight
(kgf)
Weight
(lb)
010 16281-21110 PISTON 3 <=489915 STD 0 0
010 16060-21110 PISTON 3 >=489916 ← STD 0.4 0.88
010 16281-21910 PISTON 3 <=489915 +0.5MM 0 0
010 16060-21910 PISTON 3 >=489916 ← +0.5MM 0.415 0.913
020 16261-21050 ASSY PISTON RING 3 STD 0.042 0.0924
020 16261-21090 ASSY PISTON RING 3 +0.5MM 0.05 0.11
030 16241-21310 PIN PISTON 3 0.135 0.297
040 16241-21330 CIR CLIP PISTON PIN 6 0.002 0.0044
050 16241-22012 ASSY CONNECTING ROD 3 0.545 1.199
060 16241-21980 BUSH PISTON PIN 3 0.03 0.066
070 16241-22140 BOLT CONNECTING ROD 6 0.024 0.0528
080 16241-22310 METAL CRANKPIN 3 SET STD 0.038 0.0836
080 16241-22970 METAL CRANKPIN 1 SET -0.2MM 0.08 0.176
080 16241-22980 METAL CRANKPIN 1 SET -0.4MM 0.1 0.22
090 16265-23010 COMP.CRANKSHAFT 1 <=482630 0 0
090 16265-23013 COMP.CRANKSHAFT 1 >=482631 → 8.2 18.04
100 05012-00508 PIN STRAIGHT 1 <=482630 0.001 0.0022
110 07715-00401 BALL 3 0.001 0.0022
120 16241-24110 GEAR CRANKSHAFT 1 0.15 0.33
130 16271-95230 KEY 1 0.005 0.011
140 16241-35630 GEAR OIL PUMP DRIVE 1 0.102 0.2244
150 16241-23280 SLEEVE CRANKSHAFT 1 0.06 0.132
160 16241-23250 COLLAR CRANKSHAFT 1 0.05 0.11
170 15667-96750 O RING 1 0.02 0.044
180 16241-23470 METAL CRANKSHAFT 1 STD 0.06 0.132
180 16241-23910 METAL CRANKSHAFT 1 -0.2MM 0.03 0.066
180 16241-23920 METAL CRANKSHAFT 1 -0.4MM 0.068 0.1496
190 16241-23480 METAL CRANKSHAFT 2 SET STD 0.05 0.11
190 16241-23930 METAL CRANKSHAFT 2 SET -0.2MM 0.1 0.22
190 16241-23940 METAL CRANKSHAFT 2 SET -0.4MM 0.05 0.11
200 16241-23490 METAL CRANKSHAFT 1 SET STD 0 0
200 16241-23860 METAL CRANKSHAFT 1 SET -0.2MM 0.1 0.22
200 16241-23870 METAL CRANKSHAFT 1 SET -0.4MM 0.068 0.1496
210 15521-23530 METAL SIDE 2 STD 0.01 0.022
210 15521-23950 METAL SIDE 2 +0.2MM 0.01 0.022
210 15521-23960 METAL SIDE 2 +0.4MM 0.01 0.022
220 19202-23540 METAL SIDE 2 STD 0.01 0.022
220 19202-23970 METAL SIDE 2 +0.2MM 0.01 0.022
220 19202-23980 METAL SIDE 2 +0.4MM 0.01 0.022
You're Reading a Preview
What's Included?
Fast Download Speeds
Online & Offline Access
Access PDF Contents & Bookmarks
Full Search Facility
Print one or all pages of your manual
$31.99
Viewed 88 Times Today
Loading...
Secure transaction
What's Included?
Fast Download Speeds
Online & Offline Access
Access PDF Contents & Bookmarks
Full Search Facility
Print one or all pages of your manual
$31.99
This comprehensive manual provides detailed information on all parts for the Kubota model listed in the title. It includes exploded views that cover every component, including nuts and bolts. Whether you are a professional mechanic or a DIY enthusiast, this manual is an invaluable resource for all your repair and maintenance needs.