calcActive())">
Hyundai Crawler Excavator R55-3 Complete Workshop Service Repair Manual
What's Included?
Fast Download Speeds
Offline Viewing
Access Contents & Bookmarks
Full Search Facility
Print one or all pages of your manual
Viewed 57 Times Today
Secure transaction
What's Included?
Fast Download Speeds
Offline Viewing
Access Contents & Bookmarks
Full Search Facility
Print one or all pages of your manual
$41.99
Thank you for considering this comprehensive Service Repair Workshop Manual for the Hyundai Crawler Excavator R55-3.
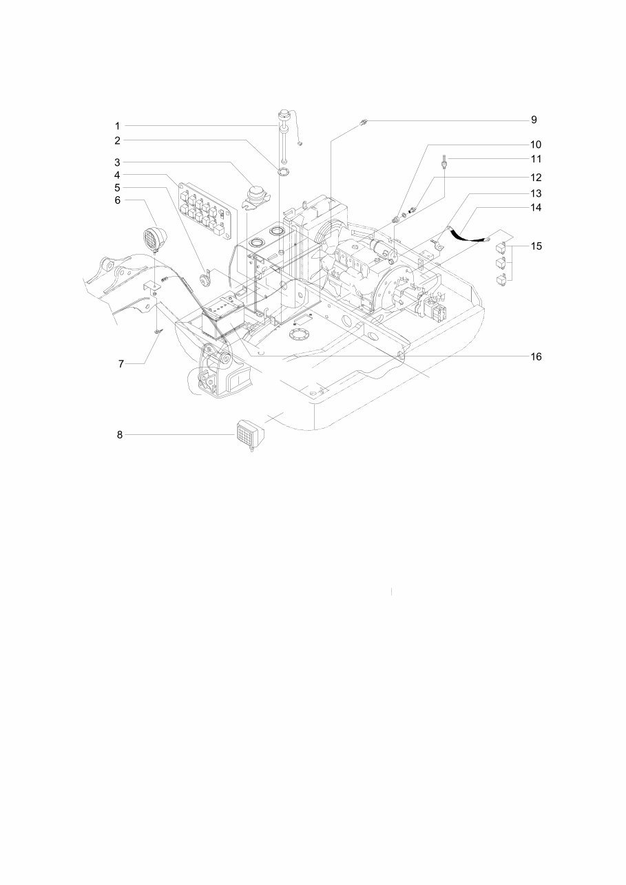
This manual is an invaluable resource covering every Service & Repair Procedure, designed to save you significant costs by enabling you to perform your own repairs. It provides easy-to-follow, step-by-step instructions and detailed images for all servicing and repairs, making any job manageable.
Upon acquisition, this manual becomes your permanent asset, allowing you to print individual pages, chapters, or the entire document. It is also compatible for viewing on tablets and smartphones.
MODELS COVERED:
- All Models/Engines/Trim/Transmissions Types Are Covered.
CONTENTS:
- This high-quality Service Repair Workshop Manual encompasses all repair procedures from A to Z, ensuring comprehensive coverage of every repair and service procedure.
COMPUTER REQUIREMENTS:
- This downloadable Manual is compatible with All PC & MAC Computers, tablets, and mobile phones. It only requires adobe reader, which is typically pre-installed on most computers or can be downloaded for free.
INSTANT DELIVERY:
- Upon payment via Visa, MasterCard, or PayPal, the manual will be instantly emailed to the address provided during checkout.
Customer Satisfaction Guaranteed.


