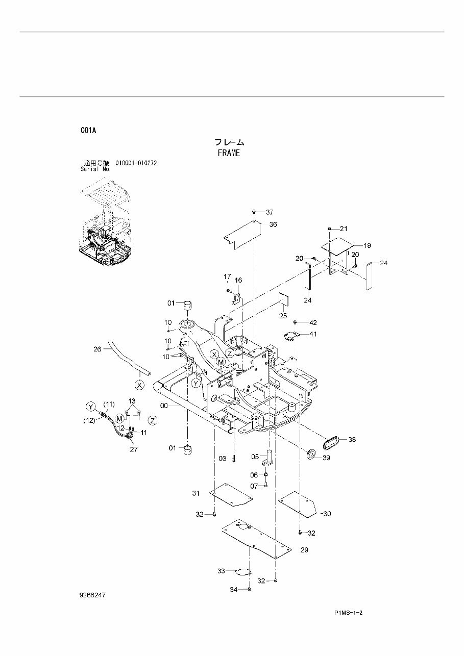
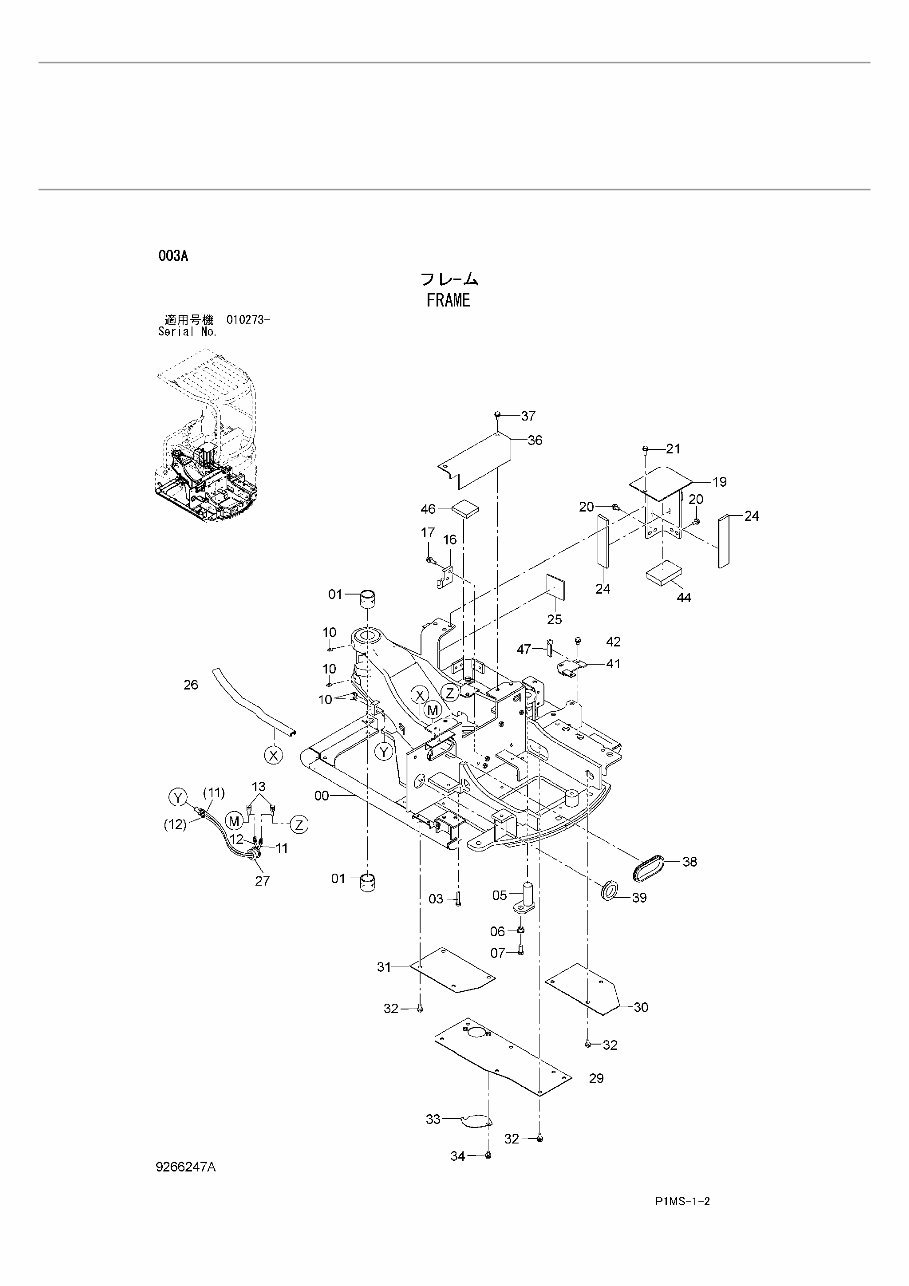
1MS ZX17U-2 \ P1MS-1-2 \ UPPERSTRUCTURE \ 003: FRAME Applicable Model Model Symbol Applicable S/N 010273 - NOT FOR REPRODUCTION
1MS ZX17U-2 \ P1MS-1-2 \ UPPERSTRUCTURE \ 005: COUNTER WEIGHT Applicable Model Model Symbol Applicable S/N 010001 - Code Part No. Qty Part name Service code Applied S/N range ICA Alternate Part No. Alternate part quantity 00 7051072 1 WEIGHT;COUNTER 01 J932070 3 BOLT 02 J222020 2 WASHER 03 4296301 4 PLUG 04 4403508 1 WASHER NOT FOR REPRODUCTION
1MS ZX17U-2 \ P1MS-1-2 \ UPPERSTRUCTURE \ 005: COUNTER WEIGHT Applicable Model Model Symbol Applicable S/N 010001 - NOT FOR REPRODUCTION
1MS ZX17U-2 \ P1MS-1-2 \ UPPERSTRUCTURE \ 006: ADD. COUNTER WEIGHT Applicable Model Model Symbol Applicable S/N 010001 - Code Part No. Qty Part name Service code Applied S/N range ICA Alternate Part No. Alternate part quantity 00 7051028 1 WEIGHT;COUNTER 02 J222016 2 WASHER 03 4296301 2 PLUG 04 J921604 2 BOLT NOT FOR REPRODUCTION
1MS ZX17U-2 \ P1MS-1-2 \ UPPERSTRUCTURE \ 006: ADD. COUNTER WEIGHT Applicable Model Model Symbol Applicable S/N 010001 - NOT FOR REPRODUCTION
1MS ZX17U-2 \ P1MS-1-2 \ UPPERSTRUCTURE \ 007: ENGINE Applicable Model Model Symbol Applicable S/N 010001 - Code Part No. Qty Part name Service code Applied S/N range ICA Alternate Part No. Alternate part quantity 00 4653452 1 ENGINE Z 00A 4661289 1 * FILTER;OIL Z 00B 4626338 1 * SWITCH;PRES. Z 00C 4669283 1 * FAN Z 00D 4669315 1 * BELT;V Z 00E 4626341 1 * SWITCH;THERMO Z 00F 4664832 1 * SENSOR;THERMO Z 00G 4664735 1 * STARTER Z 00H 4661285 1 * ALTERNATOR Z 00I 4626346 1 * SOLENOID Z 00J 4661286 3 * PLUG;HEATER Z 01 8105247 2 BRACKET 02 J271025 8 BOLT;SEMS D 02A J901025 1 * BOLT 02B J222010 1 * WASHER 05 4276374 4 STOPPER 06 4626818 4 PLATE 07 J222012 4 WASHER 08 J901200 4 BOLT 09 4276955 8 RUBBER NOT FOR REPRODUCTION
This parts catalog manual for the Hitachi ZX17U-2 excavator (Serial Number: 0010001 and up) includes detailed information on the following:
Upperstructure
Undercarriage
Front-end attachments
ETC
Tools
Name-plate
It is useful for both professional mechanics and DIY enthusiasts. The manual (Part Number: P1MS12) is in English and comes in a PDF format with a total of 384 pages. For any inquiries, feel free to reach out. Have a great day!
Recently Viewed
5,521,897Happy Clients
2,594,462eManuals
1,120,453Trusted Sellers
15Years in Business
Price:
Actual Price:
HITACHI ZX17U-2 Excavator Parts Catalog Manual ( Serial Number: 0010001 and up )