Doosan Daewoo Excavator V Series Electrical Hydraulic Schema
What's Included?
Lifetime Access
Fast Download Speeds
Online & Offline Access
Access PDF Contents & Bookmarks
Full Search Facility
Print one or all pages of your manual
Page 1 1EXCAVATOR - V SERIES TABLE OF CONTENTS Electrical Circuits Solar 010 ........................................................................................................ 5 Solar 015 ........................................................................................................ 6 Solar 015 PLUS (S/N 1001 thru 1157, 20001 thru 20065) ............................. 7 Solar 015 PLUS (S/N 20066 thru 30000) ...................................................... 8 Solar 015 PLUS / Solar 018-VT (S/N 30001 and Up) ..................................... 9 Solar 030 / 035 ............................................................................................. 10 Solar 030Plus / 035 ...................................................................................... 11 Solar 055 ...................................................................................................... 12 Solar 055-V PLUS (S/N 1001 thru 1200, 31201 thru 32135) ....................... 13 Solar 055-V PLUS (S/N 32136 and Up) ....................................................... 14 Solar 055W-V PLUS ..................................................................................... 15 Solar 075-V (S/N 1001 thru 1153) ................................................................ 16 Solar 075-V (S/N 1154 thru 1645) ................................................................ 17 Solar 75-V (S/N 1646 and Up) ...................................................................... 18 Solar 130LC-V .............................................................................................. 19 Solar 130W-V ............................................................................................... 20 Solar 140LC-V (S/N 1001 thru 1094) ........................................................... 21 Solar 140LC-V (S/N 1095 and Up) ............................................................... 22 Solar 140W-V / 160W-V ............................................................................... 23 Solar 170LC-V .............................................................................................. 24 Solar 170W-V ............................................................................................... 25 Solar 175LC-V .............................................................................................. 26 Solar 180W-V (S/N 1001 thru 1099) ............................................................. 27 Solar 180W-V (S/N 1100 and Up) ................................................................ 28 Solar 200W-V ............................................................................................... 29 Solar 210W-V (S/N 1001 thru 1409) ............................................................. 30 Solar 210W-V (S/N 1410 and Up) ................................................................ 31 Solar 220LC-V (S/N 1001 thru 2441) ........................................................... 32 Solar 220LC-V (S/N 2442 and Up) ............................................................... 33 Solar 220LL .................................................................................................. 34 Solar 225LC-V (S/N 1001 thru 1299) ........................................................... 35 Solar 225LC-V (S/N 1300 and Up) ............................................................... 36
Page 2 Solar 225LL .................................................................................................. 37 Solar 225NLC-V (S/N 1001 thru 1103) ......................................................... 38 Solar 225NLC-V (S/N 1104 and Up)............................................................. 39 Solar 250LC-V .............................................................................................. 40 Solar 255LC-V (S/N 1001 thru 1204) ........................................................... 41 Solar 255LC-V (S/N 1205 and Up) ............................................................... 42 Solar 290LC-V (S/N 1001 thru 2153) ........................................................... 43 Solar 290LC-V (S/N 2154 and Up) ............................................................... 44 Solar 290LL .................................................................................................. 45 Solar 300LC-V (S/N 1001 thru 2429) ........................................................... 46 Solar 300LC-V (S/N 2430 and Up) ............................................................... 47 Solar 300LL (S/N 1001 thru 1003) ................................................................ 48 Solar 300LL (S/N 1004 and Up) ................................................................... 49 Solar 330LC-V .............................................................................................. 50 Solar 340LC-V (S/N 1001 thru 1339) ........................................................... 51 Solar 340LC-V (S/N 1340 and Up) ............................................................... 52 Solar 400LC-V .............................................................................................. 53 Solar 420LC-V (S/N 1001 thru 1162) ........................................................... 54 Solar 420LC-V (S/N 1163 and Up) ............................................................... 55 Solar 450LC-V .............................................................................................. 56 Solar 470LC-V / 500 LC-V (S/N 1001 thru 1304) ......................................... 57 Solar 470LC-V / 500 LC-V (S/N 1305 and Up) ............................................. 58 Hydraulic Circuits Solar 010 ...................................................................................................... 60 Solar 015 ...................................................................................................... 61 Solar 015 PLUS (S/N 1001 thru 1157, 20001 thru 20065) ........................... 62 Solar 015 PLUS (S/N 20066 thru 30000) ..................................................... 63 Solar 015 PLUS (S/N 30001 and Up) ........................................................... 64 Solar 018-VT (S/N 30001 and Up)................................................................ 65 Solar 030 PLUS ............................................................................................ 66 Solar 035 ...................................................................................................... 67 Solar 055 (S/N 0001 thru 0525, 10001 thru 11340) ..................................... 68 Solar 055 (S/N 0526 and Up, 11341 and Up) ............................................... 69 Solar 055-V PLUS (S/N 1001 thru 1200, 31201 thru 32135) ....................... 70 Solar 055-V PLUS (S/N 32136 and Up) ....................................................... 71 Solar 055W-V PLUS ..................................................................................... 72
Page 3 Solar 075-V (Standard) (S/N 1001 thru 1645) .............................................. 73 Solar 075-V (Option) (S/N 1001 thru 1645) .................................................. 74 Solar 75-V (Standard) (S/N 1646 and Up) .................................................... 75 Solar 75-V (Optional) (S/N 1646 and Up) ..................................................... 76 Solar 130LC-V .............................................................................................. 78 Solar 130W-V ............................................................................................... 79 Solar 140LC-V .............................................................................................. 80 Solar 140W-V / 160W-V ............................................................................... 81 Solar 170LC-V (Old Style Center Joint) ........................................................ 82 Solar 170LC-V (New Style Center Joint) ...................................................... 83 Solar 170W-V (with Standard Boom)............................................................ 84 Solar 170W-V (with Articulated Boom) ......................................................... 85 Solar 175LC-V .............................................................................................. 86 Solar 180W-V (with Standard Boom)............................................................ 87 Solar 180W-V (with Articulated Boom) ......................................................... 88 Solar 200W-V ............................................................................................... 89 Solar 210W-V ............................................................................................... 90 Solar 220LC-V .............................................................................................. 91 Solar 220LL .................................................................................................. 92 Solar 225LC-V .............................................................................................. 93 Solar 225LL .................................................................................................. 94 Solar 225NLC-V............................................................................................ 95 Solar 250LC-V .............................................................................................. 96 Solar 255LC-V .............................................................................................. 97 Solar 290LC-V .............................................................................................. 98 Solar 290LL .................................................................................................. 99 Solar 300LC-V ............................................................................................ 100 Solar 300LL (S/N 1001 thru 1003) .............................................................. 101 Solar 300LL (S/N 1004 and Up) ................................................................. 102 Solar 330LC-V ............................................................................................ 103 Solar 340LC-V ............................................................................................ 104 Solar 400LC-V ............................................................................................ 105 Solar 420LC-V ............................................................................................ 106 Solar 450LC-V (Pedal Valve with Damper) ................................................. 107 Solar 450LC-V (with Simplified Swing Brake) ............................................. 108 Solar 470LC-V / 500LC-V ........................................................................... 109
Page 4 2ELECTRICAL CIRCUITS
Page 5 SOLAR 010 ELECTRICAL DIAGRAM DOOSAN INFRACORE NO. Model Solar 010 Name HAAE1650
Page 6 SOLAR 015 WIRING DIAGRAM DOOSAN INFRACORE NO. Solar 015 Name HKA1901I
Page 7 SOLAR 015 PLUS (S/N 1001 THRU 1157, 20001 THRU 20065) AKS1950L SOLAR 015 PLUS
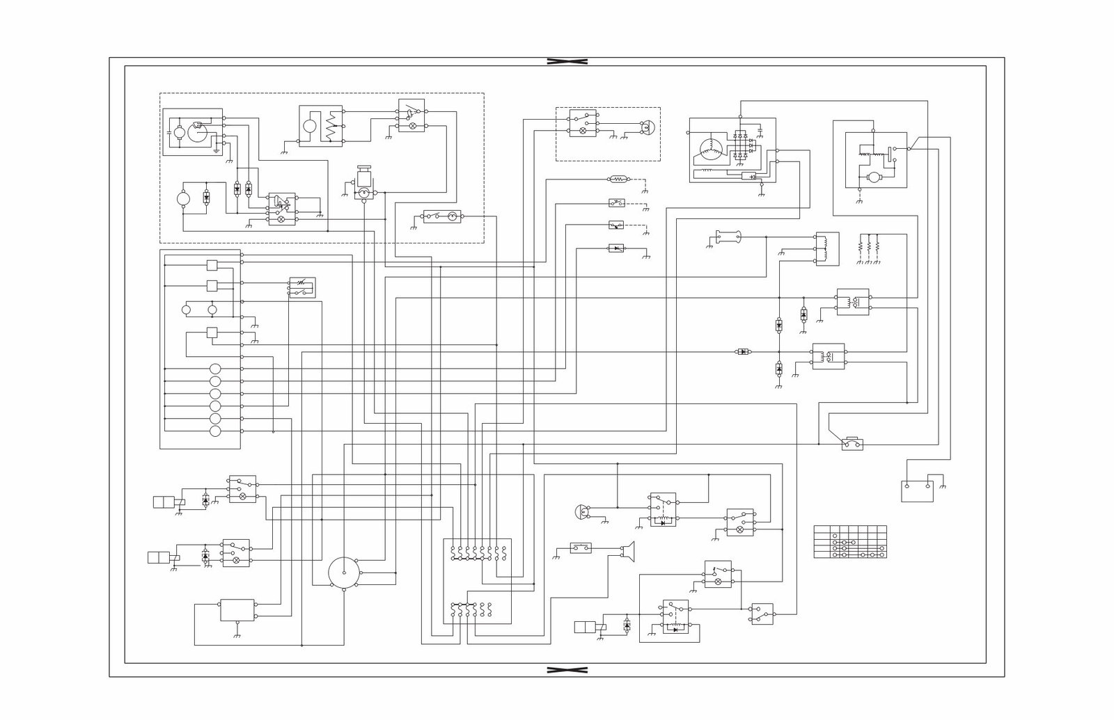
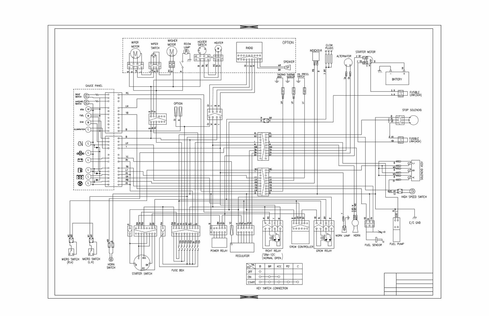
Page 8 SOLAR 015 PLUS (S/N 20066 thru 30000) BQS1770L SOLAR 015 PLUS D C STARTER RELAY (2544-1023) B PP 0.85LW 0.85LY ALTERNATOR WORKING +(2190-2036D5) (2549-9115) LAMP SWITCH DIODE3 FUEL PUMP E/G OIL PRESS. SW (2534-9068) FUEL SENSOR (547-00020) STARTER SWITCH (2549-1152) PREHEAT TIMER (537-00030) 1.25BW 3 1.25B BR 1.25BW 1 0.85LR 2 4 0.85LB 3WR (-) 0.85YW (L) 0.85YR (S) 0.85RG 0.85WR 0.85Y AVX 1.25RB 1.25W 0.85LR R1 ACC 3WR C R2 B 3BY 3BY 3W 20 1.25RW/0.85RY 0.85RB/0.5RB 15A 18 10 15A 9 15A 15A 20A 12 11 13 19 20A 14 FUSE BOX (2510-1008) 15 10A 0.85L 2 1 10A 0.85R 4 10A 3 10A 5 10A 2W 2WR 2WR 17 16 3WR 10A 7 6 10A 8 10A WORKING LAMP RELAY (2544-9032) HORN RELAY 0.85B (2516-1121) 0.5B HORN 85 WORKING LAMP (534-00029) 0.85RY 87a 87 0.85B 0.5B (ON JOSTICK R.H) HORN SWITCH 86 0.5Y 0.5RB 0.5YB 30 0.85RB (2544-9032) 85 86 0.5B 10 5 0.85RG 0.85RG 1.25RW 87a 87 30 AVX 0.85B AVX 0.85BW (2170-1003) INDICATOR 1.25BW 0.85B 1.25B 0.85LB (2916-9002A) WINDOW WASHER P + - DIODE5 0.85L 0.85LB DIODE4 WIPER MOTOR (538-00005) - M + 0.85LW 0.85B E S B P WIPER & WASHER SWITCH +(2190-2036D14) (2549-9114) 10 0.5B 0.85Y I 5 6 0 4 DIODE7 II 0.5WR 0.85B 9 7 0.85B 2 0.85L 0.85Y CABIN (OPTION) 0.5WR 0.85RG ROOM LAMP 0.5WR ILL 1.25W + - 0.85B E (545-00002) CIGAR LIGHTER B 10W 0.85WR HELLA (2RL006846-001) ROTATING BEACON ROTATING BEACON (OPTION) AVX 0.85L AVX 0.85YB AVX 0.85BY WATER TEMP.SWITCH WATER TEMP.SENSOR BEACON SWITCH (2549-9115) +(2190-2036D10) 9 ROTATING 5 10 0.5B 0.85B 7 1 0 I 0.85Or 12V/40A AVX 1.25R 1.25R H 0.5WR 0.85RW DIODE ASS'Y (2548-1027) : 7EA STARTER SWITCH CONNECTION 9 I 0 1 7 START OFF HEAT ON B R1 BR R2 C ACC AVX 5W CIRCUIT BREAKER (2544-1023) (2527-9004) 0.85B 5W 5W 5W (2506-9011) 12V 45AH BATTERY + - 20R 20B 5WR PREHEAT RELAY ENGINE STOP SOLENOID 0.85B 0.85BG DIODE2 DIODE6 0.85B D 0.85BG C 0.85B DIODE1 AVX 3B 5BY 2WR 0.85BY AVX 3W P COM PULL HOLD 5W AVX 5BW 5W B PP AVX 5Y GLOW PLUG AVX 3B AVX 1.25WG AVX 1.25RB AVX 5W 12V/1.2KW STARTER AVX 5BW M S AVX 5Y B (920-00095) HEATER (2) 0.85B (4) M (3) 0.85B 0.85B 0.85YR 0.85YG 0.85B PILOT CUT OFF SOLENOID VALVE SOLENOID VALVE HIGH SPEED 0.85B NC NO DIODE 9 0.85Y C PILOT CUT (2549-9139) OFF SWITCH 10 DIODE 8 0.5B 0 7 I 1 0.5WR 0.85Y 5 9 HIGH SPEED SWITCH (2549-9115) +(2190-2036D13) W CHARGE PREHEAT GAUGE PANEL (539-00063) L2 L6 8 9 AIR CLEANER ENG OIL PRESS WATER TEMP FUEL L4 L5 L3 L1 + HOUR METER FUEL GAUGE ILLUMINATION L7 H L8 + F - - U 5 2 11 (3) 7 (1) (2) 4 3 12 W/T GAUGE + U 10 6 +(2190-2584D5) HEATER SWITCH (549-00040) 3 10 II 9 6 0 I 2 (-) (+) (-) P (+) E 0.5uF L R B
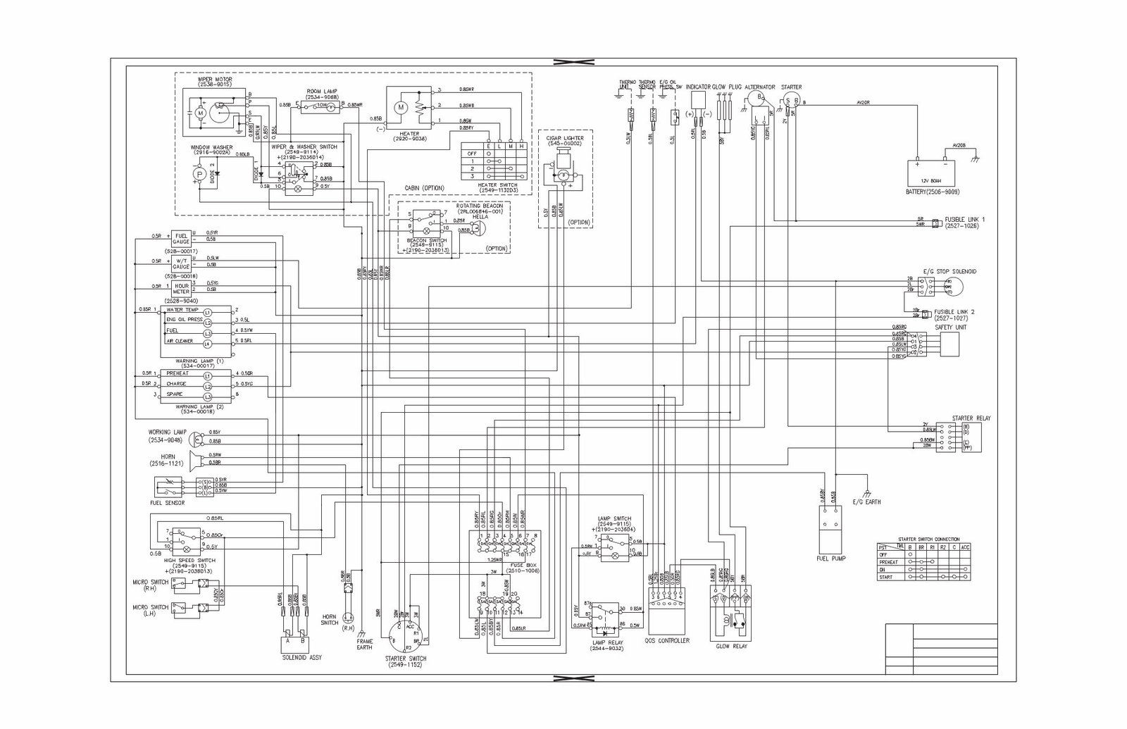
Page 9 SOLAR 015 PLUS / SOLAR 018-VT (S/N 30001 and Up) BTS0090L SOLAR 015 PLUS / SOLAR 018-VT D C STARTER RELAY (2544-1023) B PP 0.85LY (-) 0.85LW (920-00120) ALTERNATOR HEATER WORKING +(2190-2036D5) (2549-9115) LAMP SWITCH DIODE3 FUEL PUMP E/G OIL PRESS. SW (2534-9068) FUEL SENSOR (547-00020) STARTER SWITCH (2549-1152) PREHEAT TIMER (537-00030) 1.25BW 3 1.25B BR 1.25BW 1 0.85LR 2 4 0.85LB 3WR (-) 0.85YW (L) (S) 0.85RG 0.85WR 0.85Y AVX 1.25RB 1.25W 0.85LR R1 ACC 3WR C R2 B 3BY 3BY 3W 20 1.25RW/0.85RY 0.85RB 15A 18 10 15A 9 15A 15A 20A 12 11 13 19 20A 14 FUSE BOX (2510-1008) 15 10A 0.85L 2 1 10A 0.85R 4 10A 3 10A 5 10A 2W 2WR 2WR 17 16 3WR 10A 7 6 10A 8 10A WORKING LAMP RELAY (516-00009) HORN WORKING LAMP (534-00029) 0.85B 0.5B 0.5YB (2544-9032) 85 86 0.5B 10 5 0.85RG 0.85RG 1.25RW 87a 87 30 AVX 0.85B AVX 0.85BW (2170-1003) INDICATOR 1.25BW 0.85B 1.25B 0.85LB (2916-9002A) WINDOW WASHER P + - DIODE 8 0.85L 0.85LB DIODE 9 WIPER MOTOR (538-00005) - M + 0.85LW 0.85B E S B P WIPER & WASHER SWITCH +(2190-2036D14) (2549-9114) 10 0.5B 0.85Y I 5 6 0 4 DIODE 10 II 0.5WR 0.85B 9 7 0.85B 2 0.85L 0.85Y CABIN (OPTION) 0.5WR 0.85RG ROOM LAMP 0.5WR ILL 1.25W + - 0.85B E (545-00002) CIGAR LIGHTER B 10W 0.85WR HELLA (2RL006846-001) ROTATING BEACON ROTATING BEACON (OPTION) AVX 0.85L AVX 0.85YB AVX 0.85BY WATER TEMP.SWITCH WATER TEMP.SENSOR BEACON SWITCH (2549-9115) +(2190-2036D10) 9 ROTATING 5 10 0.5B 0.85B 7 1 0 I 0.85Or 12V/40A AVX 1.25R 1.25R H 0.5WR 0.85RW DIODE ASS'Y (2548-1027) : 7EA STARTER SWITCH CONNECTION 9 I 0 1 7 START OFF HEAT ON B R1 BR R2 C ACC AVX 5W CIRCUIT BREAKER (2544-1023) (2527-9004) 0.85B 5W 5W 5W (2506-9011) 12V 45AH BATTERY + - 20R 20B 5WR PREHEAT RELAY ENGINE STOP SOLENOID 0.85B 0.85BG DIODE2 DIODE4 0.85B D 0.85BG C 0.85B DIODE1 AVX 3B 3BY 2WR 0.85BY AVX 3W P COM PULL HOLD 5W AVX 5BW 5W B PP AVX 5Y GLOW PLUG AVX 3B AVX 1.25WG AVX 1.25RB AVX 5W 12V/1.2KW STARTER AVX 5BW M S AVX 5Y B 0.85B 0.85YR SOLENOID VALVE HIGH SPEED 0.85B 10 DIODE 6 0.5B 0 7 I 1 0.5WR 0.85Y 5 9 HIGH SPEED SWITCH (2549-9115) +(2190-2036D13) W CHARGE PREHEAT GAUGE PANEL (539-00063A) L2 L6 8 9 AIR CLEANER ENG OIL PRESS WATER TEMP FUEL L4 L5 L3 L1 + HOUR METER FUEL GAUGE ILLUMINATION L7 H L8 + F - - U 5 2 11 (3) 7 (1) (2) 4 3 12 W/T GAUGE + U 10 6 0.85RB 0.85B 0.85B DIODE 5 DOZER & 0 VARIABLE TRACK SOLENOID VALVE 10 1 7 I 9 0.5WR 5 0.85LR +(2190-2584D5) HEATER SWITCH (549-00040) 3 10 II 9 6 0 I 2 0.5B 0.85LR 0.5WR HORN SWITCH (ON JOSTICK L.H) 0.85B 0.85RB 0.85RY 0.85LR 0.85R 0.85L 0.85YR 0.5WR 0.85B 0.5B 0.5WR 0.85WG 0.85BY 0.85YB 0.85BW 0.85YW 0.85LB 0.85WG (2549-9115)+ 0.85B VARIABLE TRACK SWTICH (2190-2584D7,190-01151) OFF SWITCH 0.85B 0.85YG PILOT CUT OFF SOLENOID VALVE 0.85B DIODE 7 87 85 87a 86 30 (549-00046) NC NO C (549-00041)+(2190-2036D17) PILOT CUT OFF S/W(2) 5 10 I PILOT CUT 9 1 0.85Y 0.5WR 0.5B 0.85RL 0.85RL 0.85YG 0.85YG 0.85YG 0.85B (-) (+) (-) P (+) E 0.5uF L R B M 3 1 2 4
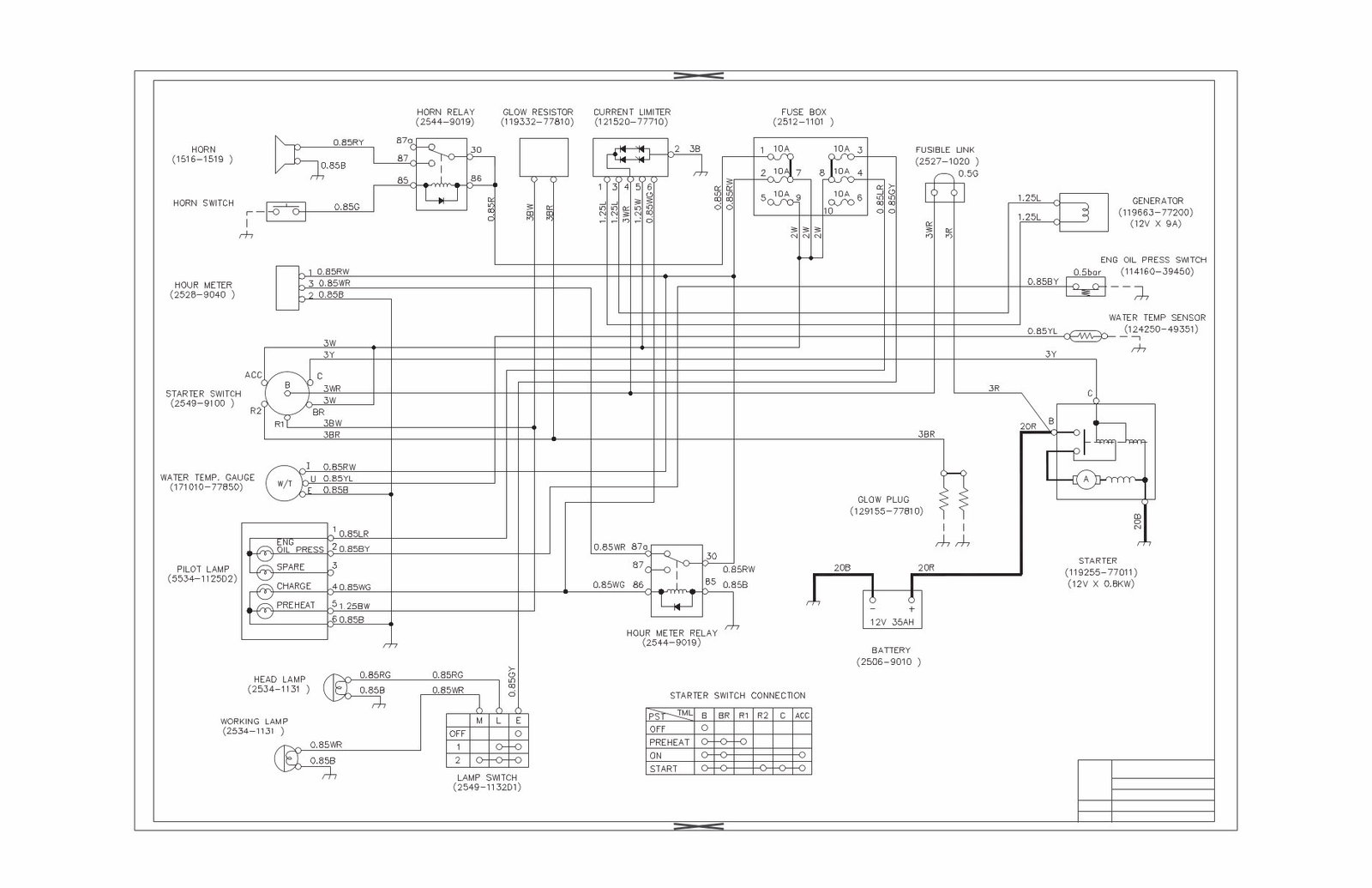
Page 10 SOLAR 030 / 035 ELECTRICAL DIAGRAM DOOSAN INFRACORE NO. 2599-1114C Model Solar 030 / 035 Name HAAE1860
Get access to the Doosan Daewoo Excavator V Series Electrical Hydraulic Schematic Manual, which includes detailed electrical and hydraulic circuits for a wide range of models including Solar 010, Solar 015, Solar 015 PLUS, Solar 030, Solar 035, Solar 055, Solar 075-V, Solar 130LC-V, Solar 140LC-V, Solar 170LC-V, Solar 180W-V, Solar 200W-V, Solar 220LC-V, Solar 225LC-V, Solar 250LC-V, Solar 290LC-V, Solar 300LC-V, Solar 330LC-V, Solar 340LC-V, Solar 400LC-V, Solar 420LC-V, Solar 450LC-V, Solar 470LC-V, and Solar 500LC-V.
This manual is essential for both professional mechanics and DIY enthusiasts. It is available in a file format compatible with all versions of Windows & Mac and is in English language. The only requirements are Adobe Reader & Win. Purchase from a responsible seller and gain instant access without any uncertainty or surprise. All pages are printable, making it a valuable resource for your repair needs.
Recently Viewed
5,521,897Happy Clients
2,594,462eManuals
1,120,453Trusted Sellers
15Years in Business
Price:
Actual Price:
Doosan Daewoo Excavator V Series Electrical Hydraulic Schema