DOOSAN E85 COMPACT Excavator Service Parts Catalogue Manual

What's Included?
Download Lifetime Access
Fast Download Speeds
Online & Offline Access
Access PDF Contents & Bookmarks
Full Search Facility
Print one or all pages of your manual
Viewed 50 Times Today Fire
Trust Guard Security Scanned
Secure transaction
What's Included?
Download Lifetime Access
Fast Download Speeds
Online & Offline Access
Access PDF Contents & Bookmarks
Full Search Facility
Print one or all pages of your manual
$46.99

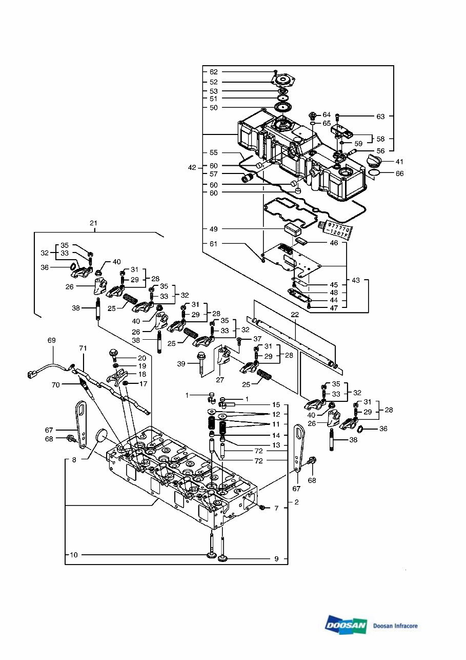
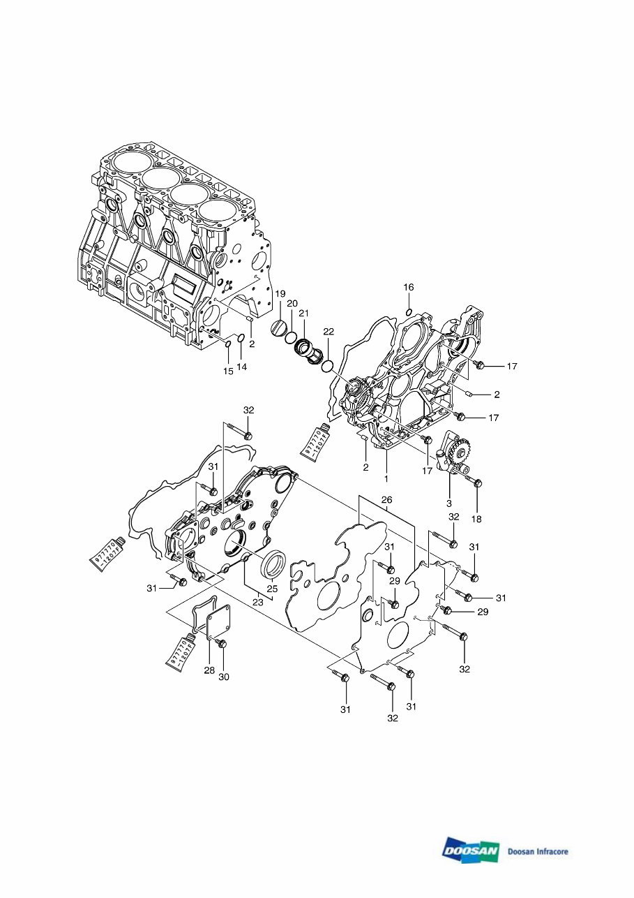
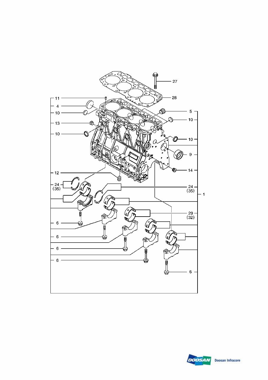
If you are facing issues with DOOSAN E85 COMPACT EXCAVATOR maintenance or worried about potential failures, this Parts Catalogue manual is an essential resource. It is available electronically, providing rich and practical knowledge that can be easily accessed at any time and place. The manual focuses on every detail of DOOSAN E85 COMPACT EXCAVATOR parts, offering comprehensive information on installation and adjustment through graphics and detailed explanations.

The Service Parts Catalogue Manual covers Engine Parts, Body Parts, Track Parts, Front Parts, Hydraulic Parts, Other Parts, and Option Parts. It is compatible with all versions of Windows & Mac and is available in English language, requiring Adobe Reader for access.

Having this manual will ensure that your DOOSAN E85 COMPACT EXCAVATOR receives the best service. It contains clear explanations, numerous pictures, and detailed repair instructions, making it a practical and comprehensive resource. The electronic format makes it easy to carry and use, providing instant assistance in case of on-site failures.

Electronic products have become an integral part of our lives, and the electronic Service Parts Catalogue manual aligns with this trend, offering a fashionable and modern solution for maintenance needs. Whether you are a professional mechanic or a DIY enthusiast, this manual will enhance your technical capabilities and help you overcome maintenance difficulties effectively.

Happy Clients 5,521,897 Happy Clients
eManuals 2,594,462 eManuals
Trusted Sellers 1,120,453 Trusted Sellers
Years in Business 15 Years in Business