calcActive())">
Doosan DH050 DH50 Excavator Electrical Hydraulic Schematics Manual INSTANT
What's Included?
Fast Download Speeds
Online & Offline Access
Access PDF Contents & Bookmarks
Full Search Facility
Print one or all pages of your manual
Viewed 10 Times Today
Secure transaction
What's Included?
Fast Download Speeds
Online & Offline Access
Access PDF Contents & Bookmarks
Full Search Facility
Print one or all pages of your manual
$31.99
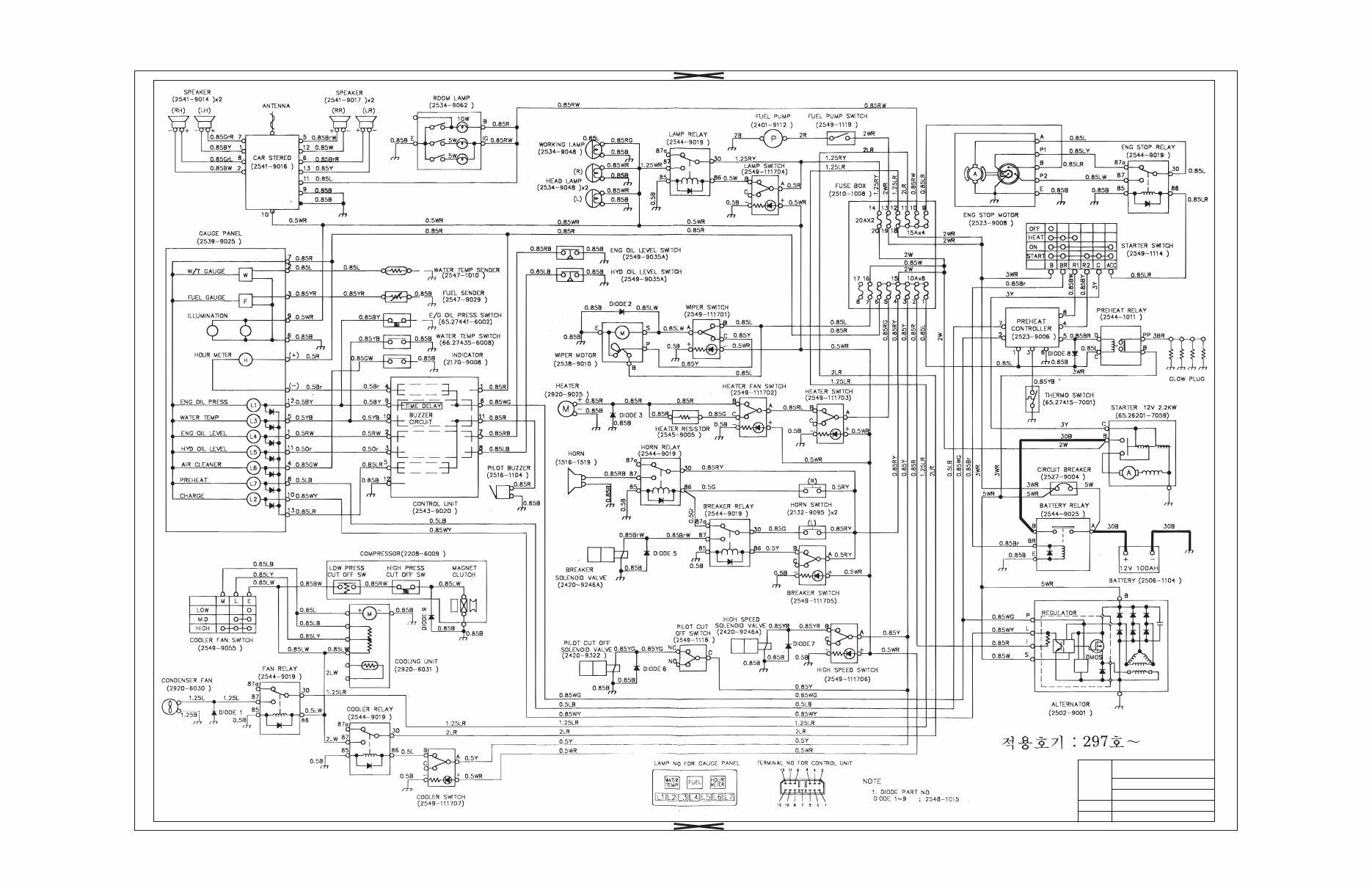
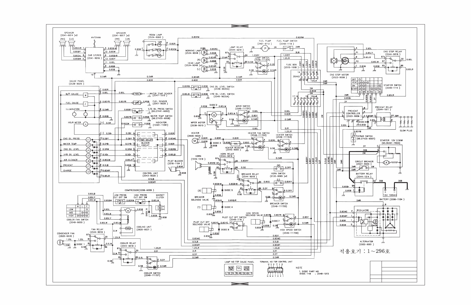
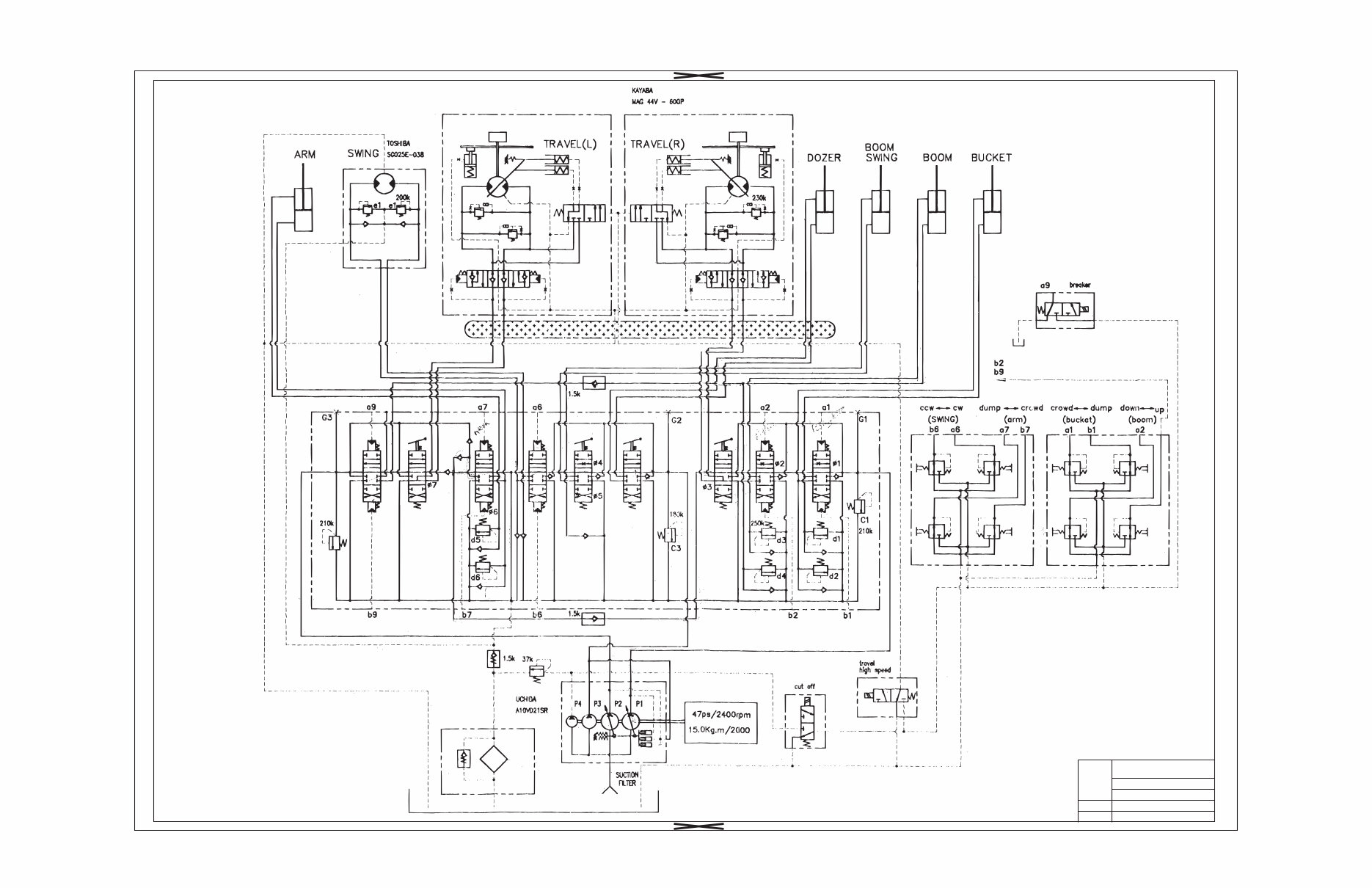
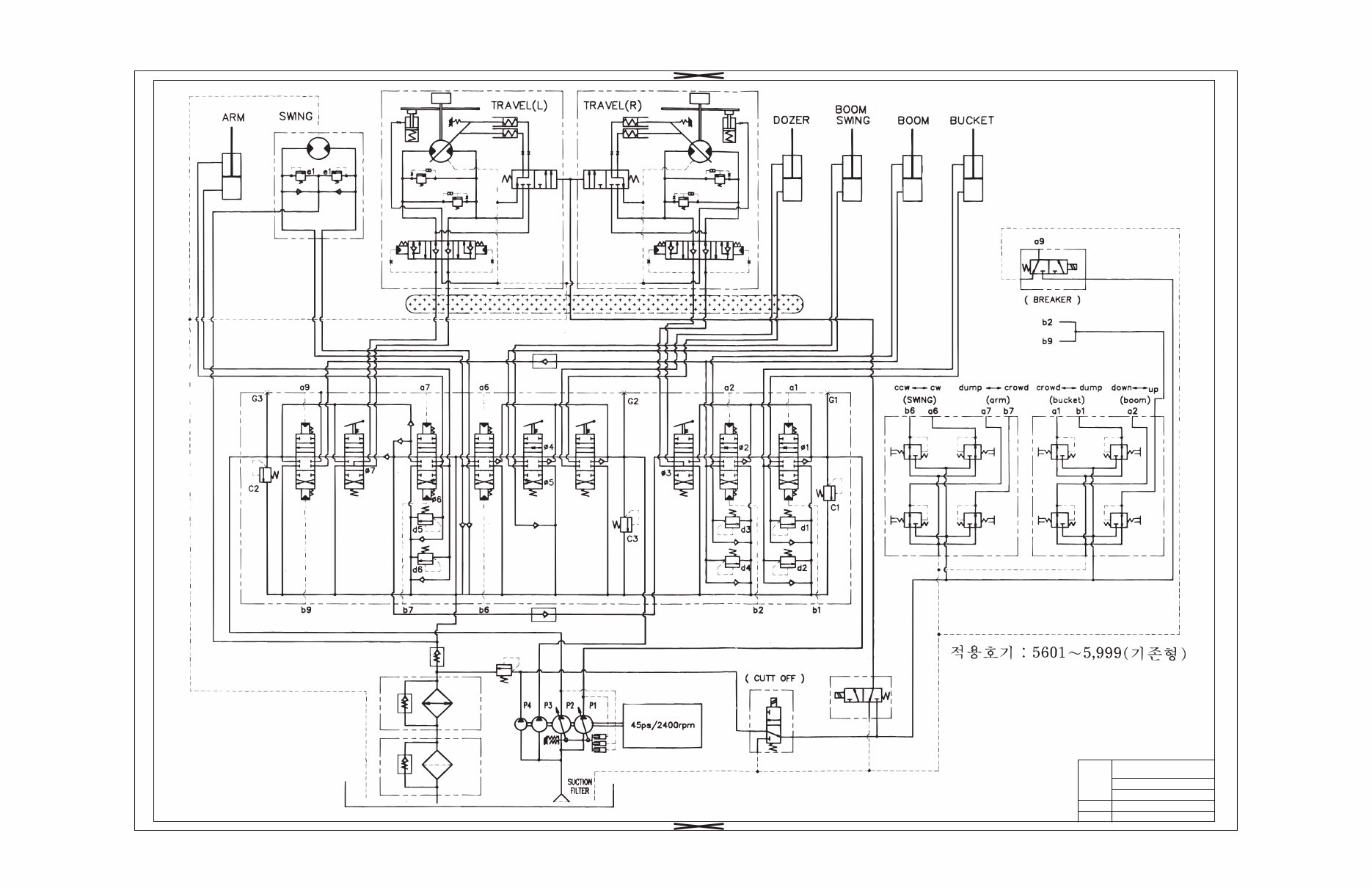
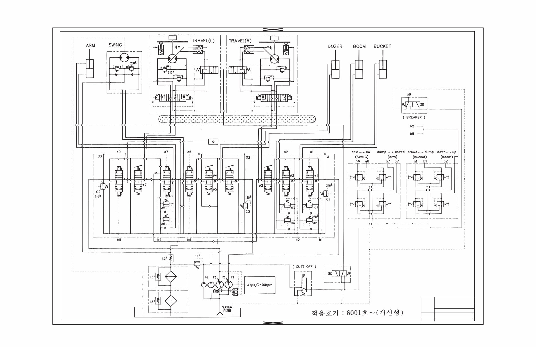
This Electrical Hydraulic Schematics Manual is an essential resource for maintaining and repairing the Doosan DH050 DH50 Excavator. Whether you are a professional mechanic or a DIY enthusiast, this manual provides comprehensive details on the electrical and hydraulic circuits of the excavator.
- Doosan DH050 DH50 Electrical circuits publication number: HAAE2220
- Doosan DH050 DH50 (S/N 0001 THRU 5600) Hydraulic circuits publication number: HAAE2330
- Doosan DH050 DH50 (S/N 5601 THRU 5999) Hydraulic circuits publication number: HAAE2190
- Doosan DH050 DH50 (S/N 6001 AND UP) Hydraulic circuits publication number: HAAE2340
The manual is available in PDF format, compatible with all versions of Windows and Mac. It is presented in English and can be accessed using Adobe Reader.




