DAEWOO SOLAR 070-lll Electrical Hydraulic Schematics Manual
What's Included?
Lifetime Access
Fast Download Speeds
Online & Offline Access
Access PDF Contents & Bookmarks
Full Search Facility
Print one or all pages of your manual
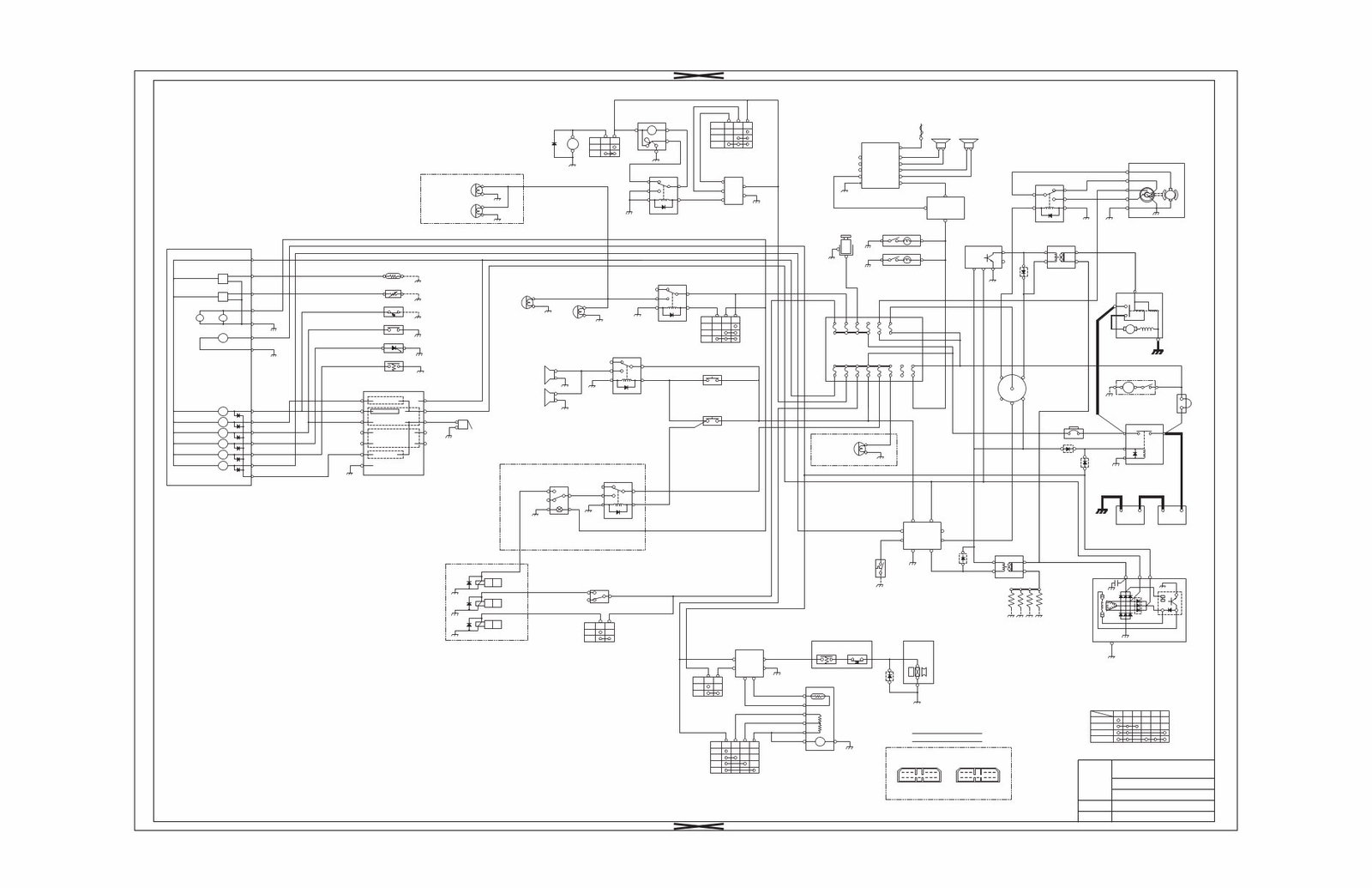
Page 4 SOLAR 070-III 30R 30B 0.85BR LAMP RELAY 85 87 87a 86 30 (2544-9029 ) 0.5RG 2RY (RH) 0.85RG 0.85B 2RG 0.5B (2549-1132D1) 0.5RY WORKING LAMP LAMP SWITCH E M L OFF 1 2 PREHEAT ON START B BR R1 R2 C PST TML OFF ACC STARTER SWITCH CONNECTION CIRCUIT BREAKER BATTERY RELAY A B BR E B C BR R1 R2 ACC PP B D C S N E P B STARTER CONTROLLER STARTER SWITCH PREHEAT CONTROLLER 1 2 8 4 3 7 6 5 THERMO SWITCH 10A FUSE BOX CIGAR LIGHTER 1 7 2 8 11 9 CAR STEREO 2 3 1 DC / DC CONVERTER (RH) (LH) SPEAKER ROOM LAMP HORN RELAY E F- F+ B E ALTERNATOR HORN SWITCH 1 M - + - + + - BATTERY 0.85L 0.85LW 0.85LY 0.85LB 0.85B 0.5B 0.85RB 0.85B 0.85BW 0.85B 0.5WG 0.5Br 0.85BY 0.5BY 0.5GrR 0.5BW 0.5GrL 0.85L 5Y 5W 2R 30R 30B 30R 5W 0.85WG 5B 0.85B 0.85BrW 0.85Br 0.5BW 0.5BW 0.5LB 0.85Y PILOT CUT-OFF SWITCH 0.5RB 0.85BY 0.85B 0.85BR ANTENNA 0.85YB (2544-9029 ) (2531-1003 ) (2541-9016A) (2541-9014 )x2 (2534-9063 )x2 (2545-9013 ) (2510-1006 ) (2543-9015 ) (2544-1009A) STARTER RELAY (2549-1136 ) (2527-9004 ) (2544-9024 ) (2506-9009 )x2 (2502-6005A) (2523-9002 ) (66.27435 -6007) I R (ON JOYSTICK L.H) 10A 15A 10A 15A 10A 15A 10A 15A 10A 15A 10A 10A 8 17 16 7 6 20 14 5 19 13 15 4 18 12 3 11 2 10 1 9 1.25WR 5W 5W 0.85R 0.85L 1.25RB 0.85W NOTE. 1. DIODE PART NO. DIODE 6 15A 1.25LR/0.85LR 2RY 0.85WR 12V 80AH 12V 80AH : 2548-1015 (2516-9011 ) 0.85B 0.85RY HORN 1 (2420-9095 ) 2RY 24V 60A 0.85LR DIODE 2 1.25WR 0.85RW E L M OFF 1 2 BLOWER SWITCH (2549-1132D3) 0.5RW (2543-9027 ) 3 1 2 AIRCON CONTROLLER 10 0.85L 0.5WG 0.85RW 0.85WG 0.85Br 30 86 87a 87 85 0.85L 0.85LR 0.85L (2523-9009A) ENG STOP MOTOR 0.85B E P2 B P1 A 0.5B ENG STOP RELAY 0.85LY 0.85LW 0.5LR 85 87 87a 86 30 (2544-9029 ) A 0.85RW/0.85WR 1.25WR 0.85WR 0.5LR 0.85WR DIODE 1 5WL FUSIBLE LINK (2527-1020 ) 5W 5W 2WR 2WR 0.5G DIODE 1 ~ 5 : 2548-1014 0.85Y 0.85RW 0.85YG 0.5WR 5W 0.5Br 4 3 1 2 3 ON OFF L E H 3 AIRCON SWITCH (2549-1132D2) (2534-1127 ) 0.85B 0.85RG (LH) 0.85Y 1.25LR/0.85LR 0.85LR 1.25LR 10W E B 0.5RW 0.85W - + - + WASHER SWITCH 1 5 2 3 4 WIPER TIMER WIPER RELAY M S P B E WIPER MOTOR M L E OFF WIPER SWITCH P + - WINDOW WASHER 0.85L 0.85LB 0.85LW 0.85LB 0.5B 0.85B 0.85Y 0.85B 0.5B 0.85B 0.5RB 0.5LY 0.5L 0.5B 0.85Y 0.85B DIODE 6 (2538-9005 ) (2549-1132D6) (2549-1132D5) (2554-9005A) (2537-9002 ) (2544-9029 ) 0.85L 85 87 87a 86 30 0.5LR ON OFF L E 2 4 6 13 11 9 7 8 10 12 5 3 1 AMP MIC 13P TERMINAL NO FOR CONTROLLER INT 0.5LY 0.5LR 0.5L 0.5RW 0.5B P (2401-9173 ) 2WR C NO NC 0.5B (1) (2) 0.5B 0.5RW B E 10W 0.5YW 5 4 0.5YG 0.5RB 4 5 6 0.85LR (2534-1129 ) HEAD LAMP ON 1.25RB/0.85L 0.85RW 0.85R 0.5RW 0.5RW 0.85R 0.5LB 0.85L 0.85B HORN 2 (2516-9012 ) 0.85RY 0.85RY H.F L.F FUEL PUMP ASS'Y (RH) (LH) 0.85RW 0.85B 0.85RW 0.85B (2534-1127 )x2 CABIN LAMP CABIN LAMP (OPTION) 2B (2549-1134 ) (2204-6032 ) RECEIVER DRIER 0.5B DIODE 5 CLUTCH MAGNET HIGH PRESS CUT OFF SW CUT OFF SW LOW PRESS (2208-6010B) (2920-9031B) 0.85BW 0.85LW COMPRESSOR AIR HANDLING UNIT 0.85B 0.85B (65.26803-7014) GLOW PLUG 5BW C (65.26201-7044) B A STARTER 24V 4.5KW 0.85BR B C D PP PREHEAT RELAY (2544-1009A) 0.85Br 0.85L 0.85Br 5W DIODE 3 DIODE 4 5W 5W TIME DELAY 10 5 WATER TEMP AIR CLEANER CHARGE PREHEAT L2 L5 L4 L6 L3 0.85LR 0.5W 8 10 0.5YB 0.85GW 0.5LB 4 1 11 0.5YB 0.85B 0.85LR 12 5 3 2 ENG OIL PRESS ILLUMINATION W/T GAUGE FUEL GAUGE HOUR METER H L1 W F (2539-9030 ) GAUGE PANEL 2 0.85L 0.85L 0.5RW 0.5B 0.5BY (-) 12 (+) 0.85YR 0.5B 0.5WR 6 9 3 0.85YB 0.5BY 0.85GW 9 4 0.85BY 0.85YR 0.85R 7 11 BUZZER 0.85B (2543-9029A) CONTROL UNIT CIRCUIT 0.85R (2516-1102A) PILOT BUZZER 8 7 (2547-1010 ) (2547-9016A) (65.27441-6002) (66.27435-6008) (2170-9005 ) E/G OIL PRESS SWITCH WATER TEMP SWITCH INDICATOR WATER TEMP SENDER FUEL SENDER 0.85B 0.85B 0.5WG 0.85R 6 1 0.85R PILOT FILTER 0.5WR 0.5WR 0.5G (2549-1132D4) HIGH SPEED SWITCH OFF ON E L 0.85Y 0.85YR HELLA (2RL006846-101) ROTATING BEACON (OPTION) 0.85B 0.85R 0.5WG 0.85L 0.85RB CONTROL UNIT AMP MIC 13P 13 12 10 8 7 11 9 5 3 1 2 6 4 GAUGE PANEL 0.85BW 0.5WR 0.5RW 0.5WG 0.5WG 0.5WG 0.85B (HIGH (A3) CUT OFF) SPEED) (PILOT (2420-9323C) SOL-VALVE ASS'Y (A2) 0.85BrW 0.85B 0.85B (BREAKER) (A1) 0.85YR 0.85YG 0.85BG PILOT FILTER SWITCH (2549-6051 ) 0.85B 0.85BG 1.25RW 87a 0.85Y 0.5B BREAKER RELAY (2544-9029 ) 87 85 86 30 0.85RY 0.5BrY +(2190-2036D1) BREAKER SWITCH (2549-9098 ) 0.5B 10 7 1 5 9 (2420-9095 ) (ON JOYSTICK R.H) HORN SWITCH 2 0.5RB / BREAKER SWITCH 0.85BrW 0.5WR 0.5G 0.5G 0.5BrY 0.5WR 0.85RY 0.85RY 0.85R 0.5LB 0.5LB 0.5LB BREAKER (OPTION) 0.85RY 0.5W ELECTRICAL DIAGRAM DOOSAN INFRACORE NO. Model Solar 70-III Name HAAE1410
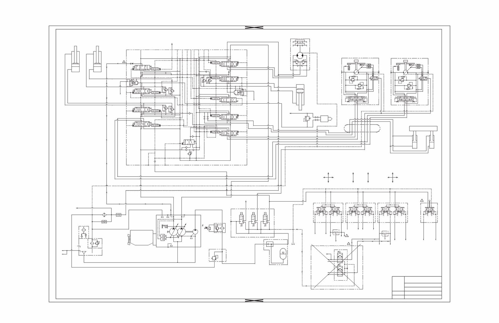
Page 17 SOLAR 070-III 3 1 4 2 CROWD DUMP DOWN UP BUCKET BOOM R.TRAVEL L.TRAVEL 4 3 2 1 BACKWARD FORWARD BACKWARD FORWARD ARM S W IN G 4 2 3 1 CROWD DUMP RIGHT LEFT 4 3 2 1 A1 A2 A4 A 3 4 3 2 1 P T Pcr= 1.5k 0.5k F IL T E R FULL FLOW Pcr= 1.5k F IL T E R PILOT P T A1 A2 5P a3 A4 C u t off 2- s peed RE S T R IC T O R Pcr= 3 .0k P= 1.5k BOOM C Y L IN D E R Pcr= 1.5k C Y L IN D E R BUCKET ARM CYLINDER SWING DEVICE R/G TRAVEL(R) BACKWARD P2 FORWARD P1 Dr B (LH) Mu A (RH) 0.05k 1 2 3 57PS /2100rpm DAEWOO DB 33 R A2 G1 A1 A3 S3 S 1 T P T P 4P a 2 4P b 2 PLc1 5Pb 5 5P a 5 4Pb 1 4P a 1 PLc2 5Pa 2 5P b 2 5P a 1 5P b 1 C T1 T1 G2 R1 R2 a 1 a 2 a 2 a 1 P1 FORWARD P2 BACKWARD TRAVEL(L) R /G P S Dr2 F P T B E D r1 PS PH PP PT 4P TRAVEL-R 5B5 5A5 5Pb 5 5B4 5A4 5Pb 4 BOOM2 & ARM1 PLc2 SWING 5Pb 1 5A1 5B1 5Pb 2 5A2 5P T2 5Pa 1 5P a 2 5Pa 4 5P a 5 4Pa 1 4Pa 2 4Pa3 4Pa 4 T1 5B2 TRAVEL-L 4P b 1 4B1 4A1 4P b 2 BUCKET 4B2 4A2 BOOM1 4P b3 4A 3 4B 3 ) ( )( )( )( ) ( )( ) ( ) ( ) ( )( )( )( 4B4 ) ( ) ( D A T2 X C.E OPTION COOLER BY-PA SS 3 00k 3 00k 3 00k UP DOWN DOZER BLADE 2 8 0k T2 Dr2 D r1 40K 3 00K 3 00K 200K T2 BREAKER D r2 ARM CR (LH4) A3 T 3 T3 b re aker 5Pa3 BREAKER DOZER 5A3 ) ( PLc1 Dr1 )( X P 1 2 DOZER T 5P a 4 5P b 4 DOWN UP 5P b3 5P a3 4P a 4 HYDRAULIC SCHEMATIC DOOSAN INFRACORE NO. Model Solar 70-III Name HAAE1420
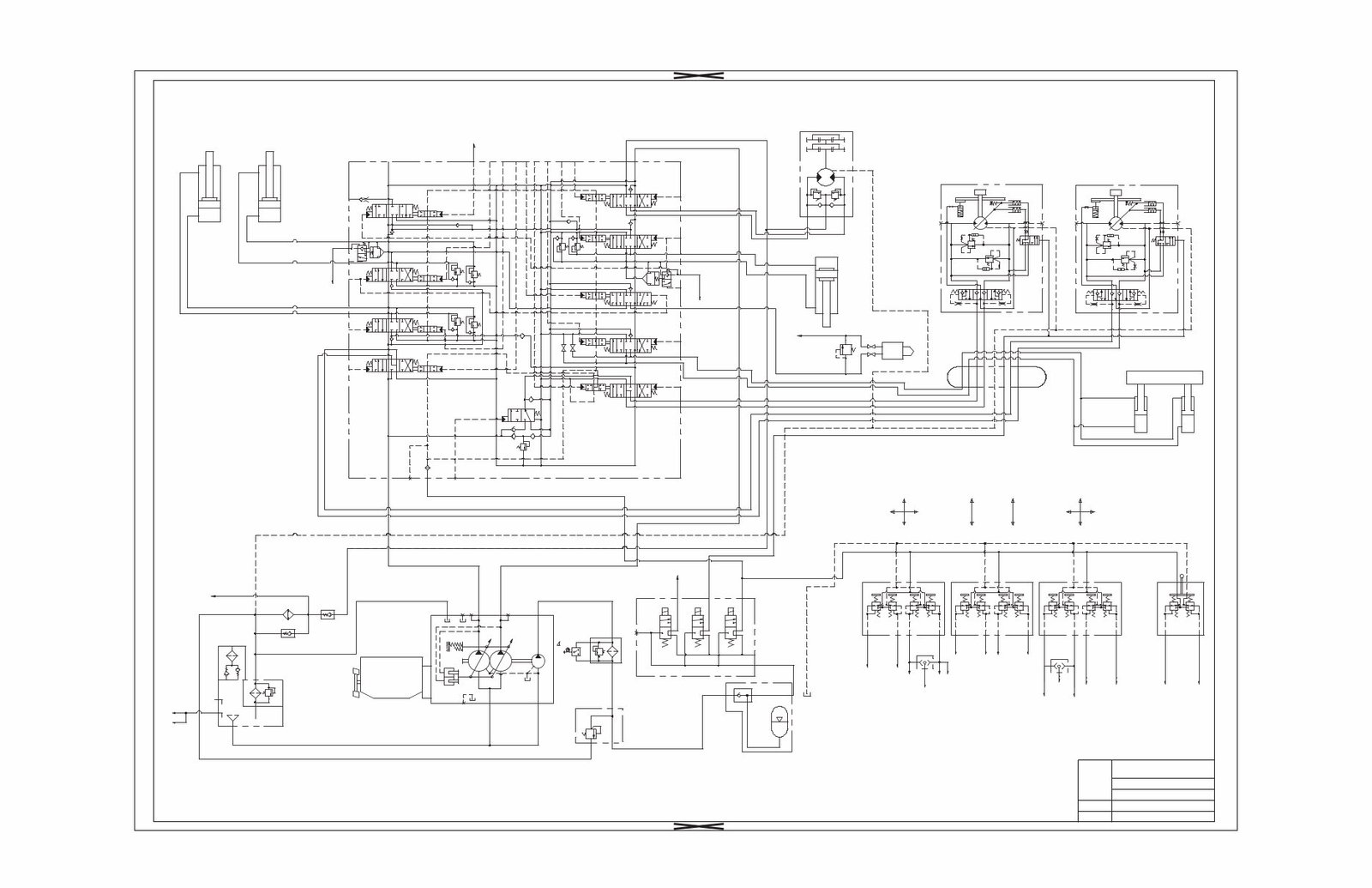
Page 18 SOLAR 070-III (WITH DOZER) 3 1 4 2 CROWD DUMP DOWN UP BUCKET BOOM R.TRAVEL L.TRAVEL 4 3 2 1 BACKWARD FORWARD BACKWARD FORWARD ARM S W IN G 4 2 3 1 CROWD DUMP RIGHT LEFT 4 3 2 1 A1 A2 A4 A3 4 3 2 1 P T Pcr= 1.5k 0.5k FILTER FULL FLOW Pcr= 1.5k FILTER PILOT P T A1 A2 5Pa3 A4 RESTRICTOR Pcr= 3.0k P= 1.5k BOOM CYLINDER Pcr= 1.5k CYLINDER BUCKET ARM CYLINDER S WING DEVICE R/G TRAVEL(R) BACKWARD P2 FORWARD P1 Dr B (LH) M u A (RH) 0.05k 1 2 3 57PS /2100rpm DAEWOO DB 33 R A2 G1 A1 A 3 S3 S 1 T P T P 4Pa2 4Pb 2 PLc1 5Pb 5 5Pa5 4Pb1 4Pa1 PLc2 5Pa2 5Pb2 5Pa1 5Pb1 C T1 T1 G2 R1 R2 a1 a2 a2 a1 P1 FORWARD P2 BACKWARD TRAVEL(L) R/G PS Dr2 F P T B E Dr1 PS PH PP PT 4P TRAVEL-R 5B5 5A5 5P b 5 5B4 5A4 5P b 4 BOOM2 & ARM1 PLc2 SW IN G 5P b 1 5A1 5B1 5P b 2 5A2 5P T2 5P a1 5Pa2 5P a4 5Pa5 4Pa1 4Pa2 4Pa3 4Pa4 T1 5B2 TRAVEL-L 4P b 1 4B1 4A1 4P b 2 BUCKET 4B2 4A2 BOOM1 4P b3 4A 3 4B 3 4B4 D A T2 X OA C OB D T1 2 1 T2 5Pa4 4Pa3 (Boom down) (Dozer down) (Dozer up) 5Pb4 (Boom up) 4Pb3 C.E OPTION COOLER BY-PASS 300k 300k 300k UP DOWN DOZER BLADE 280k T2 Dr2 Dr1 40K 300K 300K 200K T2 BREAKER Dr2 ARM CR (LH4) A 3 T3 T3 5Pa3 BREAKER DOZER 5A 3 4Pa4 PLc1 Dr1 )( X 01 P 1 2 DOZER T 5Pa4 5Pb4 DOWN UP 5Pb3 5Pa3 01 01 4Pa4 01 HYDRAULIC SCHEMATIC DOOSAN INFRACORE NO. 2499-1055A Model Solar 70-III Name HAAE1430
The Daewoo Doosan Solar 070-3 Excavator Electrical Hydraulic Schematics Manual provides essential technical information for professionals and DIY enthusiasts alike. This manual includes detailed electrical circuits for the Daewoo Solar 070-III (Publication Number: HAAE1410) as well as hydraulic circuits for the same model (Publication Number: HAAE1420). Additionally, it covers hydraulic circuits for the Daewoo Solar 070-III with dozer attachment (Publication Number: HAAE1430).
File Format: PDF
Pages: 3
Size: 470Kb
Manual Language: English
For any inquiries or if you are in search of a specific manual, feel free to reach out. Have a great day!
Recently Viewed
5,521,897Happy Clients
2,594,462eManuals
1,120,453Trusted Sellers
15Years in Business
Price:
Actual Price:
DAEWOO SOLAR 070-lll Electrical Hydraulic Schematics Manual