PARTS CATALOGUE
CRAWLER EXCAVATOR
CX290B
CX290B CRAWLER EXCAVATOR - TIER III (EUROPE) (1/07- )
00-001-00(01) COMPONENT INDEX
Ref Part Number Qty Description
CX290B CRAWLER EXCAVATOR - TIER III (EUROPE) (1/07- )
00-001-00(01) COMPONENT INDEX
1 1 BUCKET - See Figures 09-310-00 01 To 09-315-00 01
2 1 BUCKET CONTROL See Figure 09-300-00 01
3 1 BUCKET CYLINDER - See Figures 08-020-00 01, 08-303-00 01
4 1 DIPPER - See Figures 09-200-00 01
5 1 DIPPER CYLINDER - See Figures 08-018-00 01, 08-019-00 01, 08-302-00 1, 08-302-001 01
6 1 MONOBLOCK BOOM - See Figures 09-100-00 01, 09-100-01 01
7 1 BOOM CYLINDER - See Figures 08-012-00 01 To 08-016-00 01, 08-300-00 01 To 08-301-01 01
8 1 UPPERSTRUCTURE CHASSIS - See Figures 09-002-00 01, 09-003-00 01
9 1 COWLING - See Figures 09-005-00 01 To 09-008-01 01
10 1 COUNTERWEIGHT - See Figure 09-004-00 01
11 1 SWING JOINT - See Figure 07-010-00 01
12 1 FUEL TANK, FUEL SYSTEM - See Figures 03-001-00 01 To 03-042-01 01
13 1 HYDRAULIC RESERVOIR, HYDRAULIC SYSTEM - See Figures 08-001-00 01, 08-004-00 01 To
08-046-00 01
14 1 HYDRAULIC PUMP - See Figures 08-002-00 01, 08-003-00 01
15 1 EXHAUST ENGINE - See Figure 02-003-00 01
16 1 ENGINE - See Figures s 02-001-00 01, 02-005-01 01 To 02-110-01 01
17 1 RADIATOR - See figures 02-004-00 01, 02-004-01 01
18 1 AIR FILTRATION - See figure 02-002-00 01
19 1 BATTERIES, ELECTRICAL SYSTEM - See figures 04-001-00 01 To 04-815-02 01
20 1 CONTROL VALVE - See figure 08-200-00 01
21 1 UNDERCARRIAGE, HYDRAULIC CIRCUIT For CX290B LC- See Figures 05-001-00 01, 07-001-00 01
21 1 UNDERCARRIAGE, HYDRAULIC CIRCUITFor CX290B NLC - See Figures 05-001-01 01, 07-001-01
01
22 1 TRACK FOOT STEP - See Figures 05-006-00 01 To 05-010-00 01
23 1 GUIDE, CHAIN - See Figures 05-011-00 01, 05-011-01 01
24 1 TRAVEL MOTOR AND REDUCTION GEAR - See Figures 06-001-00 01, 06-010-00 01, 07-011-00 01,
07-012-00 01
25 1 ROLLER LOWER - See Figure 05-003-00 01
26 1 ROLLER UPPER - See Figure 05-002-00 01
27 1 GUIDE PULLEY - See Figure 05-004-00 01
28 1 SWING MOTOR-DRIVE REDUCTION GEAR - See Figures 06-002-00 01, 08-220-00 01
29 1 TENSION DAMPER - See Figure 05-005-00 01
30 1 SWING COMPONENTS, LUBRICATION CIRCUIT - See Figure 09-001-00 01
31 1 OPERATORS COMPARTMENT, CAB - See Figures 04-011-00 01, 09-029-00 01 To 09-032-00 01
32 1 OPERATORS COMPARTMENT, LEVER, CONTROL - See Figure 09-009-00 01
33 1 OPERATORS COMPARTMENT - SEAT AND CONTROL ARM MOUNTING - See Figures 09-017-00
01 To 09-023-00 01
34 1 CAB AIR CONDITIONING - Sees Figures 09-025-00 01 To 09-028-00 01
35 1 SIDE INSTRUMENT PANEL - See Figure 09-029-00 01
CX290B CRAWLER EXCAVATOR - TIER III (EUROPE) (1/07- )
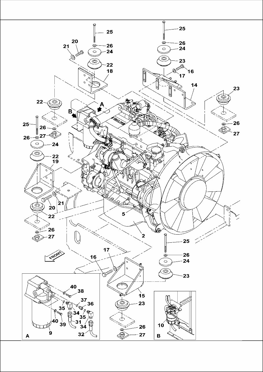
02-001-00(01) ENGINE MOUNTING - ENGINE - OIL CIRCUIT
Ref Part Number Qty Description
CX290B CRAWLER EXCAVATOR - TIER III (EUROPE) (1/07- )
02-001-00(01) ENGINE MOUNTING - ENGINE - OIL CIRCUIT
2 KBH10560 1 ENGINE, , Include(s) 5, 9, 10 Also Figures 02-001-01 01 Ref. 3, 4, 8, 11, 12, 13 And Figures
02-005-01 01 To 02-110-01 01, 03-040-01 01 To 03-042-01 01, 04-060-01 01 To 04-815-02 01
5 REF 1 INSTRUCTION, Belt, See Figure(s) 02-033-01 01 Ref. 184
9 REF 1 INSTRUCTION, Oil Filter, See Figure(s) 02-050-02 01 Ref. 496
10 REF 1 INSTRUCTION, Fuel Filter, See Figure(s) 03-041-01 01 Ref. 1
14 KSH1067 1 SUPPORT,
15 KSH0908 1 SUPPORT ASSY.,
16 627-10035 10 BOLT, Hex, M10 x 35, 10.9, Full Thd, M10x 35; 10.9
17 150409A1 10 WASHER,
18 KSH0909 1 SUPPORT ASSY.,
19 KSH0910 1 SUPPORT ASSY.,
20 627-12040 8 BOLT, Hex, M12 x 40, 10.9, Full Thd, M12 x 40; 10.9
21 150811A1 8 WASHER,
22 KTH0566 4 SILENTBLOC,
23 KTH0567 4 SILENTBLOC,
24 150874A1 4 WASHER,
25 827-20150 4 BOLT, Hex, M20 x 150, 10.9, M20 x 150; 10.9
26 150817A1 8 WASHER,
27 KSH0923 4 NUT,
34 157580A1 2 ELBOW, 90 є , 3/4" O-Ring x 3/4",
35 154503A1 2 O-RING,
36 152012A1 1 CONNECTOR,
37 154503A1 1 O-RING,
38 102R008Y110R 2 BOLT, M8 x 110
39 KHH0515 2 BOLT, M8 x 140
40 153081A1 4 WASHER,
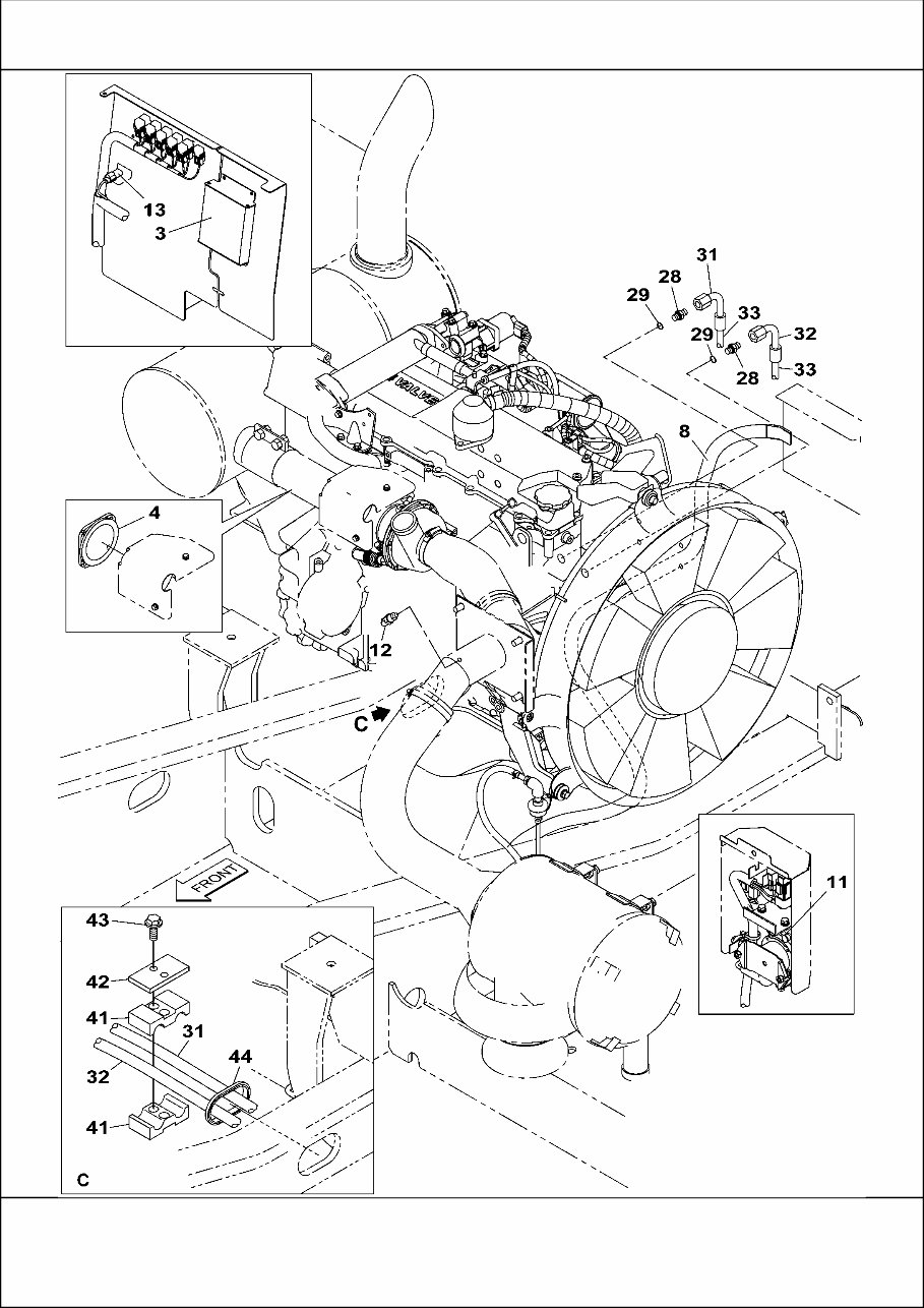
CX290B CRAWLER EXCAVATOR - TIER III (EUROPE) (1/07- )
02-001-01(01) ENGINE MOUNTING - ENGINE - OIL CIRCUIT
Ref Part Number Qty Description
CX290B CRAWLER EXCAVATOR - TIER III (EUROPE) (1/07- )
02-001-01(01) ENGINE MOUNTING - ENGINE - OIL CIRCUIT
3 REF 1 INSTRUCTION, Controler, See Figure(s) 04-060-01 01 Ref. 613
4 REF 1 INSTRUCTION, Gasket, See Figure(s) 02-036-01 01 Ref. 84
8 REF 1 INSTRUCTION, Harness, See Figure(s) 04-810-01 01 Ref. 71
11 REF 1 INSTRUCTION, Relay, See Figure(s) 04-060-01 01 Ref. 424
12 REF 1 INSTRUCTION, Sensor, See Figure(s) 040-60-01 01 Ref. 797
13 REF 1 INSTRUCTION, Sensor, See Figure(s) 04-060-01 01 Ref. 796
28 151654A1 2 ADAPTER, 3/4" NPT O-Ring x 3/4" NPT, , Include(s) 29
29 154503A1 2 O-RING,
31 KBH10580 1 HOSE ASSY., 1350 mm
32 KBH10590 1 HOSE ASSY., 1450 mm
33 KBR0819 2 SHEATH, FLEXIBLE, 400 mm
41 KRH10200 2 CLAMP,
42 KRH10210 1 PLATE,
43 166052A1 2 BOLT,
44 KRH10470 1 GROMMET,
CX290B CRAWLER EXCAVATOR - TIER III (EUROPE) (1/07- )
02-002-00(01) AIR FILTRATION
Ref Part Number Qty Description
CX290B CRAWLER EXCAVATOR - TIER III (EUROPE) (1/07- )
02-002-00(01) AIR FILTRATION
2 KSH0930 1 FILTER ASSY., , Include(s) 3 - 9
3 KSH0931 1 CASE,
4 KSH0932 1 FILTER, AIR,
5 KSH0933 1 FILTER, AIR,
6 KSH0934 1 COVER,
7 KHB0924 1 VALVE,
8 KSH0935 1 FITTING,
9 NSS 1 NOT SERVICED SEPARATELY,
10 166564A1 1 CAP,
11 166347A1 4 BOLT, M10 x 30
12 KBH10370 1 SUPPORT,
13 152718A1 1 BOLT,
14 KHH10330 1 SENSOR,
15 165818A1 1 ELBOW,
16 KRH1236 1 SEAL,
17 157742A1 1 NUT, M10 x 1.25
18 KRH1237 1 ELBOW,
19 157169A1 1 HOSE, 300 mm
20 165951A1 2 CLAMP,
21 KSH1036 1 HOSE, LARGE,
22 150545A1 1 CLAMP,
23 150855A1 1 CLAMP,
24 KBH10360 1 SUPPORT,
25 166352A1 1 BOLT,
26 KSH1035 1 HOSE, LARGE,
27 150545A1 1 CLAMP,
28 150294A1 1 CLIP, M12 x 30
CX290B CRAWLER EXCAVATOR - TIER III (EUROPE) (1/07- )
02-003-00(01) EXHAUST
You're Reading a Preview
What's Included?
Lifetime Access
Access PDF Contents & Bookmarks
Print one or all pages of your manual
Add to Cart
$48.99
$63.99