Daewoo Doosan Dozer Series DD80 DD80L Electrical Hydraulic

What's Included?
Download Lifetime Access
Fast Download Speeds
Online & Offline Access
Access PDF Contents & Bookmarks
Full Search Facility
Print one or all pages of your manual
Viewed 82 Times Today Fire
Trust Guard Security Scanned
Secure transaction
What's Included?
Download Lifetime Access
Fast Download Speeds
Online & Offline Access
Access PDF Contents & Bookmarks
Full Search Facility
Print one or all pages of your manual
$31.99

Here you can find the most complete service and repair manual for the Daewoo Doosan Dozer Series DD80 DD80L Electrical Hydraulic Schematic Manual.

This professional technical manual contains service, maintenance, and troubleshooting information for your Daewoo Doosan Dozer Series DD80 DD80L. It includes:

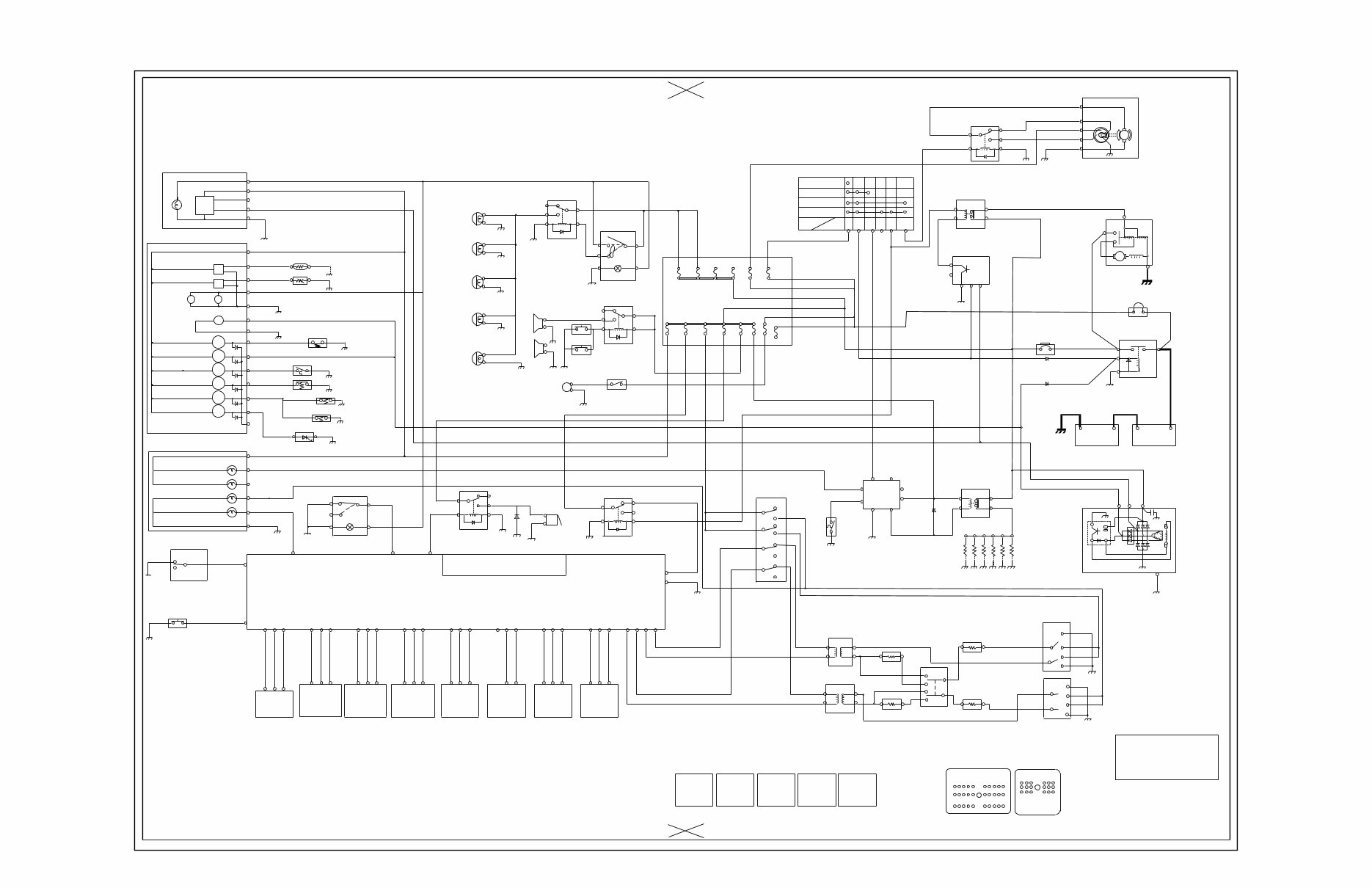
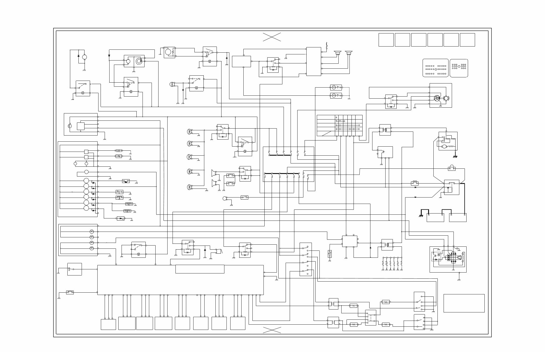
  • Electrical Circuits for DD80, DD80L - Canopy Model and DD80, DD80L - Cabin Model
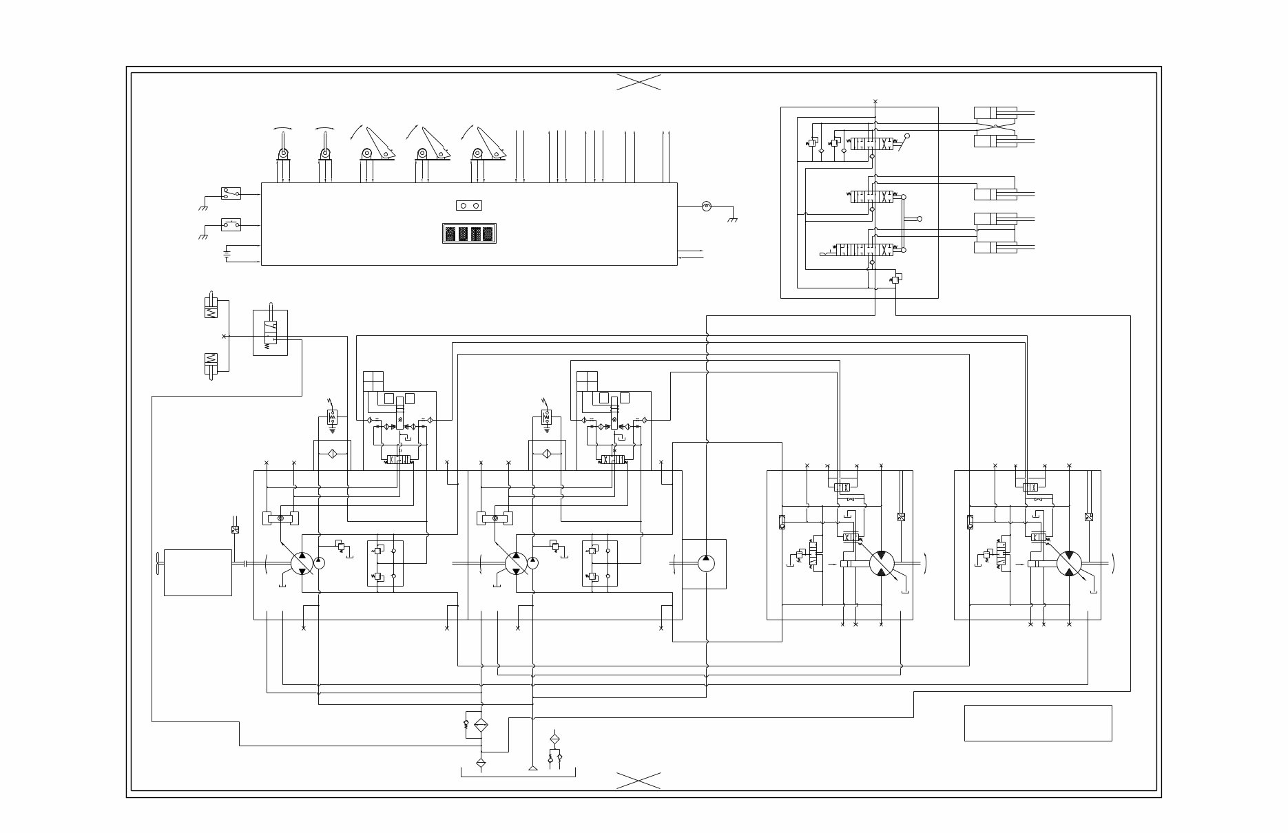
  • Hydraulic Circuits for DD80, DD80L

The manual is useful for both professional mechanics and DIY enthusiasts. It has easy-to-read text sections with top-quality diagrams and instructions, specifically written for do-it-yourself work as well as experienced mechanics. The manual covers every single detail of the machine and provides step-by-step instructions based on the complete disassembly of the machine.

Accurate, clear, and concise text, combined with illustrations, make it possible for anyone with even a bit of basic mechanical knowledge to safely and easily service and repair their Daewoo Doosan Dozer Series DD80 DD80L.

Comprehensive diagrams, in-depth illustrations, and all the manufacturer's specifications and technical information are included. The manual is full printable and compatible with all versions of Windows & Mac.

With this manual, you will have instant access to the material needed to service and repair your Daewoo Doosan Dozer Series DD80 DD80L, with no waiting for postal delivery.

The manual covers a wide range of topics including MOT Test Checks, Roadside Repairs, Routine Maintenance, Engine and Associated Systems, Cooling, Heating and Air Conditioning Systems, Fuel and Exhaust Systems, Transmission, Brakes, Suspension, Body Equipment, Electrical Systems, Wiring Diagrams, Tools and Working Facilities, General Repair Procedures, Fault Finding, and a Glossary of Technical Terms.

Get your Daewoo Doosan Dozer Series DD80 DD80L Electrical Hydraulic Schematic Manual full service repair manual immediately and start working on your machine without any delay.

Happy Clients 5,521,897 Happy Clients
eManuals 2,594,462 eManuals
Trusted Sellers 1,120,453 Trusted Sellers
Years in Business 15 Years in Business