calcActive())">
Yanmar YB401W YB401W-2 Crawler-backhoe Parts Catalogue
What's Included?
Fast Download Speeds
Online & Offline Access
Access PDF Contents & Bookmarks
Full Search Facility
Print one or all pages of your manual

PREFACE
1. "This parts catalog covers the parts of wheel - backhoe Model YB401W and YB401W - 2.
Besides the domestic edition (Pub.No.OOOYOOK2250) , the overseas edition
(Pub. No.000YOOS2162) is also covered.
Mounted engine
4TNA那TL- 四3W...... until March , 1986.
4TNA78Tl -RBW...... after March , 1986.
2. This parts catalog covers the parts of the machine as shown below.
Model
YB401W
YB401W-2
[History]
1st. edition
2nd. edition
3rd. edition
1st. edition
2nd. edition
3rd. edition
4th. edition
Machine No. (M/#)
Domestic M/# Overseas M/#
00503 ~ 00501 ~
20501 ~ 60501 ~
一一一一一一 --一L-
Issued
Issued : July , 1987
Issued Julγ, 1992
Issued
Issued
Issued : May , 1987
Issued July , 1992
Pub.No.ûûûÿûûK i6û2( ûomestië editiûn)
Pub. No.000YOOK2250( Domestic edition)
Pub.No.000YOOK2251(Domestic and Overseas edition)
Pub. No.000YOOS2160( Overseas edition)
Pub. No.000YOOS2161 (Overseas edition)
Pub.No.000YOOS2162(Overseas edition)
Pub.No.000YOOK2251( Domestic and Overseas edition)
※ Please discard the old parts catalog.

3. Paint Color
1. From March , 1979 to May , 1984.
Paint Color Munsel No. Paint Code (16 R) I
YANMAR Li ght Yellow 10YR7.5月 1.5 933110 - 91601
YANMAR Oark Olieve 10Y2.5/1.5 933110 - 91701
2. From June , 1984 to September , 1987.
Paint Color Munsel No. Paint Code (16 R ) Spray
YANMAR New Li ght Yellow 10YR6.5/8 933110-91602 981101-06041
Y ANMARCream 2.5Y9/1 933110 - 91803 981101 - 06340
Y ANMAR New Oark Olieve 5GY1 月 933110-91702 981101-05941
3. From October, 1987.
Paint Color Munsel No. PaintCode (16R) Spray
YANMAR New Li ght Yellow 10YR6.5/8 933110 - 91602 981101 - 06041
Y ANMAR Cream White 5.0Y9/1 981101- 09614 981101 - 10140
YANMAR Oark Olieve 11 7.5GY1/1 981101 - 09515 981101 - 10141
4. As this parts catalog covers the specifications of several countries , the Fig. No.
for the applicable countries is shown in the following way.
a) When the applicable figure varies according to the appropriate country(s).
Example 1 :
• Abbreviation of the country concerned
NW : Norway
FA France
JP : Japan
L Fig. number on the page on whiéh the c川 try concerned is shown
In 臼se of Example 1 above , NW(Norway) is shown in Fig.18 and FA(France) in
Fig.19. JP(Japan) is not applicable.
b) When only one figure is available to be applied to one or more countries.
Example 2
Country
Application
• Abbreviation of the country concerned
• The country concerned is indicated by
a circle (0).
In case of Example 2 FA(France) is the applicable country.
(Note)
c) When the figure or specification is common to all destinations , no indication
IS glven.

SPECIFICA 丁 IONS
Name
YANMAA WHEEL BACHOE
Model YB401 W(-2)
。 c Model Vertical 4-cylinder water-c∞ led diesel
0c 3
Type 4TNA78TL - D(R)BWVM
w
Transport length mm 4750
E E E Transport width mm 1765
O
Transport hèight mm 2650(2660)
Std. bucket capacity rtf 0.18
Std. bucket width(Outside) mm 600
Max. digging depth mm 3230
Max. cutting height mm 4500
Max. dump height mm 3250
Max. reach at ground level mm 5290
Min. swing radius mm 4500
Max. digging force(Std. bucket) kgf 2400
1 st 3.5
2 nd 7.0
Forward
3 rd 15.0
飞旦 3
4 th 24.0
• 。墅 』 。
km' h
1 st 3.5
2 nd 7.0
Backward
3 rd 15.0
4 th 24.0
Gradability degr回 30
Machine mass kg 3750(3550)
) shows to the specification of canopy crowler.

各部 ω 名称
PARTS NAME
匕-1> &于 7 口又1> - Fi s.23 I I 兴 -f I~~ Fi S.1-8
HEA TER & DEFROSTER I I lA8El
~-扣Fi 9.59
SEAT
工:-王;~::I~"口-)1- Fi 9.11
ENG I NE CONTROl
,、二, ν少 t.- /t- & υ 二'少 Fis.39
SHIFT lEVER & lI NK
γ ':1:/:1':1 ν .,于 Fig.40-45
CDNTROl EDU I PHENT
υ 〉少吵司t- ←昌 -f ~/t本 Fig.50
1I NK SUPPORT & I NSTRUHENT PANEl
沙 - f:J~JV;f::l 二,扣口 -JI- Fig.51
3RD VAlVE CONTROl
CIJ -f7''J':1:/:1 。 ν 。于 fi9.113
C-TYPE CONTROl EDUIPHENT aa『
1
.
nue
- ''- 7 ,叮,、.
,, -pb』'huO川eJ···』""",uaHr--M肉
,
...
Ahpr·-n 俨'』,
•• ··HU电,俨,·.,,····少ahJ川、Jkh7Ehr州立U
-T-FMU
OlhM -P』』···HHU
?UFY Frpr+."" m啕4·
RMU
t rr
3" ,、.. ''"兽。"9''"富的.、,向""
,,
nuppnk
·'"HMen u-L-川=ω-7waT主促
HJahJV
,,,
•.• ,,的M"''"HU'",··阿噜JnH"'、.俨'』
."T··'nwn
'J-f /t( ':1-f 二, f:.,;r -J-:/ 吨.) fig.22
IIIPER{II /TH IIINDSHIlD IIASHER)
O.H. 1t本)1- &号夕才 Fig.24
OVERHEAD PANEl & RADID
年申巨~ Fig.63. 64 , 65
CABIH
~句~)t::: Fig.66
CANOPY
工〉辛;~亨':1~扣 Fiø.12
ENG I NE HOUNT
步步工1>-V'''~← Fig.13
RAD I A T OR HOUHT
1t"J 子 υ& 少? ~7' Flg.15
BA TTERY & CLAHP
*::,.,;:事?← Fig.60 , 61 , 62
BONNET
~7 ‘Y 水~7' &王F 少‘Y 卒于 Fig.67
HYDRAUl/ C 011 PUHP & COUPL/ NG
又子 ?υ ~' fI飞~ t:)1-矗 3 号 A Fi9.52 叉子 7 'J~~::J.,.二 "J ← Fig.79
STEERING HANOlE & CDlUHN STEERING UNIT ‘
~7" 1\-f 为二, Fi 9.87
HYDRAUlI C Oll lI NE
'J-少?二, 7 Fig.25
IIORK lAHP
7-A & 7-A Fi9.101 , 102
BOOH & ARH
7-A-:/υ~ 'f Fig.75
BOOH CYlI NDER
7-A-:/υ 二,古f Fig.72
A阳 CYlI NDER
711 一 F 王,') ~告f Fig.73
BLADE CYL/ NDER
"好-王, υ 〉当f Fig.74
RIGGER CYUNOER
7' 11 - t: Fi g. 1例
BLADE
7" .. ')刃- Fig.105
OUT RIGGER
70 二'''7 少又)(., Fig.31-34
FROHT AXlE
步 -f 气. &于 4 又少 m -f )1- Fig.38
TI RE & 0 I SC WHEEl 它二, :为 -f 7 II-A Fig.55
TURNING FRAHE
1!~力 -f 夕t:':1 ν ., 7- Fis. 56 , 77 , 78
TURNIHG DRIVING EDUIPHEHT
又予 "J7' & .1! ~为 4口V 少 Fig.57
STEP & REVOlVE lOCK
~7 、':17' 11- 年 Fi9.100
BRAKE HYDRAUllC UHIT
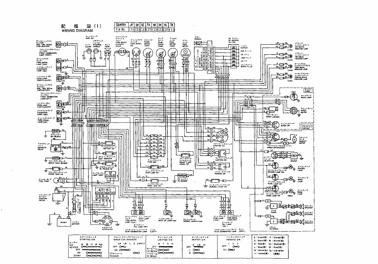
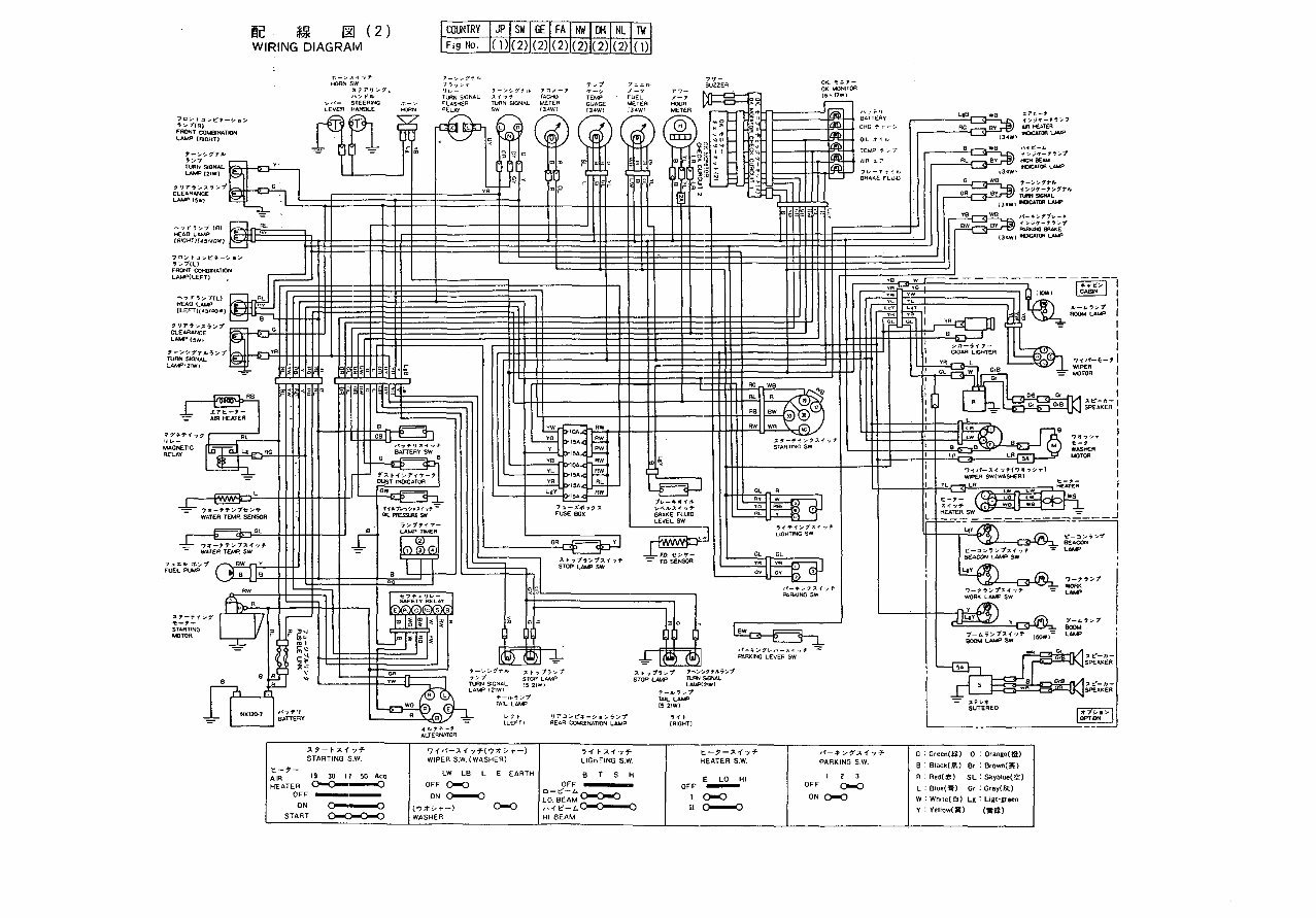
'J-f 气. 'J ~~ Fi9.16-18 铲二,辛辛牟 Fig.19-21
WIRING ElECTRIC PART
主 "J -:/ 3 ~ Fig.26-29
TRANSHISSION STEERING C Yl INDER
1!:-1>-:1 v 一年& -:/伊 7 ← Fi9.30ν" ::1勺毛-1> Fi g.76
3RD , CENTER 8RAKE & DR I VE SHAFT DR I VI NG HDTOR
又于 7') ~夕 υ~ 少 Fig.37 又 -f'吨)1-:/ 3 -f 二,← Fig.80 , 8
STEERING L/ NK SWIVEl JOINT
5切句.-王, & 为 I~- Fig.53 , 54
SHASS I S & COVER
叫1> )1- 'υ~7-:/ Fis.46-48 I飞 ~t::1 v- 辛 Fig.49
PEDAl & II NKAGE HAHD 8RAKE

配棋国( 1 )
WIRING DIAGRAM
吧,..., ",-;..争''"'‘
";"?'IRI
SIlE TU侃N......ι
....'"吨LQHTXðW)
70圈,萨:J;"~,*-~D:'"
, >γt肉}
F肉。NT COωcelNATIC恻
L.AMP (刷。"η
.,-;......'7'7''''
, >γ
TURN SlQNAL
.... 巾fP (23W)
? '17"ν~ .,:,..,.
CLEA肉ANÇE
l.A剧.. (1OW)
巧rt-;..~"'.,d萨
HO肉N SW
果1'7'"二_7
,、二;'"‘
,,,‘_ STEERlNQ
LEVER HANl)LE ←。只悯
刊怀
7ψ-
OUZZEn
,、气'1 t- ., ;...7(L.)
'也AO '-"'"
(LEFT}("5/'5W)
? ')罗.,;..;嚣,二_7
CLEAAANCE
l.A扣帽'(民嗣}
.,-,....'7'7'房.,:,..?'
TURN SrQ侃Al.
uu瞩'(23W)
7 7<鼻"'-(7?
"t,.-
MAGNE啊。
同El.AY
丁'1.:1%.1\. 币>7
FUEL 凤凰,
来,-.,. c...~
号-,-
STARTI闸
阳帽I)TOR
,-:,.匀,才t-JI,. ;l ~ "' ?'.,二_7
, ;..,. STOP LAMP
m阳SlGNAL (23W)
LA刷IP (23W)
.,.-"".,:,.. γ
τAIL LAMó-' (8W)
'J7 :::1:..-t="斗..-.....:.-.,:,.. γ v 7>
何 EAR COM8INATI刷 LAMP (LEn)
3鬼 t ",7', :..-γ ,-二""'1'TII.,;,,d
STOP LA阳, 叭,刷 SOONAι
(23W) l.AMP{ 23W)
~-,、.,:.-7"
TAIL LAMP
(8W)
'J 7':J斗,巳事-.....马-,二,,"'1 '1' t
旺础。""国",.. "刷 LAMP (RIGHT)
,喝,笆:......,;..7'
UCENSεLAN同,>区'ow,
叉 7-' 又-< ".1 予
STA肉τtNG S.W
t.-:1-
AIR I! ~ 11 皿",-C
HEATER ~……-...
OFF ……………·
ON C汩……0()
STARτC知-0-叫>-0
筝 {~^"7 子
UGHTl NG S.W
B T 5 H
OF;: …………
0- 巳 -/..r、-、,、
LO.BEAM ~→
,、叫(t.'-L,、严四u'"因--.,
HI BE..AM
?{叫-~{γ 子{令,," y t--)
WIPE肉 S.W. (WASHEA)
LW LB L E EARTti
。FF 0-0
ON~
(?写,争?咽_) 0-叫3
WASHE同
,,-亭二...7"--( .,予
PAAKtNG S.W
OFF 0-0
ON 0-0
匕 -:1-;t.-(';J 步
HEATER S.W
E LO HI
。FF ……·
1 0-0
11 0---00
,守-,于"
BATTε"
CHG .,..,. -ν
OIL :>r1' 11,.
TEMP .斗-7
.. 肉之?
7....-.."." 儿,
BRUE. FLU!O
w8 x '1't:-,
FEEh fJMh,,叫
旦~ A!A HEATER
胁。似ATOR~
(3.4W')
WB 、,,,-ι
-飞...1::\. <f:..-;J"l'-,., :..7
8" r-fW J H爬到同 BEAM
I/'OCATQR LAMP
(3.4W)
喧旦_ ,-:,..*",1''''",
-JE捣仆押-,~'i'TAr
~T飞,副 S刷AL
胁。C.<TOR LAMP
(3.4W)
WB ‘-,萨:.-?1 1,,-"
Bv:i) :.;时-"口
~!..r何时K闹剧昭
胁。CATOA LAMP
(3.4W)
i 马.:...f=8坠幽d 溪市
L一一一-JZEEE。..一一…一一一一一…」
-R-R nznz -MNa州区喧ME宅xgzm副
G : Green(槐) 0: Oranle(也}
B : Black(属) 8t : ero嗣{扪
R : Red(糖 SL: 5问.,国(!l)
L : B1uo(") Gr: G, ay( B::>
W:Whlte(自) LI: LIII-"een
Y : YellO叫,冒黄瞌】

配踉国( 2 )
WIRING DIAGRAM
7臼 ;.-t :::J:..-t::'事-:"-!l;;'
~;.-7'(时
FRONT COMB!NATIC阳
LAMP (阳 CHτ》
t- ;.,,,,?,.,.,,,
"γ
TU阴阳SlQNAl.
LAMP 121wl
? '1 7''50 ;...;:t'j辛d
CLEARANCE
LAMP 15W)
HORN S'N
"步 7" 二_7 ,
‘:.-t'JI..
‘"‘- STEER协崎 亭,
ιεVER t-rANOl.E 。肉N
[rH有一
,、 J 手"
6ATTE肉V
CHC 子~._---
C川L :t { '"
τEMP 也 /7
A"司 L?
7ν ,筝;y{rI-
B内AKεFLUIO
L, B
-
RC
,、气7 tc7;... 7'{L)
HEAO LA岛,
(LEFT)(45/40WJ
, 'J'" ~步,哀号 /-;f
CLEAIW代X
LA岛伊 (5WI
'-;"".,,,7'"t'"n.号 /7
TIJRN $I<lN.AL
ι,..伊'21WI
来~-1l-
sPEAKEA
, v' 410 二阳明
H
•
mw
T
'-:..-ν 扩;:l ~ " "1~马d
步:.-7' STÕPιAMP
TURN SIGNAL (5 21W)
LAMP (2川、
子-,.号 /7
TAIL LAMP
'J 1':::J;"'~:;事-,蜀,号7/士,
tLEFTt AEAR COM8INAT附N LAMf'
| …::Y1...."-Ã1./多电
P则R明创G LEVE 民 SW
二粟 ' γ7号 ;..."'f ,.~;"'';''?T^,7ν-;1
STOP ι""" TUJlNSKlNAι
LAMF' f2lWl
于-,.号 /-;1
胁IL LAMP
(521W)
, n
(AIGHTJ
又 7- 1-;t1' γ 子
STAAT1NG S.W
匕-~-
AIR I~ 3咱 7 SO A臼
HEATEA 、--气--…·气J
OFF ……………·
ON c:-o-咱
START 0-<)0叫〉叫3
勺l'川-;l.1" ;d萨(?才 ν~-)
WIPER S.W. (WASHEA)
LW LB L E EA院γH
QFF ()o叫3
ON~咱
{今才 γ~_) 0-0
WASHER
予l' t- ;t1";I 子
LlG问"!ING S.w
8 T 5 H
OFF ………四
。-t:;'-J...,... ..... _
LO.8εAM '::户~
J、 1 1:::-L..、J-飞----飞J
HI 8EAM
匕 -7- ;t千-,'1-
HEATER S.w
E LO HI
OFF ……
1 C汩回3
ll~
,需一辛 ,/P':;l,1" y 予
PARK1NG S.w
QFF C回咱
ON C汩-0
G : Green(碌) 0: Qra吨时锺J
8: 81ack(黑) Br : Bro嗣(茶}
R : Red(赤 SL : Skyblue(空}
L : Blue(霄) Gr: Gr町(底)
W:Whete(自) Lg: Li gt-green
Y : YeHQw(黄黄馆}

2,1,,772312-03100,,"LABEL SET",1,,,,,,,,,,,,,,,,,
3,1,,772312-03110,,"LABEL SET",,1,,,,,,,,,,,,,,,,
4,2,,172122-03140,,"LABEL, GREASE",1,1,,,,,,,,,,,,,,,,
4-1,2,,172122-03141,,"LABEL, GREASE",1,1,,,,,N,,,*1985.06,,*1985.06,,,,,,
5,2,,172312-03161,,LABEL,1,1,,,,,,,,,,,,,,,,
6,2,,172124-03170,,"LABEL, STRIPE (C)",1,1,,,,,,,,,,,,,,,,
7A,2,,172312-03170,,LABEL,1,,,,,,,,,,,,,,,,,
7B,2,,172312-03300,,LABEL,,1,,,,,,,,,,,,,,,,
8,2,,172312-03180,,LABEL,1,1,,,,,,,,,,,,,,,,
9,2,,172312-03200,,"LABEL, MODEL",2,2,,,,,,,,,,,,,,,,
10,2,,172312-03210,,"LABEL, STRIPE (A)",1,1,,,,,,,,,,,,,,,,
11,2,,172312-03220,,"LABEL, STRIPE (B)",1,1,,,,,,,,,,,,,,,,
12,2,,172312-03230,,"LABEL, STRIPE (C)",1,1,,,,,,,,,,,,,,,,
13,2,,172312-03240,,"LABEL, STRIPE (D)",1,1,,,,,,,,,,,,,,,,
14,2,,172312-03250,,"LABEL, STRIPE (E)",1,1,,,,,,,,,,,,,,,,
15,2,,172511-03250,,"LABEL, LEVER LOCK",1,1,,,,,,,,,,,,,,,,
16,2,,172312-03260,,"LABEL, STRIPE (F)",1,1,,,,,,,,,,,,,,,,
17,2,,172312-03270,,"LABEL, STRIPE (G)",1,1,,,,,,,,,,,,,,,,
18,2,,172312-03280,,"LABEL, BUMPER",1,1,,,,,,,,,,,,,,,,
19,2,,172312-03290,,LABEL,1,1,,,,,,,,,,,,,,,,
20,2,,172122-03360,,"LABEL, STRIPE (LF2)",1,1,,,,,,,,,,,,,,,,
21,2,,172312-03110,,"LABEL, SPECIFICATION",1,1,,,,,,,,,,,,,,,,
21-1,2,,172312-03111,,"LABEL,
SPECIFICATION",1,1,,,,,N,,,*1985.08,,*1985.08,,,,,,
22,2,,172122-03380,,"LABEL, STRIPE (LF1)",1,1,,,,,,,,,,,,,,,,
23A,2,,172312-03120,,LABEL,1,,,,,,,,,,,,,,,,,
23B,2,,172312-03310,,LABEL,,1,,,,,,,,,,,,,,,,
24,2,,172312-03140,,LABEL,1,1,,,,,,,,,,,,,,,,
24-1,2,,172312-03141,,"LABEL, AIR PRESS",1,1,,,,,N,,,*1985.08,,*1985.08,,,,,,
25,2,,172312-03130,,LABEL,1,1,,,,,,,,,,,,,,,,
26,2,,172122-03410,,"LABEL, STRIPE (RF1)",1,1,,,,,,,,,,,,,,,,
27,2,,172312-03150,,LABEL,1,1,,,,,,,,,,,,,,,,
28,2,,933112-47500,,LABEL,1,1,,,,,,,,,,,,,,,,
29,2,,121470-44540,,"LABEL, SUB-TANK",1,1,,,,,,,,,,,,,,,,
30,2,,933112-45000,,"LABEL, DANGER",1,1,,,,,,,,,,,,,,,,
31,2,,933112-50200,,LABEL,1,1,,,,,,,,,,,,,,,,
32,2,,933112-52000,,"LABEL, FUEL",1,1,,,,,,,,,,,,,,,,
33,2,,933112-91400,,"LABEL, YANMAR",2,2,,,,,,,,,,,,,,,,
34,2,,933112-92200,,"LABEL, SSS MARK",2,2,,,,,Z,,,M00662,,M00662,,,,,,
35,2,,933112-94100,,"LABEL, TURBO",1,1,,,,,,,,,,,,,,,,
36,2,,933112-94200,,"LABEL, TURBO",1,1,,,,,,,,,,,,,,,,
37,2,,933112-94300,,"LABEL, SALOON",1,1,,,,,,,,,,,,,,,,
38,2,,172512-03130,,LABEL,1,1,,,,,,,,,,,,,,,,
39,2,,172312-03190,,LABEL,1,1,,,,,,,,,,,,,,,,
40,2,,172122-03260,,"LABEL, NO.1 MARK",2,2,,,,,W,,,M00662,,M00662,,,,,,
41,2,,172312-03430,,"LABEL, LOCK",1,1,,,,,W,,,M00554,,M00554,,,,,,
42,1,,172312-03320,,"LABEL(B),BH.OPRATION",,,,,,1,,,,,,,,,,,,
43,1,,172312-03330,,"LABEL(C),BH.OPRATION",,,,,,1,,,,,,,,,,,,
44,1,,172312-03340,,"LABEL(D),BH.OPRATION",,,,,,1,,,,,,,,,,,,

'兴 -(I ,\ ν( 寺l' ~./)(斗~rJ万 11)
Fig. • LABEL(CABIN) (PREVIOUS TYPE)
:iUJ1
吨
19 8 28 5
TO M/ :l:F 20500
~"'" 1::)1甘.-( t: t: 7 内倒
CABIN SIDE DOOR INNER SIDE
7A
23A
23s
25 24
27 15 7 日
SPEC. COOE
072312-03100
072312-03110
072312-03140
072312-03150
072312-03160
072312-03170
6

2,1,,772312-03101,,"LABEL ASSY,CAB.B",1,,,,,,,,,,,,,,,,,
2-1,1,,772312-03102,,"LABEL ASSY,CAB.B",1,,,,,,S,,,M20517,,,,,,,,
3,1,,772312-03111,,"LABEL ASSY,CAB.R",,1,,,,,,,,,,,,,,,,
3-1,1,,772312-03112,,"LABEL ASSY,CAB.R",,1,,,,,S,,,,,M20517,,,,,,
4,2,,172122-03141,,"LABEL, GREASE",1,1,,,,,,,,,,,,,,,,
5,2,,172312-03161,,LABEL,1,1,,,,,,,,,,,,,,,,
6,2,,172124-03170,,"LABEL, STRIPE (C)",1,1,,,,,,,,,,,,,,,,
7A,2,,172312-03170,,LABEL,1,,,,,,,,,,,,,,,,,
7B,2,,172312-03300,,,,1,,,,,,,,,,,,,,,,
8,2,,172312-03180,,LABEL,1,1,,,,,,,,,,,,,,,,
9,2,,172312-03200,,"LABEL, MODEL",2,2,,,,,,,,,,,,,,,,
10,2,,172312-03210,,"LABEL, STRIPE (A)",1,1,,,,,,,,,,,,,,,,
11,2,,172312-03220,,"LABEL, STRIPE (B)",1,1,,,,,,,,,,,,,,,,
12,2,,172312-03230,,"LABEL, STRIPE (C)",1,1,,,,,,,,,,,,,,,,
13,2,,172312-03240,,"LABEL, STRIPE (D)",1,1,,,,,,,,,,,,,,,,
14,2,,172312-03250,,"LABEL, STRIPE (E)",1,1,,,,,,,,,,,,,,,,
15,2,,172511-03250,,"LABEL, LEVER LOCK",1,1,,,,,,,,,,,,,,,,
16,2,,172312-03260,,"LABEL, STRIPE (F)",1,1,,,,,,,,,,,,,,,,
17,2,,172312-03270,,"LABEL, STRIPE (G)",1,1,,,,,,,,,,,,,,,,
18,2,,172312-03280,,"LABEL, BUMPER",1,1,,,,,,,,,,,,,,,,
18-1,2,,172312-03281,,"LABEL, BUMPER",1,1,,,,,R,,,M20517,,M20517,,,,,,
19,2,,172312-03290,,LABEL,1,1,,,,,,,,,,,,,,,,
20,2,,172122-03360,,"LABEL, STRIPE (LF2)",1,1,,,,,,,,,,,,,,,,
21,2,,172312-03111,,"LABEL, SPECIFICATION",1,1,,,,,,,,,,,,,,,,
21-1,2,,172312-03112,,"LABEL,SMALL",1,1,,,,,S,,,M20501,,M20501,,,,,,
22,2,,172122-03380,,"LABEL, STRIPE (LF1)",1,1,,,,,,,,,,,,,,,,
23A,2,,172312-03120,,,1,,,,,,,,,,,,,,,,,
23B,2,,172312-03310,,,,1,,,,,,,,,,,,,,,,
24,2,,172312-03141,,"LABEL, AIR PRESS",1,1,,,,,,,,,,,,,,,,
25,2,,172312-03130,,,1,1,,,,,,,,,,,,,,,,
26,2,,172122-03410,,"LABEL, STRIPE (RF1)",1,1,,,,,,,,,,,,,,,,
27,2,,172312-03150,,LABEL,1,1,,,,,,,,,,,,,,,,
28,2,,933112-47500,,LABEL,1,1,,,,,,,,,,,,,,,,
29,2,,121470-44540,,"LABEL, SUB-TANK",1,1,,,,,,,,,,,,,,,,
30,2,,933112-45000,,"LABEL, DANGER",1,1,,,,,,,,,,,,,,,,
31,2,,933112-50200,,LABEL,1,1,,,,,,,,,,,,,,,,
32,2,,933112-52000,,"LABEL, FUEL",1,1,,,,,,,,,,,,,,,,
32-1,2,,933112-52400,,"LABEL, FUEL",1,1,,,,,R,,,*1988.05,,*1988.05,,,,,,
33,2,,933112-91400,,"LABEL, YANMAR",2,2,,,,,,,,,,,,,,,,
33-1,2,,172124-03310,,"LABEL, YANMAR (L)",1,1,,,,,S,,,M20517,,M20517,,,,,,
34,2,,172122-03260,,"LABEL, NO.1 MARK",1,1,,,,,,,,,,,,,,,,
35,2,,933112-94100,,"LABEL, TURBO",1,1,,,,,,,,,,,,,,,,
36,2,,933112-94200,,"LABEL, TURBO",1,1,,,,,,,,,,,,,,,,
37,2,,933112-94300,,"LABEL, SALOON",1,1,,,,,,,,,,,,,,,,
38,2,,172512-03130,,LABEL,1,1,,,,,,,,,,,,,,,,
39,2,,172312-03190,,LABEL,1,1,,,,,,,,,,,,,,,,
40,2,,172312-03430,,"LABEL, LOCK",1,1,,,,,,,,,,,,,,,,
41,2,,172137-03290,,"LABEL, NO.1 MARK",1,1,,,,,,,,,,,,,,,,
42,2,,172312-03470,,"LABEL, SEAL",1,1,,,,,,,,,,,,,,,,
42-1,2,,172312-03471,,"LABEL, SEAL",1,1,,,,,S,,,M60571,,M60571,,,,,,
43,2,,172124-03260,,"LABEL, SEAL(A)",1,1,,,,,W,,,M20501,,M20501,,,,,,
44,2,,172122-03610,,"LABEL, SEAL(A)",1,1,,,,,W,,,M20501,,M20501,,,,,,
45,2,,172124-03320,,"LABEL, YANMAR (R)",1,1,,,,,W,,,M20517,,M20517,,,,,,
46,1,,172312-03320,,"LABEL(B),BH.OPRATION",,,,,,1,,,,,,,,,,,,
47,1,,172312-03330,,"LABEL(C),BH.OPRATION",,,,,,1,,,,,,,,,,,,
48,1,,172312-03340,,"LABEL(D),BH.OPRATION",,,,,,1,,,,,,,,,,,,

SPEC. COOE
072312-03100
D72312-03110
072312-03140
072312 卢 03150
072312-03160
072312-03170
辛句-1::二,吵.., ~ ~ï"内侧
CAB 1 Ñ 81 ÓE 'OOOR í NÑÉR S lD E ~号-1::)-内侧面
CIIBIH INSIDE
40
'‘五干 J\ 二.....(寺气'巳‘二.....)(ν/:万乡)
Fig. ~ LABEL (CABIN) (NEW TYPE)
2 inc.4 - 44
2 - 1 inc. 4 - 45
3 inc. 4 ~ 44
3 - 1 inc. 4 ~ 45
吨
19 8 28 5
27 15 7A
7 日
41 AU『,ιuno
qd1
,
14
FROM M/:排 20501
•• 罩'呵,L
no 呵J叮L
qJ
-44
n
,
L
/EJ 呵,L
AB
qJqJ 呵,&呵,&
楼体、键阴阳.打到他匮
MIICHINE SERIIIL NO. &
ENGINE 8ERIAl NO.
18 STAHPED INTO
THI8 LOCATION nγ叫JA4呵4··-1l
26
9
You're Reading a Preview
What's Included?
Fast Download Speeds
Online & Offline Access
Access PDF Contents & Bookmarks
Full Search Facility
Print one or all pages of your manual
$31.99
Viewed 28 Times Today
Loading...
Secure transaction
What's Included?
Fast Download Speeds
Online & Offline Access
Access PDF Contents & Bookmarks
Full Search Facility
Print one or all pages of your manual
$31.99
This parts catalog contains the necessary parts for the Yanmar crawler-backhoe models YB401W and YB401W-2.
- YB401W Machine No.00501 - 00503
- YB401W-2 Machine No.20501 - 60501
This manual is of high quality, with printable pages. It is instantly accessible without any shipping cost and eliminates the need to wait for a CD-ROM.
File Format: PDF
Language: English
Compatibility: All Versions of Windows & Mac
Requirements: Adobe Reader