calcActive())">
Yanmar B6-3P(R) B6-3C(R) Crawler Backhoe Parts Catalog Manual
What's Included?
Fast Download Speeds
Online & Offline Access
Access PDF Contents & Bookmarks
Full Search Facility
Print one or all pages of your manual
Viewed 37 Times Today
Secure transaction
What's Included?
Fast Download Speeds
Online & Offline Access
Access PDF Contents & Bookmarks
Full Search Facility
Print one or all pages of your manual
$41.99
This manual is suitable for individuals ranging from first-time owners/amateurs to professional technicians. It is designed in an easy-to-read format and provides all the necessary information to execute procedures accurately. Keeping this service manual accessible and referring to it regularly is recommended. Adhering to routine and preventive maintenance outlined in the manual will ultimately save time and money by averting premature failure and unnecessary repairs.
- Models Covered:
- Yanmar B6-3P(R) B6-3C(R) Crawler Backhoe
- Engine: 4TNE88-BX 4TNE88-EBX
Manual Contents:
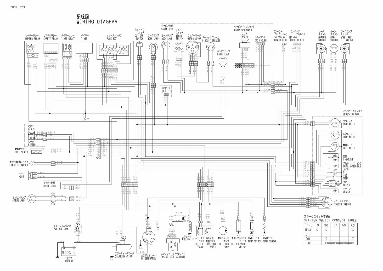
- Wiring Diagram
- Parts Information
File Format: PDF
Compatibility: All Versions of Windows & Mac
Language: English
Requirements: Adobe Reader









