calcActive())">
Yanmar Crawler Backhoe B32 & B32-1 Parts Catalog Manual
What's Included?
Fast Download Speeds
Online & Offline Access
Access PDF Contents & Bookmarks
Full Search Facility
Print one or all pages of your manual
Viewed 94 Times Today
Secure transaction
What's Included?
Fast Download Speeds
Online & Offline Access
Access PDF Contents & Bookmarks
Full Search Facility
Print one or all pages of your manual
$31.99
$41.99
This manual is suitable for individuals ranging from first-time owners to professional technicians. It is designed in an easy-to-read format and provides all the necessary information to perform procedures accurately. Keeping this service manual accessible and referring to it regularly is recommended. Regular and preventive maintenance can help save time and money by preventing premature failure and unnecessary repairs.
- Manual Contents:
- Model: Yanmar Crawler Backhoe B32 & B32-1
- Engine Model: 3TN84L-RBB
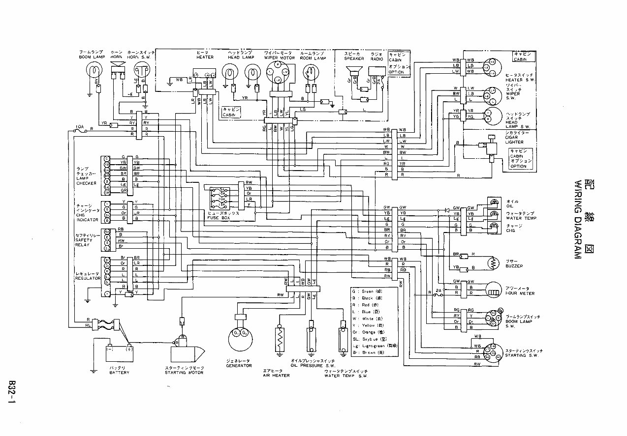
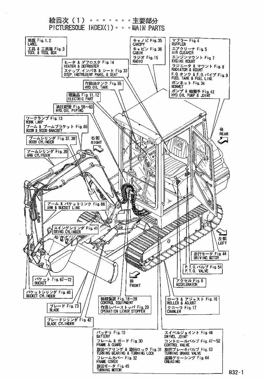
- All Parts Information and Wiring Diagram
File Format: PDF
Compatibility: All Versions of Windows & Mac
Language: English
Requirements: Adobe Reader









