KUBOTA BX23D Tractor Parts Manual - ILLUSTRATED MASTER Parts LIST Manual - (HIGH QUALITY Manual) - KUBOTA BX23 D - INS
What's Included?
Lifetime Access
Fast Download Speeds
Online & Offline Access
Access PDF Contents & Bookmarks
Full Search Facility
Print one or all pages of your manual
Instructions for Parts Books The heading at the top of the page will be the same for the picture of the parts at it is for the page with the part numbers. Definition of column headings on part number pages: REF.No The number refering to the part on the picture page of the parts book. Part No. The number assigned to this part at the time of printing the parts book. Description Discription of part. Q'ty Quanity of part used on that page. S.No. Serial number range of the equipment that this part will fit. >= Your serial number should be greater than or equal to the number shown. <= Your serial number should be lesser than or equal to the serial number shown. I/C Interchangeability of part shown. The part shown will work for the older and later serial number. # The part shown is not interchangable with the other serial number. new for old old for new Remarks Notes about this particulart part. Sometimes this may say except [FR] or [CA] Note about Country Codes: The parts books we use in the United States of America may also contain information about a part that would be different in another country. It is important that you are aware of the country codes in some instances. Symbol Country A United States of America CA Canada FR France GR Greece PO Portugal AU Australia If the remarks column says for example EXCEPT [FR] this part works in all countries except France. That means it will work here in the USA.
|ALL PRODUCT INDEX BX23D Ref. BX23D Page 11082 ENGINE FUEL SYSTEM COOLING WATER SYSTEM ELECTRICAL SYSTEM FRAME TRANSMISSION/HST/REAR AXLE SPEED CHANGE LEVER/BRAKE FRONT AXLE STEERING HYDRAULIC SYSTEM HOOD(BONNET)/ROPS FRONT WHEEL/REAR WHEEL LABELS ACCESSORIES OPTION
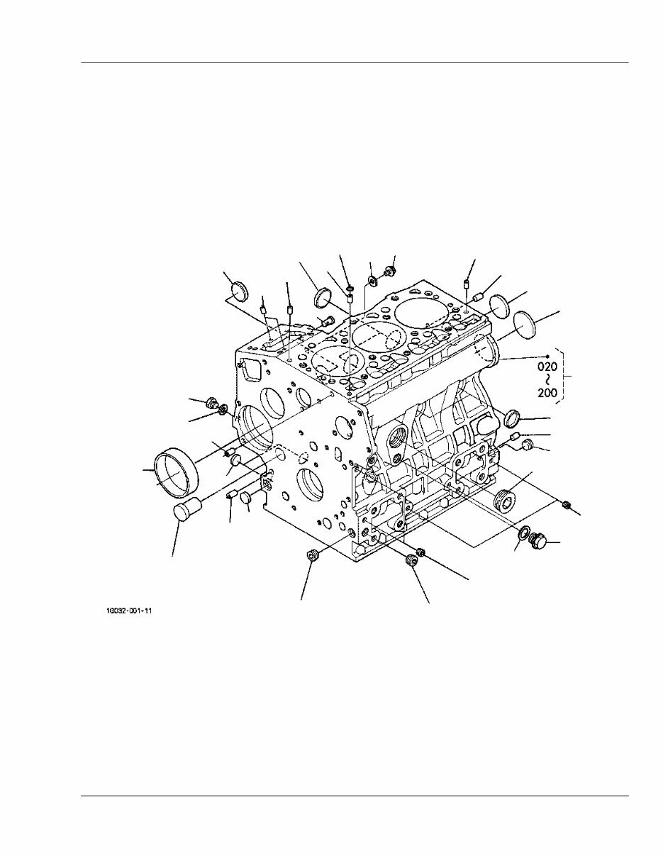
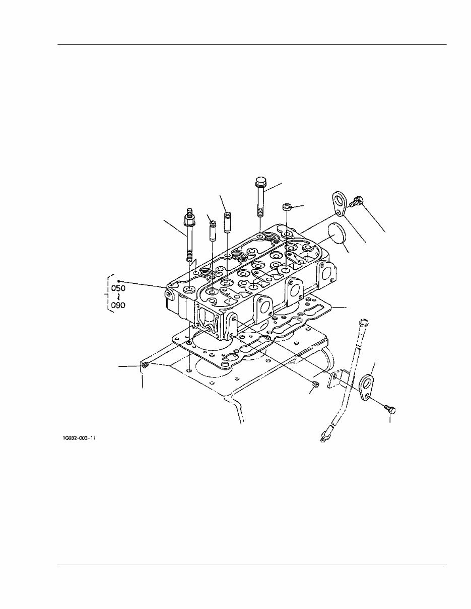
Ref. BX23D Page 11082 Item Part No. Description Book ENGINE 011001 CRANKCASE 100Z0254 011002 OIL PAN 100Z0254 011003 CYLINDER HEAD 100Z0254 011004 GEAR CASE 100Z0254 011005 HEAD COVER 100Z0254 011006 OIL FILTER 100Z0254 011007 DIPSTICK AND GUIDE 100Z0254 011100 MAIN BEARING CASE 100Z0254 011101 CAMSHAFT AND IDLE GEAR SHAFT 100Z0254 011102 PISTON AND CRANKSHAFT 100Z0254 011103 FLYWHEEL 100Z0254 011105 FUEL CAMSHAFT AND GOVERNOR SHAFT 100Z0254 011200 IDLE APPARATUS 100Z0254 011201 STOP SOLENOID 100Z0254 011202 INJECTION PUMP 100Z0254 011204 GOVERNOR 100Z0254 011205 SPEED CONTROL PLATE 100Z0254 011206 NOZZLE HOLDER AND GLOW PLUG 100Z0254 011207 NOZZLE HOLDER [COMPONENT PARTS] 100Z0254 011305 COVER 100Z0254 011400 DYNAMO AND PULLEY 100Z0254 011401 DYNAMO [COMPONENT PARTS] 100Z0254 011404 STARTER 100Z0254 011405 STARTER [COMPONENT PARTS] 100Z0254 011406 OIL SWITCH/THERMOMETER AND PLUG 100Z0254 011500 WATER FLANGE AND THERMOSTAT 100Z0254 011501 WATER PUMP 100Z0254 011504 FAN 100Z0254 011600 VALVE AND ROCKER ARM 100Z0254 011601 INLET MANIFOLD 100Z0254 011602 EXHAUST MANIFOLD 100Z0254 011700 HYDRAULIC PUMP 100Z0254 011701 HYDRAULIC PUMP [COMPONENT PARTS] 100Z0254 011900 UPPER GASKET KIT 100Z0254 011901 LOWER GASKET KIT 100Z0254 011603 AIR CLEANER 100Z0254 011605 MUFFLER 100Z0254 011703 HYDRAULIC PUMP COVER 100Z0254 01A001 ACCELERATOR LEVER 100Z0254 FUEL SYSTEM 01A101 FUEL TANK 100Z0254 01A110 FUEL PIPE 100Z0254 COOLING WATER SYSTEM 01A410 WATER PIPE 100Z0254 01A420 RADIATOR 100Z0254 ELECTRICAL SYSTEM 01A535 BATTERY 100Z0254 01B115 PANEL BOARD 100Z0254 01B215 SWITCH/SENSOR 100Z0254 01B30102 HEAD RIGHT 100Z0254 01B303 HAZARD LIGHT/TAIL LIGHT 100Z0254 01B310 WINKER LAMP 100Z0254 01B50102 ELECTRICAL WIRING 100Z0254 FRAME 01C413 FRONT FRAME 100Z0254 01C417 SUB FRAME 100Z0254 01C419 ENGINE SUPPORT 100Z0254 TRANSMISSION/HST/REAR AXLE 01C420 TRANSMISSION CASE 100Z0254 01C427 REAR AXLE CASE 100Z0254 01D001 CLUTCH SHAFT/OUTPUT SHAFT 100Z0254 01D005 PROPELLER SHAFT 100Z0254
Ref. BX23D Page 11082 Item Part No. Description Book TRANSMISSION/HST/REAR AXLE 01D010 HST 100Z0254 01D015 HST [COMPONENT PARTS] 100Z0254 01D107 RANGE GEAR SHAFT 100Z0254 01D135 PTO SHAFT 100Z0254 01D137 MID PTO 100Z0254 01D140 REAR DIFFERENTIAL 100Z0254 01D141 FWD IDLE SHAFT 100Z0254 01D142 GP IDLE SHAFT 100Z0254 01D143 FRONT WHEEL PROPELLER SHAFT 100Z0254 01D217 RANGE GEAR SHIFT FORK 100Z0254 01D220 PTO GEAR SHIFT FORK 100Z0254 01D222 PTO GEAR SHIFT ARM 100Z0254 01D225 DIFFERENTIAL LOCK SHIFT FORK 100Z0254 01D301 REAR AXLE 100Z0254 SPEED CHANGE LEVER/BRAKE 01E001 BRAKE 100Z0254 01F10702 NEUTRAL HOLDER LINK 100Z0254 01F108 SPEED CONTROL PEDAL 100Z0254 01F11002 RANGE GEAR SHIFT LEVER 100Z0254 01F113 FRONT WHEEL DRIVE LEVER 100Z0254 01F122 PTO SELECT LEVER 100Z0254 01F12502 PTO GEAR SHIFT LEVER 100Z0254 01F143 HYDRAULIC CONTROL LEVER 100Z0254 01F201 BRAKE PEDAL 100Z0254 01F205 DIFFERENTIAL LOCK PEDAL 100Z0254 FRONT AXLE 01G110 FRONT DIFFERENTIAL CASE 100Z0254 01G115 FRONT DIFFERENTIAL 100Z0254 01G120 DIFFERENTIAL GEAR SHAFT 100Z0254 01G125 FRONT AXLE CASE 100Z0254 01G130 FRONT AXLE 100Z0254 STEERING 01H101 STEERING HANDLE 100Z0254 01H110 STEERING CONTROLLER 100Z0254 01H120 STEERING LINKAGE 100Z0254 01H122 STEERING CYLINDER [COMPONENT PARTS] 100Z0254 HYDRAULIC SYSTEM 01J201 HYDRAULIC OIL LINE(SUCTION) 100Z0254 01J210 HYDRAULIC OIL LINE(DELIVERY) 100Z0254 01J215 HYDRAULIC OIL LINE(STEERING) 100Z0254 01J301 HYDRAULIC CYLINDER 100Z0254 01J310 HYDRAULIC PISTON/LIFT ARM 100Z0254 01J405 CONTROL VALVE 100Z0254 01J410 CONTROL VALVE [COMPONENT PARTS] 100Z0254 01K114 TOP LINK 100Z0254 01K115 LOWER LINK 100Z0254 01K116 LIFT ROD 100Z0254 01K123 TOP LINK BRACKET/FENDER BRACKET 100Z0254 01K130 MOWER REAR LINK RH 100Z0254 01K131 MOWER REAR LINK LH 100Z0254 01L125 PTO PROTECTOR 100Z0254 HOOD(BONNET)/ROPS 01M100 FRONT GUARD 100Z0254 01M10202 FRONT GLILLE SUPPORT 100Z0254 01M105 BONNET 100Z0254 01M11002 BONNET SIDE 100Z0254 01M135 CENTER PILLAR 100Z0254 01M201 PANEL FRAME 100Z0254 01M210 FENDER 100Z0254 01M217 SEAT SUPPORT 100Z0254 01M220 SEAT 100Z0254 01M225 STEP 100Z0254
Whether you're working on your Kubota BX23D Tractor or own one, this parts manual will help you look up all the parts in your vehicle, including parts numbers, parts diagrams, exploded views, serial numbers, part descriptions, and remarks.
It will be your ideal companion for servicing, repairing, rebuilding, replacing old parts, teardowns, overhauls, and adjustments.
This manual is delivered in a .PDF format, allowing instant access and storage on your computer. You can reference it anytime and print out specific pages as needed.
Order this manual now and start your repairs right away!
Related Terms:
Kubota BX23D Tractor, owners manual, service manual, operators manual, wiring, parts, specs, workshop manual, parts breakdown, for sale.