http://localhost:8033/ProductCatalog/DrawingPrint.aspx?ServicePartsPagelD... 14.11.2015 I 4 I Strip reinforcing 116 1990/71601 Page 3 of 3 Untitled Page 1111111111111111111111111 111111111111111111111111111111111111111111111111111111111111111 NOT FOR REPRODUCTION Page 3
http://localhost:8033/ProductCatalog/DrawingPrint.aspx?ServicePartsPagelD... 14.11.2015 Item Part# Change No Description Usage Code QTY 1 980/89066 Bucket LH Side Tip 1 2 :983/10799 Plate 1 3 :983/10800 Frame 1 736370 8 5 -----~1 ------------------------------------------------------------------------------------------ 9802/8000 A1-1-2 BUCKET, SIDE TIP R/H Product Catalog \ AGRICULTURAL \ CONSTRUCTION/ INDUSTRIAL \ BACKHOE LOADER 3CX,4CX,5CX,214,215,217 \ 3CX-4 00290001-00305999 9802/8000 \ A ATTACHMENTS \ A01 SHOVELS Page 1 of 2 Untitled Page 1111111111111111111111111 111111111111111111111111111111111111111111111111111111111111111 NOT FOR REPRODUCTION Page 4
http://localhost:8033/ProductCatalog/DrawingPrint.aspx?ServicePartsPagelD... 14.11.2015 4 :983/10801 Ram 1 For ram parts see E4-8-1 5 :983/10802 Pin 1 6 :983/10803 Pin Rod End 1 7 :983/10804 Pin Cylinder end 1 8 983/10805 Bolt 3 11 983/10806 Kit Hose 1 Page 2 of 2 Untitled Page 1111111111111111111111111 111111111111111111111111111111111111111111111111111111111111111 NOT FOR REPRODUCTION Page 5
http://localhost:8033/ProductCatalog/DrawingPrint.aspx?ServicePartsPagelD... 14.11.2015 Item Part# Change No Description Usage Code QTY 1 980/89066 Bucket LH Side Tip 1 2 :983/10799 Plate 1 3 :983/10800 Frame 1 736450 5 8 -----~1 ------------------------------------------------------------------------------------------ 9802/8000 A1-1-3 BUCKET, SIDE TIP L/H Product Catalog \ AGRICULTURAL \ CONSTRUCTION/ INDUSTRIAL \ BACKHOE LOADER 3CX,4CX,5CX,214,215,217 \ 3CX-4 00290001-00305999 9802/8000 \ A ATTACHMENTS \ A01 SHOVELS Page 1 of 2 Untitled Page 1111111111111111111111111 111111111111111111111111111111111111111111111111111111111111111 NOT FOR REPRODUCTION Page 6
http://localhost:8033/ProductCatalog/DrawingPrint.aspx?ServicePartsPagelD... 14.11.2015 4 :983/10801 Ram 1 For ram parts see E4-8-1 5 :983/10802 Pin 1 6 :983/10803 Pin Rod End 1 7 :983/10804 Pin Cylinder end 1 8 983/10805 Bolt 3 11 983/10806 Kit Hose 1 Page 2 of 2 Untitled Page 1111111111111111111111111 111111111111111111111111111111111111111111111111111111111111111 NOT FOR REPRODUCTION Page 7
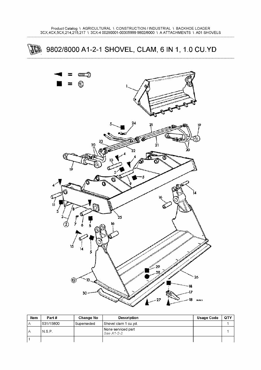
http://localhost:8033/ProductCatalog/DrawingPrint.aspx?ServicePartsPagelD... 14.11.2015 Item Part# Change No Description Usage Code QTY A 531/15800 Superseded Shovel clam 1 cu.yd. 1 A N.S.P. None serviced part 1 See A1-2-3 1 ..... = ~ • = ® 9802/8000 A1-2-1 SHOVEL, CLAM, 6 IN 1, 1.0 CU.YD Product Catalog \ AGRICULTURAL \ CONSTRUCTION/ INDUSTRIAL \ BACKHOE LOADER 3CX,4CX,5CX,214,215,217 \ 3CX-4 00290001-00305999 9802/8000 \ A ATTACHMENTS \ A01 SHOVELS Page 1 of 2 Untitled Page 1111111111111111111111111 111111111111111111111111111111111111111111111111111111111111111 NOT FOR REPRODUCTION Page 8
http://localhost:8033/ProductCatalog/DrawingPrint.aspx?ServicePartsPagelD... 14.11.2015 :531/15700 Clam assembly and backblade 1 2 ::531/15500 Blade back 1 Was 511115500 3 :::531/15503 Superseded Plate toe 1 3 :::531/15509 Superseded Plate toe 1 3 : : : 1 08/59204 Plate toe 1 4 : : 1305/3222 Superseded Bolt 6 4 : : 1305/3222Z Bolt 3/8"UNF x 3" 6 5 : : 1340/0203 Superseded Nut 11 5 : : 1340/0203Z Nut 11 6 : : 1021/3821 Pin pivot 2 7 : : 1450/0001 Nipple Grease, Straight 1/8 BSP 2 8 : : 1305/3236 Bolt 2 9 ::1019/2053 Superseded Pin pivot 44.45 X 273 long 2 9 : :811/80013 Pin pivot 2 10 ::1019/3832 Pin pivot 2 11 ::1017/2032 Pin pivot 2 12 ::531/15600 Clam 1 13 :::531/15606 Plate toe one piece 1 13 :::531/15605 Plate reinforcing 1 14 :1017/2006 Pin pivot 2 15 :1305/3226 Bolt L=1 .3/4" 2 16 :1209/0026 Bush 2 17 :531/03205 Tooth 6 18 :990/45900 Superseded Bolt and Nut 12 18 :M.S.S. Multi Supersession 1 18 ::826/00303 Ploughbolt 12 18 : : 1340/0701 Z Nut 3/4UNF 18 19 'See Remark' 2 .. Clam Ram. See Index E. 20 :612/20700 Hose 3/8"BSP x 345mm 4 21 :120/84900 Pipe 2 21 :121/26900 Pipe 2 22 :120/84700 Pipe 1 Part NIA. Use 121126700 + 121126900 22 :121/26700 Pipe 1 23 :120/84800 Pipe 1 Part NIA. Use 121126800 + 121126900 23 :121/26800 Pipe 1 24 :821/00055 Clamp Pipe top 1 25 :817/00151 Label 1 26 990/69701 Plate toe 1 Optional bolt on type. 27 826/00217 Ploughbolt 3/4UNF x 2-1/4 6 28 1416/0011 Washer 6 29 1340/0701 Nut 6 30 990/70001 Strip reinforcing 4 Weld to Clam Page 2 of 2 Untitled Page 1111111111111111111111111 111111111111111111111111111111111111111111111111111111111111111 NOT FOR REPRODUCTION Page 9
JCB 3CX - 4 SITEMASTR BACKHOE LOADER PARTS CATALOG MANUAL (SER. NUMBER 00290001-00305999)
For machines with serial number 00290001-00305999.
PAGES: 692
This parts catalog is necessary for determination of original number of the spare part of the producer. Further according to this number it was possible to find, order, buy easily the spare part for your machine.
This parts catalog contains parts used for all the machines having machine numbers which match serial numbers of this directory.
Manuals have:
Bookmarks
Searchable Text
Improved Quality
*INSTANT - NO WAITING
*LANGUAGE: English
*FORMAT: PDF
*COMPATIBLE: All Versions of Windows, Mac, iOS, BB, Android, etc
*SEARCHABLE - BOOKMARKED
This catalogue is divided into main sections corresponding to specific areas of the product. Each section is represented by detailed figures (illustrations), diagrams, part numbers to assist in locating and identifying parts.
Keep in mind that this is NOT a service/repair manual, only a parts catalog!
Categorized into groups such as:
Engine
Wheels
Fuel System
and MUCH MORE
And the ability to search makes finding what you need as easy as typing a word. The Manual can be viewed on any computer, as well as zoomed and printed.
Additional Information:
Documents may require the newest version of Acrobat Reader to display correctly. Should you have any problems reading your document, please initially try upgrading to the latest version of Adobe Acrobat Reader.
I have Thousands of Manuals - email me about any you might need.
Recently Viewed
5,521,897Happy Clients
2,594,462eManuals
1,120,453Trusted Sellers
15Years in Business
Price:
Actual Price:
JCB 3CX-4 SITEMASTR BACKHOE Loader Parts Catalog Manual (SER. NUMBER 00290001-00305999)