$EEUHYLDWLRQV
+RZWRXVHWKHZLULQJGLDJUDPV
(OHFWULFDOGLVWULEXWLRQ
2YHUYLHZ
)XVHV
(QJLQHFRPSDUWPHQW$
(QJLQHFRPSDUWPHQW%
(QJLQHFRPSDUWPHQW%
3DVVHQJHUFRPSDUWPHQW&
3DVVHQJHUFRPSDUWPHQW&
3DVVHQJHUFRPSDUWPHQW&
3DVVHQJHUFRPSDUWPHQW&
&DUJRFRPSDUWPHQW'
&DUJRFRPSDUWPHQW'
&DUJRFRPSDUWPHQW(
5HOD\V6KXQWV
,JQLWLRQVZLWFKDQGUHOD\V
(QJLQHFRPSDUWPHQW)0$)67
3DVVHQJHUFRPSDUWPHQW&0$&6+
&DUJRFRPSDUWPHQW50$56+
2WKHUUHOD\V
*URXQGFRQQHFWLRQV
&RQWUROPRGXOHV
2YHUYLHZORFDWLRQ
2YHUYLHZGHVLJQDWLRQV
&HQWUDO(OHFWURQLF0RGXOH&(0
5HDU(OHFWURQLF0RGXOH5(0
'DWDFRPPXQLFDWLRQ
*URXS
(QJLQHPDQDJHPHQWV\VWHPF\OQRUPDOO\DVSLUDWHG
(QJLQHPDQDJHPHQWV\VWHPF\O7XUER
(QJLQHPDQDJHPHQWV\VWHPF\O
(QJLQHPDQDJHPHQWV\VWHP%LIXHO
(QJLQHPDQDJHPHQWV\VWHP'LHVHO
(PLVVLRQFRQWUROF\OQRUPDOO\DVSLUDWHG
(PLVVLRQFRQWUROF\OF\O7XUER
*URXS
&RROLQJIDQ
*URXS
&UXLVHFRQWURO
*URXS
3RZHUVXSSO\
*URXS
6WDUWLQJV\VWHP
*URXS
+LJKDQGORZEHDPDX[LOLDU\OLJKWZLULQJ
+LJKDQGORZEHDPDX[LOLDU\OLJKWZLULQJ%L;HQRQ
)RJOLJKWV
3DUNLQJOLJKWVWDLOOLJKWVDQGOLFHQVHSODWHOLJKWLQJ
%UDNHOLJKWV
5HYHUVLQJOLJKWV
,QWHULRUOLJKWLQJ
%HDPOHQJWKDGMXVWPHQW
6DIHW\OLJKWLQJ
*URXS
,QGLFDWRUVDQGZDUQLQJOLJKWV
+RUQ
:LSHUZDVKHUZLQGVKLHOG
:LSHUZDVKHUKHDGOLJKWV
$FFHVVRU\(OHFWURQLF0RGXOH$(0
5DLQVHQVRU
$QWLWKHIWDODUP
(OHFWURQLFLPPRELOL]HU
*URXS
7RZLQJEUDFNHWZLULQJ
'LDJQRVWLFVV\VWHP
9RXWOHW
9FDUJRFRPSDUWPHQWRXWOHW
*URXS
'ULYHULQIRUPDWLRQPRGXOH
'ULYHULQIRUPDWLRQPRGXOH%L)XHO
6HDWEHOWUHPLQGHU
*URXS
5RDG7UDIILF,QIRUPDWLRQ57,
$XGLR
$XGLRZLWKDX[LOLDU\DPSOLILHU
0RELOHSKRQH
*URXS
$XWRPDWLFWUDQVPLVVLRQ$:61$:$:'
$XWRPDWLFWUDQVPLVVLRQ7(9
*HDUWURQLF
6KLIWORFN
'LIIHUHQWLDO(OHFWURQLF0RGXOH'(0
*URXS
%UDNH&RQWURO0RGXOH%&0
&RQWHQWV
2UGHUQXPEHU73
5HSODFHVSUHYLRXVPDQXDO73
9ROYRUHWDLQVWKHULJKWWRPDNHDPHQGPHQWV
*URXS
(OHFWURQLFSRZHUVWHHULQJ
*URXS
3RZHUZLQGRZV
&HQWUDOORFNLQJ
3RZHUVXQURRI
*URXS
+HDWHGUHDUZLQGRZ
+HDWHGGRRUPLUURUV
3RZHUGRRUPLUURUV
*URXS
+HDWHGVHDWV
3RZHUGULYHUVVHDW
3RZHUSDVVHQJHUVHDW
*URXS
0DQXDO&OLPDWH&RQWURO0&&
(OHFWURQLF&OLPDWH&RQWURO(&&
3DUNLQJKHDWHUDX[LOLDU\KHDWHU
*URXS
6566XSSOHPHQWDO5HVWUDLQW6\VWHP
(OHFWULFDOO\DGMXVWDEOHKHDGUHVWUDLQW
5HPRWHJDUDJHGRRURSHQHU
&RQQHFWRUV
-XQFWLRQSRLQWV
&DEOHKDUQHVVURXWLQJLQYHKLFOH
(QJLQHKDUQHVV*DVROLQH
(QJLQHKDUQHVV'LHVHO
7UDQVPLVVLRQKDUQHVV7(9
)URQWHQJLQHFRPSDUWPHQWKDUQHVV/+'
)URQWHQJLQHFRPSDUWPHQWKDUQHVV5+'
)URQWSDVVHQJHUFRPSDUWPHQWKDUQHVV/+'
)URQWSDVVHQJHUFRPSDUWPHQWKDUQHVV5+'
3DVVHQJHUFRPSDUWPHQWKDUQHVVFDUJRFRPSDUWPHQW
5RRIKDUQHVVERRWOLGWDLOJDWH
'RRUKDUQHVV
%LIXHOKDUQHVV
&RPSRQHQWLOOXVWUDWLRQV
%
$OSKDEHWLFDOLQGH[
/LVWRIFRPSRQHQWV
*URXSV
*URXS )XHOV\VWHP
*URXS &RROLQJV\VWHP
*URXS (QJLQHFRQWUROV
*URXS *HQHUDWRUDQGYROWDJHUHJXODWRU
*URXS 6WDUWLQJV\VWHP
*URXS /LJKWLQJ
*URXS $GGLWLRQDOHOHFWULFDOHTXLSPHQW
*URXS :LULQJDQGIXVHV
*URXS ,QVWUXPHQWV
*URXS 2WKHU
*URXS 7UDQVPLVVLRQ
*URXS %UDNHV\VWHP
*URXS 6WHHULQJ
*URXS 'RRUVDQGRSHQLQJV
*URXS ([WHULRUGHFRUDWLYHHOHPHQWVHWF
*URXS ,QWHULRUHTXLSPHQW
*URXS &OLPDWHFRQWUROV
*URXS ,QWHUQDOHTXLSPHQW
,JQLWLRQVZLWFKV\PEROV
; $FFHVVRULHVDXGLRSRVLWLRQ
6 3RZHUHGXSRQLQVHUWLRQRINH\
7KHVZLWFKUHPDLQVFRQQHFWHGGXULQJVWDUW
O &RQWDFWLVEURNHQZKLOHVWDUWLQJ
&RQVWDQWSRZHUIURPWKHEDWWHU\
6WDUW
&RXQWU\0DUNHW
$ $XVWULD
$86 $XVWUDOLD
% %HOJLXP
&'1 &DQDGD
&+ 6ZLW]HUODQG
' *HUPDQ\
'. 'HQPDUN
( 6SDLQ
(826 0DUNHWVRXWVLGH86$DQG&DQDGD
),1 )LQODQG
*% *UHDW%ULWDLQ
,65 ,VUDHO
- -DSDQ
.25 .RUHD
1 1RUZD\
1/ 1HWKHUODQGV
6 6ZHGHQ
86$ 8QLWHG6WDWHVRI$PHULFD
:(8 :HVWHUQ(XURSH
2WKHU
$&& $FFHVVRU\
$03 $PSOLILHU
$8',2 $XGLRV\VWHP
$872 $XWRPDWLFWUDQVPLVVLRQ
%L; %L;HQRQ
&(0 &HQWUDO(OHFWURQLF0RGXOH
'5/ 'D\WLPH5XQQLQJ/LJKWV
'67& '\QDPLF6WDELOLW\7UDFWLRQ&RQWURO
(;7' ([WHQGHGHOHFWULFDOGLVWULEXWLRQ
+,63((' +LJKVSHHGGDWDEXV
/+ /HIWKDQGVLGH
/+' /HIWKDQGGULYH
/263((' /RZVSHHGGDWDEXV
0$1 0DQXDOWUDQVPLVVLRQ
3&/ 3RZHU&KLOG/RFN
5(0 5HDU(OHFWURQLF0RGXOH
5+ 5LJKWKDQGVLGH
5+' 5LJKWKDQGGULYH
57, 5RDG7UDIILF,QIRUPDWLRQ
656 $LUEDJ
68/(9 6XSHU8OWUD/RZ(PLVVLRQ9HKLFOH
7(/( 0RELOHWHOHSKRQH
7 7XUERHQJLQH
8/(9 8OWUD/RZ(PLVVLRQ9HKLFOH
:2 :LWKRXW
&</ F\OLQGHUHQJLQH
&</ F\OLQGHUHQJLQH
&RORUV
%/ %OXH
%1 %URZQ
*1 *UHHQ
*5 *UD\
25 2UDQJH
3 3LQN
5 5HG
6% %ODFN
92 9LROHW
: :KLWH
< <HOORZ
$EEUHYLDWLRQV
+RZWRXVHWKHZLULQJGLDJUDPV
7KHGHVFULSWLRQVEHORZDSSO\LQJHQHUDOWR
DOOZLULQJGLDJUDPPDQXDOVDOWKRXJKQRW
DOOVHFWLRQVDUHQHFHVVDULO\FRQWDLQHGLQ
WKLVPDQXDO
$&RPSRQHQWGHVLJQDWLRQ
(YHU\FRPSRQHQWKDVDFRPSRQHQWGHVLJQDWLRQWKDW
FRQVLVWVRIWZRSDUWV
7KHILUVWSDUWLVDW\SHQXPEHUWKDWGHVFULEHVWKHW\SH
RIFRPSRQHQWLQTXHVWLRQIRUH[DPSOH[[
7KHVHFRQGSDUWRIWKHGHVLJQDWLRQLVDVHULDOQXPEHU
IRUH[DPSOH[
&RPELQHGWKHVHJLYHDFRPSRQHQWGHVLJQDWLRQIRU
H[DPSOH
$WWKHHQGRIWKHPDQXDOLVDOLVWRIFRPSRQHQWVZKHUH
ZLWKWKHKHOSRIWKHFRPSRQHQWGHVLJQDWLRQ\RXFDQ
UHDGRIIWKHQDPHRIWKHFRPSRQHQWIRUH[DPSOH
OLJKWVZLWFK
/LVWRIW\SHQXPEHUV
7KHOLVWVKRZVZKLFKW\SHRIFRPSRQHQWWKDWUHVSHF
WLYHW\SHQXPEHUVUHIHUWRIRUH[DPSOH[VZLWFK
[HOHFWULFPRWRUHWF
%DWWHU\
5HOD\
6ZLWFK
&RQWUROPRGXOH
'ULYHULQIRUPDWLRQPRGXOH
(OHFWULFPRWRU
6HQVRU
$FWXDWRU
+HDWLQJHOHPHQW
/LJKW
)XVH
(OHFWULFDOGLVWULEXWLRQUDLOER[
$XGLR
6HUYLFHGLDJQRVWLFV
&RQWDFWUHHO
0HWHU
,JQLWLRQFRPSRQHQWVKXQW
2SWLFV
*URXQGFRQQHFWLRQ
-XQFWLRQSRLQW
&RQQHFWRU
%-XQFWLRQSRLQWV
7KHZLULQJGLDJUDPVFRQWDLQQXPEHUHGMXQFWLRQSRLQWV
HJ
7KLVPDQXDOFRQWDLQVDVHFWLRQZLWKDOLVWRIMXQFWLRQ
SRLQWV7KLVOLVWVKRZVDOOWKHFRPSRQHQWVZKLFKDUH
FRQQHFWHGWRHDFKMXQFWLRQSRLQW
7KHORFDWLRQRIWKHMXQFWLRQSRLQWVLVVKRZQLQWKH
&DEOHKDUQHVVURXWLQJLQYHKLFOHVHFWLRQ
&&RQQHFWRUV
&RQQHFWRUVSURYLGHDEULGJHEHWZHHQWZRFDEOHVKDU
QHVVHVDQGDUHGHVFULEHGLQWKH&RQQHFWRUVVHFWLRQ
'(OHFWULFDOGLVWULEXWLRQ
2SHUDWLRQRIWKHIXVHVDQGUHOD\VLVVKRZQLQWKH
(OHFWULFDOGLVWULEXWLRQVHFWLRQ
('DWDFRPPXQLFDWLRQ
7RGD\VFDUVDUHHTXLSSHGZLWKD&$1QHWZRUNZKLFK
WUDQVPLWVLQIRUPDWLRQ&RQQHFWLRQVWRWKLVQHWZRUNDUH
VKRZQLQWKHLUHQWLUHW\RQWKHUHVSHFWLYHZLULQJGLDJUDPV
&RPSOHWHLQIRUPDWLRQRQ&$1FRPPXQLFDWLRQLVFDQ
EHIRXQGLQWKHVHFWLRQWLWOHG'DWDFRPPXQLFDWLRQ
)$EEUHYLDWLRQV
$QXPEHURIGLIIHUHQWDEEUHYLDWLRQVDUHXVHGLQWKH
PDQXDO7KHVHDUHH[SODLQHGLQWKHVHFWLRQ$EEUHYLD
WLRQV
*&RPSRQHQWORFDWLRQ
7KHUHLVDVHFWLRQDWWKHHQGRIWKHPDQXDOLQZKLFKWKH
DSSHDUDQFHDQGORFDWLRQRIFRPSRQHQWVLVGHVFULEHG
LQQXPHULFDORUGHU
+RZWRXVHWKHZLULQJGLDJUDP
/LVWRIV\PEROV
6\VWHPYROWDJH
*URXQGFRQQHFWLRQ
YLDZLULQJ
*URXQGFRQQHFWLRQRQ
FRPSRQHQWFKDVVLV
6FUHHQHGZLUH
-XQFWLRQSRLQW
7ZLVWHGFDEOH
(OHFWULFDOFRQQHFWLRQ
9DULDQW
&$1FRPPXQLFDWLRQ
&$1KLJKGDWDVLJQDO
&$1+
&$1ORZGDWDVLJQDO
&$1/
0267FRPPXQLFDWLRQ
6HULDOFRPPXQLFDWLRQ
',1FDEOHFRD[LDOFDEOHHWF
'DWDFRPPXQLFDWLRQ
&$1FRPPXQLFDWLRQ
&RQQHFWLRQZLWK
GLVWULEXWLRQER[
)XUWKHUFRQQHFWLRQWR
&RQQHFWRUEHWZHHQ
ZLULQJKDUQHVVHV
&RQQHFWRUFRQQHFWHG
WRFRPSRQHQW
&$1
A F B D E C
G
BL
15/20:13
3
5
2
1
4
R
2/80
1
2 3/10 RMI4
3
1
4/58
REM
CEM
4/56
A:1
SB
31/96
3
54/3LF 15/24:2
Y-GR Y-GR Y-GR
MAN
53/326
SB
MAN
11D/3
2
1 1
2
11D/4
30+
4/28
TCM
B:14
B:2
B:1
B:13
D:3
D:2
B:17
B:18
10/17
B:1
B:3
31/73
SB
SB
10/48 10/55
A:14
A:16
53/604
SB
53/601
SB
31/72
BL
54/51
12
53/615
B:3
B:1
10/18
CAN
CAN
CAN
BL
BL
10/1-2
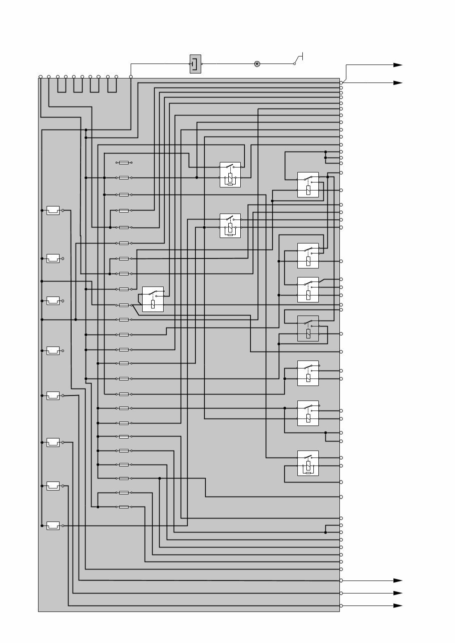
(OHFWULFDOGLVWULEXWLRQ
2YHUYLHZ
5
2
1
3
4 5
2
1
3
4 5
2
1
3
4 5
2
1
3
2
5 4
3
1
2
3
1
2
5
3
1
D
R
11A 11A 11A
3
1
2
2
1
2
1
2
1
2
1
2
1
2
1
2
1
2
1
2
1
2
1
2
1
2
1
2
1
2
1
2
1
2
1
2
1
2
1
2
1
2
1
2
1 1
2
1
2 2
1
17/17
C6:2
C3:2
A1:1
C5:14
C4:11
C4:6
A1:5
C6:1
C5:16
C5:10
C4:8
C4:5
C6:5
C6:9
C6:8
C5:15
C2:2
FMI3
2/92
FST1
2/91
FST3
2/93
2/90
C3:4
A1:10
A1:11
C4:9
C4:10
C4:2
A1:12
C4:1
A1:13
2/32
3
2/14
FMA2
5
2
1
FMA3
2
11A
7
2 2
11A
6
11A
8
11B/14
11B/15
11B/16
11B/17
11B/18
11B/19
11B/20
11B/21
11B/22
11B/23
11B/24
C5:2
C6:11
A1:6
C5:11
C4:16
A1:8
C4:12
C4:14
A1:3
C5:13
C6:3
A1:14
A1:2
A1:7
FMI4 FMI2
2/17
FMI1
2/22
FMA4
2/35
C2:1
15/30
C1:2
C1:1
C6:7
5
2
11A
4
11A
3
2 2 2 2
2 1
11B/1
11B/2
11B/3
11B/4
11B/5
11B/6
11B/7
11B/8
11B/9
11B/10
11B/11
11B/12
C4:7
11B/13
31/93
SB
53/329
SB
20/16
R-W
A B C
R-W
R
R-SB
SB
E
15/31
1
2
FST2
2/33
3
5
C5:12
C6:4
C4:4
C4:3
C6:12
C6:13
C3:1
C3:3
C4:15
C6:10
C6:6
2
1
4
5 4 5 4
C5:9
C5:1
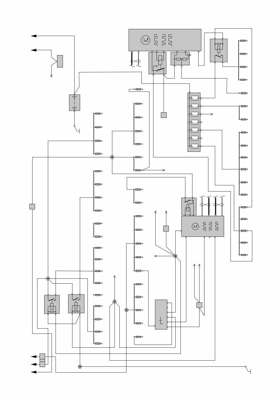
(OHFWULFDOGLVWULEXWLRQ
2YHUYLHZ
6/25:1
R
R
2
R
R R
1
R
6/26:1
GN-R
BL-R
ABC D
R
4/9B:27/55
11C/11
11C/29
2
54/3LH
R
3
54/3LD
R
2/30 CMA2
2/31 CMA3
4
2(85)
2
R
1
3(30)
5(87)
BL
3
1(86)
2
4
5(87)
VO
R
1
3(30)
3
R
53/402
R
SB
11C/1
1 1
11C/2
2 2
11C/4
1 1
11C/3
1
11C/5
2 2 2
1
BL
53/403
1 1 1
53/408
11C/8
1
11C/6
1 1
11C/7
2 2 2
1
11C/9
1 1
11C/10
2 2 2
1 1 1
R
1 1 1
11C/23
4
3/1
11C/20
2
R-SB
11C/22 11C/21
2 2 2
X
30
5
S
3 7
50
6
15
8
1
15
16/65:1
11C/26 11C/25 11C/24
2 2 2
11C/27
2
11C/28
2 2
BL-R
53/443
BL-R
BL-R
11C/37 11C/35 11C/36 11C/34
11C/16 11C/13 11C/12
1 1
2 2
1
11C/14
1 1
11C/15
2 2 2
Y
1 1
R
53/415
1 1 1
11C/19
1
11C/17
1 1
11C/18
2 2 2
1 1
1
1
11C/30
2 2
11C/31 11C/33
2
2
11C/32
2 2 2
2
11C/38
2
Y-W
VO
4/46B:37
11D/11
SB
54/3LC
53/405
Y-W
4
15/31_C4:16
4/46B:23
54/3LE
GN-R
1
BL-R
Y
R
1
11E
6 7
2
4 5
2 2
2 3
2 2
1
R
R
31/6
2
1 1 1
11D/1
2 2
11D/2
1 1
11D/4
2
11D/3
2
11D/5
1 1 1
11D/7
2 2
11D/6
2
11D/8
2/82:1
1 1 1
11D/10
2 2
11D/9
2
2(85)
5(87)
4
B:3
B:1
A:20
4/56
CEM
B:2
CAN
CMI5
2
2/61
1
1 3
1/1
12V
D:2
D:3
B:17
B:18
5
3
R-W
RMA1 2/52
+
3(30)
1
3
2
1(86)
4
SB
-
11D/14
1 1 1
2
11D/13
2
11D/12
2
1
BL
1
2
11D/15
2
11D/16
31/53
VO VO
VO
BL-R
BL-R
2
R
SB
E
SB
VO
R-SB
R
11D/17
1
2
1(86)
2(85)
11D/18
1
2
D:18
BL-W
2/79
RMI5
Y
RSH6
A:16
A:14
2
3
3
1
Y
3
5
2
20/31
1
4
REM
CAN
4/58
54/51
4
R
4/56E:6
R
4/9B:28/56
)XVHV
(QJLQHFRPSDUWPHQW$
$)XVHVLQWKHHQJLQHFRPSDUWPHQW
1R )XVHIXQFWLRQ YLD $
*ORZSOXJ
& )XVHVLQWKHSDVVHQJHUFRPSDUWPHQW
& )XVHVLQWKHSDVVHQJHUFRPSDUWPHQW
& )XVHVLQWKHSDVVHQJHUFRPSDUWPHQW
& )XVHVLQWKHSDVVHQJHUFRPSDUWPHQW
& )XVHVLQWKHSDVVHQJHUFRPSDUWPHQW
& )XVHVLQWKHSDVVHQJHUFRPSDUWPHQW
& )XVHVLQWKHSDVVHQJHUFRPSDUWPHQW
& )XVHVLQWKHSDVVHQJHUFRPSDUWPHQW
& )XVHVLQWKHSDVVHQJHUFRPSDUWPHQW
0RWRUHOHFWULFFRROLQJIDQ
11A/7
11A/4
11A/2
11A/3
11A/8
11A/1
)XVHV
(QJLQHFRPSDUWPHQW%
%)XVHVLQWKHHQJLQHFRPSDUWPHQW
1R )XVHIXQFWLRQ YLD $
&RPEXVWLRQ3UHKHDWHU0RGXOH&30
$FFHVVRU\DX[LOLDU\OLJKW
)XHOGLVWULEXWRUJDV
9DFXXPSXPS
9DOYHIXHOFXWRII')&2
(QJLQH&RQWURO0RGXOH(&0'LHVHO
+HDWHGR[\JHQVHQVRU
+HDWHGR[\JHQVHQVRUGLDJQRVLV
+HDWHGR[\JHQVHQVRU
+HDWHGR[\JHQVHQVRUGLDJQRVWLFSUREH
6ROHQRLGYDOYHKLJKSUHVVXUHGLHVHO
3XPSIXHOOHDNDJHFKHFN86$&'1
(9$3YDOYH
6ROHQRLGYDULDEOHYDOYHWLPHLQOHW
7XUERFKDUJHUFRQWUROYDOYH
6ROHQRLGYDULDEOHYDOYHWLPLQJRXWOHW
37&UHVLVWRUDLUSUHKHDWLQJF\O3HWURO%L)XHO
0DVVDLUIORZVHQVRU0$)'LHVHO
(QJLQH&RQWURO0RGXOH(&0
0DVVDLUIORZVHQVRU0$)
,QMHFWRUV
(QJLQH&RQWURO0RGXOH(&0
(OHFWURQLF7KURWWOH0RGXOH(70
&RROLQJIDQHOHFWULFVER[HQJLQHFRPSDUWPHQW
$FFHOHUDWRUSHGDOVHQVRU
(OHFWURPDJQHWLFFOXWFKFOLPDWHFRQWUROV\VWHP
+RUQUHOD\
+RUQ
+RUQ
FRQWLQXHV
X X X X X X
17
18
19
20
21
22
23
24
9
10
11
12
13
14
15
16
1
2
3
4
5
6
7
8
You're Reading a Preview
What's Included?
Lifetime Access
Access PDF Contents & Bookmarks
Print one or all pages of your manual