1 How to use the wiring diagrams ................................................................. 2 Electrical distribution unit, fuses ................................................................ 4 Fuses ........................................................................................................... 5 Ignition lock and relay location in engine compartment ............................ 6 Relay location, electrical dist. unit ............................................................. 7 Wiring harnesses ......................................................................................... 8 Connectors .................................................................................................. 9 Ground connections .................................................................................... 20 Group 23 LH-jetronic 2.4 multiport fuel injection system (MFI) (B 200 F/G, B 230 F/FB/FD/G) ................................................................. 22 LH-jetronic 2.4 multiport fuel injection system (MFI) (B 200 FT, B 230 FT/GT) ........................................................................... 24 Regina multiport fuel injection system (MFI) (B 230 F) ........................... 26 Group 26 Engine cooling fan ...................................................................................... 28 Group 27 Cruise control ............................................................................................. 30 Cruise control, function (schematic presentation) ...................................... 32 Group 28 EZ 116 K Distributor ignition (DI) system (B 200 F/G, B 230 F/FB/FD/G) ................................................................. 34 EZ 116 K Distributor ignition (DI) system (B 200 FT, B 230 FT/GT) ..... 36 REX-1 Distributor ignition (DI) system (B 230 F) .................................... 38 Group 32 Power supply ............................................................................................... 40 Group 33 Starter system ............................................................................................. 42 Diesel preheating, overload protector and EGR (D 24 TIC) ...................... 44 Group 35 High and low beam ..................................................................................... 46 High and low beam, Nordic region, Netherlands, Belgium ....................... 48 High and low beam, Great Britain .............................................................. 50 Reduced intensity low beam (DIM-DIP) Great Britain ............................. 52 High and low beam, USA ........................................................................... 54 High and low beam, Canada ....................................................................... 56 Beam width control .................................................................................... 58 Parking lights, tail lights and number plate lights ...................................... 60 Parking lights, tail lights and number plate lights USA, Canada ............... 62 Brake lights ................................................................................................. 64 Brake lights, USA, Canada ......................................................................... 66 Backup (reversing) lights ............................................................................ 68 Glove compartment and vanity mirror lighting .......................................... 70 Interior lighting ........................................................................................... 72 Trunk light .................................................................................................. 74 Instrument and control panel lights ............................................................ 76 Foglights ...................................................................................................... 78 Foglights, Japan, Saudi Arabia, Taiwan and Overseas ............................... 80 Foglights, USA, Canada ............................................................................. 82 Rear foglights, USA, Canada ..................................................................... 84 Group 36 Turn signals and hazard warning flashers .................................................. 86 Horn ............................................................................................................ 88 Headlight wash/wipe ................................................................................... 90 Windshield wash/wipe ................................................................................ 92 Tailgate wash/wipe ...................................................................................... 94 Cigar lighter ................................................................................................ 96 Group 37 On-board diagnosis (OBD) ......................................................................... 98 Pre-routed wiring for anti-theft alarm ........................................................ 100 Pre-routed wiring for towing hook ............................................................. 102 Group 38 Bulb malfunction indicator ......................................................................... 104 Bulb malfunction indicator for cars with extra brake light ........................ 106 Bulb malfunction indicator with brake monitor ......................................... 108 Seat belt reminder ....................................................................................... 110 Seat belt reminder with ignition key warning, USA, Canada, Korea ........ 112 Combined instrument ................................................................................. 114 Speedometer and tripmeter ......................................................................... 116 Ambient temperature gauge ........................................................................ 118 Group 39 Radio connections, 4-door .......................................................................... 120 Radio connections, 5-door .......................................................................... 122 Radio connections, 4-door (Radio with integrated amplifier) ................... 124 Radio connections, 5-door (Radio with integrated amplifier) ................... 126 Group 43 M 46 Overdrive ........................................................................................... 128 AW 70/70/72 Overdrive with kickdown inhibitor AW 71/72 ..................... 130 P-shift lock, automatic transmission ........................................................... 132 Group 59 ABS Brake system ...................................................................................... 134 Group 83 Power window lifts ..................................................................................... 136 Central locking ............................................................................................ 138 Power sunroof ............................................................................................. 140 Group 84 Heated rear window .................................................................................... 142 Heated rear window and door mirrors with timer relay ............................. 144 Power door mirrors ..................................................................................... 146 Group 85 Heated driver’s/passenger’s seat, normal output ......................................... 148 Heated driver’s/passenger’s seat, high output ............................................. 150 Power seat ................................................................................................... 152 Power seat with memory ............................................................................. 154 Group 87 Cabin fan, standard heater .......................................................................... 156 Manual Climate Control (MCC) ................................................................ 158 Electronic Climate Control (ECC) ............................................................. 160 Exhaust temperature sensor (Japan) ........................................................... 162 Group 88 SRS Supplemental Restraint System (airbag) ............................................ 164 SRS Supplemental Restraint System (airbag) USA, Canada ..................... 166 Feedback ..................................................................................................... 168 List of components (foldout) ....................................... at the end of the book Alphabetical index .................................................................. at end of book We reserve the right to make alterations to specification Contents Order no. TP 3904032 (UK) Order no. TP 3904202 (USA/CDN) Supersedes TP 3904031 Supersedes TP 3904201
Get your hands on the Volvo 940 1994 Electrical Wiring Diagram Manual, an essential resource for both professional mechanics and DIY enthusiasts. This comprehensive manual covers a wide range of electrical components and systems, including:
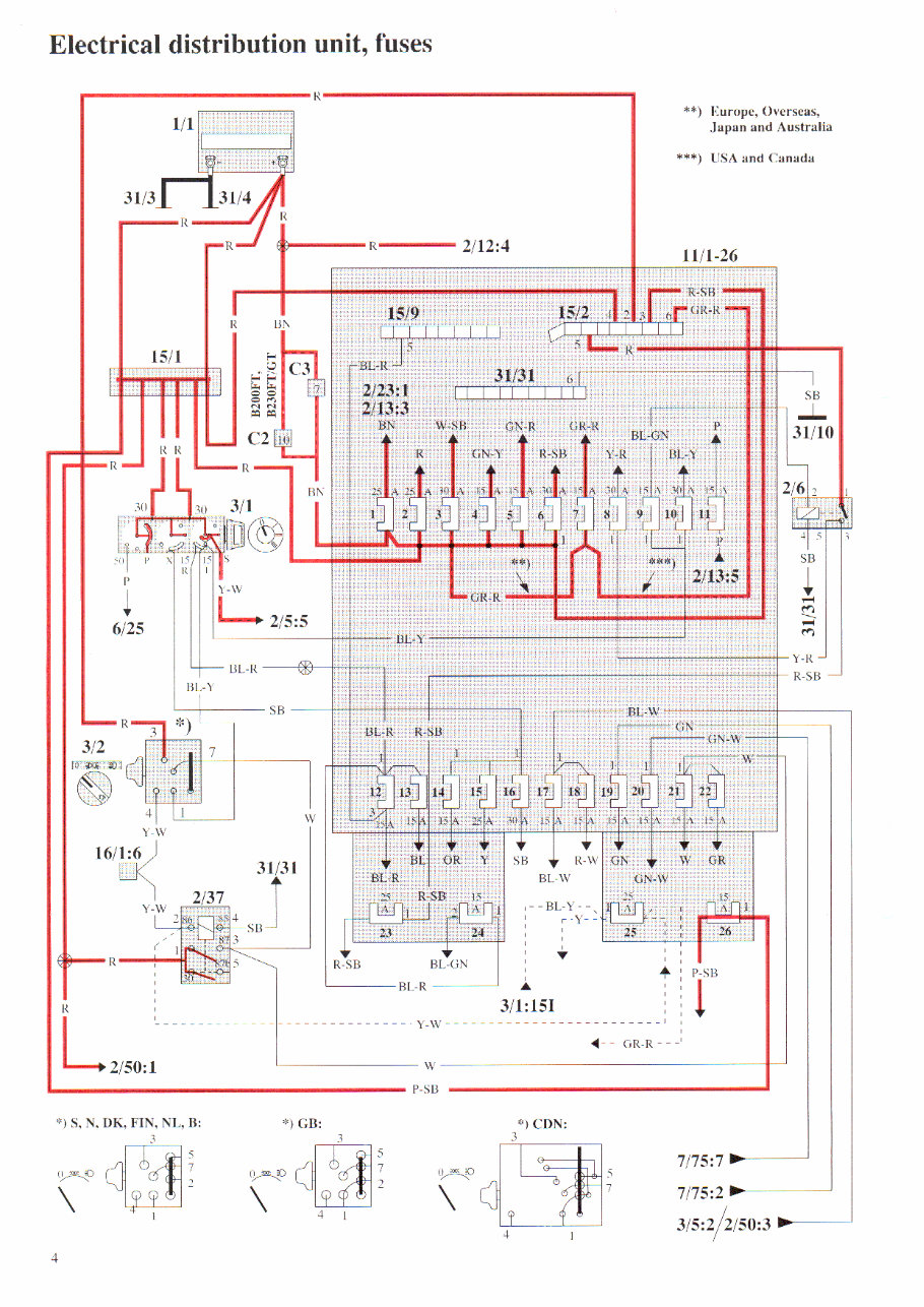
Electrical Distribution
Fuses
Relays
Distribution Rails
Ground Connection
Control Modules
Engine Management System
Electric Cooling
Cruise Control
Charging Circuit, Starting Circuit
High and Low Beams, Fog Lights
Parking Lights / Side Marker Lights and License Plate Lighting
Reversing and Brake Lights, Filament Monitor
Interior Lighting, Power Sunroof and Key-Inserted Reminder
Beam Length Adjustment
Instrument and Control Lighting
Indicator and Warning Lights
Wipers / Washers, Windshield, Headlights and Rear Window
12V Outlet and Hom
Electronic Immobilizer
Diagnostics System
Seat Belt Reminder
Combined Instruments Panel
Radio
Automatic Transmission / Vacuum Pump EMS 2000
ABS
DSA
Central Locking and Anti-Theft Alarm EU/OS
Central Locking and Anti-Theft Alarm USA
Power Windows and Door Mirrors
Heated Rear Window and Door Mirrors
Heated Seats
Power Seats
Climate Control System
Supplemental Restraint System (SRS)
Towing Bracket Wiring
Connectors
Junction Points
Cable Harness Routing in Vehicle
Component illustrations
This manual is meticulously written in a step-by-step format, providing detailed instructions for easy repairs, ultimately saving you expenses. The file format is compatible with all versions of Windows & Mac, and it is available in English. It requires Adobe Reader & Win for access.