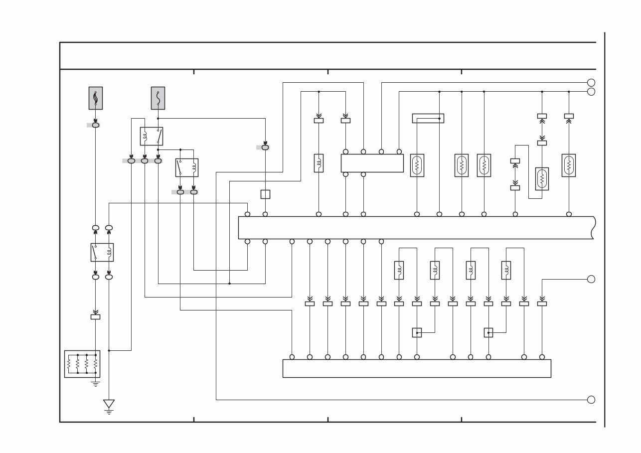
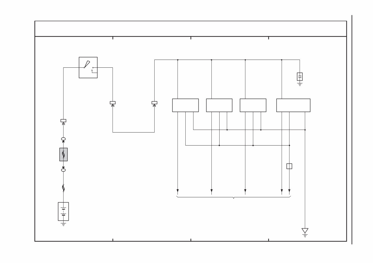
HIACE (EWD622E) 348 M OVERALL ELECTRICAL WIRING DIAGRAM 1 2 3 4 4 HIACE ( Cont. next page ) Engine Control ( 2TR–FE ) ( ∗1 ) W–B ( ∗1 ) B–R Battery FL MAIN 2. 0L 2 30A AM2 1 2 2 HB2 1 W–B ( ∗1 ) 15A A/F ST2 IG2 AM2 6 7 H25 20A EFI ( ∗1 ) MAIN Relay C/OPN Relay A/F Relay 1J 4 1J 1 1J 2 1J 3 1I 2 1I 3 1I 4 B B2 ( ∗1 ) 1J 8 1J 7 1J 6 ( ∗1 ) BR B–W BP1 4 Ph1 1 W–B W–B BR B–R M Pump B–R B–R W–B 5 4 W–B W–B Ph1 3 BP1 8 ( ∗1 ) W–B W–B W–B G–Y B–R B–R 50A A/PUMP 1E 1 W–R BD1 15 BD1 13 BD1 14 BD1 2 BD1 11 B2 D2 W–R W–R M 1 2 1 2 1 3 ( ∗1 ) B–R B–R W ( ∗1 ) W–B B–R L B–R W–B B–R 11 Y LG W–R Y LG D43 W–R B–W h2 B–R BR D30 B–W B B17 B–R B–R W–R ( ∗1 ) LG ( ∗1 ) Y ( ∗1 ) L–Y B–R B–R G–Y L B–R W–B SIP DI SIV VP W E +B B14 ( A ) , B12 ( B ) BATT DB1 HB2 4 DB1 3 B–R B–R ( ∗1 ) L ( ∗1 ) L ( ∗1 ) ( ∗1 ) ( ∗1 ) ( ∗1 ) ( ∗1 ) ( ∗1 ) ( ∗1 ) ( ∗1 ) W–B L–Y ( ∗1 ) ( ∗1 ) HB2 26 B–R ( ∗1 ) B–R ( ∗1 ) ( ∗1 ) ( ∗1 ) ( ∗1 ) ( ∗1 ) ( ∗1 ) 4 ( BAT ) ( BAT ) ( BAT ) 2 2 A 1 B 5 B 1 B 6 A 2 B 3 B 2 B 4 ( ∗1 ) Air Injection Control Driver Air Pump Air Switching Valve Junction Connector Ignition SW Fuel Suction Pump and Gage Assembly ∗ 1 : Australia, Chile, China, Ecuador, Hong Kong, New Zealand, Thailand A B C D E F G H I J
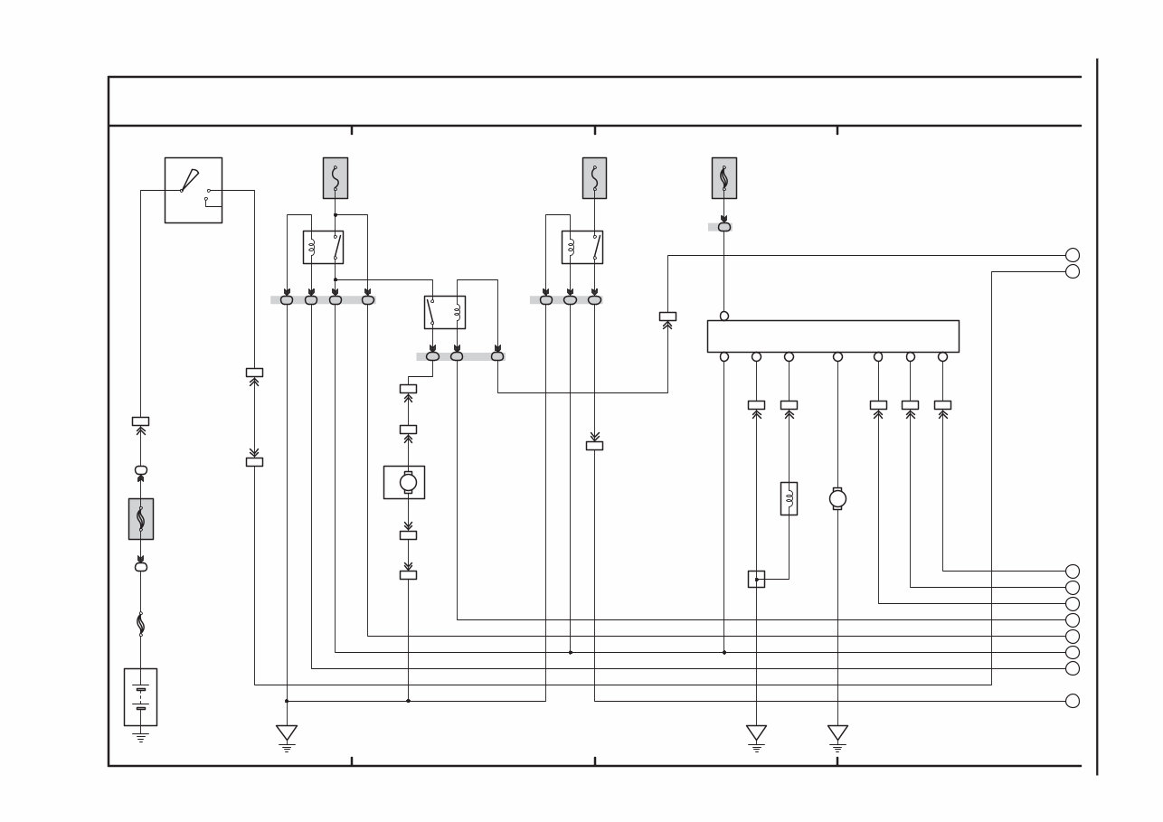
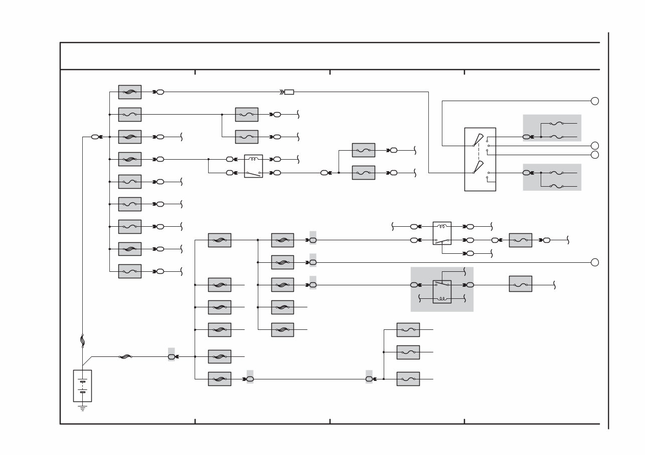
HIACE (EWD622E) 349 M 7 8 6 5 ( Cont. next page ) 4 HIACE ( Cont' d ) Engine Control ( 2TR–FE ) 1 2 B–R B–R 10 9 8 2 15A IGN 5E 9 5C 7 5E 21 3 AB1 2 1 2 1 2 1 2 1 DB1 9 DB1 20 AB1 AB1 19 11 AB1 10 AB1 8 DB1 2 2 2 R–L B–R 1 5M G–R B–R B–R 10A MET IGN 2 1 3 4 32 Check Engine ST1– W Stop Light System<12–4> 6 HB1 21 G–R 10A ETCS 2 1 1 DB1 DB1 5 B2 Y 2 L H20 Y–R Y–R B D19 Y–R 3 D27 Y–R L–B 4 D26 B–R B–R 5 D25 B–R B–R 6 D24 D44 D28 2 11 3 G R 2 Y 1 L–B L ( ∗4 ) L–B 3 D44 1 Y–G L–R Y–R R–W R 1 Y–G L–R R 6 Y–R Y–R 4 R L–R Y–G 5 VCP2 EPA2 VPA2 VCPA EPA B–R VPA B–R VC E2 4 +B AIRP B–R AIDI AIRV B B–R B–R G–Y W–R ( ∗1 ) 2 LG ( ∗1 ) Y ( ∗1 ) L–Y B–R B–R B–R B–R G–Y L 3 B–R B1 Y–R L–Y Y–R Y–R Y B–R L LG 3 D31 VAF W–R VC GE01 B–R M– M+ VTA1 D29 VTA2 B–R E2 THW B–R THA E2G B–R VG PRG A3 MREL +B B BATT FC B–W B9 ( A ) , B7 ( B ) , D3 ( C ) , D1 ( D ) Y R B–R B–R Y–B Y–B R–L W–R B W W–L L G–B OC1– B–Y OC1+ VPA EPA VCPA VPA2 EPA2 VCP2 +BM IGSW #4 #3 #2 #1 VG E2G THA E2 VTA2 VTA M+ M– ( ∗1 ) ( ∗1 ) ( ∗1 ) ( ∗1 ) ( ∗1 ) ( ∗1, ∗2 ) B–R ( ∗1, ∗2 ) ( ∗1, ∗2 ) Y–R ( ∗3 ) ( ∗3 ) ( ∗3 ) ( ∗3 ) 5 1 Y–R L–R Y–R RTHW DB1 17 DB1 16 L–R Y–R ( BAT ) ( IG ) ( IG ) IG+ EGW 1 2 1 2 D32 B29 E2 VC VAF C 6 C 5 C 2 C 1 A 9 A 16 B 30 A 7 A 27 A 21 A 19 A 26 A 20 A 18 D 13 D 12 D 11 C 20 D 24 A 25 A 3 A 1 A 8 C 23 C 28 C 30 C 29 C 31 D 32 D 28 D 19 D 20 D 5 D 4 D 8 D 18 D 25 Air Flow Meter Accelerator Position Sensor Stop Lamp SW Engine ECU Water Temp. Sensor ( Radiator ) Camshaft Timing Oil Control Valve Fuel Injector ( No. 1 ) Fuel Injector ( No. 2 ) Fuel Injector ( No. 3 ) Fuel Injector ( No. 4 ) VSV ( EVAP ) Throttle Body Assembly Variable Resistor Junction Connector Junction Connector Combination Meter ∗ 4 : Shielded ∗ 3 : Except ∗1, Except ∗2 ∗ 1 : Australia, Chile, China, Ecuador, Hong Kong, New Zealand, Thailand ∗ 2 : Costa Rica, Egypt, El Salvador, G. C. C. , Guatemala, Honduras, Malaysia, Nicaragua, Panama, Peru, Russia, South Africa, Ukraine, Vietnam ( ∗1, ∗2 ) Water Temp. Sensor ( Engine Coolant ) A B C D E F G H I J A B C
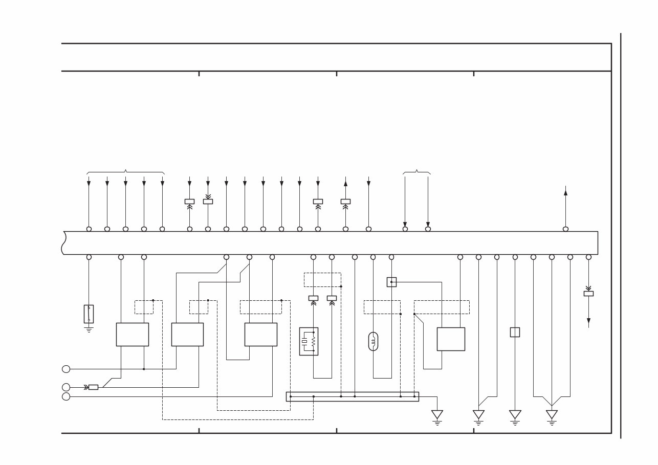
HIACE (EWD622E) 350 M OVERALL ELECTRICAL WIRING DIAGRAM 9 10 11 12 4 HIACE ( Cont' d ) Engine Control ( 2TR–FE ) L–R L–R Y LG–B B–Y W–B W–B P Y R–W R P–L ( ∗1 ) ST Fuse <2–3> ( ∗1 ) DB1 10 ( ∗1 ) 1 2 2 1 L G D2 L W–B B–R W B–W DB1 12 L DB3 6 HB1 27 B–W W HB1 57 W–R Y–R B–Y L–W R–L BR BR Y BR B W–B 5 4 B–R 3 ( ∗4 ) L D1 Y–R Y–R 1 Y ( ∗4 )( ∗1 ) 12 Y 1 9 B Y ( ∗4 )( ∗2 ) 8 D2 B ( ∗4 )( ∗1 ) B2 12 13 Y 2 G–W 1 B–R W–B 1 W–B BR ( ∗4 ) ( ∗4 ) 2 Y L ( ∗4 ) 3 W–B BR BR 3 L Y 4 g1 D35 D16 D34 D33 D10 D17 B36 B9 ( A ) , B7 ( B ) , D3 ( C ) , D1 ( D ) D43 L B–R Y–R 2 4 PSW HT1B 4 OX1B HA1A ( ∗3 ) HT1A ( ∗4 ) A1A+ ( ∗3 ) OX1A ( ∗4 ) A1A– KNK1 EKNK G2 2 NE– NE+ ME01 E04 EC E03 E01 1 E02 TACH +B HA1A +B E2 E2 +B G– NE NE– A1A– A1A+ 2 OX1A HT1A OX1B HT1B IGT1 IGT2 IGT3 IGT4 IGF1 NSW ALT F/PS 3 ELS SPD STA STP ELS3 THWO RFC CANH CANL 7 TC ( ∗4 ) 6 ( ∗4 )( ∗2 ) ( ∗4 ) ( ∗4 ) 1 ( ∗1 ) ( ∗1 ) ( ∗1 ) ( ∗2 ) ( ∗2 ) ( ∗1 ) ( ∗1 ) ( ∗1 ) ( ∗1 ) ( ∗2 ) ( ∗1 ) ( ∗2 ) Alternator <2–4> Tail Fuse <13–2> Airbag Sensor Assembly Center< 17–2> Combination Meter< 28–2> Neutral Start SW ( A/T ) <2–2> ST Fuse ( M/T ) <2–2> Stop Lamp SW <12–3> Ignition Coils <3–2><3–3><3–4> ELS Fuse <27–1> Combination Meter <28–4> 11 D44 BR BR E1 5 ( ∗4 ) Dg1 2 R G Dg1 1 B W HB1 18 ( ∗1 ) ( ∗1 ) ( ∗1, ∗2 ) ( ∗1, ∗2 ) Cooling Fan ECU No. 1<29–2> Front Air Conditioner System<30–9> D 17 D 16 D 15 D 14 D 23 A 30 D 10 B 32 A 15 B 8 A 12 B 4 B 3 14 B A 10 B 33 B 34 B 17 C 32 2 D D 25 D 1 D 21 31 D D 29 D 30 D 3 D 26 D 34 D 27 C 3 C 7 A 22 C 4 D 7 D 6 B 1 Engine ECU Junction Connector Camshaft Position Sensor Power Steering Oil Pressure SW Crankshaft Position Sensor Air Fuel Ratio Sensor ( Bank 1 Sensor 1 ) Heated Oxygen Sensor ( Bank 1 Sensor 1 ) Heated Oxygen Sensor ( Bank 1 Sensor 2 ) Junction Connector Junction Connector Knock Control Sensor ( Bank 1 ) ∗ 4 : Shielded ∗ 1 : Australia, Chile, China, Ecuador, Hong Kong, New Zealand, Thailand ∗ 2 : Costa Rica, Egypt, El Salvador, G. C. C. , Guatemala, Honduras, Malaysia, Nicaragua, Panama, Peru, Russia, South Africa, Ukraine, Vietnam Cooling Fan ECU No. 2<29–2> DLC3< 29–3> B–Y DLC3< 29–3> ( ∗1, ∗2 ) A B C
HIACE (EWD622E) 351 Memo
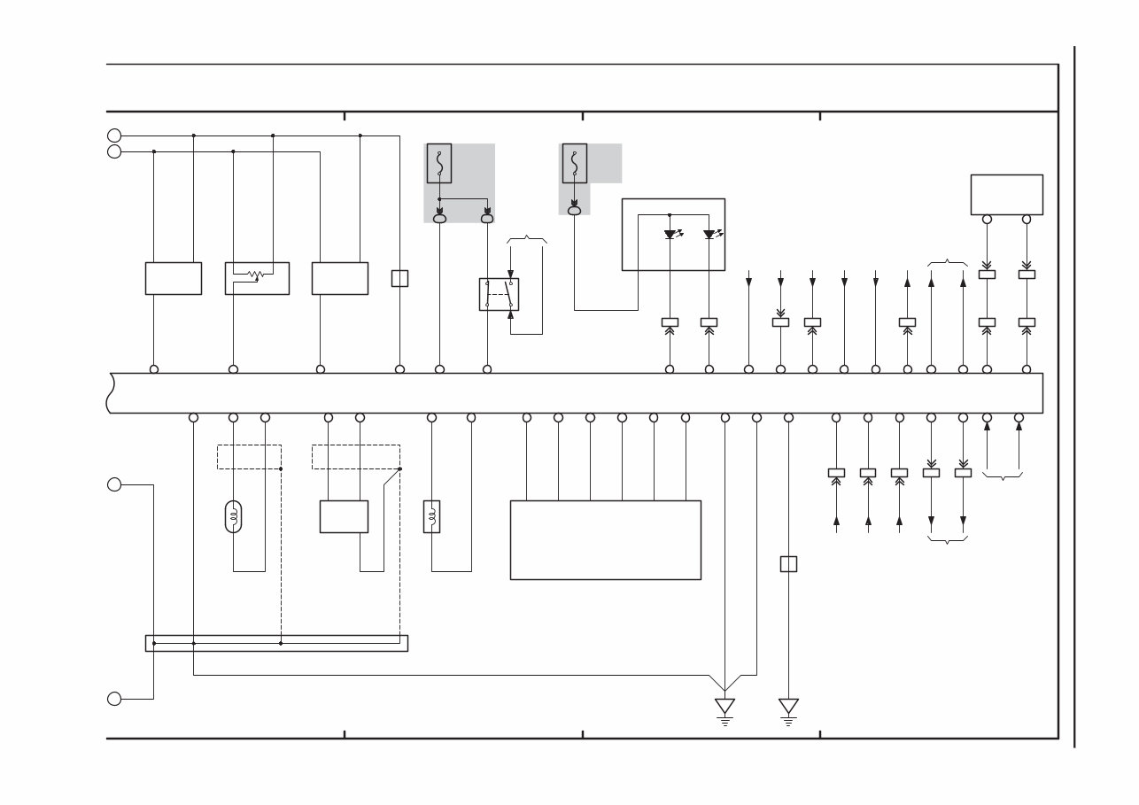
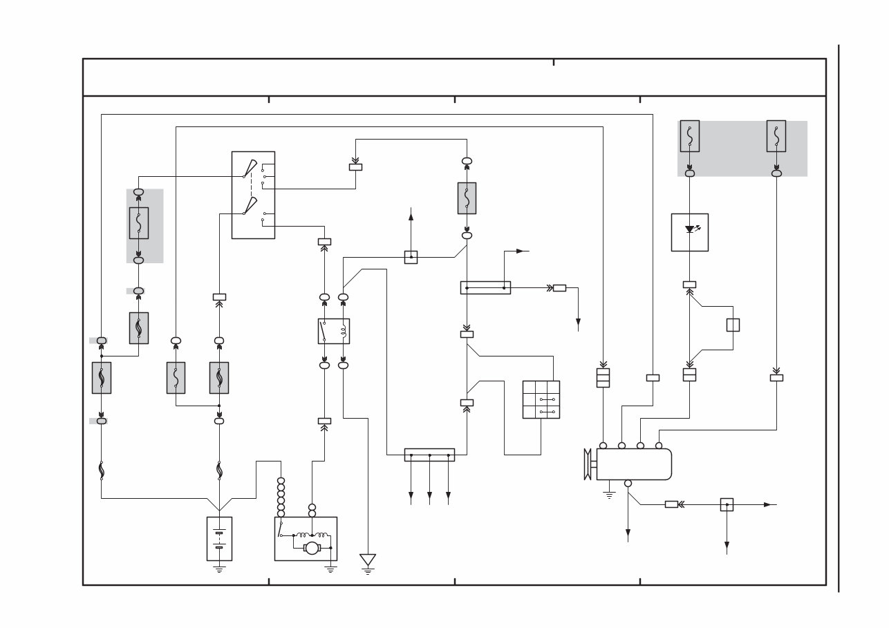
HIACE (EWD622E) 352 M OVERALL ELECTRICAL WIRING DIAGRAM 1 2 3 4 5 HIACE ( Cont. next page ) Engine Control ( 2KD–FTV ) 8 1J 7 1J A 2 W–B W–B W–B B B W–B B–W B–W D53 W–B 3 1J 1 1J 25A EFI 1J 4 1J 2 B2 14 DB1 GLOW Relay 1 1 MAIN Relay 1 G 1 2 5 1 3 1 1E 80A GLOW G–Y B–R DB3 4 DB3 8 7 BD1 16 BD1 6 BD1 15 BD1 17 BD1 6 B 2 1 7 B B 2 A 5 A 8 4 A 15 2 1 2 1 1 2 2 1 12 BD1 5 BD1 3 BD1 10 BD1 14 BD1 13 BD1 1 2 1 3 11 BD1 BD1 4 5 B 2 B 2 8 DB1 8 AB1 19 DB1 9 AB1 20 BD1 9 DB1 16 3 B DUTY VAF IREL +B MREL INJF #1 #2 #3 #4 +B E1 VC E2 RTHW THA THW THF E2 THIA VLU LUSL EGR BATT GREL +B INJF #10 #20 #30 #40 INJ1 COM1 INJ4 INJ2 COM2 INJ3 GND 3 2 3 L–R Y–R Y–R Y–R Y–R Y–R R R R–W R Y–R R–L R–L B B–W B–R B–R B–R B–R BR L–B Y–R Y–R Y–R Y–R Y–R Y–R R BR L Y L G R G B–Y Y–B G–Y G–R Y B R–L B–R G–Y Y G–R G–Y Y–B B–Y G R R G L Y Y L BR B–R B–R B R–L Y Y R R BR BR Y–R L–B Y–R Y–R Y–R Y–R Y–R B–R G B–R B9 ( A ) , B7 ( B ) , D3 ( C ) , D1 ( D ) D48 ( A ) , D50 ( B ) B13 ( A ) , B15 ( B ) D55 1 D26 D25 D27 D24 D44 B38 B39 2 1 B–R EDU Relay ( Wide ) ( Wide ) ( BAT ) ( BAT ) 1 2 2 1 1 2 B29 A2 2 1 2 1 D32 D49 A 2 A 3 B 1 B 2 A 1 B 3 9 C C 4 C 29 D 20 D 28 D 29 D 19 D 31 A 20 A 10 A 1 A 8 D 25 D 24 D 23 D 22 D 21 A 3 A 2 A 6 A 1 B 1 Engine ECU Injector Driver ( EDU ) Water Temp. Sensor ( Radiator ) Junction Connector Junction Connector Fuel Injector ( No. 1 ) Fuel Injector ( No. 2 ) Fuel Injector ( No. 3 ) Fuel Injector ( No. 4 ) Junction Connector Throttle Body Assembly Inlet Air Temp. Sensor ( Intake Manifold ) Glow Plug VRV ( EGR ) Junction Connector B37 Fuel Temp. Sensor D46 Water Temp. Sensor ( Engine Coolant ) Inlet Air Temp. Sensor ( Air Cleaner ) A B C D
HIACE (EWD622E) 353 M 7 8 6 5 5 HIACE ( Cont' d ) Engine Control ( 2KD–FTV ) 12 DB1 DB3 6 HB1 57 B–R R–L B–R B–R 1 5M G–R B–W B–R B–R 10A MET IGN 2 1 3 4 32 25 21 5E 5E 9 15A IGN B2 Check Engine Glow IGSW ST1– W GIND H20 Stop Light System<12–4> 6 HB1 21 HB1 60 G–R B–W W–B EC 1 2 9 11 2 1 D3 19 DO1 9 DO1 6 DB2 DB2 Cooling Fan ECU No. 2 <29–2> 1 DB2 3 DB2 8 DB1 17 Front Air Conditioner System<30–9> PIM PR CAN+ CAN– G– CANH CANL FAN RFC2 RFC E01 E02 VPA EPA VCPA VPA2 EPA2 VCP2 PCV– PCV+ NE– NE+ G– G1 E1 PIM EGLS PCR1 VC STP ALT NSW STA NE NE– VC E2 VC E SPD THWO CAN+ CAN– VCP2 EPA2 VPA2 VCPA EPA VPA 4 1 5 3 11 2 1 2 3 2 1 2 3 4 5 6 3 1 1 2 3 1 3 2 Y–R L–B Y–R L–B Y–R L–R L–B L–B P P P G R ( Shielded ) BR BR BR Y ( Shielded ) L BR P Y–R R–L W–R B W W–L L R–W W W B–W B–W R P–L Y Y L W L W W L BR BR BR BR LG–B P–L W–L W–L P–L LG–B L–B Y–R Y–R Y–R L–B L–B L–B B9 ( A ) , B7 ( B ) , D3 ( C ) , D1 ( D ) D43 D51 D52 BR D45 BR D44 D10 O3 ( A ) B1 D17 D47 BR ( Shielded ) ( Shielded ) Stop Lamp SW <12–3> Alternator <2–4> ST Fuse <2–3> Neutral Start SW ( A/T ) <2–2> ST Fuse ( M/T ) <2–2> Combination Meter <28–2> Combination Meter <28–4> Cooling Fan ECU No. 1 <29–1> FAN3 Relay <29–2> ( IG ) ( IG ) IG+ EGW L BR BR B2 12 13 B36 W–B W–B E2 VC EGLS C 28 33 C D 26 D 18 A 9 B 14 A 12 A 14 B 15 D 8 6 A A 7 B 17 A 2 B 22 B 21 C 7 C 23 C 31 D 27 D 34 D 2 D 1 A 27 A 29 A 23 A 26 A 28 A 22 D 6 7 D 6 B D 12 D 11 D 13 23 B B 24 HB4 7 HB1 18 WFSE TACH SIL TC W P B–Y L–R B–Y L–R A 18 A 11 A 4 A 19 Accelerator Position Sensor Stop Lamp SW Engine ECU Junction Connector Camshaft Position Sensor Crankshaft Position Sensor Junction Connector Junction Connector Fuel Pressure Sensor Suction Control Valve Turbo Pressure Sensor EGR Valve Position Sensor Combination Meter Transmission Control ECU DLC3< 29–3> DLC3< 29–3> A 21 A 20 A B C D
2004-2019 Toyota HiAce (H200) Electrical Wiring Diagrams Manual
The 2004–2019 Toyota HiAce (H200) Electrical Wiring Diagrams Manual is the reference you need when chasing down electrical faults or installing components on these vans. It lays out circuit information, connector details, and factory routing paths in a way that makes troubleshooting straightforward.
Inside, you’ll find system-specific diagrams for lighting, charging, ignition, fuel delivery, and safety systems, along with sectioned breakdowns for body electronics and accessories. Each circuit is illustrated with connector views and pin-outs, giving you the same diagnostic perspective Toyota technicians rely on.
Whether you’re sorting a no-start issue, tracing a short, or confirming continuity for a new component, this manual is designed to cut the guesswork. It’s detailed enough for shop use yet organized so a DIY owner can follow along. If you’re working on an H200 HiAce, this manual saves time by pointing you directly to the right circuit information.
Printable: Yes Language: English Compatibility: Pretty much any electronic device, incl. PC & Mac computers, Android and Apple smartphones & tablet, etc. Requirements: Adobe Reader (free)
Recently Viewed
5,521,897Happy Clients
2,594,462eManuals
1,120,453Trusted Sellers
15Years in Business
Price:
Actual Price:
2004-2019 Toyota HiAce (H200) Electrical Wiring Diagrams Manual