2006-08 GENERAL INFORMATION General Information - Forenza - Reno GENERAL DESCRIPTION GENERAL INFORMATION DESCRIPTION General Repair Instructions If a floor jack is used, the following precautions are recommended: Park the vehicle on level ground, "block" the front or rear wheels, set the jack against the frame, raise the vehicle and support it with chassis stands and then perform the service operation. Before performing the service operation, disconnect the negative battery cable in order to reduce the chance or cable damage and burning due to short-circuiting. Use a cover on the body, the seats and the floor to protect them against damage and contamination. Handle brake fluid and antifreeze solution with care as they can cause paint damage. The use of proper tools, and the recommended essential and available tools where specified, are important for efficient and reliable performance of the service repairs. Use genuine SUZUKI parts. Discard used cotter pins, gaskets, O-rings, oil seals, lock washers angle-torqued fastener and self-locking nuts. Prepare new ones for installation. Normal function of these parts cannot be maintain if these parts are reused. Keep the disassembled parts neatly in groups to facilitate proper and smooth reassembly. Keep attaching bolts and nuts separated, as they vary in hardness and design depending on the position of the installation. Clean the parts before inspection or reassembly. Also clean the oil parts, etc. Use compressed air to make certain they are free of restrictions. Lubricate rotating and sliding faces of parts with oil or grease before installation. When necessary, use a sealer on gaskets to prevent leakage. Carefully observe all specifications for bolt and nut torques. When service operation is complete, make a final check to be sure service was done properly and the problem was corrected. ON-BOARD REFUELING VAPOR RECOVERY (ORVR) SYSTEM DESCRIPTION This vehicle is equipped with an On-Board Refueling Vapor Recovery (ORVR) system. This system has been developed and equipped to meet enhanced evaporative emission control requirements during vehicle moving, parking and refueling. The ORVR system operates in the following manner: One canister collects evaporative vapors while the vehicle is moving, parking and refueling. Collected vapor flows into the engine through the intake manifold, where it is consumed during vehicle Suzuki Forenza 2006
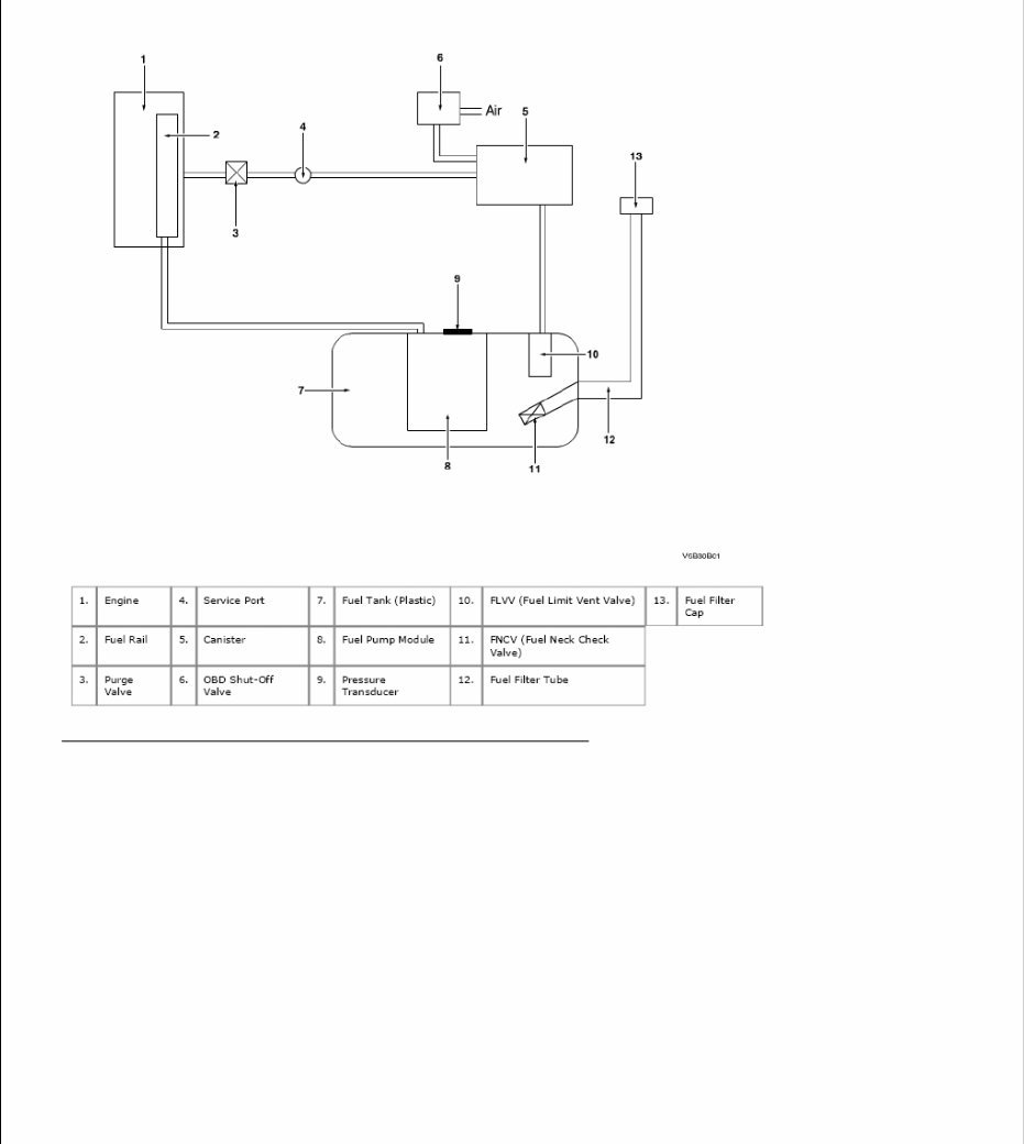
operation. Fuel flowing through a reduced diameter section in the filler pipe creates suction in the filler neck. The ORVR system operates by the Liquid Trap (Liquid Seal) system which ensures long-term durability. The ORVR system has been designed with the following functional features: Collection and routing of refueling vapors to the canister. Nozzles that are compatible with conventional and Stage II vapor recovery nozzles. Fuel shut-off signal. Prevention of liquid fuel entering the canister during normal driving and during vehicle rollover. Fuel tank over-pressure prevention. Fuel tank venting to canister during vehicle operation. Fuel vapor dome over fill protection. This vehicle is also equipped with an On-Board Diagnostic II (OBD II) system. This system identifies failures or malfunctions of the ORVR system and warns the driver through the Malfunction Indicator Lamp (MIL) on the instrument cluster. The ORVR system requires no special refueling procedures and maintenance. The ORVR system and all fuel system components are designed to prevent electrostatic discharge using techniques recommended by SAE J1645. The test procedure (EDS-T-5525) is similar to the SAE J1113 test procedure. Schematic of On Board Refueling Vapor Recovery System
Fig. 1: On Board Refueling Vapor Recovery System Diagram Courtesy of SUZUKI OF AMERICA CORP. Component Location
Fig. 2: Fuel Tank, Fuel Tube And Canister Courtesy of SUZUKI OF AMERICA CORP. VEHICLE AND COMPONENT IDENTIFICATION Passenger Car Vehicle Identification Number
Fig. 3: Passenger Car Vehicle Identification Number Courtesy of SUZUKI OF AMERICA CORP. Certification Label
Get the complete Service & Repair Manual for the 2008 Suzuki Forenza. This manual covers every detail of your car and is invaluable for both professional mechanics and DIY enthusiasts. It includes problematic technical solutions, fault code diagnostics, specific torque settings, service light indicator reset, fluid levels and grades, service intervals, general vehicle maintenance, and mechanical information.
It provides step-by-step instructions, diagrams, illustrations, and specifications for repairing and troubleshooting various components such as engines, exhaust system, fuel system, transmissions (automatic and manual), clutch, transfer case, body, frame, brakes, suspension, driveline, steering, climate control, instrumentation, warning systems, battery, charging systems, audio system, lighting, electrical systems, and wiring diagrams.
Model Specification: Suzuki Forenza Model Year: 2008 Language: English File Format: PDF Requirements: Adobe Reader Printable: Yes Compatibility: All Versions of Windows & Mac