2010-12 BRAKES ABS - Mechanism & Function ANTI-LOCK BRAKE SYSTEM (ABS) FEATURES To reduce the size and weight, this ABS has a hydraulic control unit, an ABS control module, a valve relay and a motor relay integrated into a single unit (called ABSCM&H/U). The ABS electrically controls the brake fluid pressure to each wheel to prevent the wheel from locking during braking on slippery road surfaces, thereby enabling the driver to maintain the directional control. If the ABS becomes inoperative, a fail-safe system is activated to ensure same level of braking performance as with a conventional brake system. In that case, the warning light comes on to indicate that the ABS is malfunctioning. The ABS is a 4-sensor, 4-channel system. The system is a four-wheel independent control type, which controls each of the wheel brakes individually. 2012 Subaru Forester XT Touring 2010-12 BRAKES ABS - Mechanism & Function
Fig. 1: Identifying Anti - Lock Brake System Components Courtesy of SUBARU OF AMERICA, INC. FUNCTIONS OF SENSORS AND ACTUATORS Name Function ABSCM section It determines the conditions of the wheels and the vehicle body from the wheel speed data and controls the hydraulic unit depending on the result. When the ABS is active, the ABSCM provides the automatic transmission control module with control signals which are used by the module for cooperative control of the vehicle with the ABSCM. Whenever the ignition switch is placed at ON, the module 2012 Subaru Forester XT Touring 2010-12 BRAKES ABS - Mechanism & Function
MEMO ABS control module and hydraulic control unit (ABSCM&H/U) performs a self diagnosis sequence. If anything wrong is detected, the module cuts off the system. It communicates with the SUBARU select monitor. H/U section When the ABS is active, the H/U changes fluid passages to the wheel cylinders in response to commands from the ABSCM. It constitutes the brake fluid passage from the master cylinder to the wheel cylinders together with the piping. Valve relay section It serves as a power switch for the solenoid valves. It operates in response to a command from the ABSCM. Motor relay section It serves as a power switch for the pump motor. It operates in response to a command from the ABSCM. ABS wheel speed sensor Detects speed of each wheel and sends to the ABSCM. Magnetic encoder Incorporated with the hub unit bearing and causes the ABS wheel speed sensor to generate electrical signals. G sensor It detects a change in acceleration in the longitudinal direction of the vehicle and outputs it to the ABSCM as a voltage signal. Stop light signal Detects ON-OFF status of the brake pedal and sends to the ABSCM. The ABSCM uses it to determine ABS operation. ABS warning light It alerts the driver to an ABS fault. Automatic transmission control module It provides gear controls and changing power transmission to front and rear wheels in response to control signals from the ABSCM. Brake warning light It alerts the driver to an EBD fault. This warning light is also used for parking brake warning and brake fluid level warning. 2012 Subaru Forester XT Touring 2010-12 BRAKES ABS - Mechanism & Function
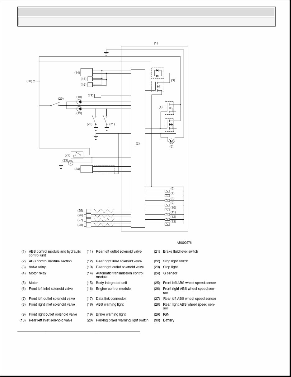
Fig. 2: Anti - Lock Brake System - Circuit Diagram Courtesy of SUBARU OF AMERICA, INC. 2012 Subaru Forester XT Touring 2010-12 BRAKES ABS - Mechanism & Function
PRINCIPLE OF ABS CONTROL When the brake pedal is depressed during driving, the wheel speed decreases and the vehicle speed does as well. The decrease in the vehicle speed, however, is not always proportional to the decrease in the wheel speed. The non-correspondence between the wheel speed and vehicle speed is called "slip" and the magnitude of the slip is expressed by the "slip ratio" which is defined as follows: Slip ratio = (Vehicle speed - Wheel speed)/Vehicle speed x 100% When the slip ratio is 0%, the vehicle speed corresponds exactly to the wheel speed. When it is 100%, the wheels are completely locking while the vehicle is moving. The braking effectiveness is represented by the "coefficient of friction" between the tire and road surface. The larger the coefficient, the higher the braking effectiveness. The diagram below shows the relationship between the coefficient of friction and the slip ratio for two different road surface conditions (asphalt-paved road and icy road), assuming that the same tires are used for both the conditions and the vehicles are moving forward. Although the braking effectiveness (coefficient of friction) depends on the road surface condition as shown and also on the type of the tire, its peak range generally corresponds to the 8 - 30% range of the slip ratio. The ABS controls the fluid pressure to each wheel to maintain the slip ratio within this range. Fig. 3: Slip Ratio Versus Coefficient Of Friction Graph Courtesy of SUBARU OF AMERICA, INC. ABS WHEEL SPEED SENSOR Each of the ABS wheel speed sensors detects the speed of the corresponding wheel. The sensor consists of a sensor body and a magnetic encoder. The magnetic encoder is a permanent magnet with N poles and S poles arranged alternately, and when this turns together with the wheel the magnetic field at the sensing area of the 2012 Subaru Forester XT Touring 2010-12 BRAKES ABS - Mechanism & Function
sensor body changes. The sensor body has a hall element and outputs signals at a frequency proportional to the wheel speed. Fig. 4: Identifying Sensor Body, Hub Unit Bearing, Magnetic Encoder And Housing Courtesy of SUBARU OF AMERICA, INC. EBD (ELECTRONIC BRAKE FORCE DISTRIBUTION) The EBD system utilizes the function of the conventional ABS. This system prevents premature locking of the rear wheels by using electronic control instead of a proportioning valve. The system provides a feature to optimize the brake force distribution to the front and rear wheels according to change in loading conditions or displacement of the center of gravity during deceleration. The ABSCM calculates the optimum brake force distribution from the difference in speed between the front and rear wheels. Based on the results, the ABSCM controls the rear wheel brake pressure through the ABS hydraulic unit (H/U) to achieve the optimum brake force distribution suitable for the driving condition. 2012 Subaru Forester XT Touring 2010-12 BRAKES ABS - Mechanism & Function
The proportioning valve is disused on EBD equipped vehicles. Fig. 5: Electronic Brake Force Distribution Graph Courtesy of SUBARU OF AMERICA, INC. ABS CONTROL MODULE AND HYDRAULIC CONTROL UNIT (ABSCM&H/U) ABS control module section (ABSCM) The ABSCM contains two micro control modules (MCMs) which communicate with each other. Both the MCMs process the same program and each MCM monitors the other's outputs. If a mismatch occurs between their outputs, the ABSCM cuts off the system and activate the fail-safe function. The ABSCM can store a maximum of 3 diagnostic trouble codes (DTC) in a ROM. If more than 3 faults have occurred, only the 3 most recent failures are stored and others are erased. Trouble diagnostic trouble codes remain stored until they are internally or externally erased. The ABSCM has a test routine (sequence control pattern) which facilitates checking of the hydraulic control unit. 2012 Subaru Forester XT Touring 2010-12 BRAKES ABS - Mechanism & Function
ABS control Using primarily the wheel speed data from each ABS wheel speed sensor and secondarily the vehicle deceleration rate data from the G sensor as parameters, the ABSCM generates a simulated vehicle speed when there is a risk of wheel lock-up. Using the simulated vehicle speed (called "dummy" vehicle speed) as a reference, the ABSCM determines the state of the wheel in terms of the tendency toward lock-up. If the result shows that the wheels are about to lock, the ABSCM issues commands to energize or de-energize the solenoid valves and activate the motor pump of the H/U to modulate the brake fluid pressures that act on the wheel cylinders, thereby preventing the wheels from locking. The ABSCM controls the fluid pressure to each of the four wheels independently. Functions available using SUBARU select monitor When the SUBARU select monitor is connected, the ABSCM allows it: To read out analog data To read out ON/OFF data To read out or erase diagnostic trouble codes To read out data showing conditions under which a trouble code has been stored (freeze frame data) To initiate ABS sequence control pattern Indication functions Under the control of the ABSCM, the ABS warning light provides the following two indication functions: ABS fault alerting Valve ON/OFF indication (when sequence control pattern is initiated) Hydraulic control unit section (H/U) The H/U is a fluid pressure controller consisting of, among others, a motor, solenoid valves, a housing and relays. It also constitutes passage of the two diagonally split brake circuits. The pump motor drives an eccentric cam which in turn moves the plunger pump to generate hydraulic pressure. The housing accommodates the pump motor, solenoid valve and reservoir. It also constitutes a brake fluid passage. The plunger pump, when operated, draws the brake fluid from the reservoir, lets the fluid in a wheel cylinder drain into the reservoir, and/or forces the fluid into the master cylinder. The outlet solenoid valve is a 2-position type. It opens or closes the brake fluid passage between a wheel cylinder and the reservoir according to commands from the ABSCM. The inlet solenoid valve is duty-controlled to reduce brake fluid pulsation for minimum ABS operation noise. 2012 Subaru Forester XT Touring 2010-12 BRAKES ABS - Mechanism & Function
The reservoir temporarily stores the brake fluid drained from a wheel cylinder when pressure "decrease" control is performed. The valve relay controls power supply to the solenoid valves in response to a command from the ABSCM. In normal (IG ON) condition, the relay is closed to supply power to the solenoid valves. When an error occurs in the system, the valve relay is turned OFF to keep the fluid pressure circuit in the normal mode (non-ABS mode). The motor relay closes and supplies power to the pump motor in response to a command from the ABSCM during the ABS drive mode operations. The H/U has four operating modes; normal mode (non-ABS mode), and three ABS active modes, i.e., "increase", "hold" and "decrease" modes. DURING NORMAL BRAKING (ABS NOT ACTIVE) Both the inlet and outlet solenoid valves are not energized. This means that the inlet port of the inlet solenoid valve is open, whereas the outlet port of the outlet solenoid valve is closed. So the fluid pressure generated in the master cylinder is transmitted to the wheel cylinder, producing a brake force. NOTE: For simplicity of explanation, operation of the hydraulic control unit is represented by operation of a single wheel circuit. 2012 Subaru Forester XT Touring 2010-12 BRAKES ABS - Mechanism & Function
The 2010 Subaru Forester Service & Repair Manual is a comprehensive guide for maintaining and repairing the 2010 Subaru Forester. It offers detailed instructions and step-by-step procedures for servicing various vehicle components, making it valuable for both professional mechanics and DIY enthusiasts.
Complete coverage of all engine types and models
Detailed instructions for routine maintenance
Step-by-step procedures for major repairs
Diagrams and illustrations for easy understanding
From basic tasks like oil changes and filter replacements to complex repairs such as engine overhauls and transmission rebuilds, this manual covers a wide range of maintenance and repair procedures. It serves as a reliable and comprehensive resource, enabling users to save time and money by performing their own vehicle maintenance and repairs.
Whether troubleshooting an issue, replacing a faulty component, or seeking to understand the vehicle's inner workings, the 2010 Subaru Forester Service & Repair Manual is an invaluable tool. It empowers users with the knowledge and guidance needed to address mechanical issues and maintain their vehicles in optimal condition for years to come.