calcActive())">
1997-2002 Pontiac Firebird Service & Repair Manual
What's Included?
Fast Download Speeds
Offline Viewing
Access Contents & Bookmarks
Full Search Facility
Print one or all pages of your manual
Viewed 79 Times Today
Secure transaction
What's Included?
Fast Download Speeds
Offline Viewing
Access Contents & Bookmarks
Full Search Facility
Print one or all pages of your manual
$41.99
$54.99
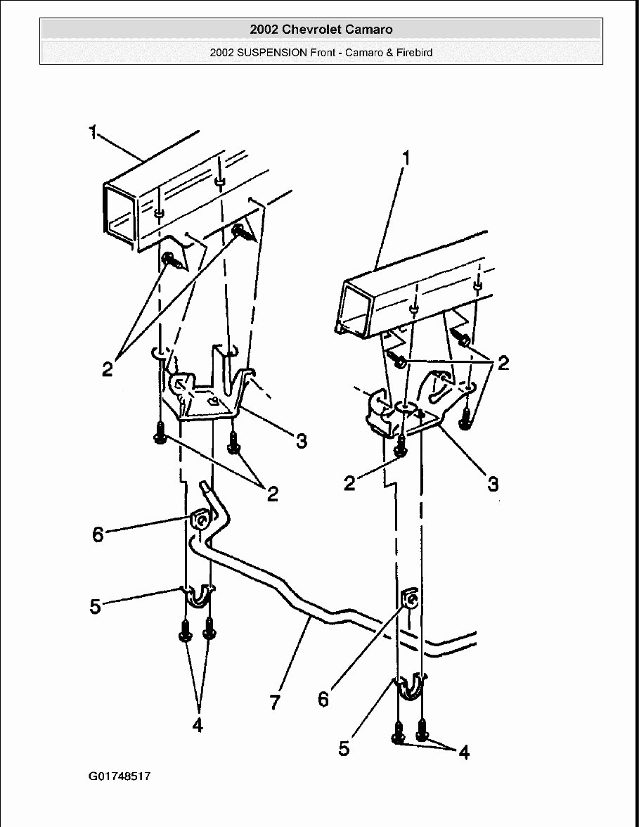
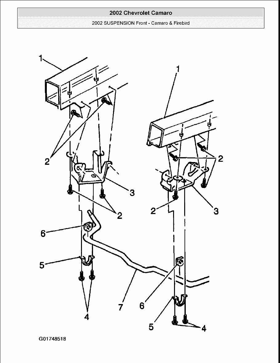
The 1997-2002 Pontiac Firebird Service & Repair Manual is a comprehensive guide suitable for both professional mechanics and DIY enthusiasts. It covers a wide range of models from 1997 to 2002, providing detailed instructions, diagrams, and specifications for maintaining, servicing, and repairing your Pontiac Firebird.
Whether you're dealing with engine repairs, electrical troubleshooting, brake system maintenance, or other tasks, this manual offers step-by-step guidance. It includes the following models:
- 1997 Pontiac Firebird
- 1998 Pontiac Firebird
- 1999 Pontiac Firebird
- 2000 Pontiac Firebird
- 2001 Pontiac Firebird
- 2002 Pontiac Firebird
For routine maintenance or complex repairs, the 1997-2002 Pontiac Firebird Service & Repair Manual is an essential resource to keep your Pontiac Firebird running smoothly and efficiently.




