calcActive())">
2010 Nissan Sentra Service & Repair Manual
What's Included?
Fast Download Speeds
Offline Viewing
Access Contents & Bookmarks
Full Search Facility
Print one or all pages of your manual

LT-1
ELECTRICAL
C
D
E
F
G
H
I
J
L
M
SECTION LT
A
B
LT
N
O
P
CONTENTS
LIGHTING SYSTEM
SERVICE INFORMATION ........................... 3
PRECAUTIONS .................................................. 3
Precaution for Supplemental Restraint System
(SRS) "AIR BAG" and "SEAT BELT PRE-TEN-
SIONER" .................................................................. 3
HEADLAMP (FOR USA) .................................... 4
Component Parts and Harness Connector Loca-
tion ........................................................................... 4
System Description .................................................. 4
CAN COMMUNICATION SYSTEM DESCRIP-
TION ......................................................................... 5
Schematic ................................................................ 6
Wiring Diagram ........................................................ 7
Terminal and Reference Value for BCM ................ 10
Terminal and Reference Value for IPDM E/R ........ 10
How to Perform Trouble Diagnosis ........................ 11
Preliminary Check .................................................. 11
CONSULT-III Function (BCM) ................................ 11
CONSULT-III Function (IPDM E/R) ........................ 12
Headlamp High Beam Does Not Illuminate (Both
Sides) ..................................................................... 13
Headlamp High Beam Does Not Illuminate (One
Side) ....................................................................... 15
High Beam Indicator Lamp Does Not Illuminate .... 16
Headlamp Low Beam Does Not Illuminate (Both
Sides) ..................................................................... 16
Headlamp Low Beam Does Not Illuminate (One
Side) ....................................................................... 19
Headlamps Do Not Turn OFF ................................ 20
Aiming Adjustment ................................................. 21
Bulb Replacement .................................................. 22
Removal and Installation ........................................ 23
Disassembly and Assembly ................................... 24
HEADLAMP (FOR CANADA) - DAYTIME
LIGHT SYSTEM - ..............................................25
Component Parts and Harness Connector Loca-
tion ......................................................................... 25
System Description ................................................ 25
CAN Communication System Description ..............27
Schematic ...............................................................28
Wiring Diagram - DTRL - ........................................29
Terminal and Reference Value for BCM .................32
Terminal and Reference Value for IPDM E/R .........32
How to Perform Trouble Diagnosis .........................33
Preliminary Check ..................................................33
CONSULT-III Function (BCM) ................................33
CONSULT-III Function (IPDM E/R) ........................33
Daytime Light Control Does Not Operate Properly
(High Beam Headlamps Operate Properly) ............33
Aiming Adjustment ..................................................34
Bulb Replacement ..................................................34
Removal and Installation ........................................34
Disassembly and Assembly ....................................35
FRONT FOG LAMP .......................................... 36
Component Parts and Harness Connector Loca-
tion ..........................................................................36
System Description .................................................36
CAN Communication System Description ..............37
Wiring Diagram - F/FOG - ......................................38
Terminal and Reference Value for BCM .................39
Terminal and Reference Value for IPDM E/R .........39
How to Proceed with Trouble Diagnosis .................40
Preliminary Check ..................................................40
CONSULT-III Function (BCM) ................................40
CONSULT-III Function (IPDM E/R) ........................40
Front Fog lamps Do Not Illuminate (Both Sides) ....40
Front Fog Lamp Does Not Illuminate (One Side) .... 42
Aiming Adjustment ..................................................43
Bulb Replacement ..................................................43
Removal and Installation, All Except SE-R .............44
Removal and Installation, SE-R ..............................44
TURN SIGNAL AND HAZARD WARNING
LAMPS .............................................................. 45
Component Parts and Harness Connector Loca-
tion ..........................................................................45
System Description .................................................45
CAN Communication System Description ..............47
Revision: January 2010 2010 Sentra

LT-2
Schematic .............................................................. 48
Wiring Diagram - TURN - ....................................... 49
Terminal and Reference Value for BCM ................ 52
How to Proceed with Trouble Diagnosis ................ 52
Preliminary Check ................................................. 53
CONSULT-III Function (BCM) ............................... 53
Turn Signals Do Not Operate ................................ 53
Front Turn Signal Lamp Does Not Operate ........... 53
Rear Turn Signal Lamp Does Not Operate ........... 54
Hazard Warning Lamp Does Not Operate But
Turn Signal Lamp Operatess ................................. 55
Turn Signal Indicator Lamp Does Not Operate ..... 56
Bulb Replacement for Front Turn Signal Lamp ..... 56
Bulb Replacement for Rear Turn Signal Lamp ...... 56
Removal and Installation of Front Turn Signal
Lamp ...................................................................... 56
Removal and Installation of Rear Turn Signal
Lamp ...................................................................... 56
LIGHTING AND TURN SIGNAL SWITCH ........ 57
Removal and Installation ....................................... 57
HAZARD SWITCH ............................................ 58
Removal and Installation ....................................... 58
COMBINATION SWITCH ................................. 59
Wiring Diagram - COMBSW - ................................ 59
Combination Switch Reading Function .................. 59
Terminal and Reference Value for BCM ................ 60
CONSULT-III Function (BCM) ............................... 60
Combination Switch Inspection ............................. 60
Removal and Installation ....................................... 62
STOP LAMP ..................................................... 63
Wiring Diagram - STOP/L - .................................... 63
Bulb Replacement for High-Mounted Stop Lamp ... 63
Bulb Replacement for Rear Combination Lamp for
Stop Lamp ............................................................. 64
Removal and Installation of High-Mounted Stop
Lamp, All Except SE-R .......................................... 64
Removal and Installation of High-Mounted Stop
Lamp, SE-R ........................................................... 64
Removal and Installation of Rear Combination
Lamp for Stop Lamp .............................................. 64
BACK-UP LAMP ............................................... 65
Wiring Diagram - BACK/L - .................................... 65
Bulb Replacement ................................................. 65
Removal and Installation ....................................... 66
PARKING, LICENSE PLATE AND TAIL
LAMPS .............................................................. 67
Component Parts and Harness Connector Loca-
tion ......................................................................... 67
System Description ................................................ 67
CAN Communication System Description ............. 68
Schematic .............................................................. 69
Wiring Diagram - TAIL/L - ...................................... 70
Terminal and Reference Value for BCM ................ 72
Terminal and Reference Value for IPDM E/R ........ 72
How to Proceed with Trouble Diagnosis ................ 73
Preliminary Check .................................................. 73
CONSULT-III Function (BCM) ............................... 73
CONSULT-III Function (IPDM E/R) ....................... 73
Parking, License Plate and Tail Lamps Do Not Il-
luminate ................................................................. 73
Front Parking Lamps Do Not Illuminate (License
Plate and Tail Lamps Operate Normally) ............... 74
License Plate and Tail Lamps Do Not Illuminate
(Front Parking Lamps Operate Normally) .............. 75
Parking, License Plate and Tail Lamps Do Not
Turn OFF (After Approx. 10 Minutes) .................... 77
Bulb Replacement .................................................. 77
Removal and Installation ........................................ 77
REAR COMBINATION LAMP .......................... 79
Component ............................................................ 79
Bulb Replacement .................................................. 79
Removal and Installation ........................................ 80
Disassembly and Assembly ................................... 80
INTERIOR LAMP .............................................. 81
Map Lamp .............................................................. 81
Trunk Room Lamp ................................................. 81
INTERIOR ROOM LAMP .................................. 83
Component Parts and Harness Connector Loca-
tion ......................................................................... 83
System Description ................................................ 83
Schematic .............................................................. 87
Wiring Diagram - INT/L - ........................................ 88
Terminal and Reference Value for BCM ................ 91
How to Proceed with Trouble Diagnosis ................ 91
Preliminary Check .................................................. 92
CONSULT-III Function (BCM) ............................... 92
Interior Room Lamp Control Does Not Operate ..... 93
Bulb Replacement .................................................. 94
Removal and Installation ........................................ 94
ILLUMINATION ................................................ 96
System Description ................................................ 96
CAN Communication System Description ............. 97
Schematic .............................................................. 98
Wiring Diagram - ILL - ............................................ 99
Bulb Replacement ................................................ 104
Removal and Installation ...................................... 105
BULB SPECIFICATIONS ................................ 106
Headlamp ............................................................. 106
Exterior Lamp ....................................................... 106
Interior Lamp/Illumination ..................................... 106
Revision: January 2010 2010 Sentra

PRECAUTIONS
LT-3
< SERVICE INFORMATION >
C
D
E
F
G
H
I
J
L
M
A
B
LT
N
O
P
SERVICE INFORMATION
PRECAUTIONS
Precaution for Supplemental Restraint System (SRS) "AIR BAG" and "SEAT BELT
PRE-TENSIONER" INFOID:0000000005533831
The Supplemental Restraint System such as “AIR BAG” and “SEAT BELT PRE-TENSIONER”, used along
with a front seat belt, helps to reduce the risk or severity of injury to the driver and front passenger for certain
types of collision. This system includes seat belt switch inputs and dual stage front air bag modules. The SRS
system uses the seat belt switches to determine the front air bag deployment, and may only deploy one front
air bag, depending on the severity of a collision and whether the front occupants are belted or unbelted.
Information necessary to service the system safely is included in the SRS and SB section of this Service Man-
ual.
WARNING:
• To avoid rendering the SRS inoperative, which could increase the risk of personal injury or death in
the event of a collision which would result in air bag inflation, all maintenance must be performed by
an authorized NISSAN/INFINITI dealer.
• Improper maintenance, including incorrect removal and installation of the SRS can lead to personal
injury caused by unintentional activation of the system. For removal of Spiral Cable and Air Bag
Module, see the SRS section.
• Do not use electrical test equipment on any circuit related to the SRS unless instructed to in this
Service Manual. SRS wiring harnesses can be identified by yellow and/or orange harnesses or har-
ness connectors.
PRECAUTIONS WHEN USING POWER TOOLS (AIR OR ELECTRIC) AND HAMMERS
WARNING:
• When working near the Airbag Diagnosis Sensor Unit or other Airbag System sensors with the Igni-
tion ON or engine running, DO NOT use air or electric power tools or strike near the sensor(s) with a
hammer. Heavy vibration could activate the sensor(s) and deploy the air bag(s), possibly causing
serious injury.
• When using air or electric power tools or hammers, always switch the Ignition OFF, disconnect the
battery, and wait at least 3 minutes before performing any service.
Revision: January 2010 2010 Sentra

LT-4
< SERVICE INFORMATION >
HEADLAMP (FOR USA)
HEADLAMP (FOR USA)
Component Parts and Harness Connector Location INFOID:0000000005283303
System Description INFOID:0000000005283304
Headlamp operation is controlled by the BCM (body control module) based on inputs from the combination
switch (lighting switch). When the lighting switch is placed in the 2ND position, the BCM receives an input sig-
nal requesting the headlamps (and tail lamps) illuminate. The BCM sends a signal, via the CAN communica-
tion lines, to the IPDM E/R (intelligent power distribution module engine room) requesting the headlamps be
turned ON. The CPU (central processing unit) located in the IPDM E/R controls ground for the headlamp high
and headlamp low relay coils. These relays direct power to the respective headlamps, which then illuminate.
OUTLINE
Power is supplied at all times
• to headlamp high relay RH and LH (located in IPDM E/R),
• to headlamp low relay (located in IPDM E/R),
• to ignition relay (located in IPDM E/R),
• through 15A fuse (No. 52, located in IPDM E/R) and
• through 20A fuse (No. 53, located in IPDM E/R)
• to CPU located in IPDM E/R,
• through 50A fusible link (letter j, located in fuse and fusible link block)
• to BCM terminal 70,
• through 10A fuse [No. 21, located in fuse block (J/B)]
• to BCM terminal 57, and
• through 10A fuse [No. 19, located in fuse block (J/B)]
• to combination meter terminal 1.
With the ignition switch in the ON or START position, power is supplied
• to the ignition relay (located in IPDM E/R),
• through 10A fuse [No. 12, located in fuse block (J/B)]
• to BCM terminal 38,
• through 10A fuse [No. 14, located in fuse block (J/B)]
• to combination meter terminal 2.
With the ignition switch in the ACC or ON position, power is supplied
• through 10A fuse [No. 6, located in fuse block (J/B)]
• to BCM terminal 11.
Ground is supplied
• to BCM terminal 67
• to combination meter terminals 3 and 21
• through grounds M57 and M61, and
• to IPDM E/R terminals 39 and 59
• through grounds E9, E15 (all models) and E24 (with MR20DE).
HEADLAMP OPERATION
Low Beam Operation
1. IPDM E/R E46, E47 and E48 2. BCM M18 and M20 (view with instru-
ment panel removed)
3. Combination switch (lighting switch)
M28
4. Combination meter M24
WKIA5751E
Revision: January 2010 2010 Sentra

HEADLAMP (FOR USA)
LT-5
< SERVICE INFORMATION >
C
D
E
F
G
H
I
J
L
M
A
B
LT
N
O
P
With the lighting switch in 2ND position, the BCM receives an input signal requesting the headlamps to illumi-
nate. The BCM then sends a signal, via the CAN communication lines, to the IPDM E/R requesting the low
beam headlamps be turned ON. The CPU located in the IPDM E/R controls ground to the headlamp low relay
coil, which when energized, directs power
• through 15A fuse (No. 41, located in IPDM E/R)
• through IPDM E/R terminal 54
• to headlamp RH terminal 3, and
• through 15A fuse (No. 40, located in IPDM E/R)
• through IPDM E/R terminal 52
• to headlamp LH terminal 3.
Ground is supplied
• to headlamp RH and LH terminals 5
• through grounds E9, E15 (all models) and E24 (with MR20DE).
With power and ground supplied, low beam headlamps illuminate.
High Beam Operation/Flash-to-Pass Operation
With the lighting switch in 2ND position and high beam switch in the HIGH position, the BCM receives an input
signal requesting the headlamp high beams to illuminate. The flash to pass feature can be used any time and
also sends a signal to the BCM. This input signal is then communicated to the IPDM E/R and the combination
meter via the CAN communication lines. The CPU located in the IPDM E/R controls the headlamp high relays
(LH and RH), which when energized, directs power
• through 10A fuse (No. 34, located in IPDM E/R)
• through IPDM E/R terminal 56
• to headlamp RH terminal 6, and
• through 10A fuse (No. 35, located in IPDM E/R)
• through IPDM E/R terminal 55
• to headlamp LH terminal 6.
Ground is supplied
• to headlamp RH and LH terminal 5
• through grounds E9, E15 (all models) and E24 (with MR20DE).
With power and ground supplied, the high beam headlamps illuminate.
The BCM sends a signal, via the CAN communication lines, to the combination meter requesting the high
beam indicator lamp be turned ON.
COMBINATION SWITCH READING FUNCTION
Refer to LT-59, " Combination Switch Reading Function " .
CAN COMMUNICATION SYSTEM DESCRIPTION INFOID:0000000005283305
Refer to LAN-7, " System Description " .
Revision: January 2010 2010 Sentra

LT-6
< SERVICE INFORMATION >
HEADLAMP (FOR USA)
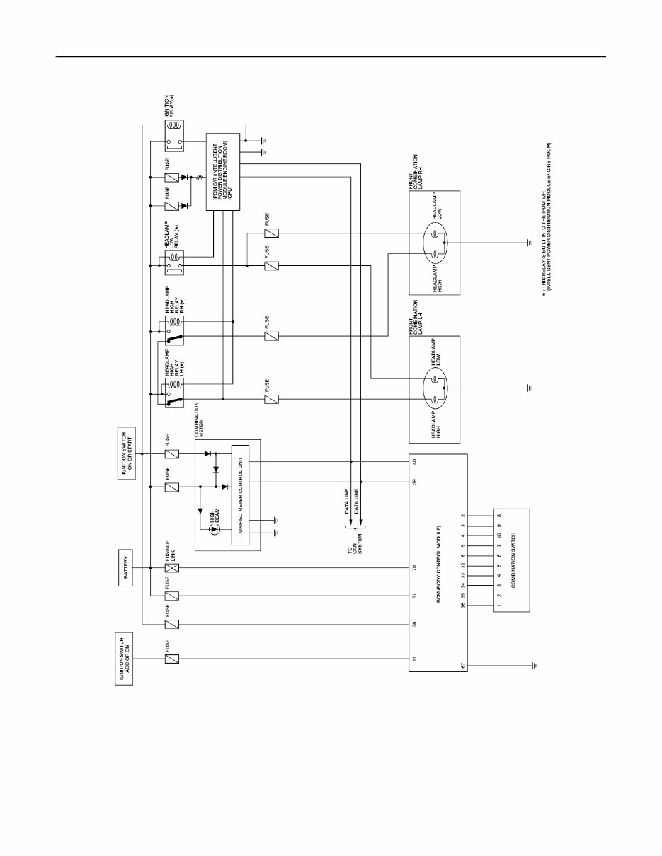
Schematic INFOID:0000000005283306
BKWA0779E
Revision: January 2010 2010 Sentra

HEADLAMP (FOR USA)
LT-7
< SERVICE INFORMATION >
C
D
E
F
G
H
I
J
L
M
A
B
LT
N
O
P
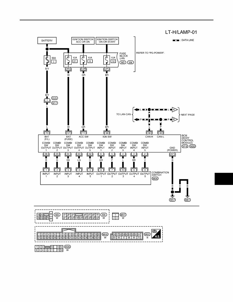
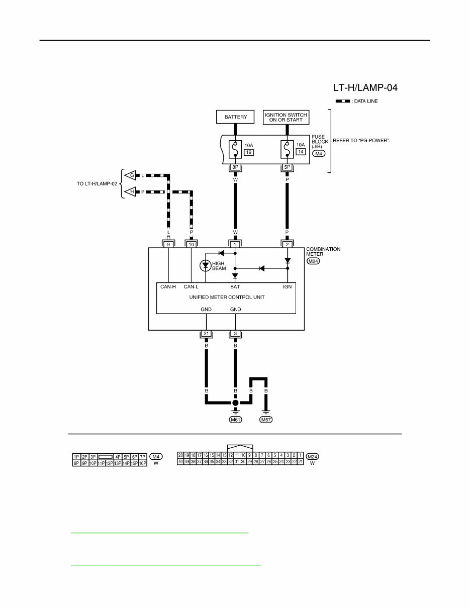
Wiring Diagram INFOID:0000000005283307
BKWA0780E
Revision: January 2010 2010 Sentra

LT-8
< SERVICE INFORMATION >
HEADLAMP (FOR USA)
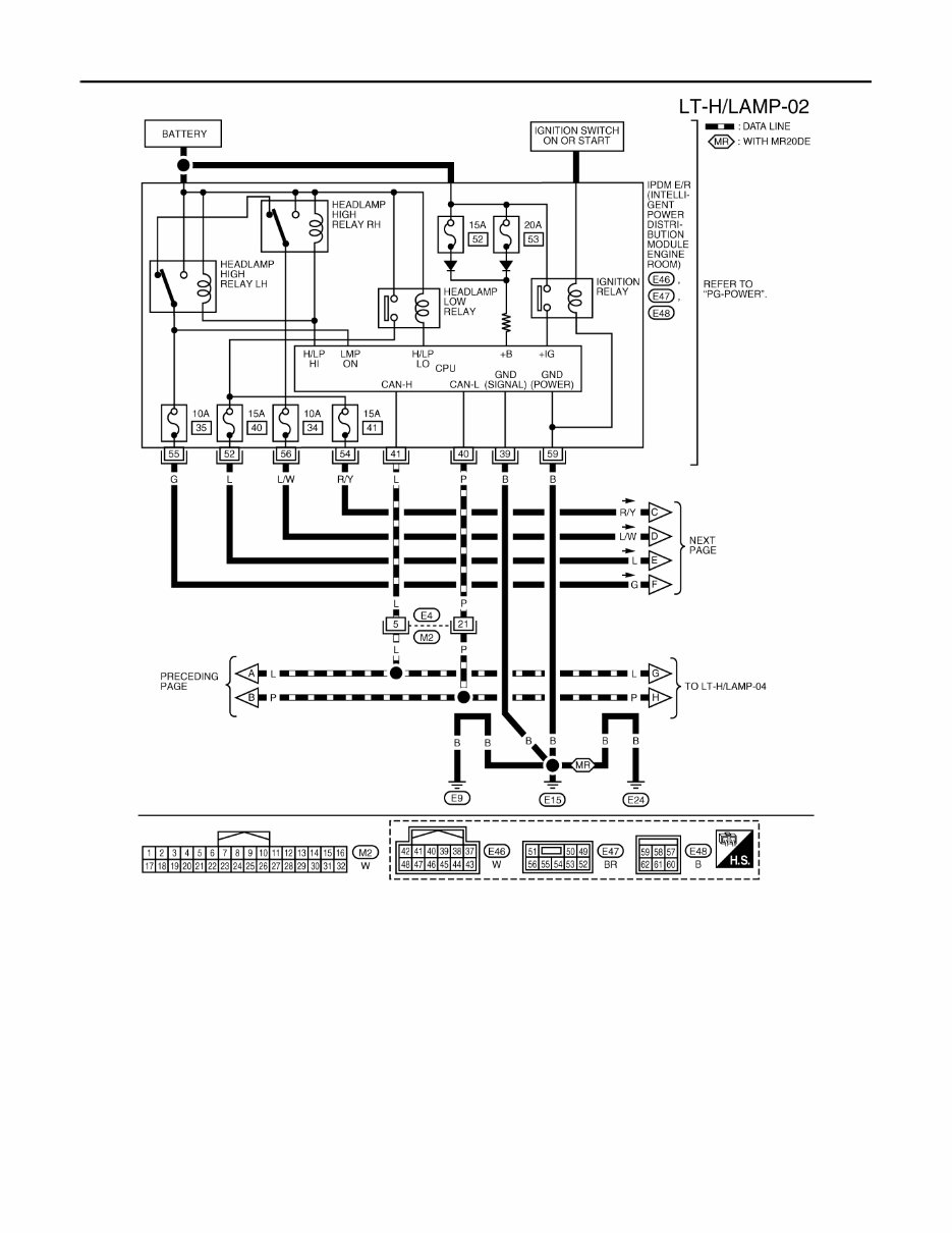
BKWA0832E
Revision: January 2010 2010 Sentra

HEADLAMP (FOR USA)
LT-9
< SERVICE INFORMATION >
C
D
E
F
G
H
I
J
L
M
A
B
LT
N
O
P
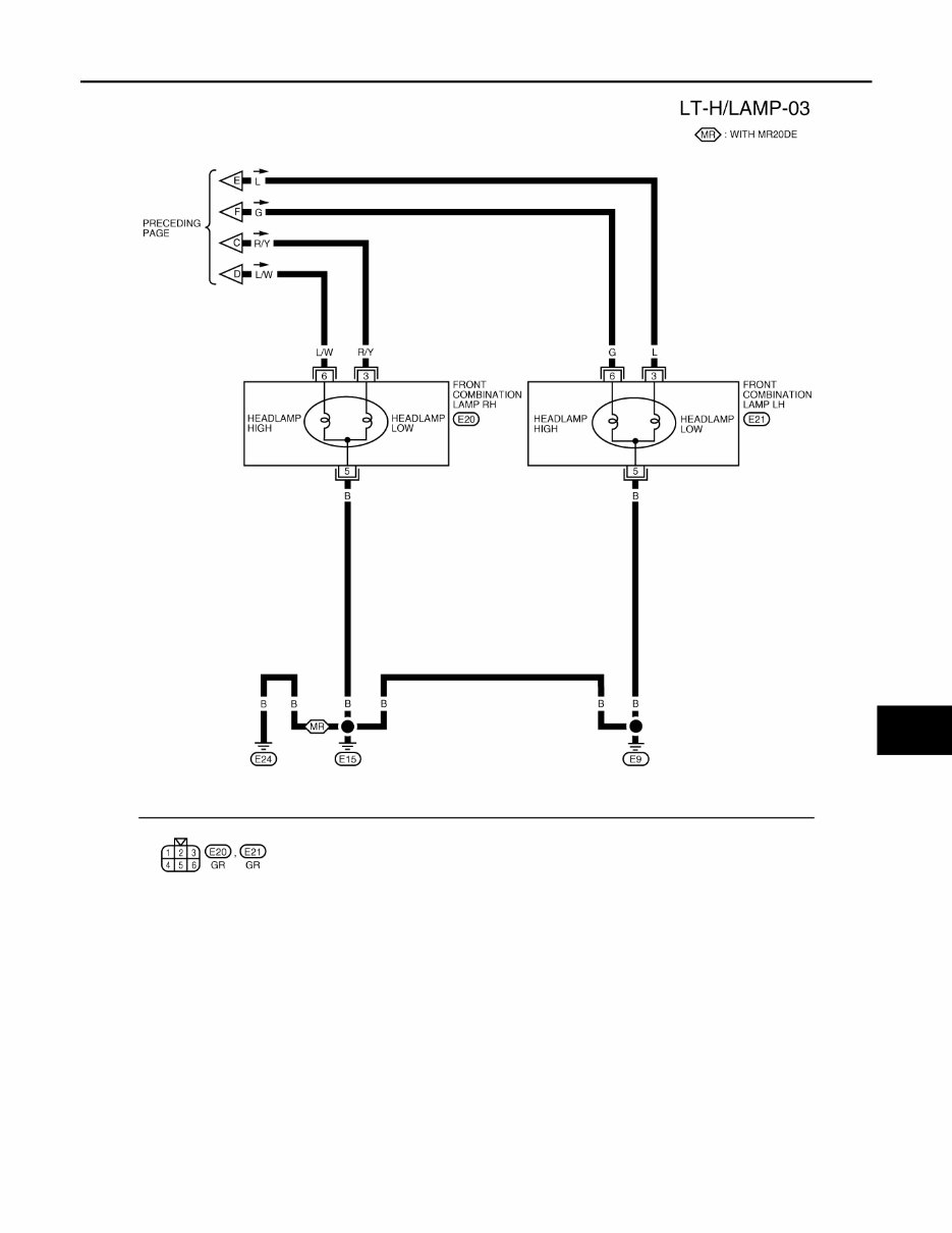
BKWA0833E
Revision: January 2010 2010 Sentra

LT-10
< SERVICE INFORMATION >
HEADLAMP (FOR USA)
Terminal and Reference Value for BCM INFOID:0000000005283308
Refer to BCS-12, " Terminal and Reference Value for BCM " .
Terminal and Reference Value for IPDM E/R INFOID:0000000005283309
Refer to PG-24, " Terminal and Reference Value for IPDM E/R " .
AALWA0161GB
Revision: January 2010 2010 Sentra
You're Reading a Preview
What's Included?
Fast Download Speeds
Offline Viewing
Access Contents & Bookmarks
Full Search Facility
Print one or all pages of your manual
$36.99
Viewed 30 Times Today
Loading...
Secure transaction
What's Included?
Fast Download Speeds
Offline Viewing
Access Contents & Bookmarks
Full Search Facility
Print one or all pages of your manual
$36.99
Introducing the 2010 Nissan Sentra Service & Repair Manual! This comprehensive manual is your ultimate guide for all your maintenance and repair needs for the 2010 Nissan Sentra.
Whether you are a DIY enthusiast or a professional mechanic, this manual is designed to provide you with detailed instructions and step-by-step procedures to efficiently service and repair your Sentra.
Key features of the 2010 Nissan Sentra Service & Repair Manual:
- Complete and detailed instructions for all repair and maintenance tasks.
- Covers all aspects of the vehicle, including engine, transmission, suspension, electrical system, and more.
- Easy-to-follow diagrams, illustrations, and photographs to assist you in every step.
- Troubleshooting guides to help diagnose and solve common issues.
- Includes recommended maintenance schedules to keep your Sentra in top condition.
Models covered by this manual:
- 2010 Nissan Sentra S
- 2010 Nissan Sentra SE-R
- 2010 Nissan Sentra SE-R Spec V
With the 2010 Nissan Sentra Service & Repair Manual, you can save time and money by performing your own maintenance and repairs. Get your copy today and keep your Sentra running smoothly!