1996-2005 Mazda B-Series (B2600/Bravo/Drifter) Service & Repair Manual
What's Included?
Lifetime Access
Fast Download Speeds
Offline Viewing
Access Contents & Bookmarks
Full Search Facility
Print one or all pages of your manual
VIEW MAIN INDEX TO MODEL INDEX BACK.TO.MODEL.INDEX RANGER/DRIFTER.LHD.EWD Ranger/Drifter Wiring Diagram LHD FOREWORD This Manual has been prepared to provide information covering normal service repairs and maintenance for the RANGER / DRIFTER SERIES. As all information in this manual was the best available at the time of printing, vehicle specification and other information will be updated in Service Information. Ford/Mazda Motor Company WARNING Servicing a vehicle can be dangerous. If you have not received service-related training, the risks of injury, property damage, and failure of servicing increase. The recommended servicing procedures for the vehicle in this workshop manual were developed with Ford/Mazda-trained technicians in mind. This manual may be useful to non-Ford/Mazda trained technicians, but a technician with our service-related training and experience will be at less risk when performing service operations. However, all users of this manual are excepted at least to know general safety procedures. This manual contains "Warnings" and "Cautions" applicable to risks not normally encountered in a general technician's experience. They should be followed to reduce the risk of injury and the risk that improper service or repair may damage the vehicle or render it unsafe. It is also important to understand that the "Warnings" and "Cautions" are not exhaustive. It is impossible to warn of all the hazardous consequences that might result from failure to follow the procedures. The procedures recommended and described in this manual are effective methods of performing service and repair. Some require tools specifically designed for a specific purpose. Persons using procedures and tools, which are not recommended by Ford/Mazda Motor Corporation, must satisfy themselves thoroughly that neither personal safety nor safety of the vehicle will be jeopardized. The contents of this manual, including drawings and specifications, are the latest available at the time of printing, and Ford/Mazda Motor Corporation reserves the right to change the vehicle designs and alter the contents of this manual without notice and without incurring obligation. Parts should be replaced with genuine Ford/Mazda replacement parts or with parts, which match the quality of genuine Ford/Mazda replacement parts. Persons using replacement parts of lesser quality than that of genuine Ford/Mazda replacement parts must satisfy themselves thoroughly that neither personal safety nor safety of the vehicle will be jeopardized. Ford/Mazda Motor Corporation is not responsible for any problems, which may arise from the use of this manual. The cause of such problems includes but is not limited to insufficient service related training, use of improper tools, use of replacement parts of lesser quality than that of genuine Ford/Mazda replacement parts, or not being aware of any revision of this manual.
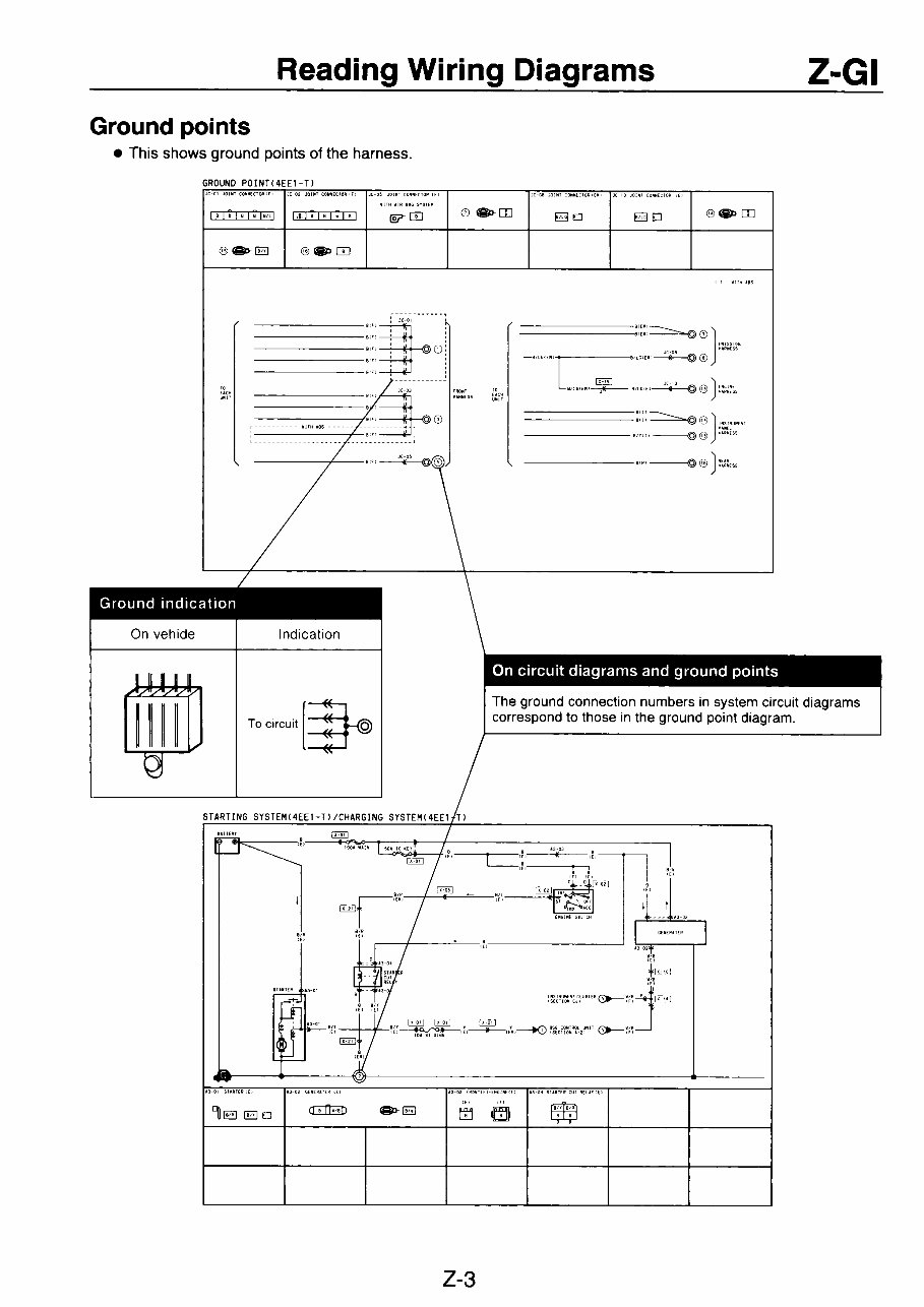
GENERAL INFORMATION ....................................Z-2/11 ENGINE-RELATED SYSTEMS STARTING SYSTEM WL, WL Turbo ..................................................Z-18/19 F2 CIS, G6........................................................Z-20/21 CHARGING SYSTEM WL, WL Turbo ..................................................Z-18/19 F2 CIS, G6........................................................Z-20/21 POWERTRAIN CONTROL SYSTEM WL, WL Turbo:GENERAL SPECS. ..................Z-22/23 WL, WL Turbo:EUROPEAN SPECS. ...............Z-24/25 G6 .....................................................................Z-30/35 F2 CIS ..............................................................Z-36/41 IGNITION SYSTEM G6 .....................................................................Z-30/35 F2 CIS ..............................................................Z-36/41 QUICK-START SYSTEM.....................................Z-22/23 GLOW SYSTEM ..................................................Z-26/29 FUEL CONTROL SYSTEM .................................Z-42/43 CHASSIS-RELATED SYSTEMS REMOTE FREEWHEEL CONTROL SYSTEM....Z-72/73 INSTRUMENT CLUSTER-RELATED SYSTEMS INSTRUMENT CLUSTER WL, WL Turbo ..................................................Z-44/49 F2 CIS, G6........................................................Z-50/55 BODY-RELATED SYSTEMS WINDSHIELD WIPER AND WASHER ................Z-56/57 HORNS ................................................................Z-66/67 REAR WINDOW DEFROSTER ...........................Z-76/77 POWER WINDOWS REGULAR CAB,STRETCH CAB .....................Z-82/83 DOUBLE CAB ..................................................Z-84/85 POWER DOOR LOCKS ......................................Z-86/87 POWER OUTSIDE MIRRORS ............................Z-88/89 SEAT WARMER ..................................................Z-90/91 AIR BAG SYSTEM SERVICE CAUTIONS/ SERVICE WARNINGS .....................................Z-92/93 AIR BAG SYSTEM...............................................Z-94/95 IMMOBILIZER SYSTEM......................................Z-96/97 INTERIOR LIGHTING SYSTEMS ILLUMINATION LIGHTS......................................Z-74/75 INTERIOR LIGHT ................................................Z-78/79 EXTERIOR LIGHTING SYSTEMS HEADLIGHTS WITHOUT RUNNING LIGHT SYSTEM/ WITHOUT HEADLIGHT LEVELING SYSTEM.Z-58/59 WITH RUNNING LIGHT SYSTEM/ WITH HEADLIGHT LEVELING SYSTEM ........Z-60/61 LICENCE PLATE LIGHTS ...................................Z-62/63 PARKING LIGHTS...............................................Z-62/63 TAILLIGHTS ........................................................Z-62/63 REAR FOG LIGHT...............................................Z-62/63 TURN AND HAZARD WARNING LIGHTS ..........Z-64/65 BACK-UP LIGHTS ...............................................Z-66/67 BRAKE LIGHTS...................................................Z-66/67 AIR CONDITIONING-RELATED SYSTEMS HEATER AND AIR CONDITIONER WL, WL Turbo ..................................................Z-68/69 F2 CIS, G6........................................................Z-70/71 ACCESSORIES CIGARETTE LIGHTER........................................Z-76/77 CLOCK.................................................................Z-76/77 OUTLET ...............................................................Z-76/77 AUDIO SYSTEM..................................................Z-80/81 OTHERS DATA LINK CONNECTOR ..................................Z-98/99 COMMON CONNECTOR LIST ............................Z-100/101 PARTS INDEX ......................................................Z-102/103 GROUND POINTS -WL,WL TURBO ...... ............Z-12/13 ELECTRICAL WIRING SCHEMATIC.....................Z-16 F2,CIS,G6 ....................................... ...........Z-14/15 . ............. WL,WL TURBO.................... Z16 F2,CIS,G6 .................... ...........................................Z- 17 .................................. RANGER/DRIFTER-LHD-EWD SYSTEM INDEX TO. MODEL .INDEX PAGES. FROM. MANUAL RANGER/DRIFTER.LHD.EWD CONTINUED BACK TO FOREWORD & MAIN INDEX
CONTINUED BACK.TO.CHAPTER.INDEX TO. MODEL .INDEX PAGES. FROM. MANUAL RANGER/DRIFTER.LHD.EWD
CONTINUED BACK.TO.CHAPTER.INDEX TO. MODEL .INDEX PAGES. FROM. MANUAL RANGER/DRIFTER.LHD.EWD
CONTINUED BACK.TO.CHAPTER.INDEX TO. MODEL .INDEX PAGES. FROM. MANUAL RANGER/DRIFTER.LHD.EWD
This manual provides factory service and repair procedures for the 1996-2005 Mazda B-Series (B2600/Bravo/Drifter). It covers all applicable models and engines, including the 2.0L-F8/FE, 2.2L-F2, 2.6L-G6 (Gasoline), and 2.5L-WL, WL TURBO (Diesel). The manual focuses on manual transmission models.
The 1996-2005 Mazda B-Series (B2600/Bravo/Drifter) Service & Repair Manual includes comprehensive coverage of:
General Information
Engine
Lubrication System
Cooling System
Fuel and Emission Control Systems
Engine Electrical System
Clutch
Manual Transmission
Propeller Shaft
Front and Rear Axles
Steering System
Braking System
Suspension
Body
Body Electrical System
Heater and Air Conditioner Systems
The manual is available in PDF format and is compatible with all versions of Windows and Mac. Presented entirely in English and requiring Adobe Reader or Win to access, this printable resource is invaluable for professional mechanics and DIY enthusiasts alike.
Recently Viewed
5,521,897Happy Clients
2,594,462eManuals
1,120,453Trusted Sellers
15Years in Business
Price:
Actual Price:
1996-2005 Mazda B-Series (B2600/Bravo/Drifter) Service & Repair Manual