Kia Borrego 2009 2010 3.8L Workshop Service Manual
This workshop service manual for the Kia Borrego 2009 2010 3.8L provides comprehensive data, characteristics, instructions, and methodology for performing repair interventions on the vehicle and its components. It includes special notes, important points, service data, precautions, and detailed illustrations, exploded diagrams, drawings, and photos to guide you through every service repair procedure. This manual is intended as a handy, easy-to-read reference book for both professional mechanics and DIY enthusiasts.
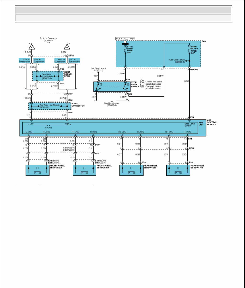
The manual covers a wide range of topics including but not limited to ABS, air bag system, air conditioning system, battery, starter, alternator, brake control system, charging system, clutch, cooling system, crankshaft, cruise control system, cylinder head removal and installation, differential, drive shafts and axle, driveline and axle, electrical system, emission control devices, engine cooling system, engine electrical devices, engine lubrication system, engine mechanical, engine removal and installation, engine top end, exhaust system, exterior trim, final drive, frame, front axle differential, front brakes, front suspension, fuel injection, fuel system, fuel tank and fuel pump, general data and maintenance, heater and ventilation, heating and air-conditioning, ignition system, lighting systems, lubrication system, manual transmission, parking brake, periodic maintenance, power-assisted steering system, propeller shafts, radiator and cooling system, rear axle differential, rear brakes, rear suspension, restraint, starting system, steering and wheel alignment, steering wheel and column, suspension steering and brakes, switches, symptoms and field observations, transfer case, transmission and transaxle, vehicle identification and VIN, wheels and tires, and wipers and washers.
This service manual is available in .PDF format and can be viewed on any computer, as well as zoomed and printed. It contains detailed procedures, explanations, and pictorial diagrams from bumper to bumper, ensuring that all installation, removal, disassembly, assembly, repair, and check procedures are laid out with individual steps in sequential order. The manual also provides information on construction, function, troubleshooting, servicing specifications, tightening torque, checking and adjusting, disassembling and assembling, and servicing procedures.
Always use the correct special service tools or equipment specified, and ensure that all work is performed with great care and in a clean working area with adequate lighting. To maximize the life of your Kia Borrego 2009 2010 3.8L, accurately follow the maintenance requirements of the periodic maintenance chart in the service manual, and use only genuine Kia Borrego 2009 2010 3.8L parts as listed in the parts catalogue. Keep complete records of all maintenance and repairs with dates and any new parts installed, and use only approved lubricants as specified in the manual of the Kia Borrego 2009 2010 3.8L.
This Kia Borrego 2009 2010 3.8L service manual is designed primarily for use by trained technicians in a properly equipped workshop, but it contains enough detail and basic information to make it useful to the owner who desires to perform their own basic maintenance and repair work. A basic knowledge of mechanics, including the proper use of tools and workshop procedures, is necessary in order to carry out maintenance and repair work satisfactorily.
For all maintenance and repair work on the Kia Borrego 2009 2010 3.8L, all accident prevention guidelines must be strictly observed. To perform all repairs listed in this manual, a complete set of standard tools, as well as the special tools and fixtures shown and listed, are necessary. No special emphasis is put on replacing sealing components as it is assumed that these items are replaced during any repair. Unless specific values are given, all threaded connections should be tightened according to the required tightening torques listed on torque charts.
This Kia Borrego 2009 2010 3.8L Service Repair Manual is a quality manual that is 100% complete and intact, with no missing or corrupt pages/sections. It provides technical information regarding the design, function, disassembly, adjusting work, and troubleshooting on the components and model of the Kia Borrego 2009 2010 3.8L.
For a complete repair work and to ensure satisfaction, please peruse and utilize this manual fully. All information, illustrations, and specifications contained in this manual are based on the latest product information available at the time of publication approval. The specification, maintenance, and other information for the components are included, and diagnostic information has also been added where necessary. These torque values are intended for use in service assembly and installation procedures using the correct OEM fasteners. When replacing fasteners, always use the same type (part number) fastener as removed.
Ensure that all procedures contain many notes, cautions, and warnings which should be followed along with standard safety procedures to eliminate the possibility of personal injury or improper service which could damage the vehicle or compromise its safety. When describing work which can be dangerous, the required safety measures are described in this manual and indicated by special remarks DANGER, CAUTION, or NOTE.
This Kia Borrego 2009 2010 3.8L Service Manual for Workshop Repair is a valuable resource for both professional mechanics and DIY enthusiasts, providing detailed information and procedures for servicing and repairing vehicles using safe, effective methods.
- Kia Borrego 2009 2010 3.8L Service service manual
- Kia Borrego 2009 2010 3.8L Service repair manual
- Kia Borrego 2009 2010 3.8L Service workshop manual
- Kia Borrego 2009 2010 3.8L Service shop manual









