ENGINE PERFORMANCE Advanced Diagnostics - Element DTC P0011 (56): ADVANCED DIAGNOSTICS DTC P0011: VARIABLE VALVE TIMING CONTROL (VTC) SYSTEM MALFUNCTION Fig. 1: Identifying Variable Valve Timing Control (VTC) System Consisting Components With Flow Diagram General Description The variable valve timing control (VTC) system controls the timing of the intake camshaft. It uses hydraulic pressure to operate the VTC actuator so the valve timing is optimized depending on driving conditions. The engine control module (ECM)/powertrain control module (PCM) monitors the phase control command and the actual timing of the camshaft by using camshaft position (CMP) sensor A. If the phase difference between them is excessive for a certain time period, a malfunction is detected and a DTC is stored. Monitor Execution, Sequence, Duration, DTC Type, OBD Status MONITOR DESCRIPTION Execution Continuous Sequence None Duration 15 seconds or more DTC Type Two drive cycles, MIL ON
Enable Conditions ENABLE CONDITIONS Malfunction Threshold The timing difference between the timing control command and the actual timing of the camshaft is 5.0 ° or more for at least 15 seconds. Confirmation Procedure with the HDS Do the VTC TEST in the INSPECTION MENU of the HDS. Driving Pattern OBD Status PASSED/FAILED/NOT COMPLETED (STILL TESTING) Condition Minimum Maximum Elapsed time after starting the engine 10 seconds - Engine coolant temperature 23 °F (- 5 °C) (1) 158 °F (70 °C) - -13 °F (-25 ° C) (1) 185 °F (85 °C) Engine speed 203 °F (95 °C) (2) 800 rpm - 227 °F (107 ° C) (2) 1,600 rpm Elapsed TDC revolutions 25 °F (- 4 °C) (1) Per 0 revolutions - -13 °F (-25 ° C) (1) Per 23,500 revolutions Battery voltage 10.5 V - No active DTCs P0010, P0107, P0108, P0112, P0113, P0117, P0118, P0122, P0123, P0222, P0223, P0335, P0339, P0340, P0341, P0344, P1009, P1128, P1129, P2101, P2118, P2122, P2123, P2127, P2128, P2135, P2138, P2176, P2227, P2228, P2229, P2646, P2647, P2648, P2649 (1) Depending on initial engine coolant temperature. (2) Depending on engine coolant temperature.
1. Start the engine. Hold the engine speed at 3,000 rpm without load (in Park or neutral) until the radiator fan comes on. 2. Drive the vehicle at a steady speed between 25 - 75 mph (40 - 120 km/h) for at least 15 seconds. Drive the vehicle in this manner only if the traffic regulations and ambient conditions allow. Diagnosis Details Conditions for illuminating the MIL When a malfunction is detected during the first drive cycle, a Temporary DTC is stored in the ECM/PCM memory. If the malfunction recurs during the next (second) drive cycle, the MIL comes on and the DTC and the freeze frame data are stored. Conditions for clearing the MIL The MIL will be cleared if the malfunction does not recur during three consecutive trips in which the diagnostic runs. The MIL, the DTC, the Temporary DTC, and the freeze frame data can be cleared by using the scan tool Clear command or by disconnecting the battery. DTC P0101 (50): ADVANCED DIAGNOSTICS DTC P0101: MASS AIRFLOW (MAF) SENSOR CIRCUIT RANGE/PERFORMANCE PROBLEM Fig. 2: Outline Of Engine System Structure
Fig. 3: Actual Intake Airflow Versus Presumed Intake Airflow Graph General Description The mass airflow (MAF) sensor directly measures the amount of intake airflow into the engine, and the engine control module (ECM)/powertrain control module (PCM) controls the fuel injection based on the measured value. The manifold absolute pressure (MAP) sensor measures the intake manifold pressure and the ECM/PCM calculates the amount of intake airflow from the MAP sensor output and the engine revolutions. The ECM/PCM compares the MAF sensor output (amount of intake airflow) and the amount of intake airflow calculated from MAP sensor output. If their difference is too large (in the malfunction area), the ECM/PCM detects a malfunction and a DTC is stored. Monitor Execution, Sequence, Duration, DTC Type, OBD Status MONITOR DESCRIPTION Enable Conditions ENABLE CONDITIONS Execution Once per driving cycle Sequence None Duration 5 seconds or more DTC Type Two drive cycles, MIL ON OBD Status PASSED/FAILED/NOT COMPLETED (STILL TESTING) Condition Minimum Maximum Elapsed time after
Malfunction Threshold The difference between the amount of intake air measured by the MAF sensor and the amount of intake air calculated from the MAP sensor output is out of the normal area for at least 5 seconds. Driving Pattern 1. Start the engine. Hold the engine speed at 3,000 rpm without load (in Park or neutral) until the radiator fan comes on. 2. Let the engine idle for at least 5 seconds. Diagnosis Details Conditions for illuminating the MIL When a malfunction is detected during the first drive cycle, a Temporary DTC is stored in the ECM/PCM memory. If the malfunction recurs during the next (second) drive cycle, the MIL comes on and the DTC and the freeze frame data are stored. Conditions for clearing the MIL The MIL will be cleared if the malfunction does not recur during three consecutive trips in which the diagnostic runs. The MIL, the DTC, the Temporary DTC, and the freeze frame data can be cleared by using the scan tool Clear command or by disconnecting the battery. DTC P0102 (50): ADVANCED DIAGNOSTICS DTC P0102: MASS AIRFLOW (MAF) SENSOR CIRCUIT LOW VOLTAGE starting the engine 3 seconds - Engine coolant temperature 156 °F (69 °C) - Engine speed 600 rpm 5,700 rpm No active DTCs P0102, P0103, P0107, P0108, P0112, P0113, P0117, P0118, P0171, P0172, P0300, P0301, P0302, P0303, P0304, P0335, P0339, P0340, P0341, P0344, P0443, P0496, P0497, P0506, P0507, P1128, P1129, P145C, P2646, P2647, P2648, P2649
Fig. 4: Mass Airflow (MAF) Sensor Circuit Diagram Fig. 5: Mass Air Flow Meter Output Voltage Graph General Description The mass airflow (MAF) sensor is attached to the intake air passage, and it measures the amount of intake airflow. The MAF sensor is a hot wire airflow meter. The airflow cools the electrically heated wire that is
mounted in the air passage. The engine control module (ECM)/powertrain control module (PCM) determines the amount of intake airflow by detecting the current that is required to keep the hot wire at a constant temperature. The lower limit of the MAF sensor output is specified. If the output is below that limit, the ECM/PCM detects a malfunction and stores a DTC. Monitor Execution, Sequence, Duration, DTC Type, OBD Status MONITOR DESCRIPTION Enable Conditions ENABLE CONDITIONS Malfunction Threshold The input voltage from the MAF sensor is 0.1 V or less for at least 2 seconds. Diagnosis Details Conditions for illuminating the MIL When a malfunction is detected, the MIL comes on and the DTC and the freeze frame data are stored in the ECM/PCM memory. Conditions for clearing the MIL The MIL will be cleared if the malfunction does not recur during three consecutive trips in which the diagnostic runs. The MIL, the DTC, and the freeze frame data can be cleared by using the scan tool Clear command or by disconnecting the battery. DTC P0103 (50): ADVANCED DIAGNOSTICS DTC P0103: MASS AIRFLOW (MAF) SENSOR CIRCUIT HIGH VOLTAGE Execution Continuous Sequence None Duration 2 seconds or more DTC Type One drive cycle, MIL ON OBD Status N/A Condition Ignition switch ON No active DTCs P0103
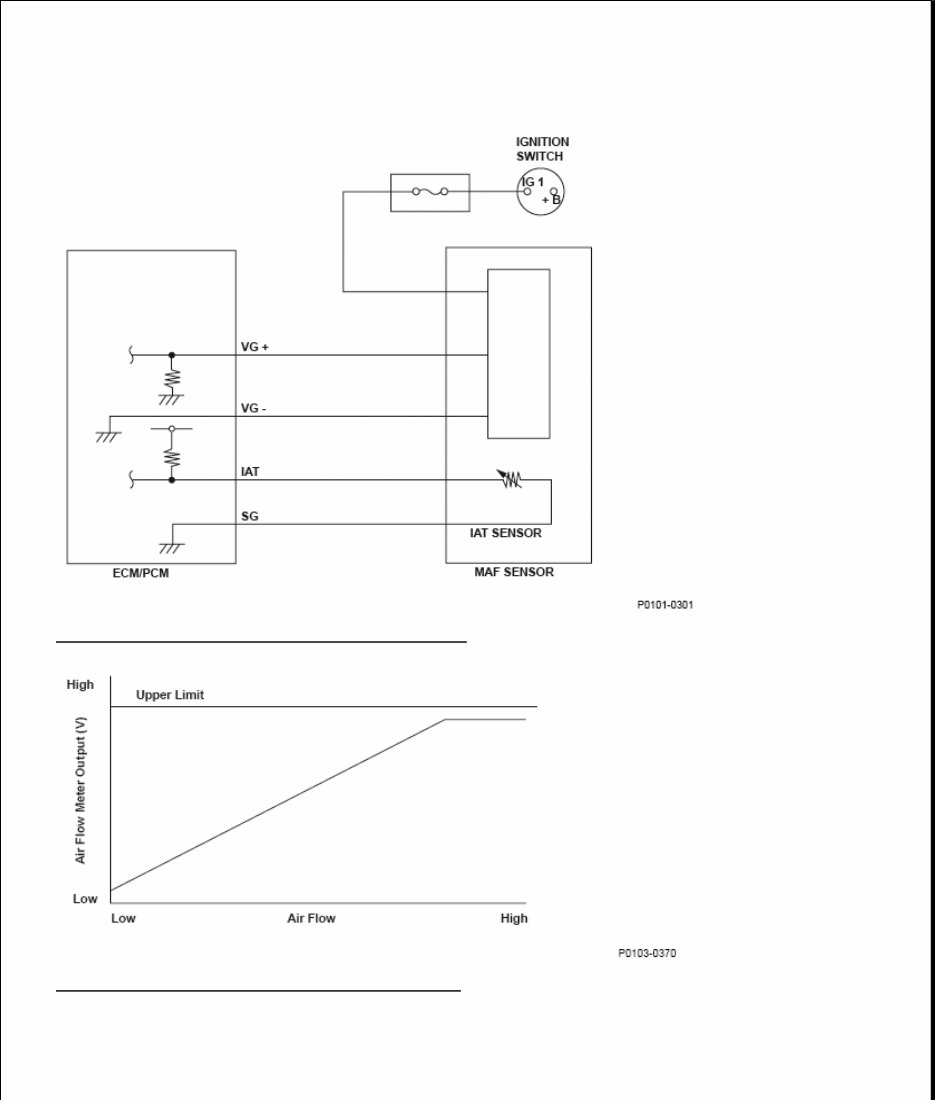
Fig. 6: Mass Airflow (MAF) Sensor Circuit Diagram Fig. 7: Mass Air Flow Meter Output Voltage Graph General Description The mass airflow (MAF) sensor is attached to the intake air passage, and it measures the amount of intake airflow. The MAF sensor is a hot wire airflow meter. The airflow cools the electrically heated wire that is
mounted in the air passage. The engine control module (ECM)/powertrain control module (PCM) determines the amount of intake airflow by detecting the current that is required to keep the hot wire at a constant temperature. The upper limit of the MAF sensor output is specified. If the output is above that limit, the ECM/PCM detects a malfunction and stores a DTC. Monitor Execution, Sequence, Duration, DTC Type, OBD Status MONITOR DESCRIPTION Enable Conditions ENABLE CONDITIONS Malfunction Threshold The input voltage from the MAF sensor is 4.89 V or more for at least 2 seconds. Diagnosis Details Conditions for illuminating the MIL When a malfunction is detected, the MIL comes on and the DTC and the freeze frame data are stored in the ECM/PCM memory. Conditions for clearing the MIL The MIL will be cleared if the malfunction does not recur during three consecutive trips in which the diagnostic runs. The MIL, the DTC, and the freeze frame data can be cleared by using the scan tool Clear command or by disconnecting the battery. DTC P0107 (3): ADVANCED DIAGNOSTICS DTC P0107: MANIFOLD ABSOLUTE PRESSURE (MAP) SENSOR CIRCUIT LOW VOLTAGE Execution Continuous Sequence None Duration 2 seconds or more DTC Type One drive cycle, MIL ON OBD Status N/A Condition Ignition switch ON No active DTCs P0102
The Repair Manual for the Honda Element 2011 is a comprehensive guide designed to assist in the maintenance and repair of this vehicle model. This manual is essential for technicians, mechanics, and DIY enthusiasts who wish to perform Repair procedures accurately and efficiently.
Key features of the Honda Element 2011 Repair Manual include:
Detailed specifications and performance data
Step-by-step instructions for routine maintenance tasks
Comprehensive diagrams and photos for clarity
Diagnostic procedures for troubleshooting various components
Information on engine overhaul and transmission repair
Guidance on electrical systems including wiring diagrams
Procedures for brake system maintenance and repair
Details on suspension and steering system servicing
Instructions for HVAC (Heating, Ventilation, and Air Conditioning) system repairs
This Repair manual is an invaluable resource that ensures the longevity and reliable performance of your Honda Element 2011. With its detailed content, it aids in the accurate diagnosis of issues, efficient repairs, and regular maintenance to keep your vehicle in optimal condition.