 
 
  calcActive())">
 
 
 
 
 
 
 2000-2005 Daihatsu Sirion M101 K3 1.3L Engine Repair Manual
What's Included?
  Lifetime Access
 Lifetime Access
 
 
 Fast Download Speeds
 
 
 
 Offline Viewing
 
 
 
 Access Contents & Bookmarks
 
 
 
 Full Search Facility
 
 
 
 Print one or all pages of your manual
 
 
 Viewed 10 Times Today
  
 
Secure transaction
What's Included?
  Lifetime Access
 Lifetime Access
 
 
 Fast Download Speeds
 
 
 
 Offline Viewing
 
 
 
 Access Contents & Bookmarks
 
 
 
 Full Search Facility
 
 
 
 Print one or all pages of your manual
 
 
 
  
 $41.99
  
 
 
 
 $54.99
 
 
 
 The DAIHATSU SIRION / STORIA M101 K3 ENGINE WORKSHOP SERVICE MANUAL is a comprehensive resource for working with the K3 1.3L engine. It is designed to provide detailed information on engine-specific procedures and specifications, making it an invaluable tool for both professional mechanics and DIY enthusiasts.
- General Information
- Engine Mechanical
- Emission Control
- EFI System
- Fuel System
- Cooling System
- Lubrication System
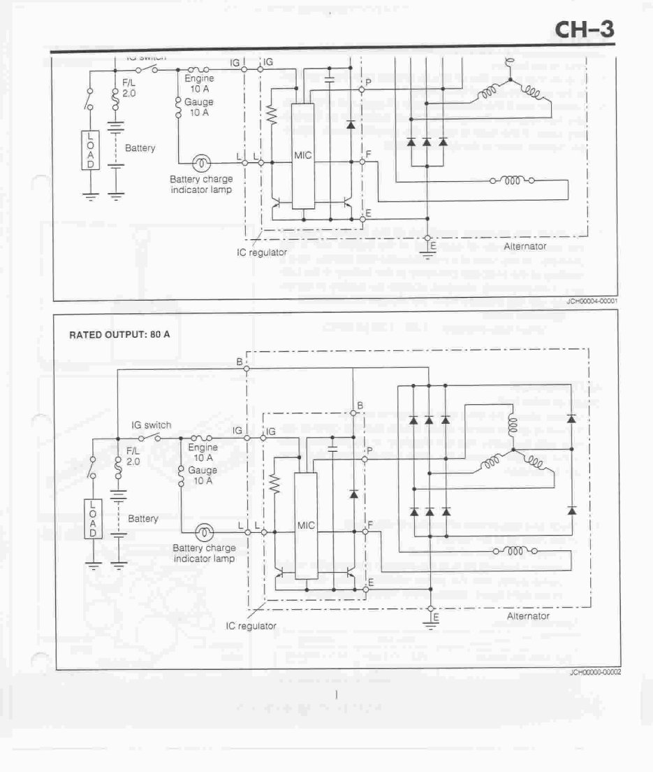
- Ignition System
- Starting System
Please note that this manual specifically covers the engine and does not encompass the full workshop manual.
 
 









 
  
  
 