MASSEY FERGUSON MF 390 Tractor BEFORE SN B18008 Parts Manual 819751
What's Included?
Lifetime Access
Fast Download Speeds
Online & Offline Access
Access PDF Contents & Bookmarks
Full Search Facility
Print one or all pages of your manual
MF 390 TRACTOR, ->| B18008 - 819751 Ref. 1 Page 1
MASSEY FERGUSON MF 390 TRACTOR, ->| B18008 - 819751 819751 SECTION DIVIDER 1 Ref. 1 Page 1 Description Comments . For UK only or any text in English only SERIAL NUMBERS .............. . For France only or any text in French only NUMEROS DE SERIES . For Germany only or any text in German only SERIEN NUMMER .............. . For Italy only or any text in Italian only MATR.O NUMERO .............. . E NUMERO SERIE ..............
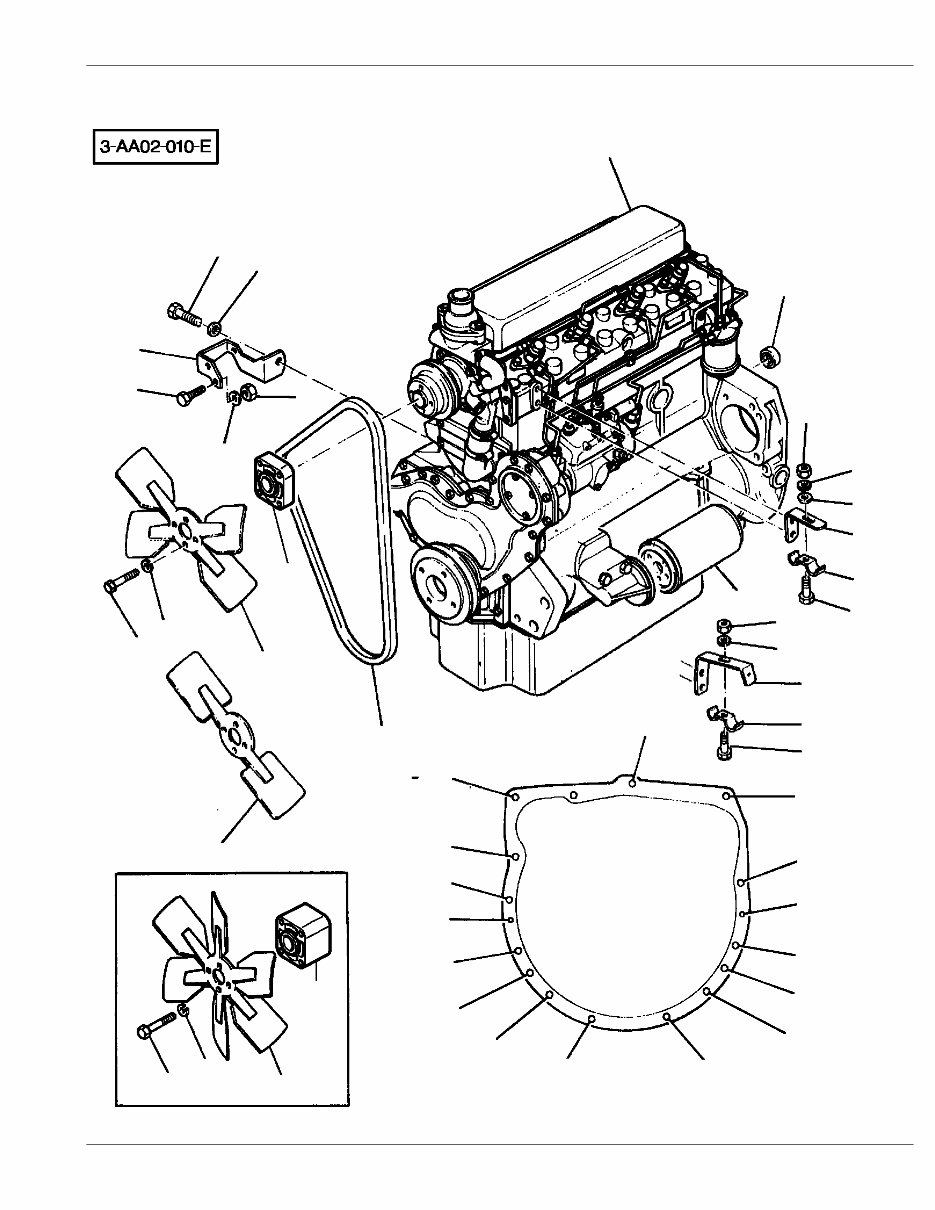
MASSEY FERGUSON MF 390 TRACTOR, ->| B18008 - 819751 819751 ENGINE INSTALLATION 2 Ref. 2 Page 2 Item Part Number Qty Description Comments 1 1694430M91 1 Engine PEL - LF31141 3596123M91 1 Engine PEL - LF31186 3612675M91 1 Engine (A) PEL LF31249 1 3478238M91 1 Short Engine PEL - 39308 2 1447048M1 1 Oil Filter 3 1693745M1 1 V Belt 1687610M91 1 Kit, Belt (A) 4 1694276M4 1 Bracket 5 376334X1 1 Screw Unc 6 353755X1 1 Washer 7 355565X1 1 Nut Unc 8 353536X1 1 Screw Unf 9 1696465M2 1 Bracket Up to Serial or Engine Number ....... 10 1696871M1 1 Clip Up to Serial or Engine Number ....... 11 339123X1 1 Screw Metric Up to Serial or Engine Number ....... 12 390972X1 1 Washer Metric Up to Serial or Engine Number ....... 13 339374X1 1 Lock Washer Up to Serial or Engine Number ....... 14 339169X1 1 Nut Metric Up to Serial or Engine Number ....... 15 828123M2 1 Bearing Assy 16 339030X1 1 Nut Metric From Serial or Engine Number ....... 17 339375X1 1 Lock Washer From Serial or Engine Number ....... 18 3612888M1 1 Bracket From Serial or Engine Number ....... 19 1876383M1 1 Clamp From Serial or Engine Number ...... 20 3001753X1 1 Screw Metric From Serial or Engine Number ....... 21 3019851X1 3 Bolt Metric 22 3019853X1 5 Bolt Metric 23 825302M1 2 Dowel 24 3019855X1 4 Bolt Metric 25 3019878X1 1 Bolt Metric 26 3019862X1 1 Nut Metric 27 3019858X1 1 Bolt Metric 28 353756X1 1 Washer 32 3638564M1 1 Spacer Thickness 17,7MM 33 1695933M1 1 Fan 4 BLADE 34 353521X1 4 Bolt Unf 35 353446X1 4 Lock Washer 36 3614283M1 1 Fan (B) 41 3637938M1 1 Fan (A) 42 3759095M1 1 Spacer (A) Thickness 40,7MM 44 353446X1 4 Lock Washer (A) 45 353527X1 4 Screw (A) .. (A) WITH AIR CONDITIONING (B) SCANDINAVIA ONLY
MASSEY FERGUSON MF 390 TRACTOR, ->| B18008 - 819751 819751 CRANKSHAFT, PISTONS AND CONNECTING RODS - A4.248 ENGINE 4 Ref. 4 Page 4 Item Part Number Qty Description Comments A4.248 ENGINE 1 3637402M91 1 Kit, Crankshaft 2 1 Crankshaft (1) Not serviced, order REF.1 3 735168M91 1 Kit, Bearing (1) (A) 3 735169M91 X Kit, Bearing (A) Thickness (-)0.25MM Thickness (-)0.010" 3 735170M91 X Kit, Bearing (A) Thickness (-)0.50MM Thickness (-)0.020" 3 735171M91 X Kit, Bearing (A) Thickness (-)0.75MM Thickness (-)0.030" 4 736950M91 1 Kit, Bearing (1) (A) 4 736951M91 X Kit, Bearing (A) Thickness (-)0.25MM Thickness (-)0.010" 4 736952M91 X Kit, Bearing (A) Thickness (-)0.50MM Thickness (-)0.020" 4 736953M91 X Kit, Bearing (A) Thickness (-)0.75MM Thickness (-)0.030" 5 747128M1 2 Washer (1) 735742M1 X Washer Thickness (+)0.19MM Thickness (+)0.0075" 6 747129M1 2 Washer (1) 735743M1 X Washer Thickness (+)0.19MM Thickness (+)0.0075" 7 3638115M1 1 Thrust Block (1) 8 3638113M1 3 Screw (1) 9 3637034M91 4 Kit, Conrod 10 1 Conrod (9) Not serviced, order REF.9 11 1 Cap (9) Not serviced, order REF.9 12 733767M1 1 Bush (9) 13 3637029M1 2 Bolt (9) 14 3637030M1 2 Nut (9) 15 747049M91 4 Kit, Piston (B) 747050M91 4 Kit, Piston (C) 16 1 Piston (15) Not serviced, order REF.15 17 1 Pin (15) Not serviced, order REF.15 18 376131X1 1 Clip (15) 19 376131X1 1 Clip (15) 20 747428M91 4 Kit, Piston Ring 21 734749M1 1 Gear Number of teeth/spines 28 Up to Serial or Engine Number U171963P 21 3638105M1 1 Gear Number of teeth/spines 28 From Serial or Engine Number U171964P 22 2196X 1 Key 23 742539M1 1 Washer (F) 24 3638098M1 1 Pulley 25 747631M1 1 Pulley (G) 26 742106M91 1 Flywheel (D) 3637521M91 1 Flywheel (E) 27 1 Flywheel (26)
MASSEY FERGUSON MF 390 TRACTOR, ->| B18008 - 819751 819751 CRANKSHAFT, PISTONS AND CONNECTING RODS - A4.248 ENGINE 4 Ref. 4 Page 4 Item Part Number Qty Description Comments Not serviced, order REF.26 28 731008M1 1 Annular Gear (26) Number of teeth/spines 115 29 375763X1 6 Screw 30 745365M1 6 Washer Repairs and replaces 737514M1 (A) PRE-FINISHED (B) UNTOPPED (C) PRE-TOPPED (D) USED ONLY WITH LIST LF31141 (E) USED ONLY WITH LIST LF31186 (F) USED ONLY WITH PULLEY 3638098M1 (G) PULLEY CRANKSHAFT 2 GROOVE AIR CONDITIONED
Get your hands on the Massey Ferguson Parts Manual. This complete manual is a high-resolution scan, with all pages printable. It's essential to verify the serial number before accessing the manual. For viewing these files, it's recommended to use Adobe Viewer 9.1 or newer, which can be accessed for free at adobe.com.
Recently Viewed
5,521,897Happy Clients
2,594,462eManuals
1,120,453Trusted Sellers
15Years in Business
Price:
Actual Price:
MASSEY FERGUSON MF 390 Tractor BEFORE SN B18008 Parts Manual 819751