Kubota M7950DT Tractor Illustrated Master Parts List Manual
This is an illustrated parts list manual for the Kubota model M7950DT M-Series Tractor.
The parts catalog contains detailed parts explosions and exploded views, breakdowns of all part numbers for all aspects of the Kubota M7950DT Tractors, including detailed engine parts breakdowns. Parts manuals are essential for do-it-yourself tractor parts lookup, as they provide a comprehensive view of how everything fits together. The parts list exploded views will also assist in servicing, rebuilding, teardowns, overhauls, repairs, and adjustments. The easy-to-read exploded views make part number identification, accurate ordering, and correct repairs simple. This manual contains all the original parts information needed to look up the correct part numbers for the entire machine, including engine parts.
This manual is exactly like the original manual made for the Kubota M7950DT Tractors, with the only difference being that this one is not paper and does not need to be shipped. It can be accessed immediately after purchase. It can be zoomed, printed, saved, and closed. Printing a few pages at a time is possible, eliminating the need to carry around a bulky binder.
Upon purchase, a link to the manual will be immediately sent to your email. You can then view, print, and save it to your computer for future use. All sections are bookmarked and fully text searchable for lightning-fast and simple navigation. The manual can be viewed in the latest, most popular Adobe Acrobat viewer, which is commonly available on most computers. To download the free viewer, visit www.adobe.com/reader.
This manual is divided into the following sections:
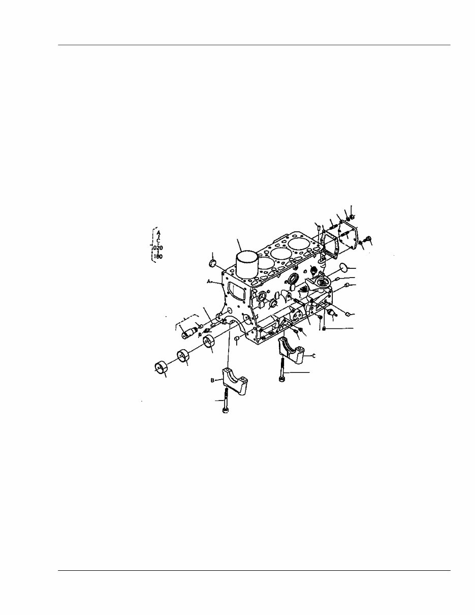
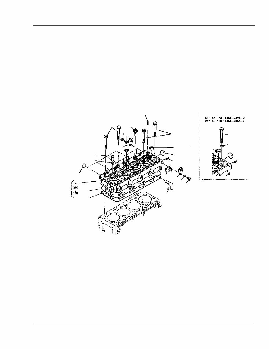
- ENGINE
- ENGINE CONTROL
- FRONT AXLE
- CLUTCH
- REAR PTO
- REAR AXLE
- BRAKE
- ELECTRICAL SYSTEM
- HYDRAULIC SYSTEM
- LABEL
- CHASSIS
- TRANSMISSION
- FRONT DRIVE AXLE
- STEERING
- MOUNTING CAB SPEC.
- OPTION
- SECTION PARTS
- ACCESSORIES AND SERVICE PARTS
This master parts manual provides detailed parts lookup data for various components, including but not limited to crankcase, oil pump base, fuel tank, clutch housing, transmission case, front axle bracket, clutch, PTO clutch, PTO shaft, main speed change shift lever, hi-lo and half lever, PTO shift lever, rear differential, steering handle, brake, battery, hydraulic cylinder body, hood, 3-point linkage, label (English), tool box, drive shaft, drive case, front differential, steering linkage, mounting cab spec, aux. control valve kit, master cylinder, accessories, and service parts.
About Kubota Tractors:
The Kubota Corporation, established in 1890, has a long history of manufacturing agricultural machinery in Japan. With an excellent line of compact tractors, Kubota entered the North American market in 1969. The Kubota Tractor Corporation was formed in 1972 in Torrance, California, due to the initial success in the American marketplace. Kubota also owns similar tractor companies in many countries worldwide. In 1974, Kubota introduced a 12 HP four-wheel-drive tractor in the US, which was a significant development as USA manufacturers did not use true four-wheel drive in smaller models prior to that year.
In 1988, Kubota opened its first American manufacturing facility, Kubota Manufacturing of America in Gainesville, GA (USA), specifically for the production of front-end loader and backhoe implements for Kubota tractors. Later, other products were added, including a variety of lawn and garden tractors and utility vehicles. In 2006, the Gainesville front-end loader and backhoe production facility was transferred to a newer manufacturing facility, Kubota Industrial Equipment, near Jefferson, GA (USA). This facility currently prepares and configures the larger B, L, and M series tractors from Japan for delivery to Kubota Tractor Corporation's over 1,000 dealers across the United States of America.
The popularity and low price of Kubota tractors led to a number of grey market imports of Japanese models into North America. These models lack safety equipment required in the US, such as PTO shields and seatbelts. Kubota won a lawsuit in 1997 to make it illegal to distribute these tractors in the USA.
This is parts manual number: 100K0629. The specific Kubota M-Series Tractor models included in this manual are: M7950DT. The M7950DT Tractor is designed specifically for All Purpose Agricultural Farm Tractor; Suitable For Livestock Operations, Grounds Maintenance, Specialty Farming.









