calcActive())">
KUBOTA Tractor M6950-S Parts Manual ILLUSTRATED Parts LIST
What's Included?
Fast Download Speeds
Online & Offline Access
Access PDF Contents & Bookmarks
Full Search Facility
Print one or all pages of your manual

Instructions for Parts Books
The heading at the top of the page will be the same for the picture of the parts at it is for the page with the part
numbers.
Definition of column headings on part number pages:
REF.No The number refering to the part on the picture page of the parts book.
Part No. The number assigned to this part at the time of printing the parts book.
Description Discription of part.
Q'ty Quanity of part used on that page.
S.No. Serial number range of the equipment that this part will fit.
>= Your serial number should be greater than or equal to the number shown.
<= Your serial number should be lesser than or equal to the serial number shown.
I/C Interchangeability of part shown.
The part shown will work for the older and later serial number.
# The part shown is not interchangable with the other serial number.
new for old
old for new
Remarks Notes about this particulart part. Sometimes this may say except [FR] or [CA]
Note about Country Codes:
The parts books we use in the United States of America may also contain information about a part that would be
different in another country. It is important that you are aware of the country codes in some instances.
Symbol Country
A United States of America
CA Canada
FR France
GR Greece
PO Portugal
AU Australia
If the remarks column says for example EXCEPT [FR] this part works in all countries except France.
That means it will work here in the USA.

|ALL PRODUCT INDEX
M6950-S
Ref. M6950-S Page 13057
ENGINE
FUEL SYSTEM
COOLING WATER SYSTEM
ELECTRICAL SYSTEM
CLUTCH
TRANSMISSION
SPEED CHANGE LEVER
REAR AXLE AND REAR WHEEL
BRAKE
FRONT AXLE AND FRONT WHEEL
STEERING
HYDRAULIC SYSTEM
SWINGING DRAWBAR AND HITCH
HOOD(BONNET) AND CHASSIS
CAB
LABELS
ACCESSORIES

Ref. M6950-S Page 13057
Item Part No. Description Book
ENGINE 01T001 CRANKCASE 100K0404
01T002 BREATHER 100K0404
01T003 OIL PUMP 100K0404
01T00401 OIL PAN [OLD TYPE] 100K0404
01T00402 OIL PAN [NEW TYPE] 100K0404
01T00501 BALANCER [OLD TYPE] 100K0404
01T00502 BALANCER [NEW TYPE] 100K0404
01T006 PISTON AND CRANKSHAFT 100K0404
01T007 FLYWHEEL 100K0404
01T008 CYLINDER HEAD 100K0404
01T009 VALVE AND ROCKER ARM 100K0404
01T010 NOZZLE HOLDER AND FUEL PIPE 100K0404
01T011 FUEL FILTER [COMPONENT PARTS] 100K0404
01T012 NOZZLE HOLDER [COMPONENT PARTS] 100K0404
01T013 SEDIMENTER [COMPONENT PARTS] 100K0404
01T014 CYLINDER HEAD COVER 100K0404
01T015 INLET MANIFOLD 100K0404
01T021 CAMSHAFT 100K0404
01T022 GEAR CASE 100K0404
01T023 HYDRAULIC PUMP BASE 100K0404
01T024 THERMOSTAT 100K0404
01T025 WATER PUMP 100K0404
01T026 FAN 100K0404
01T027 INJECTION PUMP 100K0404
01T028 INJECTION PUMP [COMPONENT PARTS] 100K0404
01T029 FUEL PUMP 100K0404
01T030 FUEL PUMP [COMPONENT PARTS] 100K0404
01T016 AIR CLEANER (DOUBLE) 100K0404
01T017 AIR CLEANER (DOUBLE) [COMPONENT
PARTS]
100K0404
01T01801 AIR CLEANER SUPPORT W/O CAB 100K0404
01T019 PRE-CLEANER [AU] [[A][CA] OPTION] 100K0404
01T02001 MUFFLER 100K0404
01T02002 UNDER MUFFLER [OPTION] 100K0404
01T03101 HAND ACCELERATOR W/O CAB 100K0404
01T03201 ACCELERATOR PEDAL W/O CAB 100K0404
01T034 ENGINE STOP ROD W/O CAB 100K0404
FUEL SYSTEM 01T03501 FUEL TANK W/O CAB 100K0404
01T036 SUB FUEL TANK W/O CAB 100K0404
01T037 FUEL TANK SUPPORT WITH CAB 100K0404
01T03801 FUEL PIPE W/O CAB 100K0404
COOLING WATER SYSTEM 01T03901 RADIATOR [W/O CAB] 100K0404
01T040 WATER PIPE 100K0404
ELECTRICAL SYSTEM 01T041 STARTER AND DYNAMO 100K0404
01T042 STARTER [COMPONENT PARTS] 100K0404
01T04301 DYNAMO W/O CAB [COMPONENT PARTS] 100K0404
01T04401 BATTERY [A][CA] W/O CAB 100K0404
01T04501 PANEL BOARD W/O CAB 100K0404
01T046 PANEL BOARD W/O CAB [COMPONENT
PARTS]
100K0404
01T04701 SWITCH 1 W/O CAB 100K0404
01T050 LIGHT 1 100K0404
01T05101 LIGHT 2 W/O CAB 100K0404
01T053 WORKING LIGHT AND TRAILER HARNESS
[AU] W/O CAB [[A][CA] OPTION]
100K0404
01T05801 WIRE HARNESS [A][CA] W/O CAB 100K0404
CLUTCH 01T059 CLUTCH 100K0404

Ref. M6950-S Page 13057
Item Part No. Description Book
CLUTCH 01T06001 CLUTCH FORK W/O CAB 100K0404
01T06101 CLUTCH PEDAL W/O CAB 100K0404
01T068 PTO CLUTCH 100K0404
01T069 PTO CLUTCH BRAKE 100K0404
01T07001 PTO CLUTCH VALVE [A][CA] W/O CAB 100K0404
01T071 PTO CLUTCH VALVE [COMPONENT PARTS] 100K0404
01T07201 PTO CONTROL LEVER W/O CAB 100K0404
01T07401 CLUTCH HOUSING 1 [A][CA] 100K0404
01T075 CLUCTH HOUSING 2 100K0404
TRANSMISSION 01T076 TRANSMISSION CASE 100K0404
01T077 TRANSMISSION CASE REAR COVER 100K0404
01T078 PTO PROPELLER SHAFT 100K0404
01T07901 FIRST SHAFT (EXCEPT DUAL SPEED) 100K0404
01T080 COUNTER SHAFT 100K0404
01T081 HI-LO GEAR SHAFT 100K0404
01T082 HALF GEAR SHAFT 100K0404
01T083 BACK IDLE SHAFT 100K0404
01T084 PTO DRIVE SHAFT 100K0404
01T08501 PTO SHAFT [A][CA] 100K0404
SPEED CHANGE LEVER 01T08601 MAIN GEAR SHIFT LEVER [A][CA] W/O CAB 100K0404
01T088 MAIN GEAR SHIFT FORK 100K0404
01T08901 HI-LO GEAR SHIFT LEVER W/O CAB 100K0404
01T09001 HI-LO GEAR SHIFT FORK W/O CAB 100K0404
01T09101 HALF GEAR SHIFT FORK W/O CAB 100K0404
01T09201 PTO GEAR SHIFT LEVER W/O CAB 100K0404
01T093 PTO GEAR SHIFT LEVER 100K0404
01T095 BEVEL GEAR 100K0404
01T09601 DIFFERENTIAL (REAR) 100K0404
01T09701 DIFF.LOCK FORK W/O CAB 100K0404
REAR AXLE AND REAR WHEEL 01T099 REAR AXLE CASE 100K0404
01T100 REAR AXLE 100K0404
BRAKE 01T102 BRAKE 100K0404
01T10301 BRAKE PEDAL W/O CAB 100K0404
01T10401 BRAKE OIL TANK W/O CAB 100K0404
01T10501 MASTER CYLINDER W/O CAB
[COMPONENT PARTS]
100K0404
01T10701 PARKING BRAKE LEVER W/O CAB 100K0404
01T108 PARKING BRAKE 100K0404
FRONT AXLE AND FRONT WHEEL 01T109 FRONT AXLE 100K0404
01T110 FRONT WHEEL HUB 100K0404
01T12901 FRONT AXLE BRACKET 100K0404
STEERING 01T13001 STEERING LINKAGE 100K0404
01T132 STEERING LEVER 100K0404
01T133 POWER STEERING CYLINDER 100K0404
01T134 STEERING CYLINDER [COMPONENT
PARTS]
100K0404
01T13501 STEERING HANDLE W/O CAB 100K0404
01T13701 POWER STEERING CONTROLLER W/O CAB 100K0404
01T138 STEERING CONTROLLER [COMPONENT
PARTS]
100K0404
HYDRAULIC SYSTEM 01T13901 POWER STEERING OIL TANK W/O CAB 100K0404
01T14001 POWER STEERING OIL PUMP W/O CAB 100K0404
01T141 POWER STEERING OIL PUMP
[COMPONENT PARTS]
100K0404
01T14201 POWER STEERING OIL PIPE W/O CAB 100K0404
01T14301 HYD.CYLINDER BODY W/O CAB 100K0404
01T144 HYD.CYLINDER LINER 100K0404

Ref. M6950-S Page 13057
Item Part No. Description Book
HYDRAULIC SYSTEM 01T14501 DOWN SPEED ADJUSTING ROD W/O CAB 100K0404
01T146 LIFT LEVER 100K0404
01T147 HYDRAULIC SYSTEM 1 100K0404
01T148 HYDRAULIC SYSTEM 2 100K0404
01T14901 HYD.CONTROL LEVER GUIDE W/O CAB 100K0404
01T15001 DRAFT & POSITION CONTROL LEVER W/O
CAB
100K0404
01T152 HYDRAULIC PUMP AND SUCTION PIPE 100K0404
01T153 HYDRAULIC PUMP [COMPONENT PARTS] 100K0404
01T154 DELIVERY PIPE 100K0404
01T155 UNLOADING VALVE 100K0404
01T156 UNLOADING VALVE [COMPONENT PARTS] 100K0404
01T157 SENSOR BAR 1 100K0404
01T158 SENSOR BAR 2 100K0404
01T15901 AUX.CONTROL VALVE W/O CAB 100K0404
01T16101 AUX.CONTROL VALVE HOSE W/O CAB 100K0404
01T16201 AUX.CONTROL VALVE W/O CAB [OPTION] 100K0404
01T16203 AUX.CONTROL VALVE W/O CAB [OPTION] 100K0404
01T16301 AUX.CONTROL VALVE [COMPONENT
PARTS]
100K0404
01T16302 AUX.CONTROL VALVE [COMPONENT
PARTS]
100K0404
01T16303 AUX.CONTROL VALVE [COMPONENT
PARTS]
100K0404
01T16304 AUX.CONTROL VALVE [COMPONENT
PARTS]
100K0404
01T164 HYDRAULIC LIFT LINK 1 (LOWER LINK) 100K0404
01T165 HYDRAULIC LIFT LINK 2 (CHECK CHAIN) 100K0404
01T16701 HYDRAULIC LIFT LINK 3 (LIFT ROD RH)
W/O CAB [A][CA] WITH CAB
100K0404
01T168 HYDRAULIC LIFT LINK 4 (LIFT ROD LH) 100K0404
01T169 HYDRAULIC LIFT LINK 5 (TOP LINK) 100K0404
SWINGING DRAWBAR AND HITCH 01T170 SWINGING DRAWBAR 100K0404
01T171 DRAWBAR HITCH [A][CA] [OPTION] 100K0404
HOOD(BONNET) AND CHASSIS 01T172 HOOD FRONT (BONNET FRONT) 100K0404
01T17301 HOOD (BONNET) W/O CAB 100K0404
01T17501 HOOD SIDE 1 (BONNET SIDE 1) [A][CA] 100K0404
01T176 HOOD SIDE 2 (BONNET SIDE 2) 100K0404
01T177 HOOD REAR (BONNET REAR) W/O CAB 100K0404
01T178 HANDRAIL W/O CAB [OPTION] 100K0404
01T179 PANEL AND REAR COVER W/O CAB 100K0404
01T18001 FENDER W/O CAB 100K0404
01T181 FENDER BRACKET W/O CAB 100K0404
01T182 SEAT W/O CAB 100K0404
01T183 SEAT [COMPONENT PARTS] 100K0404
01T185 STEP W/O CAB 100K0404
01T186 AID STEP W/O CAB 100K0404
01T187 CENTER FRAME W/O CAB 100K0404
01T188 HOUSING COVER W/O CAB 100K0404
CAB 01T21401 TOOL BOX W/O CAB 100K0404
LABELS 01T21501 LABEL (ENGLISH) W/O CAB 100K0404
ACCESSORIES 01T219 ACCESSORIES AND SERVICE PARTS 100K0404

CRANKCASE
Reference: 01T001 Page: 1
010
020
020
020
030
040
050
060
070
080
090
100
110
120
130
140
150
150
160
170
180
190
200
210
220
230
240
250
260
260
270
280
280
290
300
310
320
330
340
350

CRANKCASE
Reference: 01T001 Page: 1
REF.No Part No. Description Q'ty S.No. I/C REMARKS Weight
(kgf)
Weight
(lb)
010 15457-01014 COMP.CRANKCASE 1 103.6 227.92
020 15451-96860 PLUG BLIND 5 0.005 0.011
030 15221-03490 CAP SEALING 4 0.02 0.044
040 15451-96280 CAP SEALING 1 0.026 0.0572
050 06311-75060 PLUG 1 0.046 0.1012
060 15521-96020 PLUG 4 0.003 0.0066
070 15451-96030 PLUG 1 0.015 0.033
080 15451-94930 PIN PIPE 1 0.005 0.011
090 05012-00812 PIN STRAIGHT 2 0.006 0.0132
100 05012-01016 PIN STRAIGHT 2 0.01 0.022
110 15481-16410 METAL CAMSHAFT 1 0.062 0.1364
120 15481-16420 METAL CAMSHAFT 1 0.06 0.132
130 15481-16430 METAL CAMSHAFT 1 0.05 0.11
140 16541-24050 COMP.SHAFT IDLE GEAR 1 0.3 0.66
150 15451-04560 BOLT BEARING CASE 10 0.185 0.407
160 15451-02310 LINER CYLINDER 4 <=68273 1.2 2.64
160 16540-99630 LINER CYLINDER 4 >=68274 ? 1.25 2.75
170 15321-73340 PIPE WATER RETURN 1 0.016 0.0352
180 34150-27580 PLUG 6 0.001 0.0022
190 32210-27580 PLUG BLIND 6 0.001 0.0022
200 15451-04250 JOINT PIPE 1 0.01 0.022
210 15451-96760 O RING 1 0.001 0.0022
220 15451-32290 JOINT PIPE 1 0.061 0.1342
230 15451-73910 COVER WATER 1 0.6 1.32
240 15451-73920 GASKET WATER COVER 1 0 0
250 01053-50818 BOLT 6 0.011 0.0242
280 04512-50080 WASHER SPRING 6 0 0
290 16121-32430 CARTRIDGE OIL FILTER 1 0.98 2.156
300 15109-33630 PLUG DRAIN 1 0.025 0.055
310 15109-33660 GASKET 1 0.001 0.0022
320 15451-83403 ASSY JOINT H/METER 1 0.085 0.187
330 15451-83453 SEAL OIL 1 0.002 0.0044
340 04012-50080 WASHER PLAIN 1 0.001 0.0022
350 15451-39012 SWITCH OIL 1 0.032 0.0704

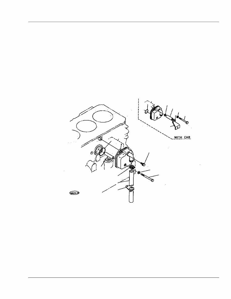
BREATHER
Reference: 01T002 Page: 2
010
010
020
030
030
040
040
050
060
070
080
090
090
100
110
120

BREATHER
Reference: 01T002 Page: 2
REF.No Part No. Description Q'ty S.No. I/C REMARKS Weight
(kgf)
Weight
(lb)
010 16541-05020 COMP.BREATHER 1 0 0
020 16541-91040 BOLT 1 0.03 0.066
030 01754-50818 BOLT FLANGE 1 W/O CAB 0.011 0.0242
030 01053-50890 BOLT 1 WITH CAB 0.03 0.066
040 04717-00800 WASHER WITH RUBBER 1 W/O CAB 0.001 0.0022
040 04717-00800 WASHER WITH RUBBER 2 WITH CAB 0.001 0.0022
050 15571-05580 CLAMP PIPE 1 0.02 0.044
060 16541-05540 COLLAR BREATHER 1 0.05 0.11
070 15571-05510 PIPE BREATHER 1 0.14 0.308
080 13412-12130 BAND MUFFLER 1 0.02 0.044
090 04811-00320 O RING 1 0 0
100 04512-50080 WASHER SPRING 1 WITH CAB 0 0
110 36919-63310 STAY PIPE 1 WITH CAB 0.09 0.198
120 36969-63310 COLLAR 1 WITH CAB 0.045 0.099

OIL PUMP
Reference: 01T003 Page: 3
010
010
020
030
030
040
040
050
060
070
080
090
100
110
120
125
130
140
150
160
170
180
190
200
210
220
230
240
240
You're Reading a Preview
What's Included?
Fast Download Speeds
Online & Offline Access
Access PDF Contents & Bookmarks
Full Search Facility
Print one or all pages of your manual
$33.99
Viewed 91 Times Today
Loading...
Secure transaction
What's Included?
Fast Download Speeds
Online & Offline Access
Access PDF Contents & Bookmarks
Full Search Facility
Print one or all pages of your manual
$33.99
If you own the M6950 or M6950-S models of Kubota Tractor, this parts manual is essential for you. It covers every part with exploded views, making it useful for disassembly and rebuilding.
Format: PDF (Adobe Reader)
Language: English
Delivery: Digital Download
Compatibility: Any Windows or Mac system (using Adobe Reader)
Sections include:
- ELECTRICAL SYSTEM
- CLUTCH
- COOLING WATER SYSTEM
- TRANSMISSION
- SPEED CHANGE LEVER
- REAR AXLE/REAR WHEEL
- BRAKE
- FRONT AXLE/FRONT WHEEL
- STEERING
- HYDRAULIC SYSTEM
- HITCH/DRAWBAR
- HOOD(BONNET)/ROPS/CAB
- LABELS
- ACCESSORIES
- FUEL SYSTEM
- ENGINE
All images are crystal clear, and the text is highly legible. This manual, consisting of hundreds of pages, is a valuable resource for both professional mechanics and DIY enthusiasts.
If you can't find a manual, try us – we have 200,000 manuals available.