KUBOTA B/L4520B L4530B Backhoe Tractor Parts List Manual

What's Included?
Download Lifetime Access
Fast Download Speeds
Online & Offline Access
Access PDF Contents & Bookmarks
Full Search Facility
Print one or all pages of your manual
Viewed 11 Times Today Fire
Trust Guard Security Scanned
Secure transaction
What's Included?
Download Lifetime Access
Fast Download Speeds
Online & Offline Access
Access PDF Contents & Bookmarks
Full Search Facility
Print one or all pages of your manual
$27.99

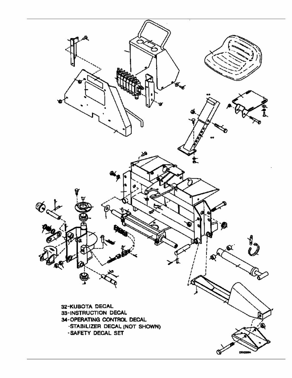
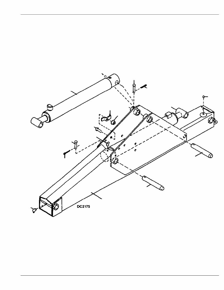
This parts manual is an essential resource for looking up Kubota parts numbers, parts diagrams, exploded views, serial numbers, part descriptions, and remarks. It is invaluable for finding the right parts and serving as a companion during servicing, repairs, rebuilds, part replacements, teardowns, overhauls, and adjustments for your Kubota.

The manual is delivered in a .PDF format. Upon successful payment processing through PayPal, you will be directed to a download page where you can instantly and automatically retrieve the manual and store it on your computer. This immediate access contrasts with the delayed delivery of paper manuals or CDs via mail.

Once downloaded, you can reference the manual at any time and as often as needed. Whether viewing it on your PC/laptop or printing specific pages, this digital format eliminates the risk of the manual becoming greasy and unusable over time, as often happens with paper manuals.

Happy Clients 5,521,897 Happy Clients
eManuals 2,594,462 eManuals
Trusted Sellers 1,120,453 Trusted Sellers
Years in Business 15 Years in Business