KUBOTA L2500F Tractor Parts Manual - ILLUSTRATED MASTER Parts LIST Manual - (HIGH QUALITY Manual) - KUBOTA L2500 F TRA
What's Included?
Lifetime Access
Fast Download Speeds
Online & Offline Access
Access PDF Contents & Bookmarks
Full Search Facility
Print one or all pages of your manual
Instructions for Parts Books The heading at the top of the page will be the same for the picture of the parts at it is for the page with the part numbers. Definition of column headings on part number pages: REF.No The number referring to the part on the picture page of the parts book. Part No. The number assigned to this part at the time of printing the parts book. Description Description of part. Q'ty Quantity of part used on that page. S.No. Serial number range of the equipment that this part will fit. >= Your serial number should be greater than or equal to the number shown. <= Your serial number should be lesser than or equal to the serial number shown. I/C Interchangeability of part shown. The part shown will work for the older and later serial number. # The part shown is not interchangeable with the other serial number. new for old old for new Remarks Notes about this particular part. Sometimes this may say except [FR] or [CA] Note about Country Codes: The parts books we use in the United States of America may also contain information about a part that would be different in another country. It is important that you are aware of the country codes in some instances. Symbol Country A United States of America CA Canada FR France GR Greece PO Portugal AU Australia If the remark column says for example EXCEPT [FR] this part works in all countries except France. That means it will work here in the USA. Excavators & Wheel Loaders Country symbols sometimes used: KCL - Kubota Canada Ltd KTA - Kubota Tractor Australia KTC - Kubota Tractor Corp. (USA)
|ALL PRODUCT INDEX L2500F Ref. L2500F Page 12019 ENGINE FUEL SYSTEM COOLING WATER SYSTEM ELECTRICAL SYSTEM CLUTCH TRANSMISSION SPEED CHANGE LEVER REAR AXLE/REAR WHEEL BRAKE FRONT AXLE/FRONT WHEEL/CHASSIS STEERING HYDRAULIC SYSTEM HITCH/DRAWBAR HOOD(BONNET)/ROPS LABELS ACCESSORIES
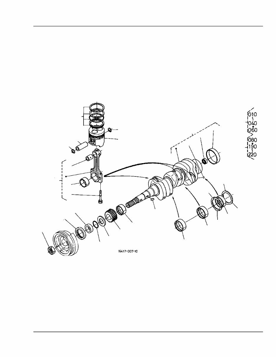
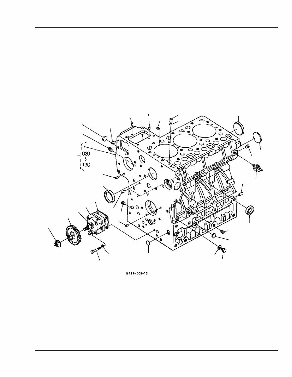
Ref. L2500F Page 12019 Item Part No. Description Book ENGINE 01T001 CRANKCASE 100K0362 01T002 OIL PAN 100K0362 01T003 PISTON/CRANKSHAFT 100K0362 01T004 MAIN BEARING CASE 100K0362 01T005 FLYWHEEL 100K0362 01T006 CYLINDER HEAD 100K0362 01T007 VALVE AND ROCKER ARM 100K0362 01T008 NOZZLE HOLDER/GLOW PLUG 100K0362 01T009 NOZZLE HOLDER [COMPONENT PARTS] 100K0362 01T010 CYLINDER HEAD COVER 100K0362 01T011 INLET MANIFOLD 100K0362 02T012 AIR CLEANER 100K0362 01T013 EXHAUST MANIFOLD 100K0362 02T01401 MUFFLER 100K0362 02T01402 UNDER MUFFLER [OPTION] 100K0362 01T015 CAMSHAFT 100K0362 01T016 GEAR CASE 100K0362 01T017 WATER PUMP 100K0362 01T018 WATER FLANGE AND THERMOSTAT 100K0362 01T019 FUEL CAMSHAFT 100K0362 01T020 INJECTION PUMP 100K0362 01T021 INJECTION PUMP [COMPONENT PARTS] 100K0362 01T022 ENGINE STOP LEVER 100K0362 01T023 SPEED CONTROL PLATE 100K0362 01T024 GOVERNOR 100K0362 01T025 UPPER GASKET KIT 100K0362 01T026 LOWER GASKET KIT 100K0362 02T027 STOP ROD 100K0362 02T028 HAND ACCELERATOR LEVER 100K0362 FUEL SYSTEM 02T02901 FUEL TANK 100K0362 02T030 FUEL FILTER/FUEL PIPE 100K0362 COOLING WATER SYSTEM 02T031 FAN 100K0362 02T032 WATER PIPE 100K0362 02T033 RADIATOR 100K0362 02T03401 SHUTTER [MANUAL STRG.] 100K0362 ELECTRICAL SYSTEM 02T035 ALTERNATOR 100K0362 02T036 ALTERNATOR [COMPONENT PARTS] 100K0362 02T037 STARTER 100K0362 02T038 STARTER [COMPONENT PARTS] 100K0362 02T039 BATTERY 100K0362 02T040 SWITCH 100K0362 02T041 LIGHT 100K0362 02T042 METER 100K0362 02T04301 ELECTRICAL WIRING 100K0362 CLUTCH 02T044 CLUTCH 100K0362 02T045 CLUTCH LEVER 100K0362 02T046 CLUTCH PEDAL 100K0362 02T047 CLUTCH HOUSING 100K0362 TRANSMISSION 02T048 TRANSMISSION CASE 100K0362 02T049 MAIN SHAFT 100K0362 02T050 COUNTERSHAFT 100K0362 02T051 PTO COUNTERSHAFT 100K0362
Ref. L2500F Page 12019 Item Part No. Description Book TRANSMISSION 02T052 REVERSE SHAFT 100K0362 SPEED CHANGE LEVER 02T053 MAIN GEAR SHIFT LEVER 100K0362 02T054 PTO GEAR SHIFT LEVER 100K0362 02T055 MAIN GEAR SHIFT FORK 100K0362 02T056 PTO GEAR SHIFT FORK 100K0362 02T057 RANGE GEAR SHIFT FORK AND LEVER 100K0362 REAR AXLE/REAR WHEEL 02T058 SPIRAL BEVEL PINION 100K0362 02T059 REAR DIFFERENTIAL 100K0362 02T060 DIFFERENTIAL LOCK PEDAL 100K0362 02T061 REAR AXLE 100K0362 02T06201 REAR WHEEL (9.5-24) 100K0362 02T06202 REAR WHEEL (11.2-24) 100K0362 02T06203 REAR WHEEL (13.6-16) 100K0362 02T06204 REAR WHEEL (355/80-D20) 100K0362 BRAKE 02T06301 BRAKE 100K0362 02T064 BRAKE PEDAL 100K0362 02T065 PARKING BRAKE LEVER 100K0362 FRONT AXLE/FRONT WHEEL/CHASSIS 02T066 FRONT AXLE 100K0362 02T067 KNUCKLE SHAFT 100K0362 02T06801 FRONT WHEEL (4.00-15) 100K0362 02T06802 FRONT WHEEL (5.00-15) 100K0362 02T06803 FRONT WHEEL (23X8.50-12) 100K0362 02T06804 FRONT WHEEL (25X8.50-14) 100K0362 02T069 FRONT AXLE FRAME 100K0362 STEERING 02T080 STEERING LINKAGE (DRAG LINK) 100K0362 02T081 STEERING LINKAGE (TIE ROD) 100K0362 02T08401 MANUAL STEERING AND HANDLE (MS) 100K0362 02T08501 MANUAL STEERING [COMPONENT PARTS] 100K0362 HYDRAULIC SYSTEM 02T08601 HYDRAULIC PUMP 100K0362 02T08701 HYDRAULIC PUMP [COMPONENT PARTS] 100K0362 02T08801 HYDRAULIC OIL LINE 100K0362 02T090 CONTROL VALVE 100K0362 02T09101 CONTROL VALVE (POSITION CONTROL) [COMPONENT PARTS] 100K0362 02T09102 CONTROL VALVE (DRAFT) [OPTION] [COMPONENT PARTS] 100K0362 02T092 DRAFT CONTROL VALVE [OPTION] 100K0362 02T093 DRAFT CONTROL VALVE [OPTION] [COMPONENT PARTS] 100K0362 02T094 HYDRAULIC CYLINDER 100K0362 02T095 CYLINDER FRONT COVER 100K0362 02T096 LIFT ARM 100K0362 02T097 FEED BACK LEVER 100K0362 02T098 POSITION CONTROL LEVER 100K0362 02T099 3-POINT LINKAGE 1 (LOWER LINK/TOP LINK) 100K0362 02T100 3-POINT LINKAGE 2 (LIFT ROD) 100K0362 02T101 TOP LINK BRACKET/LOWER LINK HOLDER 100K0362 02T102 TOP LINK BRACKET (WITH DRAFT CONTROL) [OPTION] 100K0362 HITCH/DRAWBAR 02T103 DRAWBAR/HITCH 100K0362 02T104 PTO SHAFT PROTECTOR 100K0362
Ref. L2500F Page 12019 Item Part No. Description Book HOOD(BONNET)/ROPS 02T105 FRONT GRILLE 100K0362 02T106 HOOD (BONNET) 100K0362 02T107 HOOD (SIDE COVER) 100K0362 02T108 REAR HOOD (BONNET) 100K0362 02T109 FENDER 100K0362 02T110 FENDER SUPPORT 100K0362 02T111 SEAT 100K0362 02T112 STEP 100K0362 02T113 ROPS 100K0362 LABELS 02T114 LABEL 1 100K0362 02T115 LABEL 2 100K0362 ACCESSORIES 02T116 ACCESSORIES AND SERVICE PARTS 100K0362
Are you in need of a comprehensive parts manual for your KUBOTA L2500F tractor? Look no further! This manual is a valuable resource for both professional mechanics and DIY enthusiasts. It covers a wide range of components including the engine, crankcase, oil pan, piston, crankshaft, and much more. With fully indexed, hyperlinked, and searchable content, this manual is designed to assist you in finding the right parts, performing servicing, repairs, rebuilds, replacements, teardowns, overhauls, and adjustments on your KUBOTA L2500F tractor.
Upon purchase, you will receive this manual in a high-quality format, instantly downloadable for convenient access on your computer. Unlike traditional paper manuals or CDs, this digital format ensures immediate availability without any delivery delays. You can easily reference the manual from your PC or laptop, or print out specific pages as needed, eliminating the risk of wear and tear associated with physical manuals.
Don't miss out on the opportunity to expedite your repairs and maintenance tasks. Order this comprehensive parts manual now and streamline your tractor maintenance process. No more waiting for deliveries or dealing with greasy, unusable paper manuals. Get started with your repairs right away!
File Format: PDF
Compatibility: All Versions of Windows & Mac
Printable: Yes
Language: English
Requirements: Adobe Reader
Parts Manual Number: 100K0362
Manual Covers:
Engine
Crankcase
Oil Pan
Piston
Crankshaft
And much more...
Looking for other service, repair, or parts manuals? Visit www.tradebit.com for more options. Thank you for visiting this page!
Recently Viewed
5,521,897Happy Clients
2,594,462eManuals
1,120,453Trusted Sellers
15Years in Business
Price:
Actual Price:
KUBOTA L2500F Tractor Parts Manual - ILLUSTRATED MASTER Parts LIST Manual - (HIGH QUALITY Manual) - KUBOTA L2500 F TRA