KUBOTA B2400 D Tractor Parts Manual ILLUSTRATED LIST IPL
What's Included?
Lifetime Access
Fast Download Speeds
Online & Offline Access
Access PDF Contents & Bookmarks
Full Search Facility
Print one or all pages of your manual
Instructions for Parts Books The heading at the top of the page will be the same for the picture of the parts at it is for the page with the part numbers. Definition of column headings on part number pages: REF.No The number refering to the part on the picture page of the parts book. Part No. The number assigned to this part at the time of printing the parts book. Description Discription of part. Q'ty Quanity of part used on that page. S.No. Serial number range of the equipment that this part will fit. >= Your serial number should be greater than or equal to the number shown. <= Your serial number should be lesser than or equal to the serial number shown. I/C Interchangeability of part shown. The part shown will work for the older and later serial number. # The part shown is not interchangable with the other serial number. new for old old for new Remarks Notes about this particulart part. Sometimes this may say except [FR] or [CA] Note about Country Codes: The parts books we use in the United States of America may also contain information about a part that would be different in another country. It is important that you are aware of the country codes in some instances. Symbol Country A United States of America CA Canada FR France GR Greece PO Portugal AU Australia If the remarks column says for example EXCEPT [FR] this part works in all countries except France. That means it will work here in the USA.
|ALL PRODUCT INDEX B2400HSD Ref. B2400HSD Page 11027 ENGINE FUEL SYSTEM COOLING WATER SYSTEM ELECTRICAL SYSTEM CLUTCH FRAME TRANSMISSION REAR AXLE BRAKE SPEED CHANGE LEVER FRONT AXLE STEERING HYDRAULIC SYSTEM HOOD(BONNET)/ROPS WHEEL LABELS ACCESSORIES
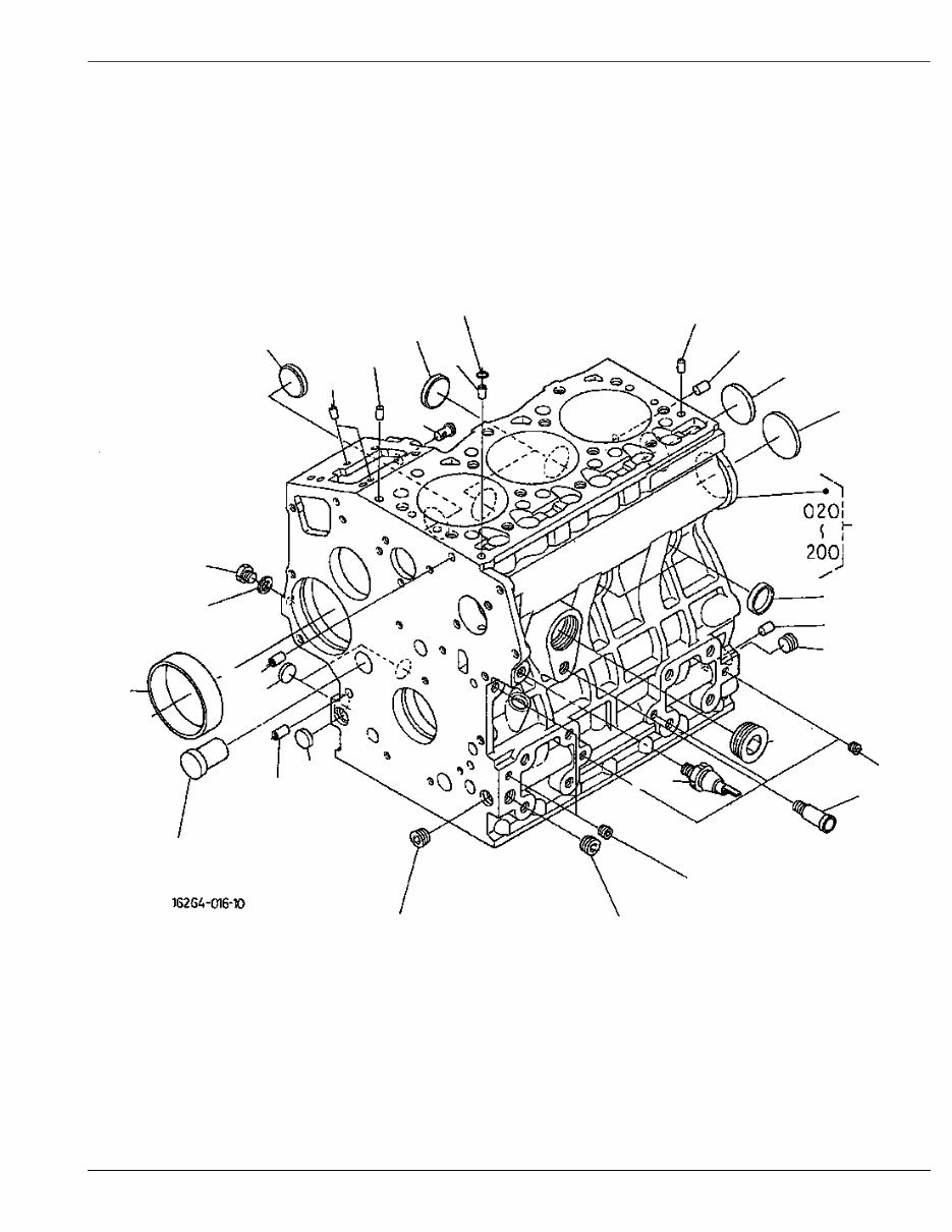
Ref. B2400HSD Page 11027 Item Part No. Description Book ENGINE 010001 CRANK CASE 100A0081 010002 OIL PAN 100A0081 010003 CYLINDER HEAD 100A0081 010004 GEAR CASE 100A0081 010005 HEAD COVER 100A0081 010100 MAIN BEARING CASE 100A0081 010101 CAMSHAFT AND IDLE GEAR SHAFT 100A0081 010102 PISTON AND CRANK SHAFT 100A0081 010103 FLYWHEEL 100A0081 010105 FUEL CAMSHAFT AND GOVERNOR SHAFT 100A0081 010201 STOP SOLENOID 100A0081 010202 INJECTION PUMP 100A0081 010203 INJECTION PUMP [COMPONENT PARTS] 100A0081 010204 GOVERNOR 100A0081 010205 SPEED CONTROL PLATE 100A0081 010206 NOZZLE HOLDER AND GLOW PLUG 100A0081 010207 NOZZLE HOLDER [COMPONENT PARTS] 100A0081 010500 WATER FLANGE AND THERMOSTAT 100A0081 010501 WATER PUMP 100A0081 010600 VALVE AND ROCKER ARM 100A0081 010601 INLET MANIFOLD 100A0081 010602 EXHAUST MANIFOLD 100A0081 01090001 UPPER GASKET KIT 100A0081 01090002 LOWER GASKET KIT 100A0081 ELECTRICAL SYSTEM 01A521 DYNAMO 100A0081 01A523 DYNAMO [COMPONENT PARTS] 100A0081 CLUTCH 01C101 CLUTCH 100A0081 HYDRAULIC SYSTEM 01J120 HYDRAULIC PUMP 100A0081 01J125 HYDRAULIC PUMP [COMPONENT PARTS] 100A0081 ENGINE 02060301 AIR CLEANER 100A0081 02060302 AIR CLEANER 100A0081 02060303 AIR CLEANER (DOUBLE) [OPTION] 100A0081 020605 MUFFLER 100A0081 FUEL SYSTEM 02A001 ACCELERATOR LEVER 100A0081 02A101 FUEL TANK 100A0081 02A110 FUEL PIPE 100A0081 02A130 FUEL FILTER [COMPONENT PARTS] 100A0081 COOLING WATER SYSTEM 02A401 FAN 100A0081 02A410 WATER PIPE 100A0081 02A420 RADIATOR 100A0081 ELECTRICAL SYSTEM 02A515 ALTERNATOR [CA] 100A0081 02A520 ALTERNATOR [COMPONENT PARTS] [CA] 100A0081 02A525 STARTER 100A0081 02A530 STARTER [COMPONENT PARTS] 100A0081 02A535 BATTERY 100A0081 02B115 PANEL BOARD 100A0081 02B120 PANEL BOARD [COMPONENT PARTS] 100A0081 02B301 HEAD LIGHT 100A0081 02B302 TAIL LIGHT/HAZARD LIGHT/WORKING LIGHT 100A0081 02B50101 ELECTRICAL WIRING 100A0081 02B50102 ELECTRICAL WIRING [CA] 100A0081 CLUTCH 02C110 CLUTCH ROD 100A0081 02C301 CLUTCH PEDAL 100A0081 02C401 CLUTCH HOUSING 100A0081 FRAME 02C415 FRAME 100A0081 TRANSMISSION 02C420 TRANSMISSION CASE 100A0081 02C425 DIFFERENTIAL GEAR CASE 100A0081 02C427 REAR AXLE CASE 100A0081 02D001 CLUTCH SHAFT/PRORELLER SHAFT 100A0081 02D010 HST 100A0081
Ref. B2400HSD Page 11027 Item Part No. Description Book TRANSMISSION 02D015 HST [COMPONENT PARTS] 100A0081 02D105 2ND SHAFT/3RD SHAFT/4TH SHAFT 100A0081 02D135 5TH SHAFT/PTO SHAFT 100A0081 02D137 MID PTO 100A0081 REAR AXLE 02D140 REAR DIFFERENTIAL 100A0081 02D143 FRONT WHEEL PROPELLER SHAFT 100A0081 02D301 REAR AXLE 100A0081 BRAKE 02E001 BRAKE 100A0081 02E015 PARKING BRAKE LEVER 100A0081 SPEED CHANGE LEVER 02F010 SPEED CHANGE LEVER 100A0081 02F020 SPEED CONTROL PEDAL 100A0081 02F030 SPEED SET LEVER 100A0081 02F110 RANGE GEAR SHIFT LEVER 100A0081 02F113 FRONT WHEEL DRIVE LEVER 100A0081 02F125 PTO GEAR SHIFT LEVER 100A0081 02F135 BI-SPEED TURN LEVER 100A0081 02F140 POSITION CONTROL LEVER 100A0081 02F201 BRAKE PEDAL 100A0081 02F205 DIFFERENTIAL LOCK PEDAL 100A0081 FRONT AXLE 02G115 FRONT DIFFERENTIAL 100A0081 02G123 BEVEL GEAR CASE 100A0081 02G12501 FRONT AXLE CASE 100A0081 02G12502 FRONT AXLE CASE 100A0081 02G13001 FRONT AXLE 100A0081 02G13002 FRONT AXLE 100A0081 02G133 BI-SPEED TURN CLUTCH 100A0081 02G135 FRONT DRIVE SHAFT 100A0081 02G201 BI-SPEED TURN GEAR CASE 100A0081 02G205 BI-SPEED TURN CASE 100A0081 02G210 BI-SPEED TURN SHIFT LEVER 100A0081 STEERING 02H003 DRAG LINK 100A0081 02H005 TIE ROD 100A0081 02H101 STEERING HANDLE 100A0081 02H110 STEERING CONTROLLER 100A0081 02H11501 STEERING CONTROLLER [COMPONENT PARTS] 100A0081 02H11502 STEERING CONTROLLER [COMPONENT PARTS] 100A0081 HYDRAULIC SYSTEM 02J201 HYDRAULIC OIL LINE (SUCTION) 100A0081 02J203 FLOW DIVIDER VALVE [COMPONENT PARTS] 100A0081 02J215 HYDRAULIC OIL LINE (STEERING) 100A0081 02J230 HYDRAULIC OIL LINE (T/M) 100A0081 02J235 HYDRAULIC OIL LINE (HST) 100A0081 02J240 HYDRAULIC OIL LINE (OIL COOLER) 100A0081 02J301 HYDRAULIC CYLINDER CASE 100A0081 02J405 CONTROL VALVE 100A0081 02J41001 CONTROL VALVE [COMPONENT PARTS] 100A0081 02J41002 CONTROL VALVE [COMPONENT PARTS] 100A0081 02K101 LIFT ROD 100A0081 02K115 LOWER LINK 100A0081 02K120 TOP LINK 100A0081 HOOD(BONNET)/ROPS 02M101 FRONT GRILLE 100A0081 02M105 HOOD (BONNET) 100A0081 02M120 SIDE COVER 100A0081 02M210 FENDER 100A0081 02M211 EXTENSION FENDER 100A0081 02M217 SEAT SUPPORT 100A0081 02M220 SEAT 100A0081 02M225 STEP 100A0081 02M301 ROPS 100A0081 WHEEL 02R10102 FRONT WHEEL (7-12) 100A0081 02R10103 FRONT WHEEL (23*8.50-12) 100A0081
Ref. B2400HSD Page 11027 Item Part No. Description Book WHEEL 02R10104 FRONT WHEEL (21*8.00-10) 100A0081 02R11003 REAR WHEEL (11.2-16) 100A0081 02R11004 REAR WHEEL (33*12.5-15) 100A0081 02R11005 REAR WHEEL (31*15.5-15) 100A0081 LABELS 02S101 LABEL 100A0081 ACCESSORIES 02T102 EXTENSION STOPPER 100A0081 02T105 ACCESSORIES AND SERVICE PARTS 100A0081
If you own a Kubota tractor, this parts manual is an essential resource for disassembly, repair, and reassembly. It provides detailed illustrations and part numbers for easy identification and ordering. Whether you're a professional mechanic or a DIY enthusiast, this manual is highly recommended for owners and prospective buyers.
Categories include but are not limited to:
Crank
Oil pan
Cyl head
Gear case
Head cover
Filter
Bearings
Camshaft
Crankshaft
Pistons
Flywheel
Clutch
Fuel
Injection pump
Governor
Glow plug
Water pump
Air cleaner
Manifold
Valves
Gaskets
Alternator
Starter
Battery
Elec wiring
Diff
All shafts
PTO shaft
All axle's
Drag link
Steering
ALL hydraulics
Hitch
Seat
Accessories
PLUS MORE........
With over 200,000 manuals available, we have a wide range of resources for various equipment. Feel free to explore our other items or contact us for more information.
Recently Viewed
5,521,897Happy Clients
2,594,462eManuals
1,120,453Trusted Sellers
15Years in Business
Price:
Actual Price:
KUBOTA B2400 D Tractor Parts Manual ILLUSTRATED LIST IPL